Qui troverai tutte le parti e i disegni disponibili di “Festool 583174 ( AFZUIGARM )”. Da qui puoi ordinare direttamente tutte le parti desiderate. Molte parti devono essere ordinate dal produttore, a seconda della marca, ciò richiede da una a quattro settimane. Tutte le informazioni che abbiamo sono sul nostro sito web, non possiamo consigliarti su ciò di cui hai bisogno, per questo dovrai restituire la macchina per la riparazione. Nota quanto segue al momento dell’ordinazione:
A causa di una riorganizzazione interna a Festool, gli ordini Festool non verranno consegnati prima della seconda metà di gennaio 2026.
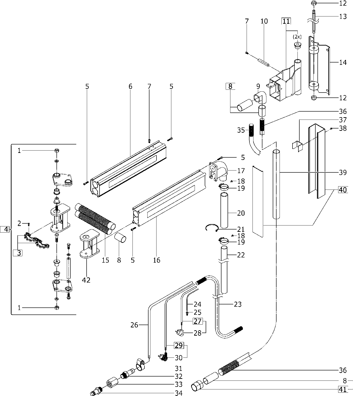
Disegni tecnici di Festool 583174 ( AFZUIGARM )
Elenco parti di Festool 583174 ( AFZUIGARM )
| Pos. | Descrizione | Prezzo IVA escl | Prezzo IVA incl | |
| I prezzi indicati sono comprensivi di IVA | ||||
| Dado esagonale M14 | ||||
| 1 | 400588 | 3.89 | 4.75 | |
| Vite a testa affondata M6 x 16 | ||||
| 2 | 400990 | 1.39 | 1.70 | |
| INGRANAGGIO | ||||
| 3 | 496322 | 86.15 | 105.10 | |
| Nessuna informazione disponibile, non ordinabile | ||||
| 4 | xxx | |||
| Vite a testa cilindrica M8 x 35 | ||||
| 5 | 200695 | 1.39 | 1.70 | |
| Nessuna informazione disponibile, non ordinabile | ||||
| 6 | xxx | |||
| Vite a testa cilindrica M8 x 20 | ||||
| 7 | 400153 | 6.41 | 7.82 | |
| Tubo Ø 50 x 100 mm | ||||
| 8 | 445461 | 12.83 | 15.65 | |
| Raccordo | ||||
| 9 | 445460 | 31.82 | 38.82 | |
| Bullone | ||||
| 10 | 445446 | 35.33 | 43.10 | |
| Flangia OS 400 EQ | ||||
| 11 | 488452 | 339.89 | 414.67 | |
| Nessuna informazione disponibile, non ordinabile | ||||
| 12 | 200738 | |||
| BARRA TOMMY | ||||
| 13 | 495835 | 70.91 | 86.51 | |
| Console Asa 5000 / 6000 | ||||
| 14 | 495837 | 302.26 | 368.76 | |
| Tubo Ø 50 x 0,3 m | ||||
| 15 | 445463 | 26.14 | 31.89 | |
| Braccio Asa 2500 / 5000 | ||||
| 16 | 445452 | 422.65 | 515.63 | |
| Flangia OS 400 EQ | ||||
| 17 | 445450 | 290.64 | 354.58 | |
| Rivetto cieco | ||||
| 18 | 445469 | 7.85 | 9.58 | |
| FERMAGLIO PER CAVO | ||||
| 19 | 445467 | 22.26 | 27.16 | |
| Tubo Asa 2500 / 5000 | ||||
| 20 | 445466 | 59.17 | 72.19 | |
| Legacavo | ||||
| 21 | 446862 | 6.73 | 8.21 | |
| Tubo CS 50 EBG | ||||
| 22 | 445468 | 70.18 | 85.62 | |
| Tubo 1650 mm | ||||
| 23 | 449907 | 29.40 | 35.87 | |
| Nessuna informazione disponibile, non ordinabile | ||||
| 24 | 449824 | |||
| Nessuna informazione disponibile, non ordinabile | ||||
| 25 | 2150 | |||
| Tubo d'aria compressa Asa 2500 / 5000 | ||||
| 26 | 495749 | 89.06 | 108.65 | |
| Nessuna informazione disponibile, non ordinabile | ||||
| 27 | xxx | |||
| Nessuna informazione disponibile, non ordinabile | ||||
| 28 | xxx | |||
| Nessuna informazione disponibile, non ordinabile | ||||
| 29 | xxx | |||
| Nessuna informazione disponibile, non ordinabile | ||||
| 30 | xxx | |||
| FERMAGLIO PER CAVO | ||||
| 31 | 9274 | 3.77 | 4.60 | |
| Nessuna informazione disponibile, non ordinabile | ||||
| 32 | xxx | |||
| Presa | ||||
| 33 | 200477 | 29.04 | 35.43 | |
| Nessuna informazione disponibile, non ordinabile | ||||
| 34 | xxx | |||
| Nessuna informazione disponibile, non ordinabile | ||||
| 35 | 449908 | |||
| Tubo Ø 50 x 1 m | ||||
| 36 | 445459 | 51.79 | 63.18 | |
| Morsetto per tubo | ||||
| 37 | 445456 | 37.39 | 45.62 | |
| RIVETTO | ||||
| 38 | 400152 | 5.47 | 6.67 | |
| Tubo Ø 50 x 2000 mm | ||||
| 39 | 445472 | 117.13 | 142.90 | |
| Canale di installazione L=2000 mm | ||||
| 40 | 445473 | 139.88 | 170.65 | |
| Raccordo | ||||
| 41 | 489397 | 37.27 | 45.47 | |
| Nessuna informazione disponibile, non ordinabile | ||||
| 42 | 445441 | |||