Qui troverai tutte le parti e i disegni disponibili di “Milwaukee 4000458622 ( HD18AG115-0 )”. Da qui puoi ordinare direttamente tutte le parti desiderate. Molte parti devono essere ordinate dal produttore, a seconda della marca, ciò richiede da una a quattro settimane. Tutte le informazioni che abbiamo sono sul nostro sito web, non possiamo consigliarti su ciò di cui hai bisogno, per questo dovrai restituire la macchina per la riparazione. Nota quanto segue al momento dell’ordinazione:
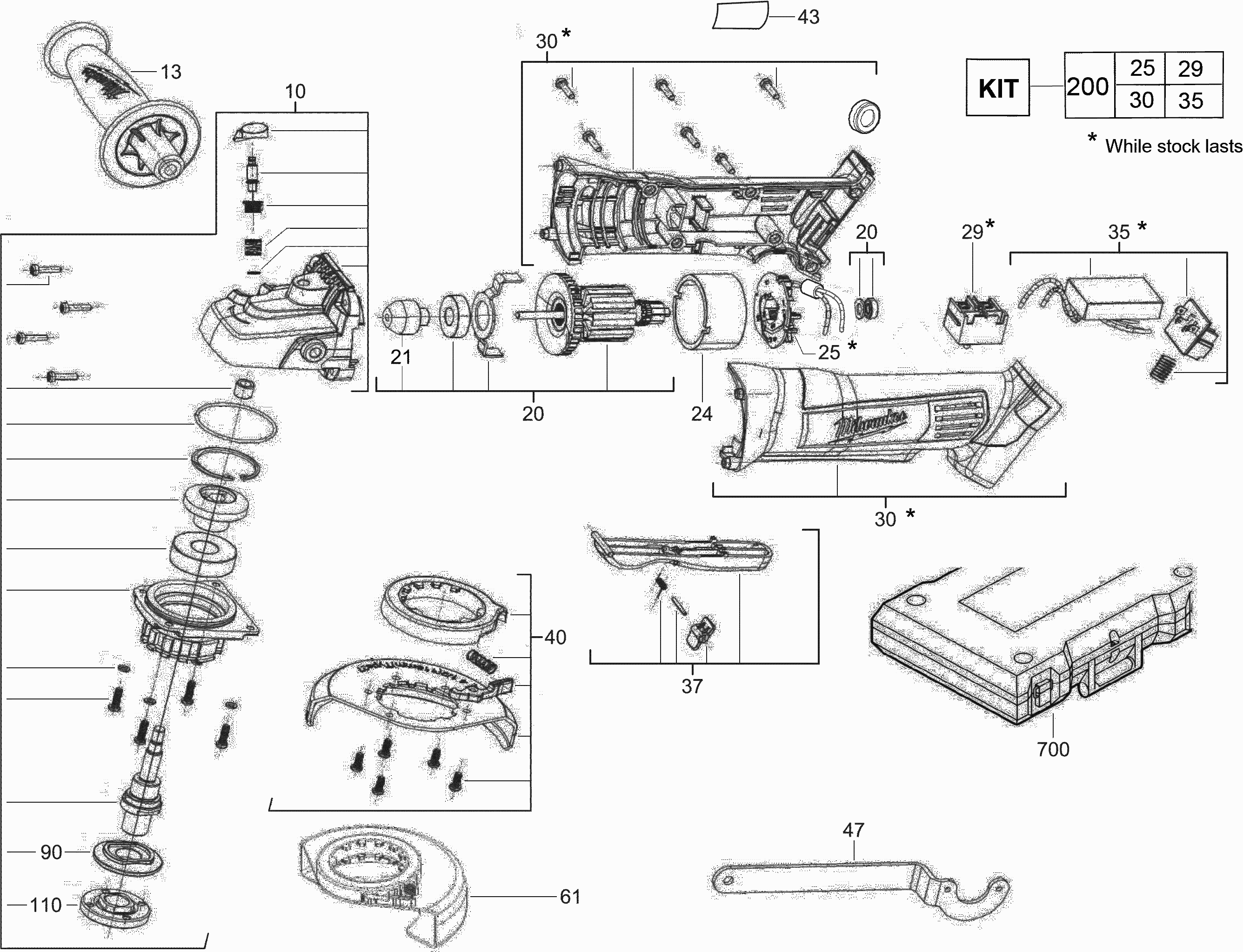
Disegni tecnici di Milwaukee 4000458622 ( HD18AG115-0 )
Elenco parti di Milwaukee 4000458622 ( HD18AG115-0 )
| Pos. | Descrizione | Prezzo IVA escl | Prezzo IVA incl | |
| I prezzi indicati sono comprensivi di IVA | ||||
| M18 4,0 Ah accu | ||||
| 0001 | 4932430063 | 106.45 | 129.87 | |
| Non più disponibile, nessuna sostituzione | ||||
| 0010 | 4931461672 | |||
| Impugnatura di tenuta | ||||
| 0013 | 340067001 | 9.91 | 12.09 | |
| ARMATURA | ||||
| 0020 | 4931461676 | 69.70 | 85.03 | |
| Pignone (1) | ||||
| 0021 | 4931461677 | 19.01 | 23.19 | |
| CAMPO ELETTRICO | ||||
| 0024 | 4931440971 | 63.36 | 77.30 | |
| SET DI SPAZZOLE IN CARBONE | ||||
| 0025 | 4931431774 | 14.44 | 17.62 | |
| Non più disponibile, nessuna sostituzione | ||||
| 0029 | 4931431818 | |||
| Non più disponibile, nessuna sostituzione | ||||
| 0030 | 200074004 | |||
| Nessuna informazione disponibile, non ordinabile | ||||
| 0035 | 200372005 | |||
| PULSANTE DI INTERRUTTORE | ||||
| 0037 | 200979003 | 7.20 | 8.78 | |
| Cappuccio di protezione/Sega circolare a mano | ||||
| 0040 | 4931433327 | 30.10 | 36.72 | |
| TARGHETTA DI IDENTIFICAZIONE | ||||
| 0043 | 4931461673 | 1.90 | 2.32 | |
| Chiave M14 | ||||
| 0047 | 632145002 | 5.40 | 6.59 | |
| Non più disponibile, nessuna sostituzione | ||||
| 0061 | 4931411208 | |||
| Non più disponibile, nessuna sostituzione | ||||
| 0090 | 4931461674 | |||
| DADO FLANGIA | ||||
| 0110 | 4931441309 | 5.68 | 6.93 | |
| INVOLUCRO/INTERRUTTORE/PCBA ASSY | ||||
| 0200 | 4931466314 | 121.97 | 148.80 | |
| Non più disponibile, nessuna sostituzione | ||||
| 0700 | 200230015 | |||