Qui troverai tutte le parti e i disegni disponibili di “Milwaukee 4000383706 ( CS75 )”. Da qui puoi ordinare direttamente tutte le parti desiderate. Molte parti devono essere ordinate dal produttore, a seconda della marca, ciò richiede da una a quattro settimane. Tutte le informazioni che abbiamo sono sul nostro sito web, non possiamo consigliarti su ciò di cui hai bisogno, per questo dovrai restituire la macchina per la riparazione. Nota quanto segue al momento dell’ordinazione:
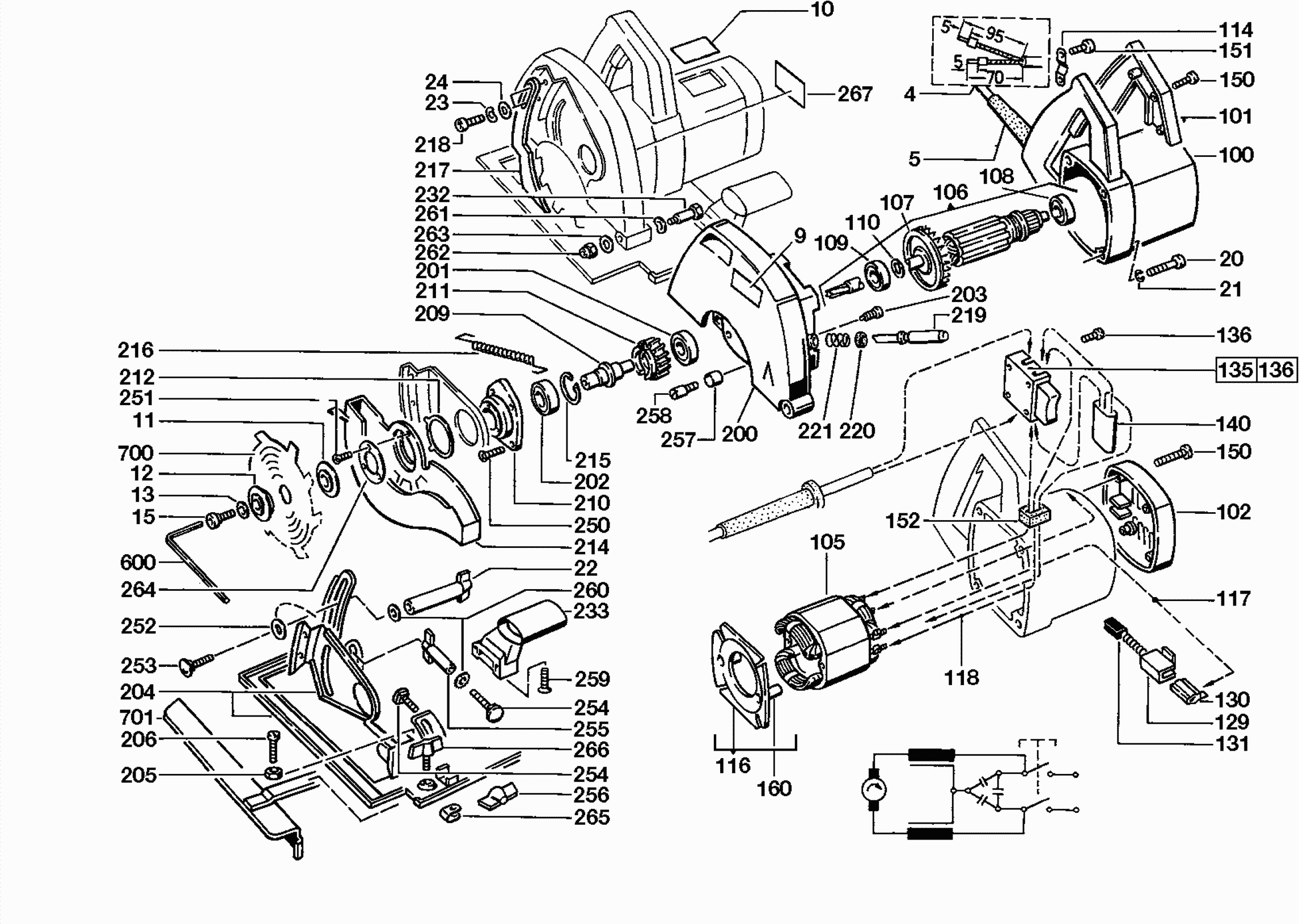
Disegni tecnici di Milwaukee 4000383706 ( CS75 )
Elenco parti di Milwaukee 4000383706 ( CS75 )
| Pos. | Descrizione | Prezzo IVA escl | Prezzo IVA incl | |
| I prezzi indicati sono comprensivi di IVA | ||||
| CAVO DI CONNESSIONE | ||||
| 0004 | 4931622543 | 12.60 | 15.37 | |
| MANICOTTO DI INGRESSO DEL CAVO | ||||
| 0005 | 4931322536 | 9.00 | 10.98 | |
| TARGA NOMINATIVA | ||||
| 0009 | 4931382710 | 1.80 | 2.20 | |
| DISCO (ne servono 5) | ||||
| 0011 | 4931317023 | 4.49 | 5.48 | |
| Nessuna informazione disponibile, non ordinabile | ||||
| 0012 | 4931317024 | |||
| Rondella (1) | ||||
| 0013 | 4931276977 | 1.80 | 2.20 | |
| Vite | ||||
| 0015 | 4931621490 | 1.80 | 2.20 | |
| Non più disponibile, nessuna sostituzione | ||||
| 0021 | 4931615407 | |||
| Non più disponibile, nessuna sostituzione | ||||
| 0024 | 4931303910 | |||
| Non più disponibile, nessuna sostituzione | ||||
| 0100 | 4931383714 | |||
| Coperchio della custodia (1) | ||||
| 0102 | 4931259153 | 5.40 | 6.59 | |
| Nessuna informazione disponibile, non ordinabile | ||||
| 0106 | 4931317677 | |||
| Non più disponibile, nessuna sostituzione | ||||
| 0107 | 4931317671 | |||
| CUSCINETTO A SFERE | ||||
| 0108 | 4931341741 | 9.00 | 10.98 | |
| CUSCINETTO A SFERA D 625 6001 ZTH LDS | ||||
| 0109 | 4931804500 | 9.00 | 10.98 | |
| Disco N874237 12,1X22X0,5 | ||||
| 0110 | 4931907954 | 4.49 | 5.48 | |
| Colletto del cavo | ||||
| 0114 | 4931256500 | 5.40 | 6.59 | |
| Non più disponibile, nessuna sostituzione | ||||
| 0116 | 4931317676 | |||
| Non più disponibile, nessuna sostituzione | ||||
| 0129 | 4931317223 | |||
| Non più disponibile, nessuna sostituzione | ||||
| 0130 | 4931259031 | |||
| Vite | ||||
| 0136 | 4931621772 | 1.80 | 2.20 | |
| Vite | ||||
| 0150 | 4931618253 | 1.80 | 2.20 | |
| Vite | ||||
| 0151 | 4931624538 | 1.80 | 2.20 | |
| Non più disponibile, nessuna sostituzione | ||||
| 0152 | 4931259091 | |||
| CUSCINETTO A SFERE | ||||
| 0201 | 4931341741 | 9.00 | 10.98 | |
| Non più disponibile, nessuna sostituzione | ||||
| 0202 | 4931623202 | |||
| Nessuna informazione disponibile, non ordinabile | ||||
| 0204 | 4931303898 | |||
| Dado di sicurezza/acciaio inossidabile | ||||
| 0205 | 4931621424 | 5.40 | 6.59 | |
| Vite, acciaio inossidabile (4 necessarie) | ||||
| 0206 | 4931620737 | 1.80 | 2.20 | |
| Non più disponibile, nessuna sostituzione | ||||
| 0210 | 4931317829 | |||
| Non più disponibile, nessuna sostituzione | ||||
| 0214 | 4931276584 | |||
| ANELLO D472 35X1,5 | ||||
| 0215 | 4931605484 | 4.49 | 5.48 | |
| Molla, acciaio non arrugginito | ||||
| 0216 | 4931273224 | 1.80 | 2.20 | |
| MOLLA DI PRESSIONE | ||||
| 0221 | 4931303788 | 4.49 | 5.48 | |
| MANICO | ||||
| 0233 | 4931346578 | 5.40 | 6.59 | |
| Non più disponibile, nessuna sostituzione | ||||
| 0251 | 4931620636 | |||
| Vite | ||||
| 0253 | 4931617010 | 1.80 | 2.20 | |
| Non più disponibile, nessuna sostituzione | ||||
| 0254 | 4931615497 | |||
| Non più disponibile, nessuna sostituzione | ||||
| 0255 | 4931259173 | |||
| Maniglia a T | ||||
| 0256 | 4931259174 | 4.49 | 5.48 | |
| Stop | ||||
| 0257 | 4931259183 | 3.60 | 4.39 | |
| RONDELLA DI TENUTA | ||||
| 0260 | 4931615511 | 1.80 | 2.20 | |
| Nessuna informazione disponibile, non ordinabile | ||||
| 0262 | 4931621502 | |||
| Non più disponibile, nessuna sostituzione | ||||
| 0265 | 4931259175 | |||
| Vite | ||||
| 0266 | 4931259185 | 1.80 | 2.20 | |
| Non più disponibile, nessuna sostituzione | ||||
| 0600 | 4931616068 | |||
| Cirkelzaagblad hout 210 x 30 x 2,4 Thin Kerf ATB 1 | ||||
| 0700 | 4932471324 | 73.37 | 89.51 | |
| Nessuna informazione disponibile, non ordinabile | ||||
| 0701 | 4932276288 | |||