Qui troverai tutte le parti e i disegni disponibili di “Milwaukee 4000411101 ( C12HZ-0 )”. Da qui puoi ordinare direttamente tutte le parti desiderate. Molte parti devono essere ordinate dal produttore, a seconda della marca, ciò richiede da una a quattro settimane. Tutte le informazioni che abbiamo sono sul nostro sito web, non possiamo consigliarti su ciò di cui hai bisogno, per questo dovrai restituire la macchina per la riparazione. Nota quanto segue al momento dell’ordinazione:
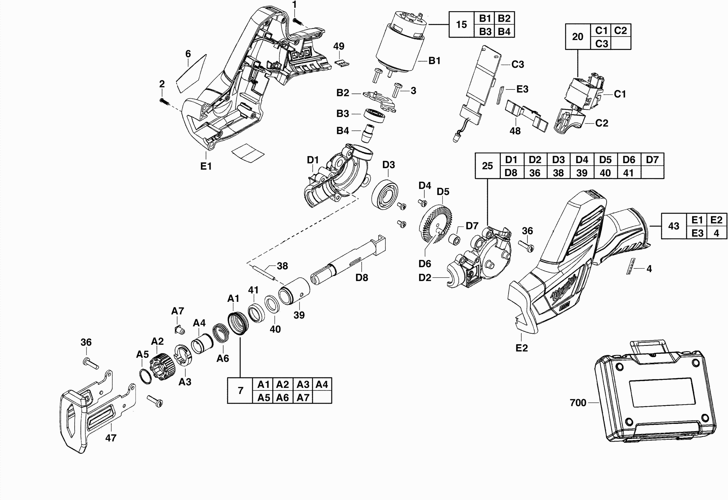
Disegni tecnici di Milwaukee 4000411101 ( C12HZ-0 )
Elenco parti di Milwaukee 4000411101 ( C12HZ-0 )
| Pos. | Descrizione | Prezzo IVA escl | Prezzo IVA incl | |
| I prezzi indicati sono comprensivi di IVA | ||||
| Vite | ||||
| 0001 | 201046001 | 1.80 | 2.20 | |
| Vite | ||||
| 0002 | 201047001 | 4.49 | 5.48 | |
| Nessuna informazione disponibile, non ordinabile | ||||
| 0003 | 201048001 | |||
| Nessuna informazione disponibile, non ordinabile | ||||
| 0004 | 201049001 | |||
| Nessuna informazione disponibile, non ordinabile | ||||
| 0006 | 201050001 | |||
| PEZZO NOSE | ||||
| 0007 | 200783002 | 15.84 | 19.32 | |
| Non più disponibile, nessuna sostituzione | ||||
| 0015 | 200784002 | |||
| MONTAGGIO DELL'INTERRUTTORE | ||||
| 0020 | 4931433296 | 50.69 | 61.84 | |
| Nessuna informazione disponibile, non ordinabile | ||||
| 0025 | 200787002 | |||
| Non più disponibile, nessuna sostituzione | ||||
| 0036 | 201051001 | |||
| ELEMENTO GUIDA | ||||
| 0038 | 201052001 | 1.90 | 2.32 | |
| BOCCOLA | ||||
| 0039 | 201053001 | 5.40 | 6.59 | |
| Non più disponibile, nessuna sostituzione | ||||
| 0040 | 201054001 | |||
| COPERTINA | ||||
| 0041 | 201055001 | 5.40 | 6.59 | |
| MANIGLIA COMPLETA, | ||||
| 0043 | 200785002 | 31.68 | 38.65 | |
| Non più disponibile, nessuna sostituzione | ||||
| 0047 | 201056001 | |||
| PEZZO GUIDA | ||||
| 0048 | 201057001 | 1.90 | 2.32 | |
| PEZZO DI GIUNZIONE | ||||
| 0049 | 631542001 | 4.49 | 5.48 | |
| Non più disponibile, nessuna sostituzione | ||||
| 0700 | 201059001 | |||