Qui troverai tutte le parti e i disegni disponibili di “Milwaukee 4000409341 ( B4-32 )”. Da qui puoi ordinare direttamente tutte le parti desiderate. Molte parti devono essere ordinate dal produttore, a seconda della marca, ciò richiede da una a quattro settimane. Tutte le informazioni che abbiamo sono sul nostro sito web, non possiamo consigliarti su ciò di cui hai bisogno, per questo dovrai restituire la macchina per la riparazione. Nota quanto segue al momento dell’ordinazione:
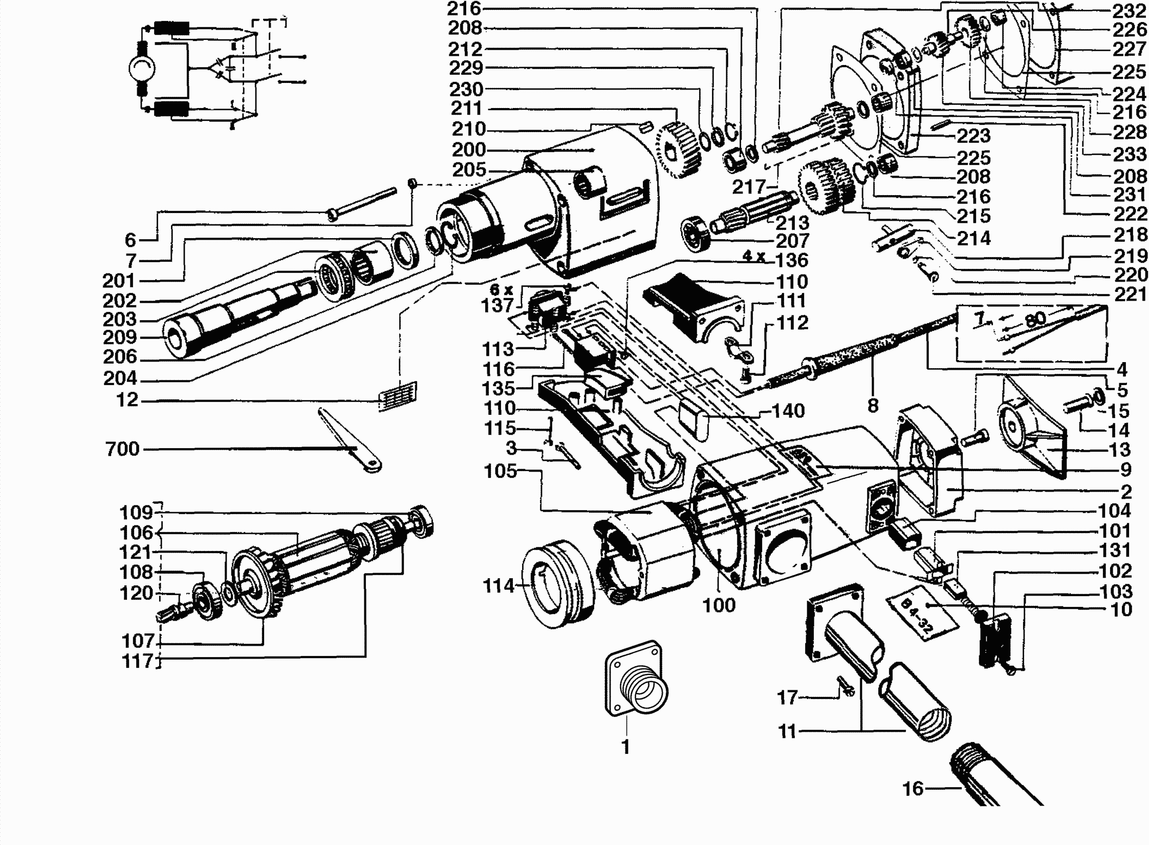
Disegni tecnici di Milwaukee 4000409341 ( B4-32 )
Elenco parti di Milwaukee 4000409341 ( B4-32 )
| Pos. | Descrizione | Prezzo IVA escl | Prezzo IVA incl | |
| I prezzi indicati sono comprensivi di IVA | ||||
| FLANGIA/TRONCATRICE AD ANGOLI | ||||
| 0001 | 4931426311 | 31.68 | 38.65 | |
| CAPPUCCIO DELLA CASA | ||||
| 0002 | 4931426309 | 61.78 | 75.37 | |
| VITE D912 M5X22 | ||||
| 0003 | 4931606916 | 1.80 | 2.20 | |
| CAVO DI CONNESSIONE | ||||
| 0004 | 4931624665 | 24.20 | 29.52 | |
| VITE D 912 M 5X30 8G | ||||
| 0005 | 4931616793 | 1.80 | 2.20 | |
| VITE D 7985 M 5X135 8G | ||||
| 0006 | 4931616680 | 3.60 | 4.39 | |
| ANELLO D127 B5 | ||||
| 0007 | 4931603768 | 4.49 | 5.48 | |
| MANICOTTO DI INGRESSO DEL CAVO | ||||
| 0008 | 4931217556 | 4.49 | 5.48 | |
| Nessuna informazione disponibile, non ordinabile | ||||
| 0009 | 4931409343 | |||
| TARGA NOMINATIVA | ||||
| 0010 | 4931382311 | 1.80 | 2.20 | |
| FLANGIA/TRONCATRICE AD ANGOLI | ||||
| 0011 | 4931380994 | 85.54 | 104.36 | |
| Etichetta | ||||
| 0012 | 4931227871 | 1.80 | 2.20 | |
| TARGA DEI DATI | ||||
| 0013 | 4931415016 | 41.18 | 50.24 | |
| Vite | ||||
| 0014 | 4931624567 | 1.80 | 2.20 | |
| Anello O | ||||
| 0015 | 4931928997 | 1.80 | 2.20 | |
| MANICO | ||||
| 0016 | 4931380949 | 68.11 | 83.09 | |
| VITE D912 M5X18 | ||||
| 0017 | 4931606881 | 1.80 | 2.20 | |
| CUSTODIA DEL MOTORE | ||||
| 0100 | 4931426049 | 113.30 | 138.23 | |
| PORTA SPAZZOLA | ||||
| 0101 | 4931222529 | 4.49 | 5.48 | |
| COPRIPORTASPUGNA | ||||
| 0102 | 4931222532 | 4.49 | 5.48 | |
| Vite | ||||
| 0103 | 4931623591 | 1.80 | 2.20 | |
| PORTA SPAZZOLA ISOL | ||||
| 0104 | 4931232582 | 4.49 | 5.48 | |
| CAMPO ELETTRICO | ||||
| 0105 | 4931432766 | 107.71 | 131.41 | |
| ARMATURA 46x50 ASSY | ||||
| 0106 | 4931426280 | 115.63 | 141.07 | |
| Non più disponibile, nessuna sostituzione | ||||
| 0107 | 4931243281 | |||
| Cuscinetto a Sfere Scanalato. | ||||
| 0108 | 4931398189 | 5.40 | 6.59 | |
| CUSCINETTO A SFERE | ||||
| 0109 | 4931624101 | 9.00 | 10.98 | |
| MANICO | ||||
| 0110 | 4931222300 | 19.01 | 23.19 | |
| Colletto del cavo | ||||
| 0111 | 4931256500 | 5.40 | 6.59 | |
| Vite | ||||
| 0112 | 4931624538 | 1.80 | 2.20 | |
| INTERRUTTORE | ||||
| 0113 | 4931328579 | 31.68 | 38.65 | |
| ANELLO DI DEFLETTORI D'ARIA | ||||
| 0114 | 4931218031 | 9.00 | 10.98 | |
| Vite | ||||
| 0115 | 4931618253 | 1.80 | 2.20 | |
| CAVO DI CONNESSIONE | ||||
| 0116 | 4931222574 | 4.49 | 5.48 | |
| DISCO ISOLANTE | ||||
| 0117 | 4931226193 | 4.49 | 5.48 | |
| Non più disponibile, nessuna sostituzione | ||||
| 0120 | 4931263058 | |||
| Rondella, acciaio inossidabile | ||||
| 0121 | 4931620042 | 4.49 | 5.48 | |
| SET DI SPAZZOLE IN CARBONE | ||||
| 0131 | 4931392571 | 15.84 | 19.32 | |
| Non più disponibile, nessuna sostituzione | ||||
| 0135 | 4931338807 | |||
| Vite, acciaio inossidabile (4 necessarie) | ||||
| 0136 | 4931621425 | 1.80 | 2.20 | |
| Vite N874187 M 3X4 | ||||
| 0137 | 4931619166 | 1.80 | 2.20 | |
| Non più disponibile, nessuna sostituzione | ||||
| 0140 | 4931222575 | |||
| CASSETTA INGRANAGGI PER PRESSIONE CARTUCCIA | ||||
| 0200 | 4931426303 | 144.14 | 175.85 | |
| ANELLO DI TENUTA N874724 30X40X4 | ||||
| 0201 | 4931928554 | 5.40 | 6.59 | |
| CUSCINETTO A RULLINI | ||||
| 0202 | 4931928527 | 15.84 | 19.32 | |
| CUSCINETTO A SFERE | ||||
| 0203 | 4931928515 | 14.40 | 17.57 | |
| ANELLO ELASTICO N874266 J 30X1,2 | ||||
| 0204 | 4931942134 | 5.40 | 6.59 | |
| CUSCINETTO A RULLINI N874989 NK 22/16 | ||||
| 0205 | 4931928530 | 14.40 | 17.57 | |
| ANELLO DI TENUTA N874724 22X30X4 | ||||
| 0206 | 4931928566 | 9.00 | 10.98 | |
| CUSCINETTO A SFERE D 625 6300 | ||||
| 0207 | 4931928593 | 12.60 | 15.37 | |
| CUSCINETTO A RULLINI N874989 NK 10/12 | ||||
| 0208 | 4931805728 | 12.60 | 15.37 | |
| MANDRINO DEL TRAPANO | ||||
| 0209 | 4931221711 | 77.62 | 94.70 | |
| Chiave parallela | ||||
| 0210 | 4931224742 | 5.40 | 6.59 | |
| RUOTA DEL MANDRINO DEL TRAPANO | ||||
| 0211 | 4931221712 | 23.76 | 28.99 | |
| ANELLO D471 20X1,2 | ||||
| 0212 | 4931605267 | 4.49 | 5.48 | |
| Non più disponibile, nessuna sostituzione | ||||
| 0213 | 4931221714 | |||
| ROTAIA INTERMEDIA | ||||
| 0214 | 4931221722 | 42.77 | 52.18 | |
| ANELLO DI BLOCCAGGIO D 471 A22X1,2 | ||||
| 0215 | 4931617301 | 4.49 | 5.48 | |
| Rondella, acciaio inossidabile (ne richiede 5) | ||||
| 0216 | 4931939634 | 4.49 | 5.48 | |
| INGRANAGGIO DI RIDUZIONE | ||||
| 0217 | 4931221723 | 39.60 | 48.31 | |
| ASTA DELL'INTERRUTTORE | ||||
| 0218 | 4931223605 | 16.20 | 19.76 | |
| Leva di commutazione | ||||
| 0219 | 4931328580 | 11.69 | 14.26 | |
| Rondella, acciaio inossidabile | ||||
| 0220 | 4931928821 | 4.49 | 5.48 | |
| VITE D 923 M 5X12 GAL | ||||
| 0221 | 4931616742 | 1.80 | 2.20 | |
| SPINA | ||||
| 0222 | 4931600328 | 4.49 | 5.48 | |
| PIASTRA DI FINE CUSCINETTO | ||||
| 0223 | 4931426305 | 87.12 | 106.29 | |
| CUSCINETTO A RULLINI N874989 HK 1012 | ||||
| 0224 | 4931928717 | 9.00 | 10.98 | |
| GUARNIZIONE | ||||
| 0225 | 4931221850 | 5.40 | 6.59 | |
| Non più disponibile, nessuna sostituzione | ||||
| 0226 | 4931222048 | |||
| PIASTRA DI FINE CUSCINETTO | ||||
| 0227 | 4931426304 | 104.54 | 127.54 | |
| INGRANAGGIO DI RIDUZIONE | ||||
| 0228 | 4931221717 | 9.00 | 10.98 | |
| Rondella, acciaio inossidabile | ||||
| 0229 | 4931937440 | 4.49 | 5.48 | |
| Rondella, acciaio inossidabile | ||||
| 0230 | 4931808624 | 4.49 | 5.48 | |
| CUSCINETTO A SFERE D 615 E 5 | ||||
| 0231 | 4931805110 | 17.11 | 20.87 | |
| ALBERO DI RIDUZIONE | ||||
| 0232 | 4931221713 | 23.76 | 28.99 | |
| Non più disponibile, nessuna sostituzione | ||||
| 0233 | 4931222047 | |||
| Uitdrijfspie voor morseconus | ||||
| 0700 | 4932604226 | 12.54 | 15.30 | |