Qui troverai tutte le parti e i disegni disponibili di “Milwaukee 4000391081 ( AG12-125X )”. Da qui puoi ordinare direttamente tutte le parti desiderate. Molte parti devono essere ordinate dal produttore, a seconda della marca, ciò richiede da una a quattro settimane. Tutte le informazioni che abbiamo sono sul nostro sito web, non possiamo consigliarti su ciò di cui hai bisogno, per questo dovrai restituire la macchina per la riparazione. Nota quanto segue al momento dell’ordinazione:
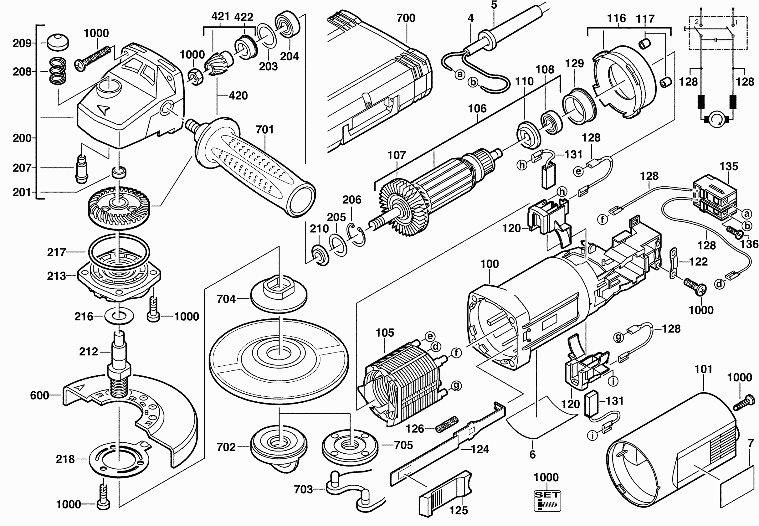
Disegni tecnici di Milwaukee 4000391081 ( AG12-125X )
Elenco parti di Milwaukee 4000391081 ( AG12-125X )
| Pos. | Descrizione | Prezzo IVA escl | Prezzo IVA incl | |
| I prezzi indicati sono comprensivi di IVA | ||||
| CAVO DI CONNESSIONE | ||||
| 0004 | 4931624339 | 22.18 | 27.06 | |
| MANICOTTO DI INGRESSO DEL CAVO | ||||
| 0005 | 4931218785 | 5.40 | 6.59 | |
| TARGA NOMINATIVA | ||||
| 0007 | 4931382311 | 1.80 | 2.20 | |
| CUSTODIA DEL MOTORE | ||||
| 0100 | 4931383013 | 12.60 | 15.37 | |
| CAPPUCCIO DELLA CASA | ||||
| 0101 | 4931407395 | 6.31 | 7.70 | |
| CAMPO ELETTRICO | ||||
| 0105 | 4931426591 | 32.66 | 39.85 | |
| ARMATURA | ||||
| 0106 | 4931426546 | 66.53 | 81.17 | |
| VENTILATORE | ||||
| 0107 | 4931341088 | 5.40 | 6.59 | |
| CUSCINETTO A SFERE | ||||
| 0108 | 4931901253 | 9.00 | 10.98 | |
| DISCO ISOLANTE | ||||
| 0110 | 4931271823 | 5.40 | 6.59 | |
| FLANGIA INTERMEDIA | ||||
| 0116 | 4931369787 | 5.40 | 6.59 | |
| DISPOSITIVO DI BLOCCAGGIO | ||||
| 0117 | 4931409768 | 5.40 | 6.59 | |
| PORTA SPAZZOLA | ||||
| 0120 | 4931326923 | 5.40 | 6.59 | |
| Colletto del cavo | ||||
| 0122 | 4931256500 | 5.40 | 6.59 | |
| PEZZO GUIDA | ||||
| 0124 | 4931326959 | 5.40 | 6.59 | |
| Cursore (1) | ||||
| 0125 | 4931442821 | 3.60 | 4.39 | |
| MOLLA DI PRESSIONE | ||||
| 0126 | 4931326981 | 5.40 | 6.59 | |
| DISTANZIATORE/FILO D'ACCIAIO | ||||
| 0128 | 4931624660 | 1.80 | 2.20 | |
| MANICOTTO DI CUSCINETTO | ||||
| 0129 | 4931326953 | 5.40 | 6.59 | |
| SET DI SPAZZOLE IN CARBONE | ||||
| 0131 | 4931369477 | 14.40 | 17.57 | |
| INTERRUTTORE | ||||
| 0135 | 4931326976 | 14.40 | 17.57 | |
| VITE D 85 AM 3,5X5 | ||||
| 0136 | 4931617313 | 1.80 | 2.20 | |
| SCATOLA DEL CAMBIO | ||||
| 0200 | 4931412193 | 49.10 | 59.90 | |
| BOCCOLA/INGRANAGGIO/ATTREZZI ELETTRICI | ||||
| 0201 | 4931912093 | 5.40 | 6.59 | |
| Rondella (1) | ||||
| 0203 | 4931362085 | 1.80 | 2.20 | |
| CUSCINETTO A SFERA SCANALATO/MOTORE/UTENSILE ELETT | ||||
| 0204 | 4931368037 | 5.40 | 6.59 | |
| DISCO (ne servono 5) | ||||
| 0205 | 4931622761 | 5.40 | 6.59 | |
| ANELLO DI BLOCCO | ||||
| 0206 | 4931616614 | 5.40 | 6.59 | |
| Vite di blocco | ||||
| 0207 | 4931326929 | 5.40 | 6.59 | |
| MOLLA DI PRESSIONE | ||||
| 0208 | 4931326942 | 5.40 | 6.59 | |
| PULSANTE | ||||
| 0209 | 4931326930 | 5.40 | 6.59 | |
| Rondella (1) | ||||
| 0210 | 4931624287 | 1.80 | 2.20 | |
| MANDRINO | ||||
| 0212 | 4931409808 | 9.00 | 10.98 | |
| PIASTRA DI FINE CUSCINETTO | ||||
| 0213 | 4931378310 | 9.00 | 10.98 | |
| DISCO (ne servono 5) | ||||
| 0216 | 4931623480 | 5.40 | 6.59 | |
| ANELLO DI TENUTA | ||||
| 0217 | 4931623590 | 5.40 | 6.59 | |
| Rondella elastica | ||||
| 0218 | 4931345965 | 1.80 | 2.20 | |
| COPPIA DI INGRANAGGI CONICI | ||||
| 0420 | 4931369937 | 26.93 | 32.85 | |
| COPPIA DI INGRANAGGI CONICI | ||||
| 0421 | 4931369937 | 26.93 | 32.85 | |
| ANELLO DI TENUTA | ||||
| 0422 | 4931369774 | 5.40 | 6.59 | |
| Cappuccio di protezione/Sega circolare a mano | ||||
| 0600 | 4931407642 | 9.00 | 10.98 | |
| MANICO | ||||
| 0701 | 4932409546 | 12.10 | 14.76 | |
| Dado Fixtec M14 P1a | ||||
| 0702 | 4932358225 | 34.03 | 41.52 | |
| Flangia | ||||
| 0704 | 4932449324 | 8.28 | 10.10 | |
| SET DI BULLONI | ||||
| 1000 | 4931362846 | 14.40 | 17.57 | |