Qui troverai tutte le parti e i disegni disponibili di “Milwaukee 4000392271 ( 2500 )”. Da qui puoi ordinare direttamente tutte le parti desiderate. Molte parti devono essere ordinate dal produttore, a seconda della marca, ciò richiede da una a quattro settimane. Tutte le informazioni che abbiamo sono sul nostro sito web, non possiamo consigliarti su ciò di cui hai bisogno, per questo dovrai restituire la macchina per la riparazione. Nota quanto segue al momento dell’ordinazione:
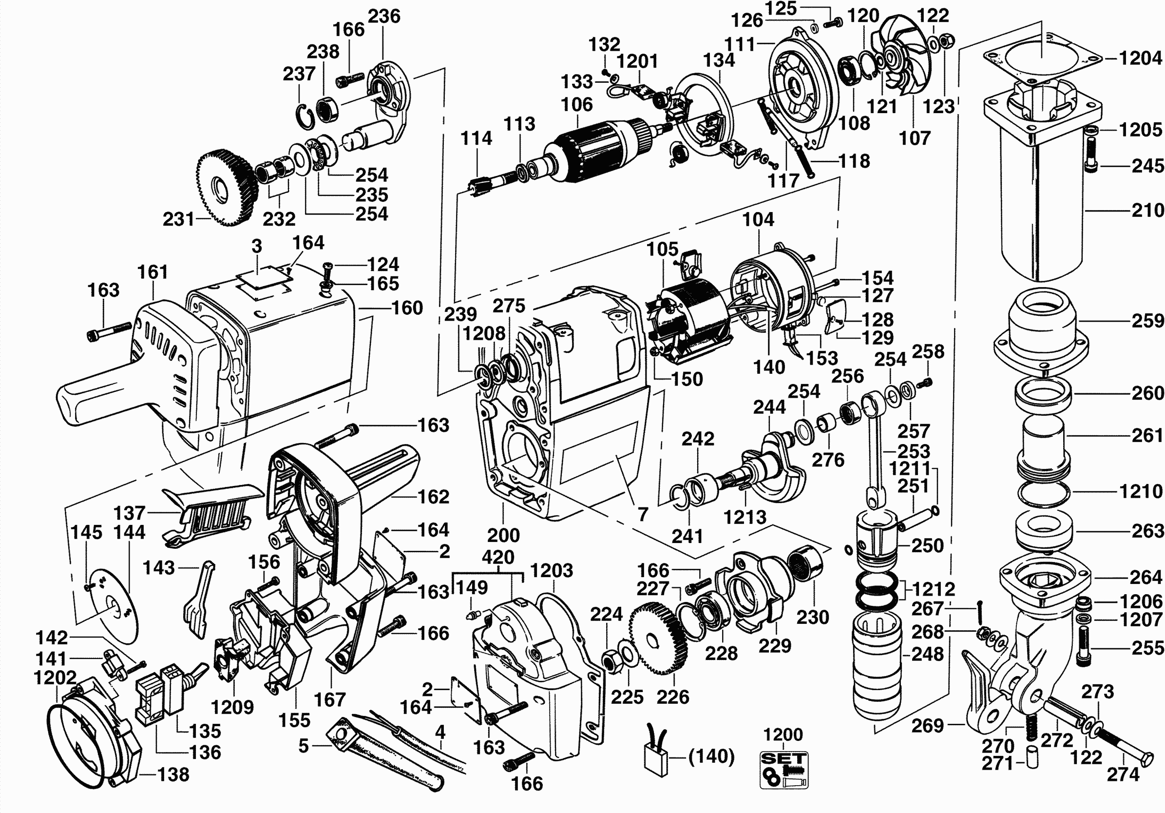
Disegni tecnici di Milwaukee 4000392271 ( 2500 )
Elenco parti di Milwaukee 4000392271 ( 2500 )
| Pos. | Descrizione | Prezzo IVA escl | Prezzo IVA incl | |
| I prezzi indicati sono comprensivi di IVA | ||||
| Nessuna informazione disponibile, non ordinabile | ||||
| 0005 | 9170052310 | |||
| Nessuna informazione disponibile, non ordinabile | ||||
| 0107 | 9170050490 | |||
| Non più disponibile, nessuna sostituzione | ||||
| 0108 | 9170021400 | |||
| Non più disponibile, nessuna sostituzione | ||||
| 0111 | 9170051430 | |||
| Nessuna informazione disponibile, non ordinabile | ||||
| 0113 | 9170050250 | |||
| Rondella (1) | ||||
| 0122 | 9170051330 | 1.80 | 2.20 | |
| Nessuna informazione disponibile, non ordinabile | ||||
| 0123 | 9170051170 | |||
| Nessuna informazione disponibile, non ordinabile | ||||
| 0127 | 9170043200 | |||
| Nessuna informazione disponibile, non ordinabile | ||||
| 0135 | 9170320410 | |||
| Nessuna informazione disponibile, non ordinabile | ||||
| 0137 | 9170053640 | |||
| Nessuna informazione disponibile, non ordinabile | ||||
| 0138 | 9170052530 | |||
| Nessuna informazione disponibile, non ordinabile | ||||
| 0143 | 9170052330 | |||
| Nessuna informazione disponibile, non ordinabile | ||||
| 0149 | 9170314091 | |||
| VITE D 912 M 4X10 SSI | ||||
| 0163 | 4931624074 | 1.80 | 2.20 | |
| VITE D 912 M 4X10 SSI | ||||
| 0166 | 4931624072 | 1.80 | 2.20 | |
| Non più disponibile, nessuna sostituzione | ||||
| 0228 | 9170050580 | |||
| CUSCINETTO A RULLINI | ||||
| 0232 | 4931941156 | 6.31 | 7.70 | |
| Nessuna informazione disponibile, non ordinabile | ||||
| 0238 | 4931621542 | |||
| Non più disponibile, nessuna sostituzione | ||||
| 0239 | 9170051980 | |||
| Nessuna informazione disponibile, non ordinabile | ||||
| 0242 | 9170050600 | |||
| Non più disponibile, nessuna sostituzione | ||||
| 0250 | 9170292890 | |||
| Non più disponibile, nessuna sostituzione | ||||
| 0251 | 9170037050 | |||
| Nessuna informazione disponibile, non ordinabile | ||||
| 0253 | 9170050220 | |||
| Nessuna informazione disponibile, non ordinabile | ||||
| 0255 | 9170320750 | |||
| Nessuna informazione disponibile, non ordinabile | ||||
| 0256 | 9170252431 | |||
| Nessuna informazione disponibile, non ordinabile | ||||
| 0263 | 9170051960 | |||
| Nessuna informazione disponibile, non ordinabile | ||||
| 0267 | 9170022960 | |||
| Nessuna informazione disponibile, non ordinabile | ||||
| 0268 | 9170069570 | |||
| Nessuna informazione disponibile, non ordinabile | ||||
| 0269 | 9170050340 | |||
| Nessuna informazione disponibile, non ordinabile | ||||
| 0272 | 9170050640 | |||
| Non più disponibile, nessuna sostituzione | ||||
| 0274 | 9170053350 | |||
| Non più disponibile, nessuna sostituzione | ||||
| 0275 | 9170051990 | |||
| Nessuna informazione disponibile, non ordinabile | ||||
| 1201 | 4931384420 | |||
| Non più disponibile, nessuna sostituzione | ||||
| 1202 | 9170051040 | |||
| Nessuna informazione disponibile, non ordinabile | ||||
| 1203 | 9170051110 | |||
| Non più disponibile, nessuna sostituzione | ||||
| 1204 | 9170051120 | |||
| Nessuna informazione disponibile, non ordinabile | ||||
| 1205 | 9170051320 | |||
| Nessuna informazione disponibile, non ordinabile | ||||
| 1207 | 9170051940 | |||
| Non più disponibile, nessuna sostituzione | ||||
| 1208 | 9170051950 | |||
| Nessuna informazione disponibile, non ordinabile | ||||
| 1209 | 9170052320 | |||
| Non più disponibile, nessuna sostituzione | ||||
| 1211 | 9170072110 | |||
| Non più disponibile, nessuna sostituzione | ||||
| 1213 | 9170051810 | |||