Qui troverai tutte le parti e i disegni disponibili di “Metabo 0192593441-11 ( PKF255V8WNB-1800 )”. Da qui puoi ordinare direttamente tutte le parti desiderate. Molte parti devono essere ordinate dal produttore, a seconda della marca, ciò richiede da una a quattro settimane. Tutte le informazioni che abbiamo sono sul nostro sito web, non possiamo consigliarti su ciò di cui hai bisogno, per questo dovrai restituire la macchina per la riparazione. Nota quanto segue al momento dell’ordinazione:
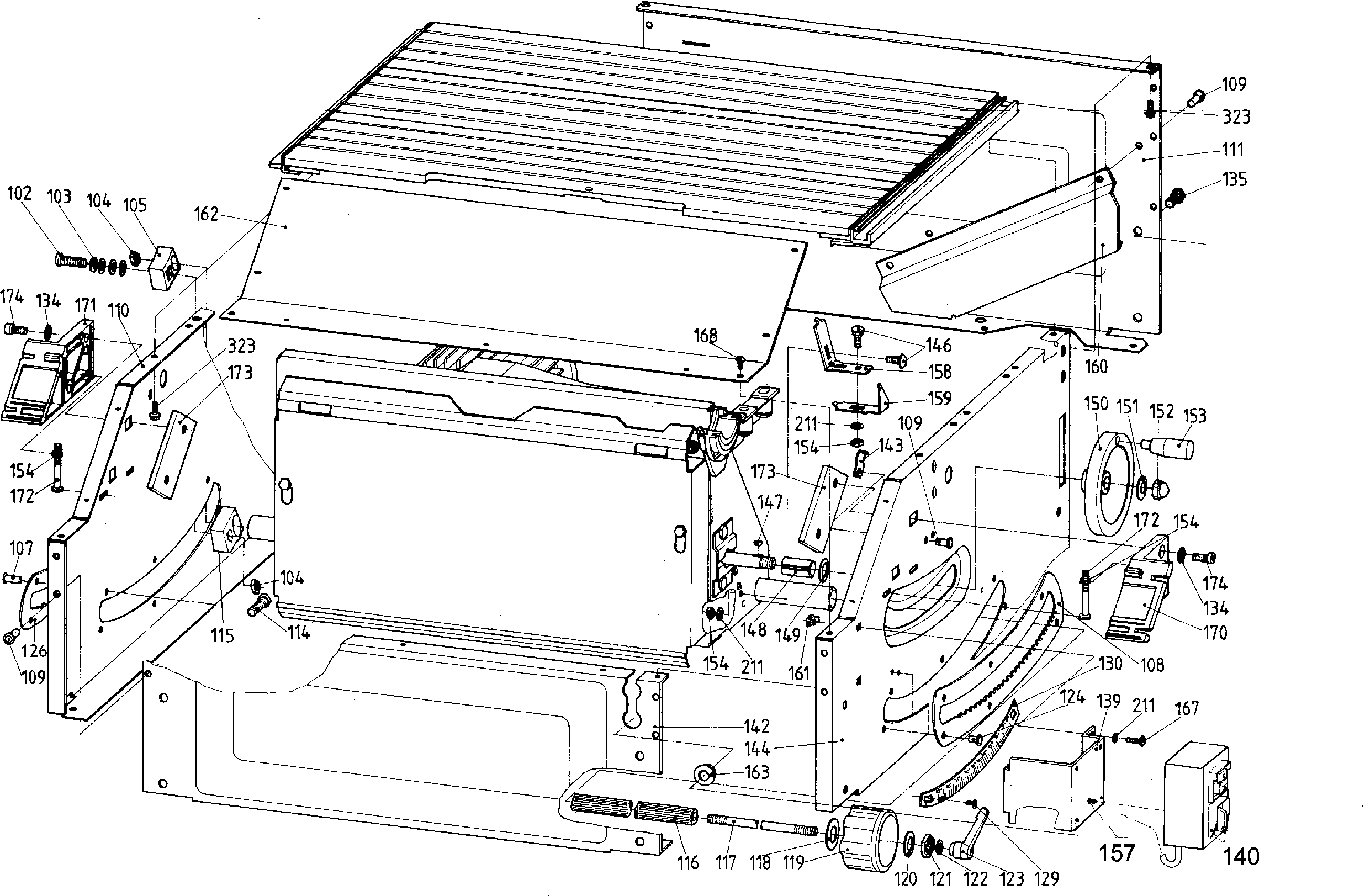
Disegni tecnici di Metabo 0192593441-11 ( PKF255V8WNB-1800 )
Elenco parti di Metabo 0192593441-11 ( PKF255V8WNB-1800 )
| Pos. | Descrizione | Prezzo IVA escl | Prezzo IVA incl | |
| I prezzi indicati sono comprensivi di IVA | ||||
| Nessuna informazione disponibile, non ordinabile | ||||
| 1 | 1392207038 | |||
| Nessuna informazione disponibile, non ordinabile | ||||
| 2 | 1392207127 | |||
| Nessuna informazione disponibile, non ordinabile | ||||
| 3 | 1392207020 | |||
| Pezzo di estrazione | ||||
| 5 | 1381214121 | 8.89 | 10.85 | |
| Nessuna informazione disponibile, non ordinabile | ||||
| 6 | 1482216753 | |||
| Vite esagonale | ||||
| 20 | 141113290 | 1.56 | 1.90 | |
| Dado a flangia | ||||
| 21 | 6209114230 | 1.56 | 1.90 | |
| Rondella di bloccaggio dentata | ||||
| 22 | 141150410 | 1.68 | 2.05 | |
| Nessuna informazione disponibile, non ordinabile | ||||
| 23 | 7057111385 | |||
| Rondella | ||||
| 24 | 141150050 | 1.56 | 1.90 | |
| Dado esagonale | ||||
| 25 | 141130130 | 1.68 | 2.05 | |
| Bullone scanalato con inserto quadrato | ||||
| 26 | 6110000594 | 1.56 | 1.90 | |
| Supporto tubo RD 90-110 / 12 SKZ | ||||
| 28 | 7811036697 | 3.71 | 4.53 | |
| Nessuna informazione disponibile, non ordinabile | ||||
| 40 | 1010728408 | |||
| TUBO SPIRALE RD 100X1000 M. PLASTICA SP | ||||
| 41 | 7854126290 | 24.23 | 29.56 | |
| MANICO A MANOPOLA SCORREVOLE ROSSO | ||||
| 98 | 1388680470 | 37.65 | 45.93 | |
| Vite a testa cilindrica | ||||
| 102 | 141114030 | 1.56 | 1.90 | |
| Molla a disco | ||||
| 103 | 7053016795 | 1.55 | 1.89 | |
| Dado esagonale autobloccante | ||||
| 104 | 6202002305 | 1.56 | 1.90 | |
| Nessuna informazione disponibile, non ordinabile | ||||
| 105 | 1380207482 | |||
| Nessuna informazione disponibile, non ordinabile | ||||
| 108 | 1492200723 | |||
| RIVETTO POP 6X8 F TESTA TONDA PIATTA | ||||
| 109 | 6621009530 | 1.56 | 1.90 | |
| Nessuna informazione disponibile, non ordinabile | ||||
| 110 | 1382217051 | |||
| Nessuna informazione disponibile, non ordinabile | ||||
| 111 | 1392200211 | |||
| Dado esagonale | ||||
| 112 | 141131010 | 1.56 | 1.90 | |
| Vite esagonale | ||||
| 114 | 141113330 | 1.68 | 2.05 | |
| Nessuna informazione disponibile, non ordinabile | ||||
| 115 | 1380207474 | |||
| Nessuna informazione disponibile, non ordinabile | ||||
| 116 | 1393200746 | |||
| Nessuna informazione disponibile, non ordinabile | ||||
| 117 | 1495207516 | |||
| RONDINA | ||||
| 118 | 6300087696 | 1.56 | 1.90 | |
| Ruota di regolazione | ||||
| 119 | 1391200390 | 5.87 | 7.16 | |
| Rondella | ||||
| 120 | 141156740 | 1.56 | 1.90 | |
| Dado esagonale piatto | ||||
| 121 | 6205032396 | 1.56 | 1.90 | |
| Rondella | ||||
| 122 | 141151340 | 1.56 | 1.90 | |
| Leva di bloccaggio con filetto interno | ||||
| 123 | 7006028653 | 7.22 | 8.81 | |
| RIVETTO POP | ||||
| 124 | 6621010407 | 1.56 | 1.90 | |
| Nessuna informazione disponibile, non ordinabile | ||||
| 126 | 1482685826 | |||
| Nessuna informazione disponibile, non ordinabile | ||||
| 129 | 6172016683 | |||
| Nessuna informazione disponibile, non ordinabile | ||||
| 130 | 1141200468 | |||
| Disco lamellare | ||||
| 134 | 6304001745 | 1.56 | 1.90 | |
| Vite esagonale | ||||
| 135 | 6103001178 | 1.56 | 1.90 | |
| Nessuna informazione disponibile, non ordinabile | ||||
| 139 | 1382217027 | |||
| Nessuna informazione disponibile, non ordinabile | ||||
| 140 | 8132719650 | |||
| Nessuna informazione disponibile, non ordinabile | ||||
| 142 | 1382217043 | |||
| Nessuna informazione disponibile, non ordinabile | ||||
| 143 | 8242680333 | |||
| Nessuna informazione disponibile, non ordinabile | ||||
| 144 | 1382217060 | |||
| Dado di sicurezza esagonale | ||||
| 145 | 141130650 | 1.68 | 2.05 | |
| Bullone scanalato con inserto quadrato | ||||
| 146 | 6110000594 | 1.56 | 1.90 | |
| Rondella elastica | ||||
| 147 | 6720008538 | 1.55 | 1.89 | |
| Nessuna informazione disponibile, non ordinabile | ||||
| 148 | 6442200309 | |||
| Rondella | ||||
| 149 | 6300019984 | 1.56 | 1.90 | |
| Nessuna informazione disponibile, non ordinabile | ||||
| 150 | 7003087322 | |||
| Rondella | ||||
| 151 | 6300016705 | 1.56 | 1.90 | |
| Nessuna informazione disponibile, non ordinabile | ||||
| 152 | 6201074264 | |||
| Nessuna informazione disponibile, non ordinabile | ||||
| 153 | 7004076740 | |||
| Dado esagonale | ||||
| 154 | 141130100 | 1.56 | 1.90 | |
| VITE AUTOFORANTE M.TESTA CROCIATA ST 3,5X16-C-H VE | ||||
| 157 | 6172032905 | 1.56 | 1.90 | |
| Nessuna informazione disponibile, non ordinabile | ||||
| 158 | 1482214718 | |||
| Nessuna informazione disponibile, non ordinabile | ||||
| 159 | 1482214700 | |||
| Nessuna informazione disponibile, non ordinabile | ||||
| 160 | 1382214699 | |||
| Nessuna informazione disponibile, non ordinabile | ||||
| 161 | 6264166657 | |||
| Nessuna informazione disponibile, non ordinabile | ||||
| 162 | 1382217035 | |||
| Nessuna informazione disponibile, non ordinabile | ||||
| 163 | 8240015090 | |||
| Nessuna informazione disponibile, non ordinabile | ||||
| 164 | 1382214737 | |||
| Nessuna informazione disponibile, non ordinabile | ||||
| 165 | 1382214745 | |||
| Non più disponibile, nessuna sostituzione | ||||
| 166 | 6143036802 | |||
| Non più disponibile, nessuna sostituzione | ||||
| 167 | 141110270 | |||
| Vite di posizionamento M. Testa a croce | ||||
| 168 | 6172015687 | 1.56 | 1.90 | |
| Nessuna informazione disponibile, non ordinabile | ||||
| 170 | 1380214985 | |||
| Non più disponibile, nessuna sostituzione | ||||
| 171 | 1380214977 | |||
| Nessuna informazione disponibile, non ordinabile | ||||
| 172 | 1485221006 | |||
| Nessuna informazione disponibile, non ordinabile | ||||
| 173 | 1482214963 | |||
| Vite a testa cilindrica | ||||
| 174 | 141114000 | 1.68 | 2.05 | |
| Nessuna informazione disponibile, non ordinabile | ||||
| 175 | 1485211558 | |||
| Nessuna informazione disponibile, non ordinabile | ||||
| 180 | 1010723589 | |||
| Nessuna informazione disponibile, non ordinabile | ||||
| 181 | 1382723313 | |||
| RONDÈLLA DI RIEMPIMENTO | ||||
| 199 | 6306028055 | 1.56 | 1.90 | |
| Nessuna informazione disponibile, non ordinabile | ||||
| 200 | 1485211825 | |||
| Nessuna informazione disponibile, non ordinabile | ||||
| 201 | 1485727120 | |||
| Vite del cuscinetto | ||||
| 203 | 1395200611 | 3.02 | 3.68 | |
| Non più disponibile, nessuna sostituzione | ||||
| 204 | 6400087588 | |||
| Nessuna informazione disponibile, non ordinabile | ||||
| 205 | 1392200343 | |||
| Non più disponibile, nessuna sostituzione | ||||
| 206 | 7140006941 | |||
| Nessuna informazione disponibile, non ordinabile | ||||
| 207 | 1392207151 | |||
| Rondella | ||||
| 208 | 141151940 | 1.56 | 1.90 | |
| Non più disponibile, nessuna sostituzione | ||||
| 209 | 2390200199 | |||
| Vite esagonale M 10X20 curvato. | ||||
| 210 | 6103005270 | 1.56 | 1.90 | |
| Rondella di bloccaggio dentata | ||||
| 211 | 141150410 | 1.68 | 2.05 | |
| Non più disponibile, nessuna sostituzione | ||||
| 213 | 2390200202 | |||
| Nessuna informazione disponibile, non ordinabile | ||||
| 214 | 1392200289 | |||
| CUSCINETTO A SFERA | ||||
| 215 | 7100136915 | 7.22 | 8.81 | |
| Nessuna informazione disponibile, non ordinabile | ||||
| 216 | 1393207503 | |||
| Vite esagonale | ||||
| 217 | 141116250 | 1.56 | 1.90 | |
| Nessuna informazione disponibile, non ordinabile | ||||
| 218 | 1495024381 | |||
| Nessuna informazione disponibile, non ordinabile | ||||
| 219 | 141162580 | |||
| Albero della lama della sega RD 57X137 presa | ||||
| 220 | 1385213669 | 100.74 | 122.90 | |
| Nessuna informazione disponibile, non ordinabile | ||||
| 221 | 1390200753 | |||
| Nessuna informazione disponibile, non ordinabile | ||||
| 222 | 7100016812 | |||
| Nessuna informazione disponibile, non ordinabile | ||||
| 223 | 6205052753 | |||
| Nessuna informazione disponibile, non ordinabile | ||||
| 224 | 1395200050 | |||
| Non più disponibile, nessuna sostituzione | ||||
| 225 | 7233087313 | |||
| Nessuna informazione disponibile, non ordinabile | ||||
| 226 | 6401121364 | |||
| CUSCINETTO A SFERA | ||||
| 227 | 7100016995 | 11.74 | 14.32 | |
| Vite completa | ||||
| 228 | 316051570 | 3.71 | 4.53 | |
| PIASTRA ECCENTRICA | ||||
| 229 | 1392200360 | 5.18 | 6.32 | |
| Nessuna informazione disponibile, non ordinabile | ||||
| 230 | 1485727112 | |||
| DISCO A GOLA V | ||||
| 231 | 1395200980 | 32.27 | 39.37 | |
| Vite a testa cilindrica | ||||
| 232 | 6121023081 | 1.56 | 1.90 | |
| Cuneo TSF 55 | ||||
| 233 | 6721059322 | 1.55 | 1.89 | |
| Nessuna informazione disponibile, non ordinabile | ||||
| 234 | 8012688459 | |||
| Dado esagonale | ||||
| 235 | 6200017992 | 1.56 | 1.90 | |
| Non più disponibile, nessuna sostituzione | ||||
| 236 | 1395200271 | |||
| Dado esagonale autobloccante | ||||
| 237 | 6202024139 | 1.56 | 1.90 | |
| Dado esagonale | ||||
| 238 | 141132030 | 1.56 | 1.90 | |
| Bullone a testa piatta | ||||
| 239 | 6110029436 | 1.56 | 1.90 | |
| Nessuna informazione disponibile, non ordinabile | ||||
| 240 | 1010214218 | |||
| Molla compressione | ||||
| 241 | 7051207240 | 1.55 | 1.89 | |
| Nessuna informazione disponibile, non ordinabile | ||||
| 242 | 1482111056 | |||
| RONDELLA ELASTICA | ||||
| 243 | 7053075104 | 1.55 | 1.89 | |
| Nessuna informazione disponibile, non ordinabile | ||||
| 244 | 1392200084 | |||
| Bullone scanalato con inserto quadrato | ||||
| 245 | 6110000691 | 1.68 | 2.05 | |
| Cuneo spaziatore hol CS 70 ET-BG | ||||
| 247 | 2380075353 | 10.38 | 12.66 | |
| Coltello divisorio CS 50 EBG | ||||
| 248 | 1392738947 | 53.86 | 65.71 | |
| PIASTRA DI PRESSIONE BL 2,99X80X60 | ||||
| 249 | 1382213749 | 1.68 | 2.05 | |
| Dado | ||||
| 250 | 6209002432 | 4.51 | 5.50 | |
| Non più disponibile, nessuna sostituzione | ||||
| 251 | 1382213803 | |||
| Nessuna informazione disponibile, non ordinabile | ||||
| 252 | 1392200386 | |||
| Vite esagonale | ||||
| 253 | 141113290 | 1.56 | 1.90 | |
| Nessuna informazione disponibile, non ordinabile | ||||
| 254 | 1391200501 | |||
| Rondella | ||||
| 255 | 141150130 | 1.56 | 1.90 | |
| Nessuna informazione disponibile, non ordinabile | ||||
| 260 | 1495204347 | |||
| RONDELLA ELASTICA | ||||
| 261 | 7053063343 | 1.55 | 1.89 | |
| Non più disponibile, nessuna sostituzione | ||||
| 262 | 1495204371 | |||
| Nessuna informazione disponibile, non ordinabile | ||||
| 263 | 1485214026 | |||
| Non più disponibile, nessuna sostituzione | ||||
| 264 | 7100063675 | |||
| Anello di bloccaggio | ||||
| 265 | 141181010 | 1.56 | 1.90 | |
| Nessuna informazione disponibile, non ordinabile | ||||
| 266 | 0910052489 | |||
| Nessuna informazione disponibile, non ordinabile | ||||
| 267 | 1495204363 | |||
| Nessuna informazione disponibile, non ordinabile | ||||
| 268 | 1388719547 | |||
| Nessuna informazione disponibile, non ordinabile | ||||
| 269 | 1395204390 | |||
| Nessuna informazione disponibile, non ordinabile | ||||
| 270 | 1495204339 | |||
| Molla a disco | ||||
| 271 | 141155660 | 1.56 | 1.90 | |
| Nessuna informazione disponibile, non ordinabile | ||||
| 273 | 7233172221 | |||
| Vite a brugola | ||||
| 274 | 141118780 | 1.56 | 1.90 | |
| Nessuna informazione disponibile, non ordinabile | ||||
| 275 | 1485214166 | |||
| Nessuna informazione disponibile, non ordinabile | ||||
| 276 | 1385214150 | |||
| Nessuna informazione disponibile, non ordinabile | ||||
| 277 | 7051214204 | |||
| Vite a svasare | ||||
| 278 | 6132175169 | 1.56 | 1.90 | |
| Nessuna informazione disponibile, non ordinabile | ||||
| 279 | 1482214149 | |||
| Nessuna informazione disponibile, non ordinabile | ||||
| 280 | 8012214260 | |||
| Nessuna informazione disponibile, non ordinabile | ||||
| 281 | 1382214290 | |||
| VITE PER LAMIERA CON INCISIONE A CROCE M 4X45 RIVE | ||||
| 282 | 6123002030 | 1.56 | 1.90 | |
| Dado di sicurezza esagonale | ||||
| 283 | 141130930 | 1.56 | 1.90 | |
| PALETTA DEL VENTILATORE CON VENTILATORH TKHS 315 | ||||
| 288 | 1010722000 | 8.89 | 10.85 | |
| Vite esagonale | ||||
| 289 | 6103001267 | 7.22 | 8.81 | |
| CONDENSATORE | ||||
| 291 | 8050011810 | 21.64 | 26.40 | |
| Nessuna informazione disponibile, non ordinabile | ||||
| 292 | 1332025186 | |||
| SCATOLA DI SERRAGGIO COMPLETA 2,5 - 3,1 KW D&D | ||||
| 294 | 1010726545 | 13.48 | 16.45 | |
| Nessuna informazione disponibile, non ordinabile | ||||
| 300 | 1383211529 | |||
| Leva del mandrino OSC 18 | ||||
| 301 | 7006072385 | 5.87 | 7.16 | |
| Nessuna informazione disponibile, non ordinabile | ||||
| 302 | 1485723702 | |||
| Nessuna informazione disponibile, non ordinabile | ||||
| 303 | 1383723740 | |||
| Nessuna informazione disponibile, non ordinabile | ||||
| 304 | 1383723430 | |||
| Non più disponibile, nessuna sostituzione | ||||
| 305 | 1383217101 | |||
| Profilo superiore 700 mm | ||||
| 306 | 1383214447 | 43.15 | 52.64 | |
| Nessuna informazione disponibile, non ordinabile | ||||
| 307 | 1482214548 | |||
| Astina di spinta | ||||
| 308 | 1394201630 | 7.22 | 8.81 | |
| Non più disponibile, nessuna sostituzione | ||||
| 309 | 1380220683 | |||
| Nessuna informazione disponibile, non ordinabile | ||||
| 310 | 1380222031 | |||
| Vite a testa svasata | ||||
| 311 | 6174155800 | 1.56 | 1.90 | |
| Nessuna informazione disponibile, non ordinabile | ||||
| 312 | 1380211480 | |||
| Nessuna informazione disponibile, non ordinabile | ||||
| 313 | 1383723716 | |||
| BUSCIA DISTANZIATRICE RD 15/6X18 | ||||
| 314 | 6442025779 | 1.56 | 1.90 | |
| Nessuna informazione disponibile, non ordinabile | ||||
| 315 | 6150190299 | |||
| DADO QUADRATO | ||||
| 316 | 141131020 | 1.68 | 2.05 | |
| Nessuna informazione disponibile, non ordinabile | ||||
| 317 | 6131009460 | |||
| RUBINETTO A SPINA | ||||
| 318 | 6163198736 | 3.71 | 4.53 | |
| Non più disponibile, nessuna sostituzione | ||||
| 319 | 1142217070 | |||
| Non più disponibile, nessuna sostituzione | ||||
| 320 | 1380211498 | |||
| Vite a svasatura piana | ||||
| 321 | 6172091014 | 1.56 | 1.90 | |
| VITE DI TRAPANO CON ESAGONO | ||||
| 323 | 6144063978 | 1.56 | 1.90 | |
| Vite a svasatura m. vite a testa cilindrica | ||||
| 339 | 6172001791 | 1.56 | 1.90 | |
| Rondella | ||||
| 340 | 141150010 | 1.56 | 1.90 | |
| Nessuna informazione disponibile, non ordinabile | ||||
| 350 | 6720151241 | |||
| Nessuna informazione disponibile, non ordinabile | ||||
| 351 | 1010699122 | |||
| Non più disponibile, nessuna sostituzione | ||||
| 352 | 1010698410 | |||
| Non più disponibile, nessuna sostituzione | ||||
| 353 | 1381727099 | |||
| Nessuna informazione disponibile, non ordinabile | ||||
| 354 | 1382727211 | |||
| Nessuna informazione disponibile, non ordinabile | ||||
| 360 | 1010723481 | |||