Qui troverai tutte le parti e i disegni disponibili di “Metabo 0290031001-11 ( MULTI310G-W )”. Da qui puoi ordinare direttamente tutte le parti desiderate. Molte parti devono essere ordinate dal produttore, a seconda della marca, ciò richiede da una a quattro settimane. Tutte le informazioni che abbiamo sono sul nostro sito web, non possiamo consigliarti su ciò di cui hai bisogno, per questo dovrai restituire la macchina per la riparazione. Nota quanto segue al momento dell’ordinazione:
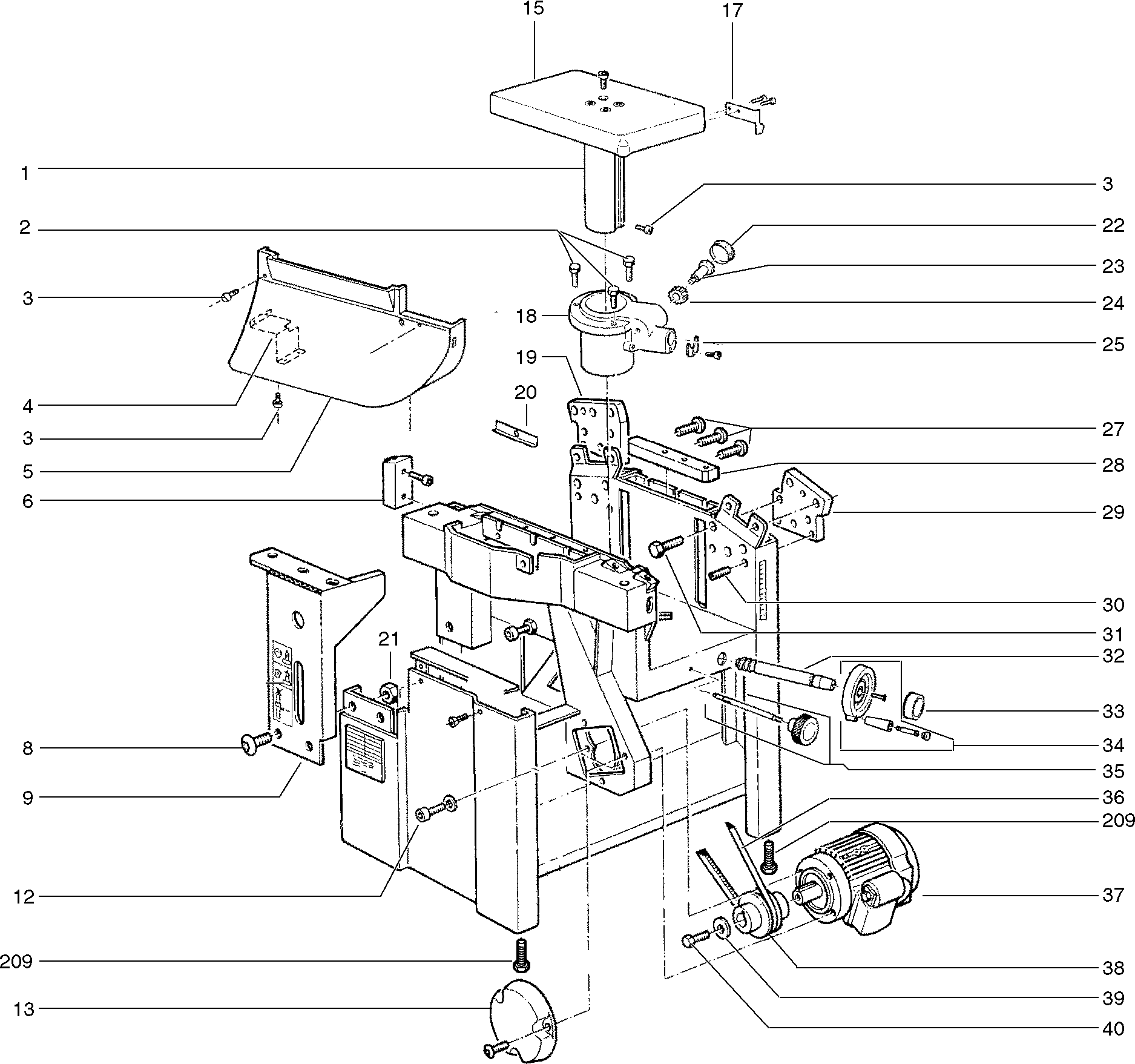
Disegni tecnici di Metabo 0290031001-11 ( MULTI310G-W )
Elenco parti di Metabo 0290031001-11 ( MULTI310G-W )
| Pos. | Descrizione | Prezzo IVA escl | Prezzo IVA incl | |
| I prezzi indicati sono comprensivi di IVA | ||||
| Nessuna informazione disponibile, non ordinabile | ||||
| 1 | 1380672711 | |||
| Nessuna informazione disponibile, non ordinabile | ||||
| 2 | 6103668253 | |||
| Vite a testa cilindrica | ||||
| 3 | 141111070 | 1.56 | 1.90 | |
| Nessuna informazione disponibile, non ordinabile | ||||
| 4 | 1382672727 | |||
| Nessuna informazione disponibile, non ordinabile | ||||
| 5 | 1382672735 | |||
| Nessuna informazione disponibile, non ordinabile | ||||
| 6 | 1385672744 | |||
| Nessuna informazione disponibile, non ordinabile | ||||
| 8 | 6123667261 | |||
| Nessuna informazione disponibile, non ordinabile | ||||
| 9 | 1380672762 | |||
| Vite a testa cilindrica | ||||
| 12 | 141113870 | 1.68 | 2.05 | |
| Nessuna informazione disponibile, non ordinabile | ||||
| 13 | 1381672790 | |||
| Nessuna informazione disponibile, non ordinabile | ||||
| 15 | 1380672800 | |||
| Nessuna informazione disponibile, non ordinabile | ||||
| 17 | 1382672816 | |||
| Nessuna informazione disponibile, non ordinabile | ||||
| 18 | 1380672827 | |||
| Nessuna informazione disponibile, non ordinabile | ||||
| 19 | 1380672835 | |||
| Nessuna informazione disponibile, non ordinabile | ||||
| 20 | 1382672840 | |||
| Nessuna informazione disponibile, non ordinabile | ||||
| 21 | 141111420 | |||
| Nessuna informazione disponibile, non ordinabile | ||||
| 22 | 1381659379 | |||
| Nessuna informazione disponibile, non ordinabile | ||||
| 23 | 1385659276 | |||
| Nessuna informazione disponibile, non ordinabile | ||||
| 24 | 1385659314 | |||
| Nessuna informazione disponibile, non ordinabile | ||||
| 25 | 1382659330 | |||
| Nessuna informazione disponibile, non ordinabile | ||||
| 27 | 6123666885 | |||
| Nessuna informazione disponibile, non ordinabile | ||||
| 28 | 1380672860 | |||
| Nessuna informazione disponibile, non ordinabile | ||||
| 29 | 1380672878 | |||
| Goupille conique con cono Morse M 6X20 Placcato | ||||
| 30 | 141124480 | 1.56 | 1.90 | |
| Nessuna informazione disponibile, non ordinabile | ||||
| 31 | 141114020 | |||
| Nessuna informazione disponibile, non ordinabile | ||||
| 32 | 1385672884 | |||
| Nessuna informazione disponibile, non ordinabile | ||||
| 33 | 1388672893 | |||
| Nessuna informazione disponibile, non ordinabile | ||||
| 34 | 1011672902 | |||
| Nessuna informazione disponibile, non ordinabile | ||||
| 35 | 1011672910 | |||
| Nessuna informazione disponibile, non ordinabile | ||||
| 36 | 7230672924 | |||
| Nessuna informazione disponibile, non ordinabile | ||||
| 37 | 8013672939 | |||
| Nessuna informazione disponibile, non ordinabile | ||||
| 38 | 1385672957 | |||
| Nessuna informazione disponibile, non ordinabile | ||||
| 39 | 1382672964 | |||
| Nessuna informazione disponibile, non ordinabile | ||||
| 41 | 1382672972 | |||
| Nessuna informazione disponibile, non ordinabile | ||||
| 42 | 7203672980 | |||
| Nessuna informazione disponibile, non ordinabile | ||||
| 43 | 1388672990 | |||
| Nessuna informazione disponibile, non ordinabile | ||||
| 44 | 1388673008 | |||
| Nessuna informazione disponibile, non ordinabile | ||||
| 46 | 1380673017 | |||
| Nessuna informazione disponibile, non ordinabile | ||||
| 47 | 1385670059 | |||
| Nessuna informazione disponibile, non ordinabile | ||||
| 48 | 6341670045 | |||
| Nessuna informazione disponibile, non ordinabile | ||||
| 49 | 1380673025 | |||
| Nessuna informazione disponibile, non ordinabile | ||||
| 50 | 6503670141 | |||
| Nessuna informazione disponibile, non ordinabile | ||||
| 51 | 7246673033 | |||
| Nessuna informazione disponibile, non ordinabile | ||||
| 52 | 7246673041 | |||
| Nessuna informazione disponibile, non ordinabile | ||||
| 53 | 1380673050 | |||
| Nessuna informazione disponibile, non ordinabile | ||||
| 54 | 1385673066 | |||
| Nessuna informazione disponibile, non ordinabile | ||||
| 55 | 1385673074 | |||
| Nessuna informazione disponibile, non ordinabile | ||||
| 56 | 7051673080 | |||
| Nessuna informazione disponibile, non ordinabile | ||||
| 58 | 1388666753 | |||
| Nessuna informazione disponibile, non ordinabile | ||||
| 59 | 1382666867 | |||
| Nessuna informazione disponibile, non ordinabile | ||||
| 60 | 1382673090 | |||
| Nessuna informazione disponibile, non ordinabile | ||||
| 61 | 6143667535 | |||
| Nessuna informazione disponibile, non ordinabile | ||||
| 62 | 1385673104 | |||
| Nessuna informazione disponibile, non ordinabile | ||||
| 63 | 1382673111 | |||
| Rondella | ||||
| 64 | 141151940 | 1.56 | 1.90 | |
| Vite esagonale | ||||
| 65 | 141110290 | 1.68 | 2.05 | |
| Non più disponibile, nessuna sostituzione | ||||
| 66 | 6341671203 | |||
| Nessuna informazione disponibile, non ordinabile | ||||
| 67 | 1380673122 | |||
| Nessuna informazione disponibile, non ordinabile | ||||
| 68 | 1011673135 | |||
| Nessuna informazione disponibile, non ordinabile | ||||
| 69 | 9431673140 | |||
| Dado esagonale | ||||
| 70 | 141130100 | 1.56 | 1.90 | |
| Anello di bloccaggio | ||||
| 71 | 141180120 | 1.68 | 2.05 | |
| Nessuna informazione disponibile, non ordinabile | ||||
| 72 | 6341671556 | |||
| Nessuna informazione disponibile, non ordinabile | ||||
| 73 | 1382673154 | |||
| Vite a testa cilindrica | ||||
| 74 | 141114010 | 1.56 | 1.90 | |
| Non più disponibile, nessuna sostituzione | ||||
| 75 | 1388667547 | |||
| Nessuna informazione disponibile, non ordinabile | ||||
| 76 | 1385673163 | |||
| Nessuna informazione disponibile, non ordinabile | ||||
| 77 | 1385673171 | |||
| Nessuna informazione disponibile, non ordinabile | ||||
| 78 | 1380673181 | |||
| Dado di sicurezza esagonale | ||||
| 79 | 141130650 | 1.68 | 2.05 | |
| Nessuna informazione disponibile, non ordinabile | ||||
| 80 | 1381673193 | |||
| Dado esagonale | ||||
| 81 | 141130070 | 1.56 | 1.90 | |
| Non più disponibile, nessuna sostituzione | ||||
| 82 | 6341669977 | |||
| Nessuna informazione disponibile, non ordinabile | ||||
| 83 | 7051673209 | |||
| Nessuna informazione disponibile, non ordinabile | ||||
| 84 | 7140673212 | |||
| Nessuna informazione disponibile, non ordinabile | ||||
| 85 | 7100093418 | |||
| Nessuna informazione disponibile, non ordinabile | ||||
| 86 | 0920054048 | |||
| Nessuna informazione disponibile, non ordinabile | ||||
| 87 | 1385659276 | |||
| Nessuna informazione disponibile, non ordinabile | ||||
| 88 | 1382673227 | |||
| Nessuna informazione disponibile, non ordinabile | ||||
| 89 | 1388673237 | |||
| Nessuna informazione disponibile, non ordinabile | ||||
| 90 | 1380673246 | |||
| Nessuna informazione disponibile, non ordinabile | ||||
| 92 | 6341673257 | |||
| Nessuna informazione disponibile, non ordinabile | ||||
| 94 | 1385673260 | |||
| Dado esagonale autobloccante | ||||
| 96 | 6202002305 | 1.56 | 1.90 | |
| SCHOTELVEER | ||||
| 97 | 141155990 | 2.28 | 2.78 | |
| Nessuna informazione disponibile, non ordinabile | ||||
| 98 | 1388666761 | |||
| Vite esagonale | ||||
| 99 | 6103001178 | 1.56 | 1.90 | |
| Nessuna informazione disponibile, non ordinabile | ||||
| 100 | 7050670214 | |||
| Nessuna informazione disponibile, non ordinabile | ||||
| 101 | 1381673282 | |||
| Nessuna informazione disponibile, non ordinabile | ||||
| 102 | 1382673294 | |||
| Nessuna informazione disponibile, non ordinabile | ||||
| 103 | 8113673304 | |||
| Nessuna informazione disponibile, non ordinabile | ||||
| 105 | 1011671930 | |||
| Nessuna informazione disponibile, non ordinabile | ||||
| 106 | 1011671949 | |||
| Nessuna informazione disponibile, non ordinabile | ||||
| 110 | 1381673312 | |||
| Nessuna informazione disponibile, non ordinabile | ||||
| 111 | 1010673328 | |||
| Dado esagonale | ||||
| 112 | 141130130 | 1.68 | 2.05 | |
| Nessuna informazione disponibile, non ordinabile | ||||
| 113 | 6161673330 | |||
| Nessuna informazione disponibile, non ordinabile | ||||
| 114 | 1381673347 | |||
| Nessuna informazione disponibile, non ordinabile | ||||
| 115 | 1380673351 | |||
| Nessuna informazione disponibile, non ordinabile | ||||
| 116 | 1380673360 | |||
| Nessuna informazione disponibile, non ordinabile | ||||
| 117 | 1011673372 | |||
| Nessuna informazione disponibile, non ordinabile | ||||
| 118 | 1381669277 | |||
| Nessuna informazione disponibile, non ordinabile | ||||
| 120 | 1385673384 | |||
| Nessuna informazione disponibile, non ordinabile | ||||
| 121 | 1382673391 | |||
| Nessuna informazione disponibile, non ordinabile | ||||
| 122 | 1382673405 | |||
| Nessuna informazione disponibile, non ordinabile | ||||
| 123 | 6121000952 | |||
| Nessuna informazione disponibile, non ordinabile | ||||
| 124 | 1381673410 | |||
| Nessuna informazione disponibile, non ordinabile | ||||
| 125 | 1385673422 | |||
| Nessuna informazione disponibile, non ordinabile | ||||
| 126 | 1385673430 | |||
| Dado esagonale | ||||
| 127 | 141131010 | 1.56 | 1.90 | |
| Non più disponibile, nessuna sostituzione | ||||
| 128 | 1382673448 | |||
| Nessuna informazione disponibile, non ordinabile | ||||
| 129 | 7001124212 | |||
| Nessuna informazione disponibile, non ordinabile | ||||
| 131 | 1385673465 | |||
| Vite esagonale | ||||
| 132 | 141110260 | 1.56 | 1.90 | |
| Nessuna informazione disponibile, non ordinabile | ||||
| 140 | 1380668145 | |||
| Nessuna informazione disponibile, non ordinabile | ||||
| 141 | 1382673472 | |||
| Nessuna informazione disponibile, non ordinabile | ||||
| 142 | 1382668126 | |||
| Nessuna informazione disponibile, non ordinabile | ||||
| 143 | 1380671170 | |||
| Vite esagonale | ||||
| 144 | 6103001267 | 7.22 | 8.81 | |
| Anello di bloccaggio | ||||
| 145 | 141180020 | 1.56 | 1.90 | |
| Nessuna informazione disponibile, non ordinabile | ||||
| 146 | 1382673480 | |||
| Nessuna informazione disponibile, non ordinabile | ||||
| 147 | 1385673490 | |||
| Nessuna informazione disponibile, non ordinabile | ||||
| 149 | 1382673502 | |||
| Nessuna informazione disponibile, non ordinabile | ||||
| 151 | 1382673529 | |||
| Nessuna informazione disponibile, non ordinabile | ||||
| 152 | 1382673537 | |||
| Nessuna informazione disponibile, non ordinabile | ||||
| 153 | 1010673549 | |||
| Nessuna informazione disponibile, non ordinabile | ||||
| 154 | 1380673556 | |||
| Nessuna informazione disponibile, non ordinabile | ||||
| 155 | 6162091288 | |||
| Nessuna informazione disponibile, non ordinabile | ||||
| 156 | 1388667644 | |||
| Nessuna informazione disponibile, non ordinabile | ||||
| 157 | 1380673564 | |||
| Nessuna informazione disponibile, non ordinabile | ||||
| 158 | 1385673570 | |||
| Nessuna informazione disponibile, non ordinabile | ||||
| 159 | 6341669969 | |||
| Non più disponibile, nessuna sostituzione | ||||
| 160 | 1381673584 | |||
| Nessuna informazione disponibile, non ordinabile | ||||
| 161 | 1385673597 | |||
| Nessuna informazione disponibile, non ordinabile | ||||
| 162 | 1388673601 | |||
| Nessuna informazione disponibile, non ordinabile | ||||
| 163 | 1381678330 | |||
| Nessuna informazione disponibile, non ordinabile | ||||
| 164 | 1385673619 | |||
| Nessuna informazione disponibile, non ordinabile | ||||
| 167 | 1382184331 | |||
| Dado esagonale | ||||
| 168 | 141132030 | 1.56 | 1.90 | |
| Nessuna informazione disponibile, non ordinabile | ||||
| 169 | 1385673635 | |||
| Nessuna informazione disponibile, non ordinabile | ||||
| 170 | 1385673643 | |||
| Dado esagonale | ||||
| 171 | 141131980 | 1.56 | 1.90 | |
| Anello di bloccaggio | ||||
| 172 | 141180190 | 1.56 | 1.90 | |
| Nessuna informazione disponibile, non ordinabile | ||||
| 173 | 1388673679 | |||
| Nessuna informazione disponibile, non ordinabile | ||||
| 174 | 1385673686 | |||
| Nessuna informazione disponibile, non ordinabile | ||||
| 175 | 6401121364 | |||
| Nessuna informazione disponibile, non ordinabile | ||||
| 176 | 6121151608 | |||
| Nessuna informazione disponibile, non ordinabile | ||||
| 177 | 1382673693 | |||
| Nessuna informazione disponibile, non ordinabile | ||||
| 178 | 7240673708 | |||
| Nessuna informazione disponibile, non ordinabile | ||||
| 179 | 1385673716 | |||
| Vite esagonale | ||||
| 180 | 141110320 | 1.68 | 2.05 | |
| Nessuna informazione disponibile, non ordinabile | ||||
| 182 | 1380673726 | |||
| Nessuna informazione disponibile, non ordinabile | ||||
| 183 | 1385673732 | |||
| VITE A TESTA CILINDRICA CON ESAGONO INTERNO M 10X3 | ||||
| 184 | 6127056666 | 1.68 | 2.05 | |
| Non più disponibile, nessuna sostituzione | ||||
| 185 | 1388666770 | |||
| Nessuna informazione disponibile, non ordinabile | ||||
| 186 | 1382673740 | |||
| Nessuna informazione disponibile, non ordinabile | ||||
| 187 | 1380673750 | |||
| Nessuna informazione disponibile, non ordinabile | ||||
| 190 | 7003659342 | |||
| Nessuna informazione disponibile, non ordinabile | ||||
| 192 | 8013673773 | |||
| Nessuna informazione disponibile, non ordinabile | ||||
| 194 | 7006029730 | |||
| Nessuna informazione disponibile, non ordinabile | ||||
| 196 | 1382673804 | |||
| Nessuna informazione disponibile, non ordinabile | ||||
| 197 | 7240673813 | |||
| Nessuna informazione disponibile, non ordinabile | ||||
| 198 | 1385673821 | |||
| Nessuna informazione disponibile, non ordinabile | ||||
| 199 | 1388668195 | |||
| Vite a brugola | ||||
| 201 | 141118780 | 1.56 | 1.90 | |
| Nessuna informazione disponibile, non ordinabile | ||||
| 202 | 1388673830 | |||
| Nessuna informazione disponibile, non ordinabile | ||||
| 203 | 1385673848 | |||
| Nessuna informazione disponibile, non ordinabile | ||||
| 204 | 6200002278 | |||
| Nessuna informazione disponibile, non ordinabile | ||||
| 205 | 1385673856 | |||
| Nessuna informazione disponibile, non ordinabile | ||||
| 206 | 1385671586 | |||
| Nessuna informazione disponibile, non ordinabile | ||||
| 207 | 1385673864 | |||
| Nessuna informazione disponibile, non ordinabile | ||||
| 208 | 1380673874 | |||
| Nessuna informazione disponibile, non ordinabile | ||||
| 209 | 6103001224 | |||
| Nessuna informazione disponibile, non ordinabile | ||||
| 210 | 1385673880 | |||
| Non più disponibile, nessuna sostituzione | ||||
| 211 | 1385670334 | |||
| Nessuna informazione disponibile, non ordinabile | ||||
| 212 | 7247670348 | |||
| Nessuna informazione disponibile, non ordinabile | ||||
| 213 | 1380673890 | |||
| Nessuna informazione disponibile, non ordinabile | ||||
| 214 | 1385673902 | |||
| Nessuna informazione disponibile, non ordinabile | ||||
| 215 | 1382673910 | |||
| STARLOCK M. COPERTURA RD 12 | ||||
| 216 | 7016025628 | 1.67 | 2.04 | |
| Nessuna informazione disponibile, non ordinabile | ||||
| 218 | 1385673929 | |||
| Nessuna informazione disponibile, non ordinabile | ||||
| 220 | 1382673936 | |||
| Nessuna informazione disponibile, non ordinabile | ||||
| 221 | 8116671680 | |||
| Vite a testa cilindrica con esagono interno M 4X30 | ||||
| 222 | 6121016557 | 1.56 | 1.90 | |
| Nessuna informazione disponibile, non ordinabile | ||||
| 223 | 1385670385 | |||
| Vite a testa cilindrica | ||||
| 229 | 141113690 | 1.68 | 2.05 | |
| Nessuna informazione disponibile, non ordinabile | ||||
| 230 | 1388673954 | |||
| Nessuna informazione disponibile, non ordinabile | ||||
| 231 | 1385673961 | |||
| Nessuna informazione disponibile, non ordinabile | ||||
| 232 | 1385673970 | |||
| Nessuna informazione disponibile, non ordinabile | ||||
| 233 | 6162091288 | |||
| Nessuna informazione disponibile, non ordinabile | ||||
| 234 | 1388673989 | |||
| Nessuna informazione disponibile, non ordinabile | ||||
| 235 | 1388673997 | |||
| Nessuna informazione disponibile, non ordinabile | ||||
| 236 | 1388674004 | |||
| Nessuna informazione disponibile, non ordinabile | ||||
| 237 | 6341674016 | |||
| Nessuna informazione disponibile, non ordinabile | ||||
| 238 | 1382674029 | |||
| Nessuna informazione disponibile, non ordinabile | ||||
| 239 | 7009674343 | |||
| Nessuna informazione disponibile, non ordinabile | ||||
| 240 | 1382674037 | |||
| Nessuna informazione disponibile, non ordinabile | ||||
| 241 | 1388674047 | |||
| Nessuna informazione disponibile, non ordinabile | ||||
| 242 | 1382674053 | |||
| Nessuna informazione disponibile, non ordinabile | ||||
| 243 | 6161000971 | |||
| Vite a testa cilindrica | ||||
| 244 | 141114000 | 1.68 | 2.05 | |
| Nessuna informazione disponibile, non ordinabile | ||||
| 245 | 6123667270 | |||
| Nessuna informazione disponibile, non ordinabile | ||||
| 246 | 1382674061 | |||
| Nessuna informazione disponibile, non ordinabile | ||||
| 247 | 1382674070 | |||
| Nessuna informazione disponibile, non ordinabile | ||||
| 248 | 1383674081 | |||
| Nessuna informazione disponibile, non ordinabile | ||||
| 249 | 1381674092 | |||
| Nessuna informazione disponibile, non ordinabile | ||||
| 250 | 1388668888 | |||
| Nessuna informazione disponibile, non ordinabile | ||||
| 251 | 1482674107 | |||
| Dado di sicurezza esagonale | ||||
| 252 | 141130930 | 1.56 | 1.90 | |
| Nessuna informazione disponibile, non ordinabile | ||||
| 253 | 1482674115 | |||
| Nessuna informazione disponibile, non ordinabile | ||||
| 254 | 1482674123 | |||
| Nessuna informazione disponibile, non ordinabile | ||||
| 255 | 1382674134 | |||
| Nessuna informazione disponibile, non ordinabile | ||||
| 256 | 1011672023 | |||
| Nessuna informazione disponibile, non ordinabile | ||||
| 257 | 1142674145 | |||
| Nessuna informazione disponibile, non ordinabile | ||||
| 258 | 1383674154 | |||
| Nessuna informazione disponibile, non ordinabile | ||||
| 259 | 141112310 | |||
| Nessuna informazione disponibile, non ordinabile | ||||
| 260 | 1384672031 | |||
| Nessuna informazione disponibile, non ordinabile | ||||
| 261 | 1383674162 | |||
| Nessuna informazione disponibile, non ordinabile | ||||
| 262 | 1011659400 | |||
| VITE A FARFALLA RD40/M6X23 (DIN 933) ZINCATA | ||||
| 263 | 7001017769 | 1.67 | 2.04 | |
| Nessuna informazione disponibile, non ordinabile | ||||
| 264 | 1010674170 | |||
| Nessuna informazione disponibile, non ordinabile | ||||
| 265 | 1383670434 | |||
| Nessuna informazione disponibile, non ordinabile | ||||
| 266 | 1141680150 | |||
| Nessuna informazione disponibile, non ordinabile | ||||
| 267 | 1383674197 | |||
| Nessuna informazione disponibile, non ordinabile | ||||
| 268 | 1381674203 | |||
| Nessuna informazione disponibile, non ordinabile | ||||
| 269 | 7009669404 | |||
| Nessuna informazione disponibile, non ordinabile | ||||
| 271 | 1383674219 | |||
| Nessuna informazione disponibile, non ordinabile | ||||
| 272 | 1383674227 | |||
| Nessuna informazione disponibile, non ordinabile | ||||
| 275 | 1383674243 | |||
| Nessuna informazione disponibile, non ordinabile | ||||
| 276 | 1383674251 | |||
| Nessuna informazione disponibile, non ordinabile | ||||
| 277 | 6341670282 | |||
| Nessuna informazione disponibile, non ordinabile | ||||
| 278 | 1388674268 | |||
| Nessuna informazione disponibile, non ordinabile | ||||
| 279 | 1383674278 | |||
| Nessuna informazione disponibile, non ordinabile | ||||
| 281 | 1382674282 | |||
| Nessuna informazione disponibile, non ordinabile | ||||
| 282 | 1382674290 | |||
| Nessuna informazione disponibile, non ordinabile | ||||
| 283 | 1382670406 | |||
| Nessuna informazione disponibile, non ordinabile | ||||
| 284 | 1010678672 | |||
| Nessuna informazione disponibile, non ordinabile | ||||
| 285 | 6103087676 | |||
| Nessuna informazione disponibile, non ordinabile | ||||
| 286 | 1385674305 | |||
| Vite a testa cilindrica | ||||
| 288 | 141113720 | 1.68 | 2.05 | |
| Nessuna informazione disponibile, non ordinabile | ||||
| 289 | 1383674316 | |||
| Nessuna informazione disponibile, non ordinabile | ||||
| 290 | 1382674320 | |||
| Nessuna informazione disponibile, non ordinabile | ||||
| 291 | 1382674339 | |||
| Nessuna informazione disponibile, non ordinabile | ||||
| 292 | 6132158523 | |||
| Nessuna informazione disponibile, non ordinabile | ||||
| 293 | 1385674356 | |||
| Nessuna informazione disponibile, non ordinabile | ||||
| 294 | 1381674360 | |||
| Nessuna informazione disponibile, non ordinabile | ||||
| 295 | 1382674371 | |||
| Nessuna informazione disponibile, non ordinabile | ||||
| 296 | 1382674380 | |||
| Non più disponibile, nessuna sostituzione | ||||
| 297 | 1388669540 | |||
| DADO A MANOPOLA A STELLA M 6 (DIN 934) ZINCATO | ||||
| 298 | 7000025466 | 1.67 | 2.04 | |
| Non più disponibile, nessuna sostituzione | ||||
| 299 | 1385672043 | |||
| Non più disponibile, nessuna sostituzione | ||||
| 301 | 1382672069 | |||
| Vite a testa cilindrica | ||||
| 302 | 141114030 | 1.56 | 1.90 | |
| Non più disponibile, nessuna sostituzione | ||||
| 303 | 1385672078 | |||
| Non più disponibile, nessuna sostituzione | ||||
| 304 | 1385672086 | |||
| Non più disponibile, nessuna sostituzione | ||||
| 305 | 1385672094 | |||
| Non più disponibile, nessuna sostituzione | ||||
| 306 | 1382672107 | |||
| Nessuna informazione disponibile, non ordinabile | ||||
| 307 | 6131001531 | |||
| Non più disponibile, nessuna sostituzione | ||||
| 308 | 1382672115 | |||
| VITE A FARFALLA RD40/M8X28 (DIN 933) ZINCATA | ||||
| 309 | 7001017777 | 2.28 | 2.78 | |
| Dado a Capuchón M 4 VERZ. | ||||
| 310 | 6201001437 | 1.56 | 1.90 | |
| Non più disponibile, nessuna sostituzione | ||||
| 311 | 1142672126 | |||
| Non più disponibile, nessuna sostituzione | ||||
| 312 | 1382672131 | |||
| Nessuna informazione disponibile, non ordinabile | ||||
| 313 | 1010678532 | |||
| Nessuna informazione disponibile, non ordinabile | ||||
| 316 | 1385682294 | |||
| Nessuna informazione disponibile, non ordinabile | ||||
| 317 | 1382682307 | |||
| Nessuna informazione disponibile, non ordinabile | ||||
| 334 | 1382674436 | |||
| Nessuna informazione disponibile, non ordinabile | ||||
| 335 | 8109674401 | |||
| Nessuna informazione disponibile, non ordinabile | ||||
| 336 | 8104674416 | |||
| Nessuna informazione disponibile, non ordinabile | ||||
| 337 | 8005674426 | |||
| Nessuna informazione disponibile, non ordinabile | ||||
| 338 | 1381674440 | |||
| Nessuna informazione disponibile, non ordinabile | ||||
| 339 | 8191674457 | |||
| Nessuna informazione disponibile, non ordinabile | ||||
| 340 | 8191674465 | |||
| Nessuna informazione disponibile, non ordinabile | ||||
| 341 | 1382674479 | |||
| Nessuna informazione disponibile, non ordinabile | ||||
| 342 | 1382674487 | |||
| Nessuna informazione disponibile, non ordinabile | ||||
| 343 | 8112674498 | |||
| Nessuna informazione disponibile, non ordinabile | ||||
| 344 | 8056674501 | |||
| Nessuna informazione disponibile, non ordinabile | ||||
| 347 | 8116674530 | |||
| Nessuna informazione disponibile, non ordinabile | ||||
| 348 | 8191674635 | |||
| Nessuna informazione disponibile, non ordinabile | ||||
| 350 | 1010681843 | |||
| Nessuna informazione disponibile, non ordinabile | ||||
| 351 | 6143681902 | |||
| Nessuna informazione disponibile, non ordinabile | ||||
| 352 | 1381681897 | |||
| VITE A FARFALLA RD40/M6X23 (DIN 933) ZINCATA | ||||
| 353 | 7001017769 | 1.67 | 2.04 | |
| Nessuna informazione disponibile, non ordinabile | ||||
| 354 | 6503672195 | |||
| Non più disponibile, nessuna sostituzione | ||||
| 355 | 1388666770 | |||
| Nessuna informazione disponibile, non ordinabile | ||||
| 356 | 1384681863 | |||
| Nessuna informazione disponibile, non ordinabile | ||||
| 357 | 1385666930 | |||
| Nessuna informazione disponibile, non ordinabile | ||||
| 358 | 1385672159 | |||
| Nessuna informazione disponibile, non ordinabile | ||||
| 359 | 1388681884 | |||
| Nessuna informazione disponibile, non ordinabile | ||||
| 360 | 6400121395 | |||
| Nessuna informazione disponibile, non ordinabile | ||||
| 361 | 1385681859 | |||
| Nessuna informazione disponibile, non ordinabile | ||||
| 362 | 6341669969 | |||
| VITE A FARFALLA RD40/M6X23 (DIN 933) ZINCATA | ||||
| 363 | 7001017769 | 1.67 | 2.04 | |
| Nessuna informazione disponibile, non ordinabile | ||||
| 364 | 7001005922 | |||
| Nessuna informazione disponibile, non ordinabile | ||||
| 365 | 1014681910 | |||
| Nessuna informazione disponibile, non ordinabile | ||||
| 367 | 1388666753 | |||
| Dado esagonale | ||||
| 368 | 141130100 | 1.56 | 1.90 | |
| Nessuna informazione disponibile, non ordinabile | ||||
| 370 | 1381672243 | |||
| Vite esagonale M 8X90 verz. | ||||
| 371 | 6101022046 | 1.68 | 2.05 | |
| Nessuna informazione disponibile, non ordinabile | ||||
| 372 | 1388666761 | |||
| Nessuna informazione disponibile, non ordinabile | ||||
| 373 | 1388672222 | |||
| Vite a testa cilindrica | ||||
| 374 | 141114000 | 1.68 | 2.05 | |
| Dado esagonale piatto | ||||
| 375 | 6205029131 | 1.56 | 1.90 | |