Qui troverai tutte le parti e i disegni disponibili di “Metabo 0230137000-11 ( MEGA370/100W230/1/50 )”. Da qui puoi ordinare direttamente tutte le parti desiderate. Molte parti devono essere ordinate dal produttore, a seconda della marca, ciò richiede da una a quattro settimane. Tutte le informazioni che abbiamo sono sul nostro sito web, non possiamo consigliarti su ciò di cui hai bisogno, per questo dovrai restituire la macchina per la riparazione. Nota quanto segue al momento dell’ordinazione:
Disegni tecnici di Metabo 0230137000-11 ( MEGA370/100W230/1/50 )
Elenco parti di Metabo 0230137000-11 ( MEGA370/100W230/1/50 )
| Pos. | Descrizione | Prezzo IVA escl | Prezzo IVA incl | |
| I prezzi indicati sono comprensivi di IVA | ||||
| Valvola di scarico 2,2 Bar 1/8"A | ||||
| 52 | 1319741123 | 13.48 | 16.45 | |
| Set di ruote completo | ||||
| 102 | 316049470 | 134.27 | 163.81 | |
| TUBO PER MANIGLIA ET | ||||
| 104 | 1317723624 | 37.65 | 45.93 | |
| VALVOLA DI RITEGNO 3/4" | ||||
| 105 | 7831740927 | 43.15 | 52.64 | |
| Nessuna informazione disponibile, non ordinabile | ||||
| 106 | 7802009105 | |||
| VALVOLA DI SCARICO ACQUA R 1/4" | ||||
| 107 | 7830740931 | 32.27 | 39.37 | |
| Valvola riduttrice | ||||
| 108 | 341164940 | 175.84 | 214.52 | |
| Manometro | ||||
| 109 | 343440400 | 32.27 | 39.37 | |
| Valvola di sicurezza | ||||
| 110 | 341164980 | 74.13 | 90.44 | |
| DOPPIO NIPPLE ET | ||||
| 112 | 7808684564 | 16.25 | 19.82 | |
| MANICO ROTANTE RD 20 ET | ||||
| 117 | 7008679490 | 32.27 | 39.37 | |
| Puleggia a cinghia trapezoidale 90x1A ET | ||||
| 125 | 7240633579 | 53.86 | 65.71 | |
| Nessuna informazione disponibile, non ordinabile | ||||
| 126 | 7230740954 | |||
| Tubo di plastica | ||||
| 127 | 316061030 | 21.64 | 26.40 | |
| REGOLATORE DI PRESSIONE 3/8" | ||||
| 131 | 8101740979 | 94.12 | 114.83 | |
| CAVO CON SPINA | ||||
| 132 | 344500050 | 43.15 | 52.64 | |
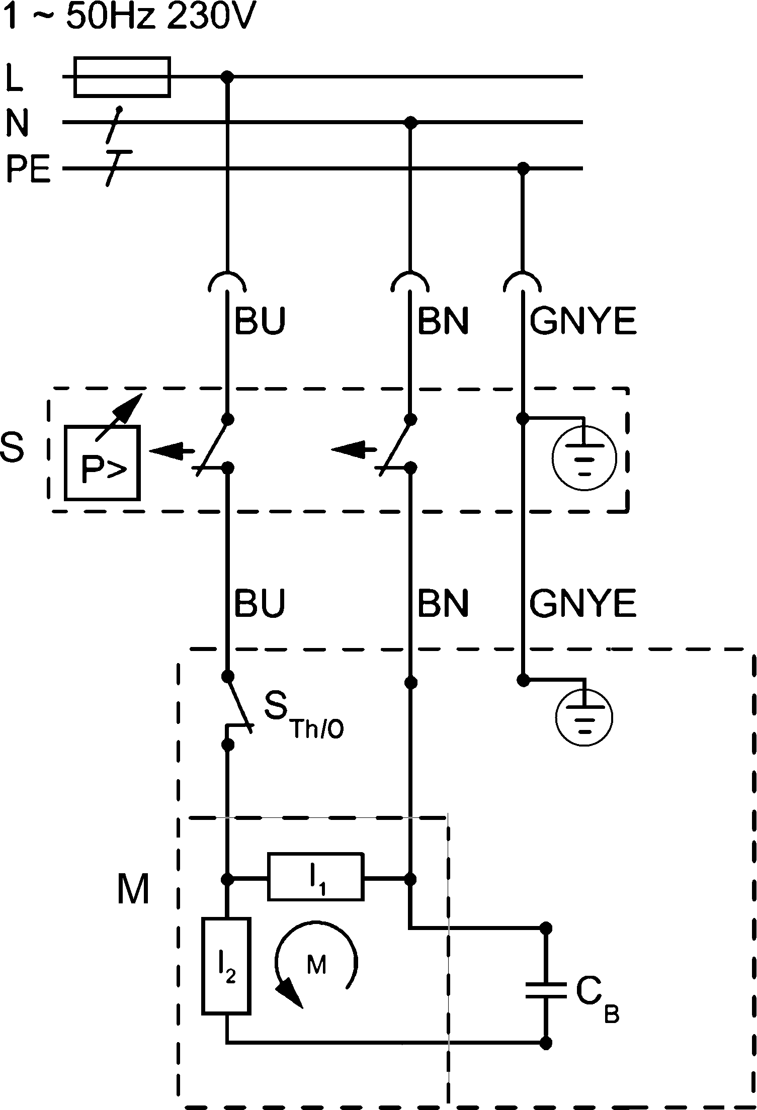
| MOTORE 1,50KW | ||||
| 135 | 8013741019 | 809.10 | 987.10 | |
| Protezione termica | ||||
| 138 | 343409690 | 26.95 | 32.88 | |
| PROTEZIONE CINGHIA LATO MOTORE | ||||
| 141 | 1381741377 | 24.23 | 29.56 | |
| Griglia di protezione mancante in questa lingua | ||||
| 142 | 344112780 | 43.15 | 52.64 | |
| TUBO DI PRESSIONE | ||||
| 145 | 1001741400 | 21.64 | 26.40 | |
| GUARNIZIONE ET | ||||
| 900 | 1319731870 | 175.84 | 214.52 | |
| Nessuna informazione disponibile, non ordinabile | ||||
| 901 | 1319741050 | |||
| Albero a gomiti con cuscinetto | ||||
| 902 | 1319741034 | 161.61 | 197.16 | |
| COPERCHIO DELLO SCATOLA CON GUARNIZIONE | ||||
| 903 | 1310741040 | 94.12 | 114.83 | |
| GUARNIZIONE ET | ||||
| 904 | 1319731900 | 405.62 | 494.86 | |
| Coperchio del cuscinetto completo | ||||
| 905 | 1319741077 | 74.13 | 90.44 | |
| Testata cilindro ET | ||||
| 906 | 1319738084 | 148.53 | 181.21 | |
| Ruota del ventilatore RD 280 | ||||
| 907 | 1319741085 | 175.84 | 214.52 | |
| Guarnizione | ||||
| 909 | 1319741387 | 100.74 | 122.90 | |
| Sfiato e vetro dell'olio | ||||
| 910 | 1319741093 | 60.59 | 73.92 | |
| FILTRO ARIA COMPLETO | ||||
| 911 | 7825741393 | 80.81 | 98.59 | |
| Anelli del pistone completi | ||||
| 912 | 1319741069 | 74.13 | 90.44 | |