Qui troverai tutte le parti e i disegni disponibili di “Metabo 0103001242-12 ( KGS301 )”. Da qui puoi ordinare direttamente tutte le parti desiderate. Molte parti devono essere ordinate dal produttore, a seconda della marca, ciò richiede da una a quattro settimane. Tutte le informazioni che abbiamo sono sul nostro sito web, non possiamo consigliarti su ciò di cui hai bisogno, per questo dovrai restituire la macchina per la riparazione. Nota quanto segue al momento dell’ordinazione:
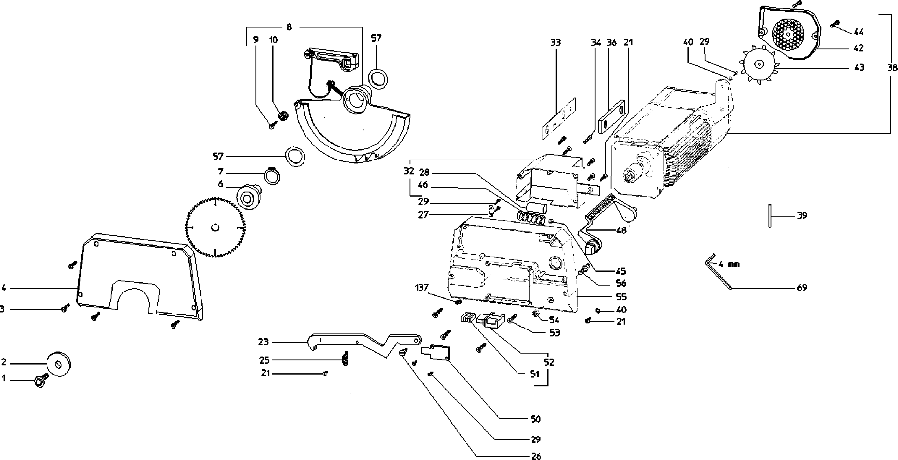
Disegni tecnici di Metabo 0103001242-12 ( KGS301 )
Elenco parti di Metabo 0103001242-12 ( KGS301 )
| Pos. | Descrizione | Prezzo IVA escl | Prezzo IVA incl | |
| I prezzi indicati sono comprensivi di IVA | ||||
| Non più disponibile, nessuna sostituzione | ||||
| 1 | 1395207098 | |||
| FLANGIA DI PRESSIONE | ||||
| 2 | 1485212147 | 37.65 | 45.93 | |
| Nessuna informazione disponibile, non ordinabile | ||||
| 3 | 141122530 | |||
| Nessuna informazione disponibile, non ordinabile | ||||
| 4 | 2380213993 | |||
| Flangia OS 400 EQ | ||||
| 6 | 1485212139 | 21.64 | 26.40 | |
| Anello di bloccaggio | ||||
| 7 | 141180170 | 1.56 | 1.90 | |
| Non più disponibile, nessuna sostituzione | ||||
| 8 | 1010656504 | |||
| Nessuna informazione disponibile, non ordinabile | ||||
| 9 | 6176007417 | |||
| Cuscinetto a sfera 6X19X6 626 -2Z | ||||
| 10 | 7100047262 | 3.71 | 4.53 | |
| Vite a svasatura piana | ||||
| 21 | 6172028215 | 1.56 | 1.90 | |
| Non più disponibile, nessuna sostituzione | ||||
| 23 | 1492037601 | |||
| Nessuna informazione disponibile, non ordinabile | ||||
| 25 | 7051202958 | |||
| Vite di regolazione esagonale | ||||
| 26 | 6104220876 | 3.02 | 3.68 | |
| Sollievo dal tiro | ||||
| 27 | 8242033664 | 1.55 | 1.89 | |
| CONDENSATORE 20uF/400V 45X67 CAVO 160 AB | ||||
| 28 | 8050033539 | 16.25 | 19.82 | |
| VITE AUTOFORANTE M.TESTA CROCIATA ST 3,5X16-C-H VE | ||||
| 29 | 6172032905 | 1.56 | 1.90 | |
| Non più disponibile, nessuna sostituzione | ||||
| 32 | 1010655575 | |||
| Nessuna informazione disponibile, non ordinabile | ||||
| 33 | 1492037580 | |||
| Nessuna informazione disponibile, non ordinabile | ||||
| 34 | 141122540 | |||
| Nessuna informazione disponibile, non ordinabile | ||||
| 36 | 1392202729 | |||
| Nessuna informazione disponibile, non ordinabile | ||||
| 38 | 1010657080 | |||
| Non più disponibile, nessuna sostituzione | ||||
| 39 | 9103202881 | |||
| Rondella | ||||
| 40 | 141150010 | 1.56 | 1.90 | |
| Vite a testa cilindrica | ||||
| 41 | 141113870 | 1.68 | 2.05 | |
| Carcassa della ventola | ||||
| 42 | 2391202551 | 2.28 | 2.78 | |
| Non più disponibile, nessuna sostituzione | ||||
| 43 | 2391203442 | |||
| Non più disponibile, nessuna sostituzione | ||||
| 44 | 6143036802 | |||
| Dado esagonale | ||||
| 45 | 141130100 | 1.56 | 1.90 | |
| Non più disponibile, nessuna sostituzione | ||||
| 46 | 8216656297 | |||
| Nessuna informazione disponibile, non ordinabile | ||||
| 48 | 2390202787 | |||
| Non più disponibile, nessuna sostituzione | ||||
| 50 | 2391202853 | |||
| Non più disponibile, nessuna sostituzione | ||||
| 51 | 2391202926 | |||
| Non più disponibile, nessuna sostituzione | ||||
| 52 | 1010656300 | |||
| Nessuna informazione disponibile, non ordinabile | ||||
| 53 | 6131070290 | |||
| Dado esagonale autobloccante | ||||
| 54 | 6202002305 | 1.56 | 1.90 | |
| Nessuna informazione disponibile, non ordinabile | ||||
| 55 | 2391202683 | |||
| Nessuna informazione disponibile, non ordinabile | ||||
| 56 | 1485208581 | |||
| Nessuna informazione disponibile, non ordinabile | ||||
| 57 | 6306028063 | |||
| Puntatore RAL 3000-3003 | ||||
| 62 | 2391203523 | 1.56 | 1.90 | |
| Leva del mandrino OSC 18 | ||||
| 63 | 7006028220 | 13.48 | 16.45 | |
| Nessuna informazione disponibile, non ordinabile | ||||
| 64 | 6127027992 | |||
| RONDELLA ELASTICA 25,0X12,2X1,5 A25/GR2 | ||||
| 65 | 7053028238 | 1.67 | 2.04 | |
| Nessuna informazione disponibile, non ordinabile | ||||
| 66 | 6205028038 | |||
| Rondella | ||||
| 67 | 141156740 | 1.56 | 1.90 | |
| Nessuna informazione disponibile, non ordinabile | ||||
| 68 | 141120030 | |||
| Chiave a Bussola Esagonale | ||||
| 69 | 9102017894 | 1.55 | 1.89 | |
| Nessuna informazione disponibile, non ordinabile | ||||
| 70 | 6300084859 | |||
| Nessuna informazione disponibile, non ordinabile | ||||
| 75 | 1010019067 | |||
| Vite esagonale M 6X16 curvato. Rivestimento a macc | ||||
| 76 | 6103001356 | 1.56 | 1.90 | |
| Non più disponibile, nessuna sostituzione | ||||
| 77 | 2381715992 | |||
| Dado esagonale autobloccante | ||||
| 79 | 6202128341 | 1.56 | 1.90 | |
| Buffer di inserimento | ||||
| 80 | 2391203906 | 1.56 | 1.90 | |
| Non più disponibile, nessuna sostituzione | ||||
| 81 | 7051210284 | |||
| VITE A FARFALLA RD40/M6X23 (DIN 933) ZINCATA | ||||
| 82 | 7001017769 | 1.67 | 2.04 | |
| Nessuna informazione disponibile, non ordinabile | ||||
| 84 | 7051204314 | |||
| Nessuna informazione disponibile, non ordinabile | ||||
| 85 | 1010141288 | |||
| Asse V. Cappuccio | ||||
| 87 | 1385209408 | 32.27 | 39.37 | |
| Nessuna informazione disponibile, non ordinabile | ||||
| 88 | 1485209421 | |||
| Nessuna informazione disponibile, non ordinabile | ||||
| 89 | 6306110550 | |||
| Non più disponibile, nessuna sostituzione | ||||
| 90 | 1010128451 | |||
| Vite a testa cilindrica | ||||
| 92 | 141113840 | 1.68 | 2.05 | |
| Nessuna informazione disponibile, non ordinabile | ||||
| 93 | 1482212650 | |||
| Nessuna informazione disponibile, non ordinabile | ||||
| 94 | 1395202606 | |||
| Nessuna informazione disponibile, non ordinabile | ||||
| 96 | 1380656465 | |||
| Non più disponibile, nessuna sostituzione | ||||
| 102 | 141110270 | |||
| Non più disponibile, nessuna sostituzione | ||||
| 105 | 2391203540 | |||
| Nessuna informazione disponibile, non ordinabile | ||||
| 106 | 6168029746 | |||
| Non più disponibile, nessuna sostituzione | ||||
| 107 | 1142214322 | |||
| Vite a svasatura piana | ||||
| 108 | 6172091014 | 1.56 | 1.90 | |
| Non più disponibile, nessuna sostituzione | ||||
| 109 | 1380654098 | |||
| Non più disponibile, nessuna sostituzione | ||||
| 111 | 2391202640 | |||
| Rondella di bloccaggio dentata | ||||
| 113 | 141150410 | 1.68 | 2.05 | |
| Non più disponibile, nessuna sostituzione | ||||
| 115 | 1482210348 | |||
| Vite a testa cilindrica | ||||
| 116 | 6121023081 | 1.56 | 1.90 | |
| Non più disponibile, nessuna sostituzione | ||||
| 119 | 2391202772 | |||
| Nessuna informazione disponibile, non ordinabile | ||||
| 120 | 1380653997 | |||
| Nessuna informazione disponibile, non ordinabile | ||||
| 121 | 1395202657 | |||
| Nessuna informazione disponibile, non ordinabile | ||||
| 122 | 2393203156 | |||
| Vite a testa cilindrica | ||||
| 123 | 6127059207 | 1.56 | 1.90 | |
| Non più disponibile, nessuna sostituzione | ||||
| 124 | 2390203040 | |||
| Dado di sicurezza esagonale | ||||
| 125 | 141130650 | 1.68 | 2.05 | |
| Rondella | ||||
| 126 | 141151940 | 1.56 | 1.90 | |
| Non più disponibile, nessuna sostituzione | ||||
| 127 | 7001203104 | |||
| Molla compressione | ||||
| 130 | 7051202931 | 5.87 | 7.16 | |
| Molla a disco | ||||
| 131 | 141155660 | 1.56 | 1.90 | |
| Nessuna informazione disponibile, non ordinabile | ||||
| 132 | 1010013816 | |||
| Nessuna informazione disponibile, non ordinabile | ||||
| 135 | 1141203068 | |||
| Nessuna informazione disponibile, non ordinabile | ||||
| 136 | 1380675052 | |||
| Nessuna informazione disponibile, non ordinabile | ||||
| 137 | 7056671069 | |||
| Dado esagonale autobloccante | ||||
| 139 | 6202024139 | 1.56 | 1.90 | |
| Buffer di vibrazione | ||||
| 141 | 7058028481 | 3.02 | 3.68 | |
| Vite a svasatura piana | ||||
| 145 | 6172001821 | 1.56 | 1.90 | |
| Nessuna informazione disponibile, non ordinabile | ||||
| 155 | 1482653592 | |||