Qui troverai tutte le parti e i disegni disponibili di “Metabo 02419420 ( BSP12PLUS )”. Da qui puoi ordinare direttamente tutte le parti desiderate. Molte parti devono essere ordinate dal produttore, a seconda della marca, ciò richiede da una a quattro settimane. Tutte le informazioni che abbiamo sono sul nostro sito web, non possiamo consigliarti su ciò di cui hai bisogno, per questo dovrai restituire la macchina per la riparazione. Nota quanto segue al momento dell’ordinazione:
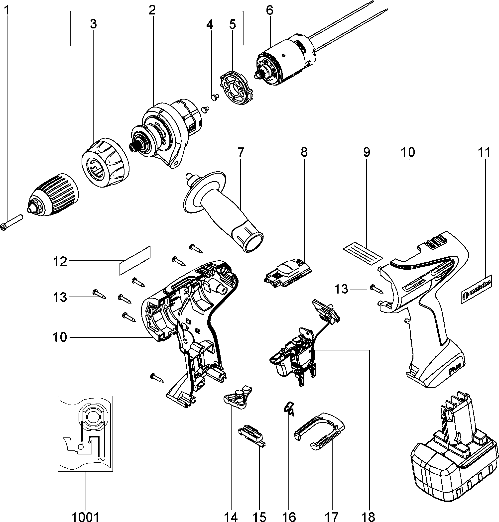
Disegni tecnici di Metabo 02419420 ( BSP12PLUS )
Elenco parti di Metabo 02419420 ( BSP12PLUS )
| Pos. | Descrizione | Prezzo IVA escl | Prezzo IVA incl | |
| I prezzi indicati sono comprensivi di IVA | ||||
| Vite a testa cilindrica | ||||
| 1 | 341701940 | 1.68 | 2.05 | |
| Nessuna informazione disponibile, non ordinabile | ||||
| 2 | 316035260 | |||
| Nessuna informazione disponibile, non ordinabile | ||||
| 3 | 315104250 | |||
| VITE C M4X35 | ||||
| 4 | 141119850 | 1.56 | 1.90 | |
| Nessuna informazione disponibile, non ordinabile | ||||
| 5 | 343379430 | |||
| Nessuna informazione disponibile, non ordinabile | ||||
| 6 | 317003080 | |||
| Impugnatura completa | ||||
| 7 | 314000540 | 11.74 | 14.32 | |
| Nessuna informazione disponibile, non ordinabile | ||||
| 8 | 343379220 | |||
| Piastra di identificazione | ||||
| 9 | 338115880 | 3.71 | 4.53 | |
| Nessuna informazione disponibile, non ordinabile | ||||
| 10 | 343379180 | |||
| Etichetta Metabo | ||||
| 11 | 338118370 | 1.56 | 1.90 | |
| Nessuna informazione disponibile, non ordinabile | ||||
| 12 | 338044010 | |||
| VITE C M4X35 | ||||
| 13 | 141113180 | 1.56 | 1.90 | |
| Nessuna informazione disponibile, non ordinabile | ||||
| 14 | 316035280 | |||
| Nessuna informazione disponibile, non ordinabile | ||||
| 15 | 343374350 | |||
| Molla di spinta | ||||
| 16 | 342021670 | 1.56 | 1.90 | |
| Non più disponibile, nessuna sostituzione | ||||
| 17 | 343374940 | |||
| Nessuna informazione disponibile, non ordinabile | ||||
| 18 | 343407450 | |||