Qui troverai tutte le parti e i disegni disponibili di “Metabo 02355000 ( BS18LTX-3BLQI )”. Da qui puoi ordinare direttamente tutte le parti desiderate. Molte parti devono essere ordinate dal produttore, a seconda della marca, ciò richiede da una a quattro settimane. Tutte le informazioni che abbiamo sono sul nostro sito web, non possiamo consigliarti su ciò di cui hai bisogno, per questo dovrai restituire la macchina per la riparazione. Nota quanto segue al momento dell’ordinazione:
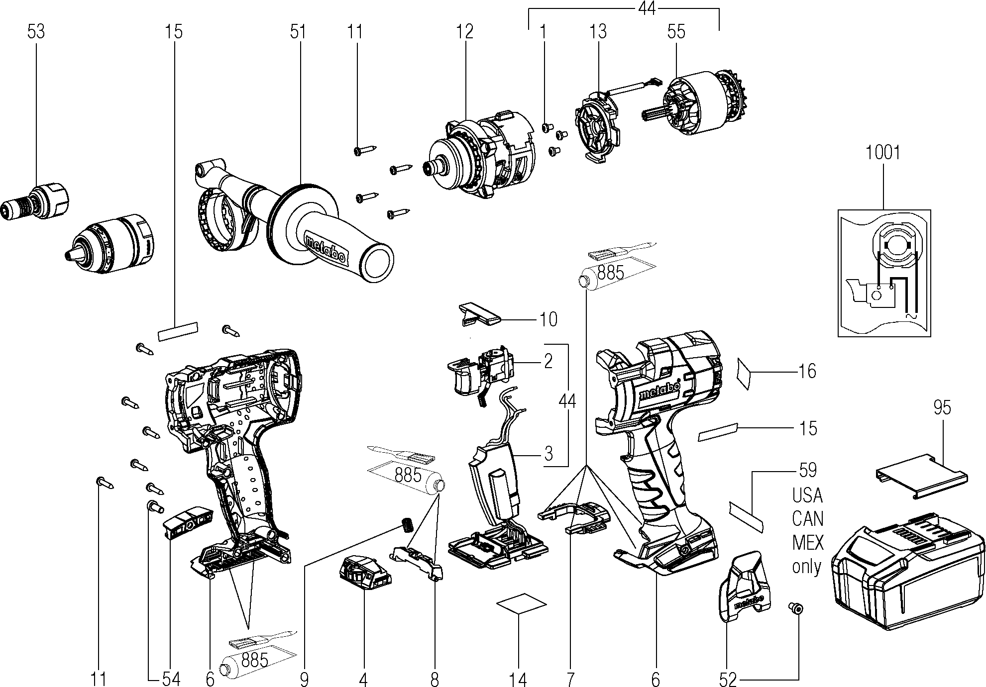
Disegni tecnici di Metabo 02355000 ( BS18LTX-3BLQI )
Elenco parti di Metabo 02355000 ( BS18LTX-3BLQI )
| Pos. | Descrizione | Prezzo IVA escl | Prezzo IVA incl | |
| I prezzi indicati sono comprensivi di IVA | ||||
| VITE C M4X35 | ||||
| 1 | 141122220 | 1.68 | 2.05 | |
| POTENTIOSCHAKELAAR | ||||
| 2 | 316081550 | 13.26 | 16.18 | |
| Unità elettrica | ||||
| 3 | 343085740 | 134.27 | 163.81 | |
| Ruota di regolazione completa | ||||
| 4 | 343083610 | 18.80 | 22.94 | |
| Custodia con coperchio | ||||
| 6 | 343438360 | 26.95 | 32.88 | |
| Cursore di blocco | ||||
| 7 | 343438580 | 1.68 | 2.05 | |
| Portatore | ||||
| 8 | 343430520 | 1.56 | 1.90 | |
| Molla compressione | ||||
| 9 | 342004070 | 1.56 | 1.90 | |
| Scorrevole dell'interruttore, R+L | ||||
| 10 | 343433260 | 1.56 | 1.90 | |
| VITE C M4X35 | ||||
| 11 | 141113180 | 1.56 | 1.90 | |
| Carcasa del ingranaggio completa | ||||
| 12 | 316062150 | 113.82 | 138.86 | |
| Flangia con elettronica | ||||
| 13 | 316065130 | 16.25 | 19.82 | |
| Piastra di tipo HK 85 EB 230V | ||||
| 14 | 338066610 | 1.56 | 1.90 | |
| Etichetta | ||||
| 15 | 338127590 | 1.56 | 1.90 | |
| Piastra di identificazione | ||||
| 16 | 338129940 | 1.68 | 2.05 | |
| Motore completo con elettronica | ||||
| 44 | 316066970 | 296.22 | 361.39 | |
| Impugnatura completa | ||||
| 51 | 314001020 | 12.23 | 14.92 | |
| GANCIO | ||||
| 52 | 339137270 | 2.28 | 2.78 | |
| Maniche del portabit | ||||
| 53 | 316047360 | 74.13 | 90.44 | |
| Deposito punte cacciavite | ||||
| 54 | 343448690 | 2.28 | 2.78 | |
| Motore completo | ||||
| 55 | 316063770 | 187.73 | 229.03 | |
| Cappuccio di copertura STM 1800 | ||||
| 95 | 343439680 | 1.56 | 1.90 | |
| GRASSO | ||||
| 885 | 136010950 | 100.74 | 122.90 | |
| Nessuna informazione disponibile, non ordinabile | ||||
| 1001 | 338506100 | |||