Qui troverai tutte le parti e i disegni disponibili di “Metabo 0104004000-13 ( BKS400PLUS4,20DNB )”. Da qui puoi ordinare direttamente tutte le parti desiderate. Molte parti devono essere ordinate dal produttore, a seconda della marca, ciò richiede da una a quattro settimane. Tutte le informazioni che abbiamo sono sul nostro sito web, non possiamo consigliarti su ciò di cui hai bisogno, per questo dovrai restituire la macchina per la riparazione. Nota quanto segue al momento dell’ordinazione:
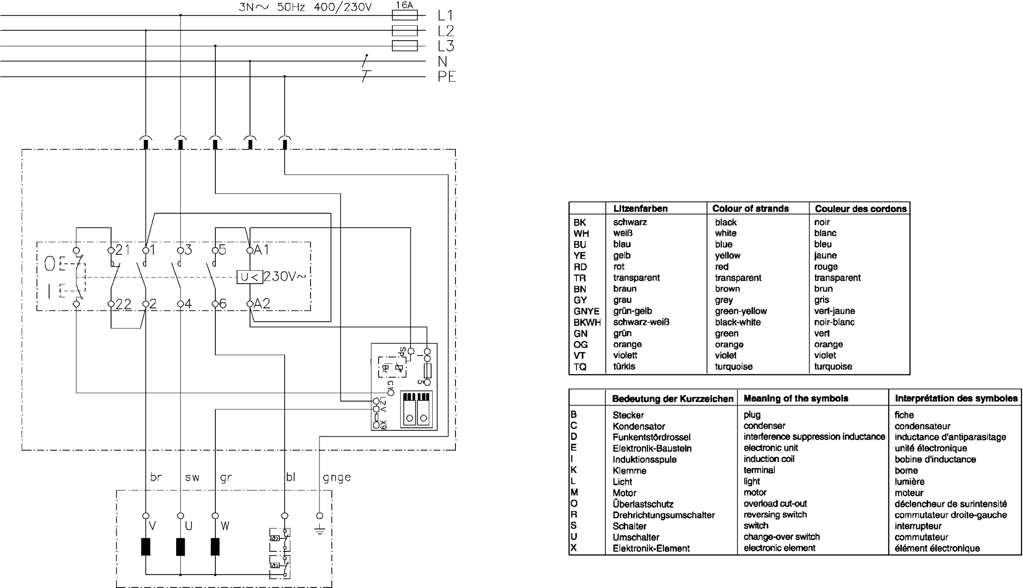
Disegni tecnici di Metabo 0104004000-13 ( BKS400PLUS4,20DNB )
Elenco parti di Metabo 0104004000-13 ( BKS400PLUS4,20DNB )
| Pos. | Descrizione | Prezzo IVA escl | Prezzo IVA incl | |
| I prezzi indicati sono comprensivi di IVA | ||||
| SUPPORTO BL 2.5X195X100 | ||||
| 2 | 1382206289 | 3.71 | 4.53 | |
| RONDELLA ELASTICA | ||||
| 3 | 7053063343 | 1.55 | 1.89 | |
| Bullone di bloccaggio con inserto quadrato M 12X40 | ||||
| 4 | 6110149253 | 1.68 | 2.05 | |
| PIANO BL 2,50X736X1071 | ||||
| 5 | 1382731987 | 18.80 | 22.94 | |
| Cuneo spaziatore hol CS 70 ET-BG | ||||
| 6 | 2380075353 | 10.38 | 12.66 | |
| PIASTRA DI PRESSIONE BL 2,99X80X60 | ||||
| 7 | 1382213749 | 1.68 | 2.05 | |
| Controflangia RD 112 SW 46x26 | ||||
| 9 | 2390205247 | 21.64 | 26.40 | |
| Rondella di blocco B 13 VERZ. | ||||
| 10 | 6305002508 | 1.56 | 1.90 | |
| Vite esagonale | ||||
| 11 | 141122670 | 4.51 | 5.50 | |
| COPERCHIO ALLOGGIO TRUCIOLI BL 1,5X684X391 | ||||
| 12 | 1382206327 | 60.59 | 73.92 | |
| Dado esagonale autobloccante | ||||
| 13 | 6202002305 | 1.56 | 1.90 | |
| Montaggio motore BL 2,99X134X230 | ||||
| 14 | 1482206294 | 8.89 | 10.85 | |
| Nessuna informazione disponibile, non ordinabile | ||||
| 17 | 6131009460 | |||
| Vite esagonale | ||||
| 18 | 6103001178 | 1.56 | 1.90 | |
| FLANGIA RD 20 | ||||
| 19 | 1390205208 | 43.15 | 52.64 | |
| ALLOGGIO PER TRUCIOLI BL 1,5X812X410 | ||||
| 20 | 1382206319 | 37.65 | 45.93 | |
| Vite esagonale M 8X90 verz. | ||||
| 21 | 6101022046 | 1.68 | 2.05 | |
| Non più disponibile, nessuna sostituzione | ||||
| 22 | 1382730808 | |||
| Vite esagonale M 6X16 curvato. Rivestimento a macc | ||||
| 23 | 6103001356 | 1.56 | 1.90 | |
| LEVA DEL FUSIBILE BL 2.50X30X100 | ||||
| 24 | 1392205418 | 3.71 | 4.53 | |
| PIASTRA DI SUPPORTO BL 2X321X168 FRONTALE | ||||
| 33 | 1382206300 | 12.23 | 14.92 | |
| PIASTRA DI SOSTEGNO BL 2X321X168 POSTERIORE | ||||
| 34 | 1382206335 | 12.23 | 14.92 | |
| Vite esagonale | ||||
| 41 | 141113330 | 1.68 | 2.05 | |
| Vite esagonale M 10X20 curvato. | ||||
| 59 | 6103005270 | 1.56 | 1.90 | |
| VITE TESTA PIATTA M.CROCE M 6X16 VE | ||||
| 70 | 6131047582 | 1.56 | 1.90 | |
| PIANO BL 2,50X736X1071 | ||||
| 72 | 1382731405 | 161.61 | 197.16 | |
| Dado esagonale autobloccante | ||||
| 73 | 6202002305 | 1.56 | 1.90 | |
| ARCO DI SOLLEVAMENTO 2.99X90X112 | ||||
| 75 | 1492103230 | 3.71 | 4.53 | |
| Profilo di inserimento tavolo 549,5 ±0,3 mm | ||||
| 76 | 1393205551 | 21.64 | 26.40 | |
| MEMBRO INCROCIATO BL 2,50X86X656 | ||||
| 77 | 1392205035 | 11.74 | 14.32 | |
| PIASTRA DI COMMUTAZIONE BL 2,99X85X180 | ||||
| 78 | 1382214133 | 16.25 | 19.82 | |
| Vite esagonale | ||||
| 80 | 141113290 | 1.56 | 1.90 | |
| SSK-INTERRUTTORE UC230V CEE-16A PHW K900VB | ||||
| 81 | 8132719587 | 213.88 | 260.93 | |
| Morsetto di fissaggio | ||||
| 82 | 8242051328 | 2.28 | 2.78 | |
| Nessuna informazione disponibile, non ordinabile | ||||
| 88 | 1010675193 | |||
| PIASTRA DI ESTENSIONE BL 2.00X572X832 TKHS315M | ||||
| 90 | 1382693309 | 94.12 | 114.83 | |
| Vite esagonale | ||||
| 91 | 141114860 | 1.68 | 2.05 | |
| PIASTRA ANGOLARE BL 2,50X30X116 | ||||
| 92 | 1382693856 | 12.23 | 14.92 | |
| Dado esagonale | ||||
| 93 | 141132030 | 1.56 | 1.90 | |
| SUPPORTO DIAGONALE BL 2,5X30X591 | ||||
| 94 | 1382641074 | 8.89 | 10.85 | |
| Gamba BKH/BKS | ||||
| 95 | 1010730674 | 43.15 | 52.64 | |
| SUPPORTO BL 1,5X118X703 | ||||
| 96 | 1382641031 | 16.25 | 19.82 | |
| SUPPORTO DIAGONALE BL 2,5X30X830 | ||||
| 97 | 1382641058 | 18.80 | 22.94 | |
| Vite 6KT 17x30 M 8 | ||||
| 98 | 1395205516 | 3.02 | 3.68 | |
| Vite a testa cilindrica | ||||
| 99 | 6127059207 | 1.56 | 1.90 | |
| SUPPORTO BL 1,00X70X885 TVL-BKH/BKS | ||||
| 100 | 1382706559 | 16.25 | 19.82 | |
| PIANO cpl | ||||
| 110 | 1382731340 | 37.65 | 45.93 | |
| Vite esagonale M 8x80 placcato | ||||
| 111 | 141125190 | 1.55 | 1.89 | |
| Vite esagonale M 6X35 curvato. | ||||
| 113 | 6103004916 | 1.56 | 1.90 | |
| MOLLA DI PASSAGGIO D=1,5 X 180 | ||||
| 114 | 7051731284 | 8.89 | 10.85 | |
| BLOCCO DEL CUSCINETTO COMPLETO BKH/BKS-Plus | ||||
| 115 | 1010731972 | 16.25 | 19.82 | |
| GUIDA COMPLETA BKH/BKS-Plus | ||||
| 116 | 1010731964 | 74.13 | 90.44 | |
| MOLLA DI PASSAGGIO D=1,5 X 180 | ||||
| 117 | 7051731292 | 8.89 | 10.85 | |
| MANICOTTO RD 18X5 | ||||
| 118 | 1485731306 | 4.51 | 5.50 | |
| MANICOTTO RD 18X5 | ||||
| 119 | 1381731312 | 1.56 | 1.90 | |
| Cappuccio di protezione, completo BKH/BKS Plus | ||||
| 120 | 1010731956 | 161.61 | 197.16 | |
| LAMA DIVISORIA BL 3,00X214X304 BKH/BKS400 | ||||
| 121 | 1482731367 | 148.53 | 181.21 | |
| Dado di sicurezza esagonale | ||||
| 122 | 141130650 | 1.68 | 2.05 | |
| VITE A TESTA PIANA M.SLOT M 6X20 VER | ||||
| 124 | 6130019585 | 1.56 | 1.90 | |
| Dado esagonale | ||||
| 125 | 141130100 | 1.56 | 1.90 | |
| GUIDA 140x30x53 | ||||
| 126 | 1381730669 | 74.13 | 90.44 | |
| Vite a testa cilindrica | ||||
| 127 | 141113940 | 1.56 | 1.90 | |
| Fermo parallelo BKH/BKS-Plus | ||||
| 130 | 1010731743 | 187.73 | 229.03 | |
| Bullone scanalato con inserto quadrato M 6X40 VERZ | ||||
| 131 | 6110000616 | 1.56 | 1.90 | |
| PIASTRA DI GUIDA CORREDOR | ||||
| 132 | 1392201587 | 1.56 | 1.90 | |
| BULLONE A SCOMPARSA 60X25 NERO | ||||
| 133 | 1391019971 | 1.68 | 2.05 | |
| Stop parallelo BKH/BKS | ||||
| 134 | 1010731450 | 67.33 | 82.14 | |
| BOTTONE | ||||
| 135 | 7005658068 | 2.28 | 2.78 | |
| PROFILO ANTERIORE | ||||
| 136 | 1383730720 | 53.86 | 65.71 | |
| DISTANZIALE RD 15/6X12 | ||||
| 137 | 6442100576 | 2.28 | 2.78 | |
| BULLONE CON TESTA | ||||
| 140 | 6632111175 | 2.28 | 2.78 | |
| PANNELLO DI TRUCIOLI ,BL 1X26X91.5 | ||||
| 141 | 1392205620 | 1.68 | 2.05 | |
| CENTRO DA MORSETTO | ||||
| 143 | 1380731386 | 7.22 | 8.81 | |
| BULLONE A FILO CON INSERIMENTO QUADRATO M 8X25 VER | ||||
| 145 | 6110000640 | 1.56 | 1.90 | |
| Vite di posizionamento M. Testa a croce | ||||
| 146 | 6172015687 | 1.56 | 1.90 | |
| PEZZO FINALE GUIDA. BL 2X26X35 | ||||
| 147 | 1492091649 | 5.87 | 7.16 | |
| PROFILO GUIDA 543,5 MM | ||||
| 148 | 1383731590 | 37.65 | 45.93 | |
| Porta BL 2.99x79x207 | ||||
| 150 | 1482730767 | 18.80 | 22.94 | |
| TAPPO A LAMELLE RD 25 1-3 | ||||
| 151 | 1381730715 | 1.56 | 1.90 | |
| Vite a svasatura piana | ||||
| 152 | 6172028215 | 1.56 | 1.90 | |
| Vite a svasatura piana | ||||
| 154 | 6172091014 | 1.56 | 1.90 | |
| Scala Vernier 1.00 | ||||
| 155 | 1110205607 | 18.80 | 22.94 | |
| SUPPORTO SCALA VERNIER | ||||
| 156 | 2391205615 | 2.28 | 2.78 | |
| Dado esagonale piatto | ||||
| 157 | 6205029131 | 1.56 | 1.90 | |
| Vite di regolazione | ||||
| 158 | 6161029309 | 1.56 | 1.90 | |
| BULLONE DI MONTAGGIO SW 19X42 | ||||
| 159 | 1395205400 | 48.48 | 59.15 | |
| Rondella elastica B 12 VERZ. | ||||
| 160 | 6302085941 | 1.56 | 1.90 | |
| Estensione | ||||
| 161 | 2380730793 | 10.38 | 12.66 | |
| Non più disponibile, nessuna sostituzione | ||||
| 162 | 141110270 | |||
| Vite esagonale | ||||
| 164 | 141110290 | 1.68 | 2.05 | |
| GUIDA ANGOLARE | ||||
| 166 | 2010200922 | 43.15 | 52.64 | |
| Non più disponibile, nessuna sostituzione | ||||
| 167 | 2391205470 | |||
| PERNO QUADRATO CON INSERTO QUADRATO M 10X30 COAT | ||||
| 168 | 6110091603 | 1.56 | 1.90 | |
| Non più disponibile, nessuna sostituzione | ||||
| 169 | 1485730741 | |||
| MANICO A MANOPOLA SCORREVOLE ROSSO | ||||
| 170 | 1388680470 | 37.65 | 45.93 | |
| PEZZO DI GUIDA | ||||
| 173 | 2391205283 | 7.22 | 8.81 | |
| FERMA ANGOLO | ||||
| 175 | 1010014146 | 134.27 | 163.81 | |
| Leva di serraggio con filettatura interna M 10 IG | ||||
| 176 | 7006073730 | 10.38 | 12.66 | |
| DADO A GABBIA M 8 SPESSORE DI LAMIERA 1,8-3,2 | ||||
| 177 | 6264139374 | 1.68 | 2.05 | |
| RONDELLA ELASTICA | ||||
| 178 | 7053075104 | 1.55 | 1.89 | |
| Nessuna informazione disponibile, non ordinabile | ||||
| 182 | 0910008749 | |||