Qui troverai tutte le parti e i disegni disponibili di “Metabo 00360000 ( BE650 )”. Da qui puoi ordinare direttamente tutte le parti desiderate. Molte parti devono essere ordinate dal produttore, a seconda della marca, ciò richiede da una a quattro settimane. Tutte le informazioni che abbiamo sono sul nostro sito web, non possiamo consigliarti su ciò di cui hai bisogno, per questo dovrai restituire la macchina per la riparazione. Nota quanto segue al momento dell’ordinazione:
Disegni tecnici di Metabo 00360000 ( BE650 )
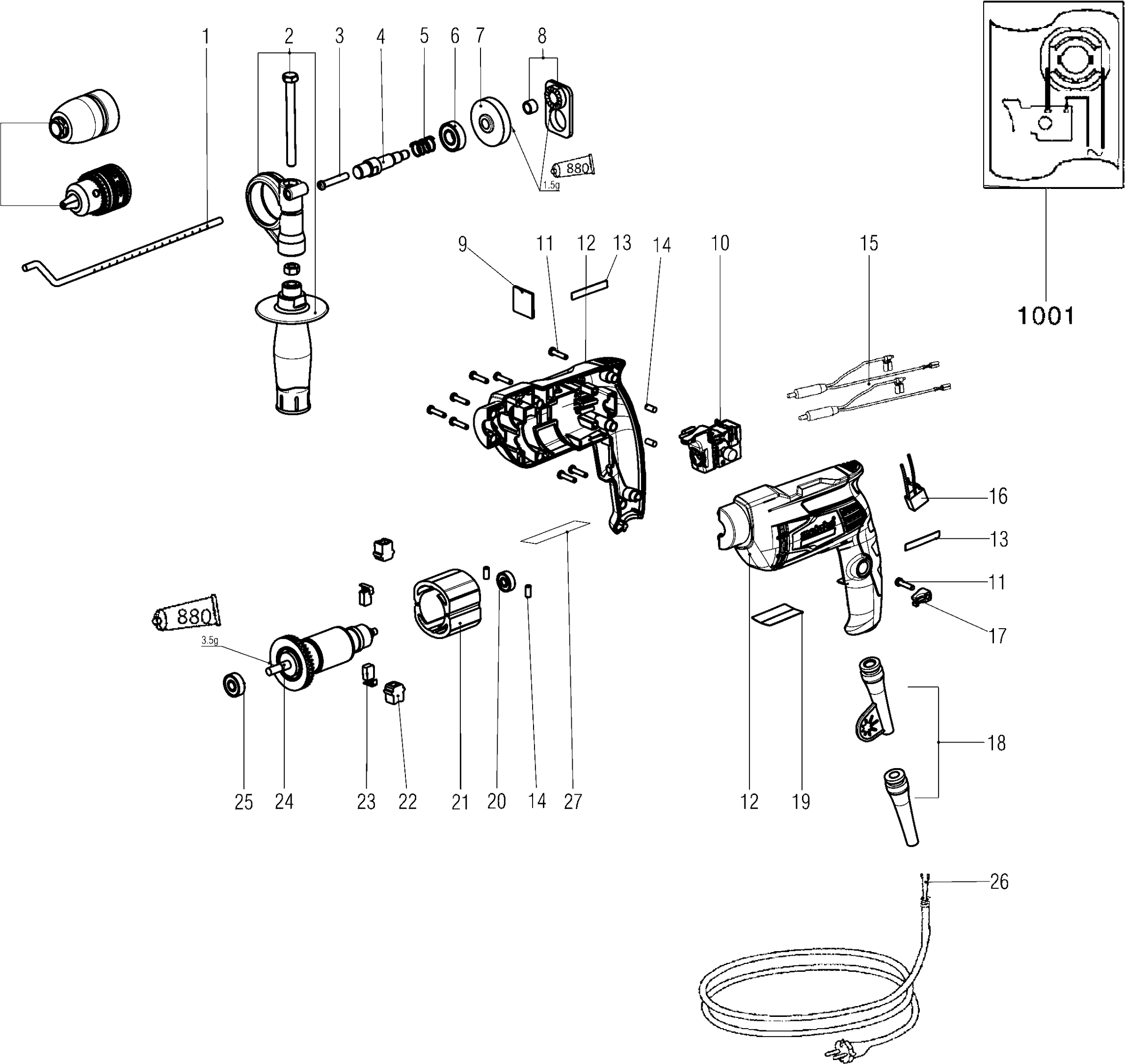
Elenco parti di Metabo 00360000 ( BE650 )
| Pos. | Descrizione | Prezzo IVA escl | Prezzo IVA incl | |
| I prezzi indicati sono comprensivi di IVA | ||||
| Fermo profondità | ||||
| 1 | 341511630 | 4.51 | 5.50 | |
| Nessuna informazione disponibile, non ordinabile | ||||
| 2 | 631052000 | |||
| VITE C M4X35 | ||||
| 3 | 341705050 | 1.56 | 1.90 | |
| Mandrino | ||||
| 4 | 340037410 | 8.89 | 10.85 | |
| Molla compressione | ||||
| 5 | 342010910 | 1.56 | 1.90 | |
| Cuscinetto a sfere 12x28x8 | ||||
| 6 | 143115640 | 2.28 | 2.78 | |
| INGRANAGGIO | ||||
| 7 | 340037400 | 10.38 | 12.66 | |
| Flangia del motore | ||||
| 8 | 316093310 | 11.74 | 14.32 | |
| Piastra di regolazione | ||||
| 9 | 339147690 | 1.56 | 1.90 | |
| Set interruttore elettronico, Defond 230V | ||||
| 10 | 343410920 | 10.38 | 12.66 | |
| VITE C M4X35 | ||||
| 11 | 141116020 | 1.68 | 2.05 | |
| Custodia con coperchio | ||||
| 12 | 343410940 | 32.27 | 39.37 | |
| Etichetta | ||||
| 13 | 338126800 | 1.56 | 1.90 | |
| Fermaglio in gomma | ||||
| 14 | 344092220 | 1.56 | 1.90 | |
| Restrittore TN19/11/10-3E25 | ||||
| 15 | 343253940 | 5.87 | 7.16 | |
| CONDENSATORE | ||||
| 16 | 343254980 | 1.68 | 2.05 | |
| MORSETTO DEL CAVO | ||||
| 17 | 343362490 | 1.68 | 2.05 | |
| Manicotto del cavo | ||||
| 18 | 344113130 | 1.56 | 1.90 | |
| Piastra di tipo HK 85 EB 230V | ||||
| 19 | 338064860 | 1.56 | 1.90 | |
| Cuscinetto a sfere 6x19x6 | ||||
| 20 | 143115660 | 2.28 | 2.78 | |
| Campo | ||||
| 21 | 311012340 | 21.64 | 26.40 | |
| Portaspazzole di Carbone | ||||
| 22 | 343003110 | 1.56 | 1.90 | |
| SPAZZOLA 12X8 M. MOLLA U-CONTATTO | ||||
| 23 | 316093320 | 10.38 | 12.66 | |
| Rotore completo, 230v | ||||
| 24 | 310011630 | 32.27 | 39.37 | |
| Cuscinetto a sfere 8x22x 7 | ||||
| 25 | 143114880 | 3.02 | 3.68 | |
| Cavo con spina 230 V | ||||
| 26 | 344498420 | 7.22 | 8.81 | |
| Nessuna informazione disponibile, non ordinabile | ||||
| 27 | 399999990 | |||
| Barattolo di grasso UNIM GL402 | ||||
| 880 | 344130650 | 11.74 | 14.32 | |
| Nessuna informazione disponibile, non ordinabile | ||||
| 1001 | 338506420 | |||