Qui troverai tutte le parti e i disegni disponibili di “Makita M3601”. Da qui puoi ordinare direttamente tutte le parti desiderate. Molte parti devono essere ordinate dal produttore, a seconda della marca, ciò richiede da una a quattro settimane. Tutte le informazioni che abbiamo sono sul nostro sito web, non possiamo consigliarti su ciò di cui hai bisogno, per questo dovrai restituire la macchina per la riparazione. Nota quanto segue al momento dell’ordinazione:
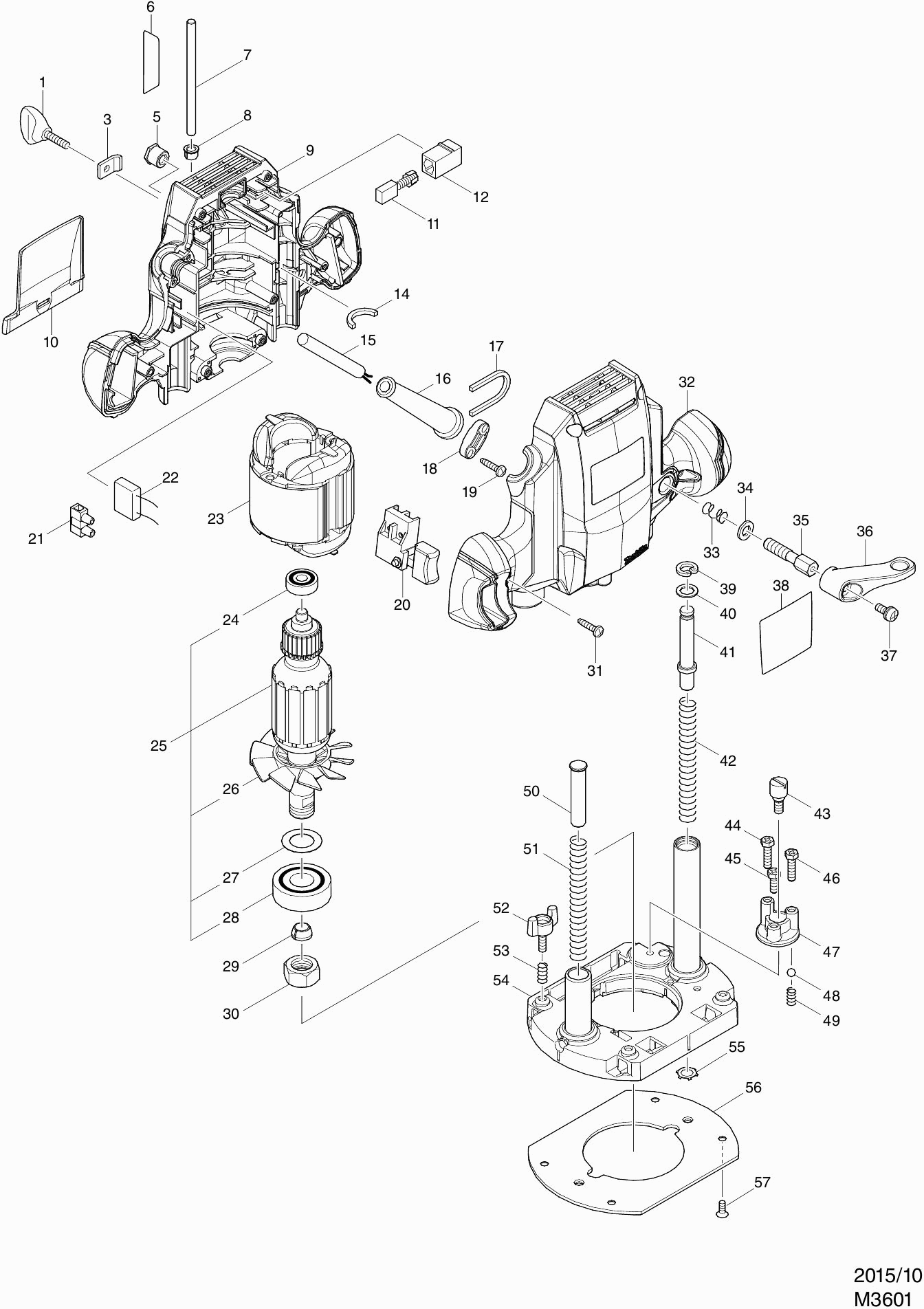
Disegni tecnici di Makita M3601
Elenco parti di Makita M3601
| Pos. | Descrizione | Prezzo IVA escl | Prezzo IVA incl | |
| I prezzi indicati sono comprensivi di IVA | ||||
| Vite di bloccaggio M5x20 | ||||
| 001 | 251878-6 | 2.40 | 2.93 | |
| Piastra di pressione ISC 240 completa | ||||
| 003 | 346007-5 | 1.00 | 1.22 | |
| Dado M/presa M8 | ||||
| 005 | 252094-3 | 3.60 | 4.39 | |
| Nessuna informazione disponibile, non ordinabile | ||||
| 006 | 893386-7 | |||
| Penna per regolare la profondità | ||||
| 007 | 321948-6 | 1.20 | 1.46 | |
| Anello di profondità | ||||
| 008 | 451035-8 | 1.00 | 1.22 | |
| Set di alloggiamento del motore M3601 | ||||
| 009 | 183E23-4 | 34.10 | 41.60 | |
| Spillo in Gomma 4 | ||||
| 009A | 263002-9 | 1.00 | 1.22 | |
| Penna di gomma 6 | ||||
| 009B | 263005-3 | 1.00 | 1.22 | |
| Dado Esagonale M5 | ||||
| 009C | 931202-6 | 1.00 | 1.22 | |
| Transp. cappuccio di protezione | ||||
| 010 | 450820-6 | 1.20 | 1.46 | |
| Set Spazzola CB-106 M3601 A | ||||
| 011 | 194976-2 | 6.00 | 7.32 | |
| Portaspazzole di Carbone | ||||
| 012 | 643601-7 | 2.40 | 2.93 | |
| FELTRO | ||||
| 014 | 443073-4 | 1.20 | 1.46 | |
| Cavo di alimentazione 2x1.00 2.2mtr | ||||
| 015 | 665383-1 | 10.80 | 13.18 | |
| Passacavo 9.3-85 | ||||
| 016 | 682516-3 | 1.20 | 1.46 | |
| FELTRO | ||||
| 017 | 443074-2 | 1.20 | 1.46 | |
| Staffa di serraggio | ||||
| 018 | 687124-5 | 1.00 | 1.22 | |
| Nessuna informazione disponibile, non ordinabile | ||||
| 019 | 266326-2 | |||
| Interruttore Fa1-6/1w1 | ||||
| 020 | 650218-9 | 4.80 | 5.86 | |
| Morsetto Bo4553-Bo4554 A | ||||
| 021 | 654475-1 | 1.00 | 1.22 | |
| Condensatore 0,22uF | ||||
| 022 | 645190-8 | 2.40 | 2.93 | |
| Assemblaggio del campo 240V Rp0900 A | ||||
| 023 | 590054-0 | 24.20 | 29.52 | |
| Unità di connessione | ||||
| 023A | 654409-4 | 1.00 | 1.22 | |
| Cuscinetto a sfere 608Zz A | ||||
| 024 | 210046-0 | 1.20 | 1.46 | |
| Indotto | ||||
| 025 | 510205-9 | 28.60 | 34.89 | |
| Ventola 72 | ||||
| 026 | 240123-4 | 8.40 | 10.25 | |
| Rondella 17 | ||||
| 027 | 267114-0 | 1.00 | 1.22 | |
| Cuscinetto a sfere 6203llu | ||||
| 028 | 211490-4 | 8.40 | 10.25 | |
| Spantang 6mm bovenfrees | ||||
| 029 | 763636-3 | 11.00 | 13.42 | |
| Spanmoer bovenfrees | ||||
| 030 | 763615-1 | 5.00 | 6.10 | |
| Nessuna informazione disponibile, non ordinabile | ||||
| 031 | 266326-2 | |||
| Set di alloggiamento del motore M3601 | ||||
| 032 | 183E23-4 | 34.10 | 41.60 | |
| Penna di gomma 6 | ||||
| 032 | 263005-3 | 1.00 | 1.22 | |
| Spillo in Gomma 4 | ||||
| 032 | 263002-9 | 1.00 | 1.22 | |
| Dado Esagonale M5 | ||||
| 032 | 931202-6 | 1.00 | 1.22 | |
| Molla di compressione 8 | ||||
| 033 | 233110-0 | 1.00 | 1.22 | |
| Rondella 8 | ||||
| 034 | 941202-8 | 1.00 | 1.22 | |
| Bullone di bloccaggio M8 | ||||
| 035 | 266920-0 | 1.20 | 1.46 | |
| Manico 47 | ||||
| 036 | 450821-4 | 1.00 | 1.22 | |
| Vite 5x12 | ||||
| 037 | 911213-7 | 1.00 | 1.22 | |
| TARGHETTA | ||||
| 038 | 852C08-6 | 3.60 | 4.39 | |
| Anello di bloccaggio R-15 | ||||
| 039 | 962065-9 | 1.00 | 1.22 | |
| Anello 10 | ||||
| 040 | 267047-9 | 1.00 | 1.22 | |
| Nessuna informazione disponibile, non ordinabile | ||||
| 041 | 451524-3 | |||
| Molla a compressione 10 | ||||
| 042 | 231416-0 | 2.40 | 2.93 | |
| Vite M6 | ||||
| 043 | 251447-3 | 2.40 | 2.93 | |
| Bullone esagonale m5x20 | ||||
| 044 | 265587-1 | 1.00 | 1.22 | |
| Bullone esagonale m5x14 | ||||
| 045 | 265586-3 | 1.00 | 1.22 | |
| Bullone esagonale m5x20 | ||||
| 046 | 265587-1 | 1.00 | 1.22 | |
| Fermo di profondità | ||||
| 047 | 135264-8 | 3.60 | 4.39 | |
| Pallina di acciaio 7.0 | ||||
| 048 | 216022-2 | 1.00 | 1.22 | |
| Molla di compressione 5 | ||||
| 049 | 231419-4 | 1.20 | 1.46 | |
| Penna 10 | ||||
| 050 | 256651-9 | 2.40 | 2.93 | |
| Molla a compressione 10 | ||||
| 051 | 231417-8 | 2.40 | 2.93 | |
| Vite a manopola M5x16 | ||||
| 052 | 265761-1 | 1.00 | 1.22 | |
| Molla di compressione 7 | ||||
| 053 | 231240-1 | 1.00 | 1.22 | |
| Base del piede Rp0900 | ||||
| 054 | 158808-7 | 19.80 | 24.16 | |
| Rondella di bloccaggio 15 | ||||
| 055 | 259019-8 | 1.20 | 1.46 | |
| Piastra di piede | ||||
| 056 | 452913-5 | 2.40 | 2.93 | |
| Vite a testa svasata 4x10 | ||||
| 057 | 912112-6 | 1.00 | 1.22 | |