Qui troverai tutte le parti e i disegni disponibili di “Makita JN3200”. Da qui puoi ordinare direttamente tutte le parti desiderate. Molte parti devono essere ordinate dal produttore, a seconda della marca, ciò richiede da una a quattro settimane. Tutte le informazioni che abbiamo sono sul nostro sito web, non possiamo consigliarti su ciò di cui hai bisogno, per questo dovrai restituire la macchina per la riparazione. Nota quanto segue al momento dell’ordinazione:
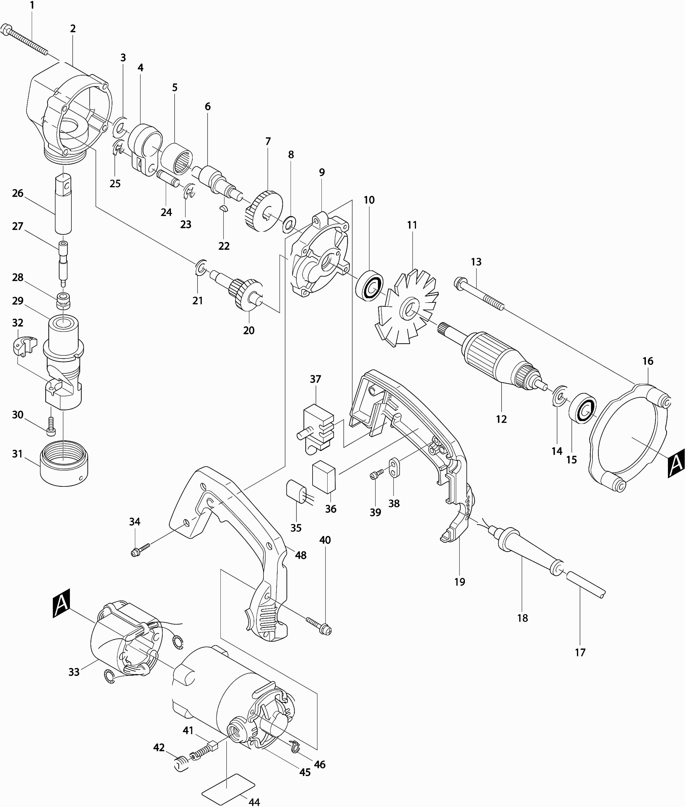
Disegni tecnici di Makita JN3200
Elenco parti di Makita JN3200
| Pos. | Descrizione | Prezzo IVA escl | Prezzo IVA incl | |
| I prezzi indicati sono comprensivi di IVA | ||||
| VITE 5X50 | ||||
| 001 | 911273-9 | 1.00 | 1.22 | |
| Custodia del ingranaggio | ||||
| 002 | 156838-2 | 92.40 | 112.73 | |
| Rondella 12 | ||||
| 003 | 253759-0 | 1.00 | 1.22 | |
| ASTA CONICA | ||||
| 004 | 331167-6 | 18.70 | 22.81 | |
| Cuscinetto a rullini 2020 | ||||
| 005 | 212306-6 | 13.20 | 16.10 | |
| Albero Motore | ||||
| 006 | 321408-8 | 42.90 | 52.34 | |
| Ingranaggio 44 | ||||
| 007 | 221880-3 | 17.60 | 21.47 | |
| Rondella 10 | ||||
| 008 | 253758-2 | 1.00 | 1.22 | |
| Piastra di supporto KA-UG | ||||
| 009 | 156833-2 | 30.80 | 37.58 | |
| Cuscinetto a sfere 608llb | ||||
| 010 | 210043-6 | 2.40 | 2.93 | |
| Ventola 70 | ||||
| 011 | 241517-6 | 12.10 | 14.76 | |
| Indotto | ||||
| 012 | 512758-4 | 59.40 | 72.47 | |
| Vite 5X60 * | ||||
| 013 | 911681-4 | 1.20 | 1.46 | |
| Anello di isolamento | ||||
| 014 | 681613-2 | 1.00 | 1.22 | |
| Cuscinetto a sfere 608llb | ||||
| 015 | 210043-6 | 2.40 | 2.93 | |
| Piastra Intermedia | ||||
| 016 | 411876-4 | 4.80 | 5.86 | |
| Passacavo 10-85 | ||||
| 017 | 682504-0 | 2.40 | 2.93 | |
| Cavo di alimentazione 2x1.00 2.2mtr | ||||
| 018 | 665383-1 | 10.80 | 13.18 | |
| Maniglia comp | ||||
| 019 | 181441-0 | 15.40 | 18.79 | |
| Ingranaggio 15-46 | ||||
| 020 | 226060-6 | 27.50 | 33.55 | |
| Rondella di arresto 8 x 14 x 0,5 mm | ||||
| 021 | 253215-0 | 1.00 | 1.22 | |
| Chiavetta elastica 4 | ||||
| 022 | 254001-2 | 1.00 | 1.22 | |
| Anello di arresto E-7 | ||||
| 023 | 961013-5 | 1.00 | 1.22 | |
| Spina 9 | ||||
| 024 | 321418-5 | 2.40 | 2.93 | |
| Anello di arresto E-7 | ||||
| 025 | 961013-5 | 1.00 | 1.22 | |
| Porta timbro | ||||
| 026 | 152486-5 | 30.80 | 37.58 | |
| Morire | ||||
| 027 | 792728-1 | 25.00 | 30.50 | |
| VITE C M4X35 | ||||
| 028 | 321406-2 | 3.60 | 4.39 | |
| Porta matrice | ||||
| 029 | 152176-0 | 169.40 | 206.67 | |
| Bullone esagonale 4x16 | ||||
| 030 | 922127-5 | 1.00 | 1.22 | |
| Dado di bloccaggio della matrice | ||||
| 031 | 321415-1 | 23.10 | 28.18 | |
| Stampo inferiore | ||||
| 032 | 792292-2 | 26.00 | 31.72 | |
| CAMPO | ||||
| 033 | 528703-9 | 35.20 | 42.94 | |
| Vite 5x40 | ||||
| 034 | 911263-2 | 1.00 | 1.22 | |
| Gomma spugna | ||||
| 036 | 685700-9 | 1.00 | 1.22 | |
| Interruttore | ||||
| 037 | 651225-5 | 10.80 | 13.18 | |
| Vite 3.5X7 | ||||
| 037A | 652008-6 | 1.00 | 1.22 | |
| Staffa di serraggio | ||||
| 038 | 687001-1 | 1.00 | 1.22 | |
| Vite 4X18 | ||||
| 039 | 911131-9 | 1.00 | 1.22 | |
| Vite 5x25 | ||||
| 040 | 911241-2 | 1.00 | 1.22 | |
| Spazzola di carbone CB100 | ||||
| 041 | 194974-6 | 3.54 | 4.32 | |
| Tappo portaspazzole | ||||
| 042 | 643600-9 | 1.20 | 1.46 | |
| Custodia del motore | ||||
| 045 | 156734-4 | 30.80 | 37.58 | |
| Bussola di serraggio per statorv. 2mm | ||||
| 049 | 654502-4 | 1.00 | 1.22 | |
| Piccola molla dello statore Cb-7 | ||||
| 050 | 654019-7 | 1.20 | 1.46 | |