Qui troverai tutte le parti e i disegni disponibili di “Makita HP1641”. Da qui puoi ordinare direttamente tutte le parti desiderate. Molte parti devono essere ordinate dal produttore, a seconda della marca, ciò richiede da una a quattro settimane. Tutte le informazioni che abbiamo sono sul nostro sito web, non possiamo consigliarti su ciò di cui hai bisogno, per questo dovrai restituire la macchina per la riparazione. Nota quanto segue al momento dell’ordinazione:
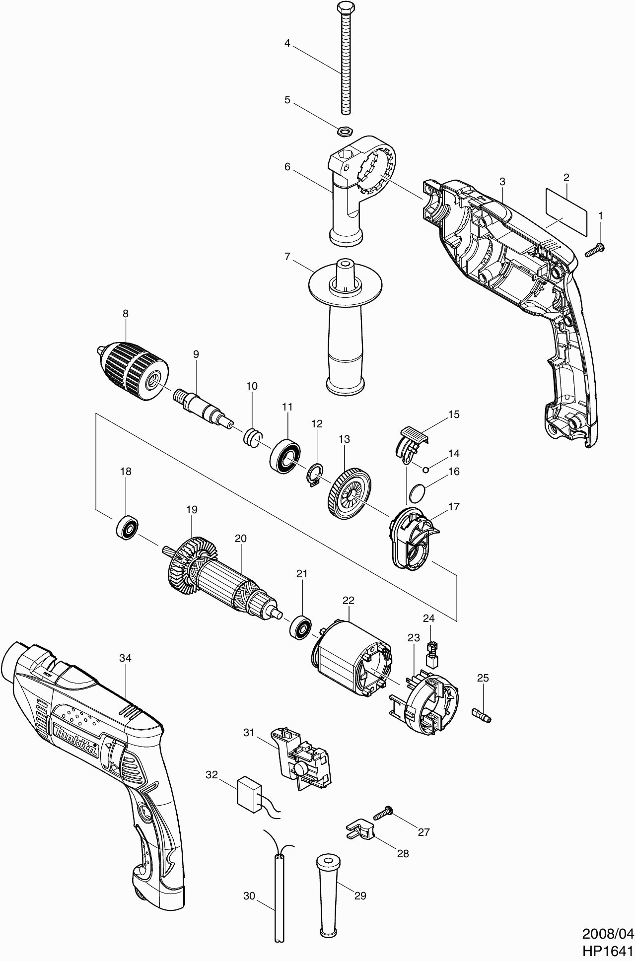
Disegni tecnici di Makita HP1641
Elenco parti di Makita HP1641
| Pos. | Descrizione | Prezzo IVA escl | Prezzo IVA incl | |
| I prezzi indicati sono comprensivi di IVA | ||||
| Vite di rubinetto 4x18 | ||||
| 001 | 265A48-7 | 1.00 | 1.22 | |
| Piastra di nome Hp1641 | ||||
| 002 | 866006-6 | 3.60 | 4.39 | |
| Nessuna informazione disponibile, non ordinabile | ||||
| 003 | 188611-2 | |||
| PIASTRA DI COPERTURA | ||||
| 003C10 | 345399-9 | 1.00 | 1.22 | |
| Bullone esagonale 8x120 | ||||
| 004 | 265583-9 | 1.20 | 1.46 | |
| RONDINA | ||||
| 005 | 345280-4 | 1.00 | 1.22 | |
| Nessuna informazione disponibile, non ordinabile | ||||
| 006 | 417630-4 | |||
| Zijhandgreep boormachine/combihamer | ||||
| 007 | 136603-5 | 4.00 | 4.88 | |
| Nessuna informazione disponibile, non ordinabile | ||||
| 008 | 192692-0 | |||
| BARRA TOMMY | ||||
| 009 | 324397-6 | 3.60 | 4.39 | |
| Molla a compressione 15 | ||||
| 010 | 233389-3 | 1.00 | 1.22 | |
| Cuscinetto a sfere 6002llb | ||||
| 011 | 211201-7 | 8.40 | 10.25 | |
| Rondella di bloccaggio S-15 | ||||
| 012 | 961055-9 | 1.00 | 1.22 | |
| Ingranaggio 45 | ||||
| 013 | 226579-5 | 4.80 | 5.86 | |
| Pallina di acciaio 5.0 | ||||
| 014 | 216018-3 | 1.00 | 1.22 | |
| Pulsante rotante ABB OHYS2AJ | ||||
| 015 | 418319-7 | 1.00 | 1.22 | |
| PIASTRA DI COPERTURA | ||||
| 016 | 345354-1 | 2.40 | 2.93 | |
| Nessuna informazione disponibile, non ordinabile | ||||
| 017 | 153831-7 | |||
| Cuscinetto a sfere 627ddw | ||||
| 018 | 210045-2 | 3.60 | 4.39 | |
| Ventilatore 55 | ||||
| 019 | 240067-8 | 2.40 | 2.93 | |
| Indotto | ||||
| 020 | 517458-1 | 29.70 | 36.23 | |
| Cuscinetto a sfere 627llb | ||||
| 021 | 210025-8 | 3.60 | 4.39 | |
| CAMPO | ||||
| 022 | 633568-7 | 15.40 | 18.79 | |
| Portaspazzole di Carbone | ||||
| 023 | 638237-5 | 10.80 | 13.18 | |
| Set Spazzola CB-419 | ||||
| 024 | 195015-1 | 4.80 | 5.86 | |
| Connessione del motore | ||||
| 025 | 686038-5 | 1.00 | 1.22 | |
| Vite di rubinetto 4x18 | ||||
| 027 | 265A48-7 | 1.00 | 1.22 | |
| Staffa di serraggio | ||||
| 028 | 687260-7 | 1.00 | 1.22 | |
| Passacavo 8-85 | ||||
| 029 | 682502-4 | 2.40 | 2.93 | |
| Cavo di alimentazione 2x1.00 2.2mtr | ||||
| 030 | 665383-1 | 10.80 | 13.18 | |
| Interruttore | ||||
| 031 | 650570-5 | 19.80 | 24.16 | |
| Condensatore 0,22uF | ||||
| 032 | 645190-8 | 2.40 | 2.93 | |
| Nessuna informazione disponibile, non ordinabile | ||||
| 034 | 188611-2 | |||
| PIASTRA DI COPERTURA | ||||
| 034C10 | 345399-9 | 1.00 | 1.22 | |