Qui troverai tutte le parti e i disegni disponibili di “Makita EUM531”. Da qui puoi ordinare direttamente tutte le parti desiderate. Molte parti devono essere ordinate dal produttore, a seconda della marca, ciò richiede da una a quattro settimane. Tutte le informazioni che abbiamo sono sul nostro sito web, non possiamo consigliarti su ciò di cui hai bisogno, per questo dovrai restituire la macchina per la riparazione. Nota quanto segue al momento dell’ordinazione:
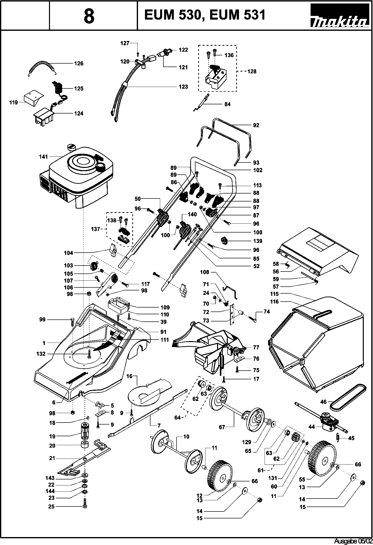
Disegni tecnici di Makita EUM531
Elenco parti di Makita EUM531
| Pos. | Descrizione | Prezzo IVA escl | Prezzo IVA incl | |
| I prezzi indicati sono comprensivi di IVA | ||||
| Nessuna informazione disponibile, non ordinabile | ||||
| 001 | 663548200 | |||
| Non più disponibile, nessuna sostituzione | ||||
| 005 | 661300049 | |||
| Non più disponibile, nessuna sostituzione | ||||
| 006 | 661300820 | |||
| Asta di trazione Eum530 * | ||||
| 007 | 661300844 | 16.50 | 20.13 | |
| Piastra di copertura Um400+460+Eum400 * | ||||
| 008 | 661300101 | 2.40 | 2.93 | |
| Nessuna informazione disponibile, non ordinabile | ||||
| 009 | 663510468 | |||
| Asse anteriore Eum530 * | ||||
| 010 | 661300819 | 45.10 | 55.02 | |
| Nessuna informazione disponibile, non ordinabile | ||||
| 011 | 661300831 | |||
| Nessuna informazione disponibile, non ordinabile | ||||
| 012 | 661300022 | |||
| Anello 6,4X17X3 VZ * | ||||
| 013 | 663701429 | 2.40 | 2.93 | |
| Cappuccio di copertura STM 1800 | ||||
| 014 | 661062561 | 13.83 | 16.87 | |
| Nessuna informazione disponibile, non ordinabile | ||||
| 015 | 663700555 | |||
| Non più disponibile, nessuna sostituzione | ||||
| 016 | 661300821 | |||
| Vite Torx 6x20 | ||||
| 017 | 908006205 | 1.20 | 1.46 | |
| Chiavetta 4X6,5 * | ||||
| 018 | 663700390 | 1.20 | 1.46 | |
| Accoppiamento della lama (Foro dell'asse 20mm) | ||||
| 019 | 663512463 | 71.56 | 87.30 | |
| Anello distanziatore 15mm (Asg;20) * | ||||
| 020 | 663548144 | 36.30 | 44.29 | |
| Lama di taglio Eum530 (Foro 20mm) * | ||||
| 021 | 663531487 | 71.50 | 87.23 | |
| Disco 50X5 (Foro assiale 20) * | ||||
| 022 | 663316913 | 6.00 | 7.32 | |
| Non più disponibile, nessuna sostituzione | ||||
| 023 | 663700202 | |||
| Rondella A 10,5 VZ 125 * | ||||
| 024 | 663700139 | 1.20 | 1.46 | |
| Vite 3/8-24Unf (Foro 20) * | ||||
| 025 | 663329907 | 8.40 | 10.25 | |
| Nessuna informazione disponibile, non ordinabile | ||||
| 039 | 661112171 | |||
| Trasmissione L53 Conc * | ||||
| 044 | 663117946 | 898.70 | 1096.41 | |
| Molla * | ||||
| 045 | 663548256 | 14.30 | 17.45 | |
| Cinghia V L=849Mm * | ||||
| 046 | 663548170 | 27.50 | 33.55 | |
| Nessuna informazione disponibile, non ordinabile | ||||
| 047 | 663518925 | |||
| Non più disponibile, nessuna sostituzione | ||||
| 052 | 663512607 | |||
| Nessuna informazione disponibile, non ordinabile | ||||
| 055 | 661300023 | |||
| Nessuna informazione disponibile, non ordinabile | ||||
| 056 | 661524725 | |||
| Molla Sinistra | ||||
| 057 | 661301721 | 4.80 | 5.86 | |
| Molla Destra Eum530 * | ||||
| 058 | 661301720 | 4.80 | 5.86 | |
| Perno Eum530 * | ||||
| 059 | 661300853 | 8.40 | 10.25 | |
| Nessuna informazione disponibile, non ordinabile | ||||
| 060 | 663700489 | |||
| Set di trasmissione completo Sinistra * | ||||
| 061 | 663526745 | 52.80 | 64.42 | |
| Pignone di trasmissione Um460+Eum461 * | ||||
| 062 | 661300005 | 36.30 | 44.29 | |
| Spina Con 6X24Mm Din7 * | ||||
| 063 | 663704217 | 1.20 | 1.46 | |
| Set di trasmissione completo Destra * | ||||
| 064 | 663526746 | 52.80 | 64.42 | |
| Nessuna informazione disponibile, non ordinabile | ||||
| 065 | 661300011 | |||
| Non più disponibile, nessuna sostituzione | ||||
| 066 | 663510923 | |||
| Asse posteriore L53 Eum530/531 * | ||||
| 067 | 66354613030 | 52.80 | 64.42 | |
| Nessuna informazione disponibile, non ordinabile | ||||
| 070 | 663700122 | |||
| Molla di ritorno Um460+Eum460 * | ||||
| 071 | 661300095 | 3.60 | 4.39 | |
| Leva Um460+Eum460+461+530 * | ||||
| 072 | 661300048 | 26.40 | 32.21 | |
| Nessuna informazione disponibile, non ordinabile | ||||
| 073 | 661300848 | |||
| Nessuna informazione disponibile, non ordinabile | ||||
| 074 | 663703565 | |||
| Nessuna informazione disponibile, non ordinabile | ||||
| 075 | 663543554 | |||
| Nessuna informazione disponibile, non ordinabile | ||||
| 076 | 661300623 | |||
| Parte posteriore * | ||||
| 077 | 663548202 | 247.50 | 301.95 | |
| Nessuna informazione disponibile, non ordinabile | ||||
| 082 | 663500073 | |||
| Cavo di velocità Vario * | ||||
| 083 | 663548187 | 28.60 | 34.89 | |
| Cavo del gas * | ||||
| 084 | 663333935 | 11.00 | 13.42 | |
| Cavo frizione Eum530/531 * | ||||
| 085 | 663548257 | 48.40 | 59.05 | |
| Nessuna informazione disponibile, non ordinabile | ||||
| 086 | 663512721 | |||
| Nessuna informazione disponibile, non ordinabile | ||||
| 087 | 663512722 | |||
| Staffa di Prelevamento Sinistra * | ||||
| 088 | 663512576 | 3.60 | 4.39 | |
| Staffa di ricezione R * | ||||
| 089 | 663512723 | 1.20 | 1.46 | |
| Nessuna informazione disponibile, non ordinabile | ||||
| 091 | 663543556 | |||
| Leva dell'uomo morto * | ||||
| 092 | 663548210 | 14.30 | 17.45 | |
| Leva dell'uomo morto * | ||||
| 093 | 663548208 | 46.20 | 56.36 | |
| Nessuna informazione disponibile, non ordinabile | ||||
| 096 | 663703697 | |||
| Rondella A 6,4 VZ 9021 * | ||||
| 097 | 663700148 | 1.00 | 1.22 | |
| Nessuna informazione disponibile, non ordinabile | ||||
| 098 | 663500073 | |||
| Nessuna informazione disponibile, non ordinabile | ||||
| 099 | 663375953 | |||
| Nessuna informazione disponibile, non ordinabile | ||||
| 100 | 0164060000 | |||
| Nessuna informazione disponibile, non ordinabile | ||||
| 101 | 663703703 | |||
| Asta di spinta superiore * | ||||
| 102 | 663548174 | 88.00 | 107.36 | |
| Elemento griglia Eum530 * | ||||
| 103 | 661300806 | 26.40 | 32.21 | |
| Dado ad alette M8 | ||||
| 104 | 663544675 | 3.79 | 4.62 | |
| Non più disponibile, nessuna sostituzione | ||||
| 105 | 661300904 | |||
| Prendere Eum530 * | ||||
| 106 | 661300805 | 63.80 | 77.84 | |
| Nessuna informazione disponibile, non ordinabile | ||||
| 107 | 663704142 | |||
| Non più disponibile, nessuna sostituzione | ||||
| 108 | 661300838 | |||
| Nessuna informazione disponibile, non ordinabile | ||||
| 109 | 661300020 | |||
| Nessuna informazione disponibile, non ordinabile | ||||
| 110 | 661300019 | |||
| Nessuna informazione disponibile, non ordinabile | ||||
| 111 | 661300017 | |||
| Nessuna informazione disponibile, non ordinabile | ||||
| 113 | 663703704 | |||
| Non più disponibile, nessuna sostituzione | ||||
| 115 | 661301216 | |||
| Nessuna informazione disponibile, non ordinabile | ||||
| 116 | 661301092 | |||
| Nessuna informazione disponibile, non ordinabile | ||||
| 117 | 663701322 | |||
| Nessuna informazione disponibile, non ordinabile | ||||
| 120 | 663329947 | |||
| Blocco d'accensione * | ||||
| 121 | 663332418 | 56.10 | 68.44 | |
| Chiave di accensione * | ||||
| 122 | 663343198 | 14.30 | 17.45 | |
| Fascio di Cavi * | ||||
| 123 | 663524820 | 88.00 | 107.36 | |
| Batteria 12V Rm 6-Cella * | ||||
| 124 | 663342868 | 69.30 | 84.55 | |
| Caricabatterie 12V Eum531 * | ||||
| 125 | 663332867 | 72.58 | 88.55 | |
| Nessuna informazione disponibile, non ordinabile | ||||
| 126 | 661300625 | |||
| Nessuna informazione disponibile, non ordinabile | ||||
| 127 | 663510281 | |||
| Controllo motore * | ||||
| 128 | 663548300 | 48.40 | 59.05 | |
| Boccola del cuscinetto * | ||||
| 129 | 663548229 | 39.60 | 48.31 | |
| Boccola di riduzione * | ||||
| 130 | 663525062 | 3.60 | 4.39 | |
| Nessuna informazione disponibile, non ordinabile | ||||
| 131 | 663702387 | |||
| Nessuna informazione disponibile, non ordinabile | ||||
| 132 | 663700303 | |||
| Nessuna informazione disponibile, non ordinabile | ||||
| 133 | 663700128 | |||
| Nessuna informazione disponibile, non ordinabile | ||||
| 134 | 663700108 | |||
| Nessuna informazione disponibile, non ordinabile | ||||
| 136 | 663543556 | |||
| Non più disponibile, nessuna sostituzione | ||||
| 137 | 663548217 | |||
| Nessuna informazione disponibile, non ordinabile | ||||
| 138 | 663373264 | |||
| Morsetto D=22 9005 * | ||||
| 139 | 663505322 | 2.40 | 2.93 | |
| Nessuna informazione disponibile, non ordinabile | ||||
| 140 | 663548314 | |||
| Anello di sicurezza (Foro dell'albero 20) * | ||||
| 143 | 663300161 | 13.20 | 16.10 | |
| Rondella elastica (foro albero 20) * | ||||
| 144 | 663700656 | 4.80 | 5.86 | |