Qui troverai tutte le parti e i disegni disponibili di “Makita EUM461”. Da qui puoi ordinare direttamente tutte le parti desiderate. Molte parti devono essere ordinate dal produttore, a seconda della marca, ciò richiede da una a quattro settimane. Tutte le informazioni che abbiamo sono sul nostro sito web, non possiamo consigliarti su ciò di cui hai bisogno, per questo dovrai restituire la macchina per la riparazione. Nota quanto segue al momento dell’ordinazione:
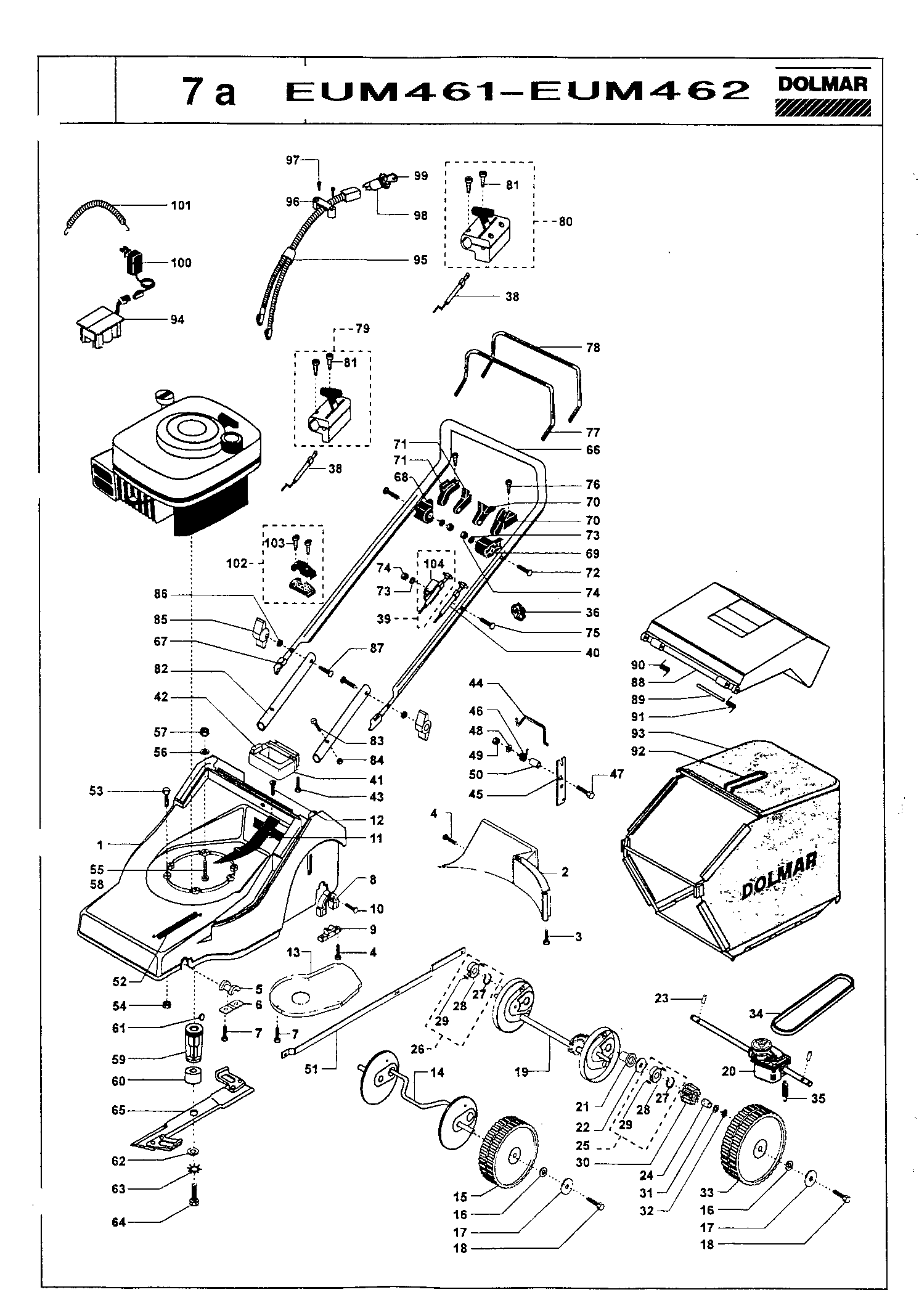
Disegni tecnici di Makita EUM461
Elenco parti di Makita EUM461
| Pos. | Descrizione | Prezzo IVA escl | Prezzo IVA incl | |
| I prezzi indicati sono comprensivi di IVA | ||||
| Nessuna informazione disponibile, non ordinabile | ||||
| 001 | 663548199 | |||
| Piastra di spinta Um/Eum460/61 * | ||||
| 002 | 661300006 | 51.70 | 63.07 | |
| Vite Torx 6x20 | ||||
| 003 | 908006205 | 1.20 | 1.46 | |
| Nessuna informazione disponibile, non ordinabile | ||||
| 004 | 663543551 | |||
| Non più disponibile, nessuna sostituzione | ||||
| 005 | 661300049 | |||
| Piastra di copertura Um400+460+Eum400 * | ||||
| 006 | 661300101 | 2.40 | 2.93 | |
| Nessuna informazione disponibile, non ordinabile | ||||
| 007 | 663510468 | |||
| Supporto dell'asse (Sopra) Um/Eum460 * | ||||
| 008 | 661300050 | 7.20 | 8.78 | |
| Supporto dell'asse (Sotto) Um/Eum460 * | ||||
| 009 | 661300051 | 4.80 | 5.86 | |
| Nessuna informazione disponibile, non ordinabile | ||||
| 010 | 663337916 | |||
| Nessuna informazione disponibile, non ordinabile | ||||
| 011 | 661300017 | |||
| Nessuna informazione disponibile, non ordinabile | ||||
| 012 | 663343696 | |||
| Non più disponibile, nessuna sostituzione | ||||
| 013 | 661290288 | |||
| Nessuna informazione disponibile, non ordinabile | ||||
| 014 | 661300015 | |||
| Nessuna informazione disponibile, non ordinabile | ||||
| 015 | 661300022 | |||
| Anello 6,4X17X3 VZ * | ||||
| 016 | 663701429 | 2.40 | 2.93 | |
| Cappuccio di copertura STM 1800 | ||||
| 017 | 661062561 | 13.83 | 16.87 | |
| Nessuna informazione disponibile, non ordinabile | ||||
| 018 | 663703384 | |||
| Nessuna informazione disponibile, non ordinabile | ||||
| 019 | 663548110 | |||
| Nessuna informazione disponibile, non ordinabile | ||||
| 020 | 663548121 | |||
| Bussola di cuscinetto Hi 40-46Br * | ||||
| 021 | 663548129 | 28.60 | 34.89 | |
| Nessuna informazione disponibile, non ordinabile | ||||
| 022 | 661300011 | |||
| Nessuna informazione disponibile, non ordinabile | ||||
| 023 | 663703716 | |||
| Boccola di riduzione * | ||||
| 024 | 663525062 | 3.60 | 4.39 | |
| Direzione di Palin * | ||||
| 025 | 663548188 | 13.20 | 16.10 | |
| Nessuna informazione disponibile, non ordinabile | ||||
| 026 | 663524823 | |||
| Non più disponibile, nessuna sostituzione | ||||
| 027 | 661300004 | |||
| Non più disponibile, nessuna sostituzione | ||||
| 028 | 661300003 | |||
| Nessuna informazione disponibile, non ordinabile | ||||
| 029 | 661300002 | |||
| Pignone di trasmissione Um460+Eum461 * | ||||
| 030 | 661300005 | 36.30 | 44.29 | |
| Nessuna informazione disponibile, non ordinabile | ||||
| 031 | 663702387 | |||
| Nessuna informazione disponibile, non ordinabile | ||||
| 032 | 663700489 | |||
| Nessuna informazione disponibile, non ordinabile | ||||
| 033 | 661300023 | |||
| Cinghia a V L=837mm * | ||||
| 034 | 663548166 | 28.60 | 34.89 | |
| Non più disponibile, nessuna sostituzione | ||||
| 035 | 663525199 | |||
| Morsetto D=22 9005 * | ||||
| 036 | 663505322 | 2.40 | 2.93 | |
| Cavo del gas * | ||||
| 038 | 663333935 | 11.00 | 13.42 | |
| Non più disponibile, nessuna sostituzione | ||||
| 039 | 663512607 | |||
| Cavo della frizione Eum461 * | ||||
| 040 | 663512790 | 34.10 | 41.60 | |
| Nessuna informazione disponibile, non ordinabile | ||||
| 041 | 661300019 | |||
| Nessuna informazione disponibile, non ordinabile | ||||
| 042 | 661300020 | |||
| Nessuna informazione disponibile, non ordinabile | ||||
| 043 | 661112171 | |||
| Asta Um460+Eum460+461 * | ||||
| 044 | 661300007 | 14.30 | 17.45 | |
| Leva Um460+Eum460+461+530 * | ||||
| 045 | 661300048 | 26.40 | 32.21 | |
| Molla di ritorno Um460+Eum460 * | ||||
| 046 | 661300095 | 3.60 | 4.39 | |
| Nessuna informazione disponibile, non ordinabile | ||||
| 047 | 663702812 | |||
| Rondella A 10,5 VZ 125 * | ||||
| 048 | 663700139 | 1.20 | 1.46 | |
| Nessuna informazione disponibile, non ordinabile | ||||
| 049 | 663700122 | |||
| Nessuna informazione disponibile, non ordinabile | ||||
| 050 | 661300010 | |||
| Asta di trazione Um460+Eum460+461 * | ||||
| 051 | 661300016 | 46.20 | 56.36 | |
| Non più disponibile, nessuna sostituzione | ||||
| 052 | 661300820 | |||
| Nessuna informazione disponibile, non ordinabile | ||||
| 053 | 663375953 | |||
| Nessuna informazione disponibile, non ordinabile | ||||
| 054 | 663500073 | |||
| Nessuna informazione disponibile, non ordinabile | ||||
| 055 | 663700303 | |||
| Nessuna informazione disponibile, non ordinabile | ||||
| 056 | 663700128 | |||
| Nessuna informazione disponibile, non ordinabile | ||||
| 057 | 663700108 | |||
| Accoppiamento della lama (Foro dell'asse 20mm) | ||||
| 059 | 663512463 | 71.56 | 87.30 | |
| Anello distanziatore Mh 08 * | ||||
| 060 | 663548128 | 34.10 | 41.60 | |
| Chiavetta 4X6,5 * | ||||
| 061 | 663700390 | 1.20 | 1.46 | |
| Disco 50X5 (Foro assiale 20) * | ||||
| 062 | 663316913 | 6.00 | 7.32 | |
| Non più disponibile, nessuna sostituzione | ||||
| 063 | 663700202 | |||
| Nessuna informazione disponibile, non ordinabile | ||||
| 064 | 663512512 | |||
| Lama 46cm (foro dell'asse 20mm) | ||||
| 065 | 663513619 | 71.50 | 87.23 | |
| Asta di spinta superiore * | ||||
| 066 | 663548173 | 69.30 | 84.55 | |
| Cappuccio di protezione * | ||||
| 067 | 663543411 | 4.80 | 5.86 | |
| Nessuna informazione disponibile, non ordinabile | ||||
| 068 | 663512721 | |||
| Nessuna informazione disponibile, non ordinabile | ||||
| 069 | 663512722 | |||
| Staffa di Prelevamento Sinistra * | ||||
| 070 | 663512576 | 3.60 | 4.39 | |
| Staffa di ricezione R * | ||||
| 071 | 663512723 | 1.20 | 1.46 | |
| Nessuna informazione disponibile, non ordinabile | ||||
| 072 | 663703697 | |||
| Nessuna informazione disponibile, non ordinabile | ||||
| 073 | 663703005 | |||
| Nessuna informazione disponibile, non ordinabile | ||||
| 074 | 663702849 | |||
| Nessuna informazione disponibile, non ordinabile | ||||
| 075 | 663703703 | |||
| Nessuna informazione disponibile, non ordinabile | ||||
| 076 | 663703704 | |||
| Leva dell'uomo morto * | ||||
| 077 | 663548208 | 46.20 | 56.36 | |
| Leva dell'uomo morto * | ||||
| 078 | 663548210 | 14.30 | 17.45 | |
| Nessuna informazione disponibile, non ordinabile | ||||
| 079 | 663548299 | |||
| Controllo motore * | ||||
| 080 | 663548300 | 48.40 | 59.05 | |
| Nessuna informazione disponibile, non ordinabile | ||||
| 081 | 663543556 | |||
| Manico di spinta inferiore 360mm Eum460 * | ||||
| 082 | 663548169 | 34.10 | 41.60 | |
| Nessuna informazione disponibile, non ordinabile | ||||
| 083 | 663703978 | |||
| Nessuna informazione disponibile, non ordinabile | ||||
| 084 | 663500073 | |||
| Nessuna informazione disponibile, non ordinabile | ||||
| 085 | 663544757 | |||
| Rondella A 6,4 VZ 9021 * | ||||
| 086 | 663700148 | 1.00 | 1.22 | |
| Nessuna informazione disponibile, non ordinabile | ||||
| 087 | 663702854 | |||
| Nessuna informazione disponibile, non ordinabile | ||||
| 088 | 661301108 | |||
| Perno Um460+Eum460+461 * | ||||
| 089 | 661301126 | 8.40 | 10.25 | |
| Nessuna informazione disponibile, non ordinabile | ||||
| 090 | 661301722 | |||
| Nessuna informazione disponibile, non ordinabile | ||||
| 091 | 661301731 | |||
| Nessuna informazione disponibile, non ordinabile | ||||
| 092 | 661301092 | |||
| Non più disponibile, nessuna sostituzione | ||||
| 093 | 661301216 | |||
| Batteria 12V Rm 6-Cella * | ||||
| 094 | 663342868 | 69.30 | 84.55 | |
| Fascio di Cavi * | ||||
| 095 | 663524820 | 88.00 | 107.36 | |
| Nessuna informazione disponibile, non ordinabile | ||||
| 096 | 663329947 | |||
| Nessuna informazione disponibile, non ordinabile | ||||
| 097 | 663510281 | |||
| Blocco d'accensione * | ||||
| 098 | 663332418 | 56.10 | 68.44 | |
| Chiave di accensione * | ||||
| 099 | 663343198 | 14.30 | 17.45 | |
| Caricabatterie 12V Eum531 * | ||||
| 100 | 663332867 | 72.58 | 88.55 | |
| Nessuna informazione disponibile, non ordinabile | ||||
| 101 | 661300625 | |||
| Non più disponibile, nessuna sostituzione | ||||
| 102 | 663548217 | |||
| Nessuna informazione disponibile, non ordinabile | ||||
| 103 | 663373264 | |||
| Nessuna informazione disponibile, non ordinabile | ||||
| 104 | 663518925 | |||