Qui troverai tutte le parti e i disegni disponibili di “Makita DTW450”. Da qui puoi ordinare direttamente tutte le parti desiderate. Molte parti devono essere ordinate dal produttore, a seconda della marca, ciò richiede da una a quattro settimane. Tutte le informazioni che abbiamo sono sul nostro sito web, non possiamo consigliarti su ciò di cui hai bisogno, per questo dovrai restituire la macchina per la riparazione. Nota quanto segue al momento dell’ordinazione:
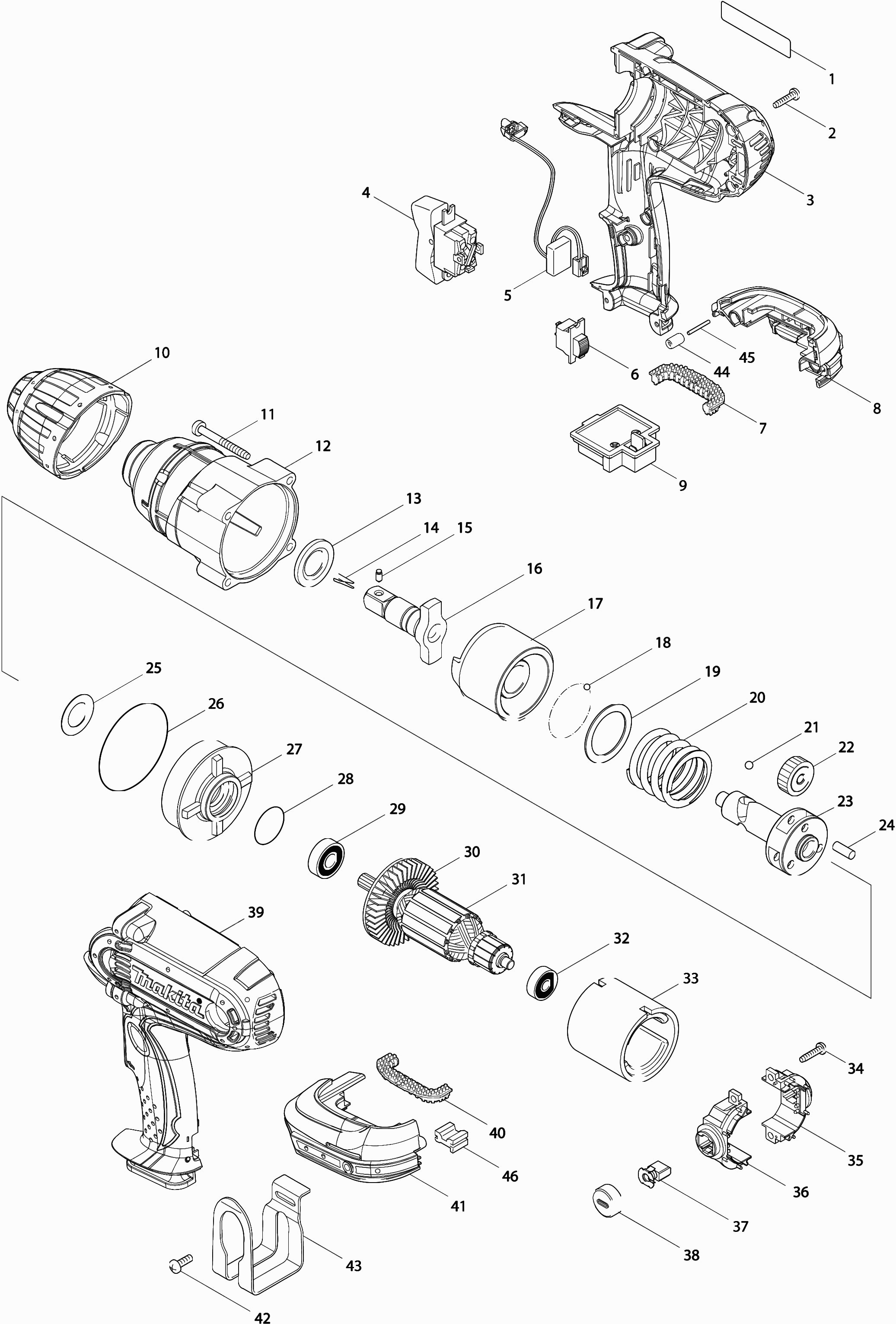
Disegni tecnici di Makita DTW450
Elenco parti di Makita DTW450
| Pos. | Descrizione | Prezzo IVA escl | Prezzo IVA incl | |
| I prezzi indicati sono comprensivi di IVA | ||||
| TARGHETTA | ||||
| 001 | 862955-5 | 3.60 | 4.39 | |
| Vite di rubinetto 4x18 | ||||
| 002 | 265A48-7 | 1.00 | 1.22 | |
| Set Carter del Motore | ||||
| 003 | 188434-8 | 59.40 | 72.47 | |
| Spillo in Gomma 4 | ||||
| 003A | 263025-7 | 1.00 | 1.22 | |
| Interruttore | ||||
| 004 | 651572-4 | 23.10 | 28.18 | |
| Vite 3.5x5 | ||||
| 004A | 652045-0 | 1.00 | 1.22 | |
| Circuito di luce | ||||
| 005 | 631738-2 | 13.20 | 16.10 | |
| Unità di commutazione | ||||
| 006 | 638503-0 | 13.20 | 16.10 | |
| Gomma da vibrazione | ||||
| 007 | 424042-4 | 2.40 | 2.93 | |
| Set Carter del Motore | ||||
| 008 | 188434-8 | 59.40 | 72.47 | |
| Custodia della batteria (2 contatti) | ||||
| 008 | 187873-9 | 16.50 | 20.13 | |
| Penna di gomma 6 | ||||
| 008A | 263005-3 | 1.00 | 1.22 | |
| Unità di Connessione (2 contatti) | ||||
| 009 | 643844-1 | 3.60 | 4.39 | |
| Gomma di protezione | ||||
| 010 | 421971-2 | 4.80 | 5.86 | |
| Vite in metallo M5x45mm | ||||
| 011 | 266037-9 | 1.00 | 1.22 | |
| Custodia del martello | ||||
| 012 | 158076-2 | 26.40 | 32.21 | |
| Anello di tenuta 18 | ||||
| 012A | 213257-6 | 4.80 | 5.86 | |
| Bus 18 | ||||
| 012B | 321119-5 | 12.10 | 14.76 | |
| Rondella piana 19 | ||||
| 013 | 267268-3 | 1.20 | 1.46 | |
| Anello di bloccaggio 10 | ||||
| 014 | 231907-1 | 1.00 | 1.22 | |
| Incudine | ||||
| 016 | 326983-9 | 39.60 | 48.31 | |
| Anello di bloccaggio 10 | ||||
| 016A | 231907-1 | 1.00 | 1.22 | |
| Martello | ||||
| 017 | 324697-4 | 28.60 | 34.89 | |
| Palla di acciaio 4 | ||||
| 018 | 216008-6 | 1.00 | 1.22 | |
| Rondella 32 | ||||
| 019 | 267340-1 | 1.20 | 1.46 | |
| Nessuna informazione disponibile, non ordinabile | ||||
| 020 | 233477-6 | |||
| Palla di acciaio 6.4 | ||||
| 021 | 216007-8 | 1.00 | 1.22 | |
| Ingranaggio 23 | ||||
| 022 | 227171-0 | 2.40 | 2.93 | |
| BARRA TOMMY | ||||
| 023 | 310185-7 | 41.80 | 51.00 | |
| Perno 6 | ||||
| 024 | 256033-5 | 1.20 | 1.46 | |
| Rondella 18 | ||||
| 025 | 253794-8 | 1.00 | 1.22 | |
| Anello O 63 | ||||
| 026 | 213722-5 | 1.20 | 1.46 | |
| Ingranaggio 53 | ||||
| 027 | 227172-8 | 23.10 | 28.18 | |
| Anello-O 26 | ||||
| 028 | 213407-3 | 1.20 | 1.46 | |
| Cuscinetto a sfere 6000ddw | ||||
| 029 | 211289-7 | 13.20 | 16.10 | |
| Ventola 60 | ||||
| 030 | 241850-6 | 8.40 | 10.25 | |
| Indotto | ||||
| 031 | 519199-5 | 52.80 | 64.42 | |
| Cuscinetto a sfere 627llb | ||||
| 032 | 210025-8 | 3.60 | 4.39 | |
| Porta magnete | ||||
| 033 | 638107-8 | 26.40 | 32.21 | |
| Vite di rubinetto 4x18 | ||||
| 034 | 265A48-7 | 1.00 | 1.22 | |
| Nessuna informazione disponibile, non ordinabile | ||||
| 035 | 643818-2 | |||
| Portaspazzole L+r | ||||
| 035A | 638870-3 | 16.50 | 20.13 | |
| Filtro di linea | ||||
| 035B | 688161-2 | 1.00 | 1.22 | |
| Unità di connessione | ||||
| 035C | 654409-4 | 1.00 | 1.22 | |
| Nessuna informazione disponibile, non ordinabile | ||||
| 036 | 643823-9 | |||
| KOOLBORSTEL SET CB-441 A | ||||
| 037 | 195022-4 | 4.80 | 5.86 | |
| Tappo portaspazzole | ||||
| 038 | 643941-3 | 2.40 | 2.93 | |
| Set Carter del Motore | ||||
| 039 | 188434-8 | 59.40 | 72.47 | |
| Spillo in Gomma 4 | ||||
| 039A | 263025-7 | 1.00 | 1.22 | |
| Gomma da vibrazione | ||||
| 040 | 424042-4 | 2.40 | 2.93 | |
| Nessuna informazione disponibile, non ordinabile | ||||
| 041 | 188453-4 | |||
| Penna di gomma 6 | ||||
| 041A | 263005-3 | 1.00 | 1.22 | |
| Vite,M4x12 | ||||
| 042 | 251314-2 | 1.00 | 1.22 | |
| Gancio da trasporto | ||||
| 043 | 345736-7 | 2.00 | 2.44 | |
| Penna di gomma 5 | ||||
| 044 | 263036-2 | 1.20 | 1.46 | |
| Perno 1,5 | ||||
| 045 | 268184-2 | 1.00 | 1.22 | |
| Feltro dell'ammortizzatore | ||||
| 046 | 424476-1 | 1.00 | 1.22 | |