Qui troverai tutte le parti e i disegni disponibili di “Makita DJR186”. Da qui puoi ordinare direttamente tutte le parti desiderate. Molte parti devono essere ordinate dal produttore, a seconda della marca, ciò richiede da una a quattro settimane. Tutte le informazioni che abbiamo sono sul nostro sito web, non possiamo consigliarti su ciò di cui hai bisogno, per questo dovrai restituire la macchina per la riparazione. Nota quanto segue al momento dell’ordinazione:
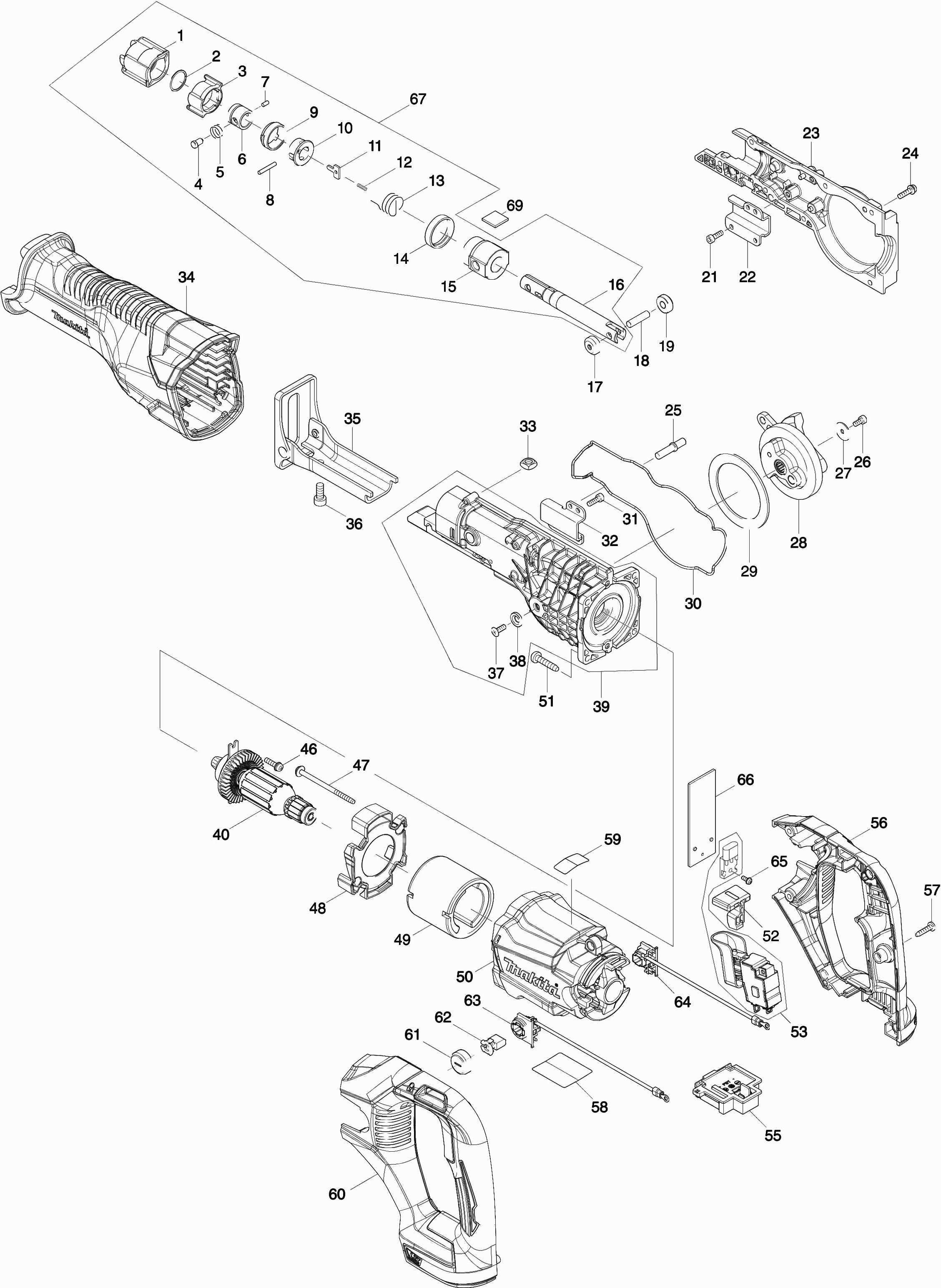
Disegni tecnici di Makita DJR186
Elenco parti di Makita DJR186
| Pos. | Descrizione | Prezzo IVA escl | Prezzo IVA incl | |
| I prezzi indicati sono comprensivi di IVA | ||||
| CAPPUCCIO PROTETTIVO | ||||
| 001 | 424763-8 | 1.00 | 1.22 | |
| Anello di bloccaggio 18A | ||||
| 002 | 257430-8 | 1.00 | 1.22 | |
| Bussola di controllo | ||||
| 003 | 310662-9 | 8.40 | 10.25 | |
| Spina a collare 5 | ||||
| 004 | 256569-4 | 1.20 | 1.46 | |
| Molla a Compressione 6 | ||||
| 005 | 233345-3 | 1.00 | 1.22 | |
| Molla a Compressione 6 | ||||
| 005A | 233345-3 | 1.00 | 1.22 | |
| Molla a Compressione 6 | ||||
| 005B | 233345-3 | 1.00 | 1.22 | |
| Boccola di guida Bjr181 A | ||||
| 006 | 327043-0 | 1.20 | 1.46 | |
| Spinotto 3 | ||||
| 007 | 268094-3 | 2.40 | 2.93 | |
| Penna 3 | ||||
| 008 | 256158-5 | 1.20 | 1.46 | |
| Guida manicotto di sterzo | ||||
| 009 | 417791-0 | 2.40 | 2.93 | |
| MANICOTTO ESATRICO | ||||
| 010 | 418311-3 | 1.20 | 1.46 | |
| Piastra di pressione ISC 240 completa | ||||
| 011 | 345214-7 | 1.20 | 1.46 | |
| Molla di pressione 2 | ||||
| 012 | 233025-1 | 1.00 | 1.22 | |
| Molla di torsione 17 | ||||
| 013 | 231687-9 | 1.00 | 1.22 | |
| Anello di gomma | ||||
| 014 | 424762-0 | 1.00 | 1.22 | |
| Assemblea di sega Compl | ||||
| 015 | 127397-3 | 28.60 | 34.89 | |
| Anello di tenuta 14 | ||||
| 015A | 213151-2 | 3.60 | 4.39 | |
| Anello X 14 | ||||
| 015B | 213174-0 | 3.60 | 4.39 | |
| Nessuna informazione disponibile, non ordinabile | ||||
| 016 | 161376-1 | |||
| Ruota di supporto | ||||
| 017 | 310663-7 | 1.00 | 1.22 | |
| Perno 6 | ||||
| 018 | 268341-2 | 1.00 | 1.22 | |
| Ruota di supporto | ||||
| 019 | 310663-7 | 1.00 | 1.22 | |
| Vite a brugola 4x12 | ||||
| 021 | 265353-6 | 1.20 | 1.46 | |
| ASTA | ||||
| 022 | 346936-2 | 1.20 | 1.46 | |
| Custodia del ingranaggio | ||||
| 023 | 143381-0 | 13.20 | 16.10 | |
| Vite 4x16 A | ||||
| 024 | 911526-6 | 1.00 | 1.22 | |
| Spina del collo 6-8 | ||||
| 025 | 256567-8 | 1.00 | 1.22 | |
| Vite a brugola M4X8 A | ||||
| 026 | 265911-8 | 1.00 | 1.22 | |
| Rondella 4 | ||||
| 027 | 267491-0 | 1.00 | 1.22 | |
| Ingranaggio Completo | ||||
| 028 | 143377-1 | 21.08 | 25.72 | |
| Rondella 54 | ||||
| 029 | 267490-2 | 2.40 | 2.93 | |
| Anello di tenuta | ||||
| 030 | 424764-6 | 1.20 | 1.46 | |
| Vite a brugola 4x12 | ||||
| 031 | 265353-6 | 1.20 | 1.46 | |
| ASTA | ||||
| 032 | 346935-4 | 1.20 | 1.46 | |
| Dado esagonale M6 | ||||
| 033 | 252159-1 | 2.40 | 2.93 | |
| Manicotto di Protezione | ||||
| 034 | 424768-8 | 14.30 | 17.45 | |
| Base di sega Djr186 A | ||||
| 035 | 161810-1 | 6.00 | 7.32 | |
| Vite esagonale M6x14mm | ||||
| 036 | 265531-8 | 1.00 | 1.22 | |
| Vite a testa svasata 4x10 | ||||
| 037 | 265135-6 | 1.00 | 1.22 | |
| Rondella 6 | ||||
| 038 | 253825-3 | 1.20 | 1.46 | |
| Cambio L DJR186 A | ||||
| 039 | 126678-2 | 22.00 | 26.84 | |
| Indotto | ||||
| 040 | 519392-1 | 28.02 | 34.18 | |
| Indotto | ||||
| 040A | 519392-1 | 28.02 | 34.18 | |
| Rondella di bloccaggio S-15 | ||||
| 040B | 961055-9 | 1.00 | 1.22 | |
| Cuscinetto a sfere 6002ddw | ||||
| 040C | 211236-8 | 9.60 | 11.71 | |
| Ingranaggio 7 | ||||
| 040D | 227650-8 | 9.60 | 11.71 | |
| Cuscinetto a sfere 607Zz A | ||||
| 040E | 211382-7 | 1.20 | 1.46 | |
| Blocco del cuscinetto | ||||
| 044 | 285740-3 | 1.20 | 1.46 | |
| Vite 4x16 A | ||||
| 046 | 911526-6 | 1.00 | 1.22 | |
| Vite autofilettante Pf 4x65 | ||||
| 047 | 266060-4 | 2.40 | 2.93 | |
| Piastra intermedia Djr186 | ||||
| 048 | 456207-0 | 1.20 | 1.46 | |
| Portamagnete AS3625 A | ||||
| 049 | 638571-3 | 11.00 | 13.42 | |
| Custodia del motore | ||||
| 050 | 456206-2 | 8.40 | 10.25 | |
| Vite a tappo 5X25 | ||||
| 051 | 266041-8 | 1.00 | 1.22 | |
| Pulsante di blocco Djr186 | ||||
| 052 | 456208-8 | 1.00 | 1.22 | |
| Interruttore | ||||
| 053 | 650760-0 | 34.10 | 41.60 | |
| Unità di connessione (3 contatti) | ||||
| 055 | 644808-8 | 3.60 | 4.39 | |
| Unità di connessione (3 contatti) | ||||
| 055A | 644809-6 | 4.80 | 5.86 | |
| Nessuna informazione disponibile, non ordinabile | ||||
| 056 | 183C48-6 | |||
| Set di maniglie | ||||
| 056A | 183C49-4 | 14.30 | 17.45 | |
| Penna di gomma 6 | ||||
| 056C10 | 263005-3 | 1.00 | 1.22 | |
| Nessuna informazione disponibile, non ordinabile | ||||
| 057 | 266326-2 | |||
| Targhetta Djr186 | ||||
| 058 | 851R04-1 | 1.00 | 1.22 | |
| Set di maniglie | ||||
| 060 | 183C49-4 | 14.30 | 17.45 | |
| Set di maniglie | ||||
| 060A | 183C49-4 | 14.30 | 17.45 | |
| Penna di gomma 6 | ||||
| 060C10 | 263005-3 | 1.00 | 1.22 | |
| Cappuccio della spazzola | ||||
| 061 | 643829-7 | 1.00 | 1.22 | |
| KOOLBORSTEL SET CB-441 A | ||||
| 062 | 195022-4 | 4.80 | 5.86 | |
| Portaspazzole "r" | ||||
| 063 | 643507-9 | 2.40 | 2.93 | |
| Portaspazzole "l" | ||||
| 064 | 643508-7 | 2.40 | 2.93 | |
| Nessuna informazione disponibile, non ordinabile | ||||
| 065 | 911011-9 | |||
| Schermo termico Djr186 | ||||
| 066 | 689204-3 | 1.20 | 1.46 | |
| Assemblea di sega Compl | ||||
| 067 | 127397-3 | 28.60 | 34.89 | |
| Filtro di linea | ||||
| 068 | 688131-1 | 1.00 | 1.22 | |
| Feltro di smorzamento | ||||
| 069 | 424858-7 | 1.00 | 1.22 | |