Qui troverai tutte le parti e i disegni disponibili di “Makita BTL063”. Da qui puoi ordinare direttamente tutte le parti desiderate. Molte parti devono essere ordinate dal produttore, a seconda della marca, ciò richiede da una a quattro settimane. Tutte le informazioni che abbiamo sono sul nostro sito web, non possiamo consigliarti su ciò di cui hai bisogno, per questo dovrai restituire la macchina per la riparazione. Nota quanto segue al momento dell’ordinazione:
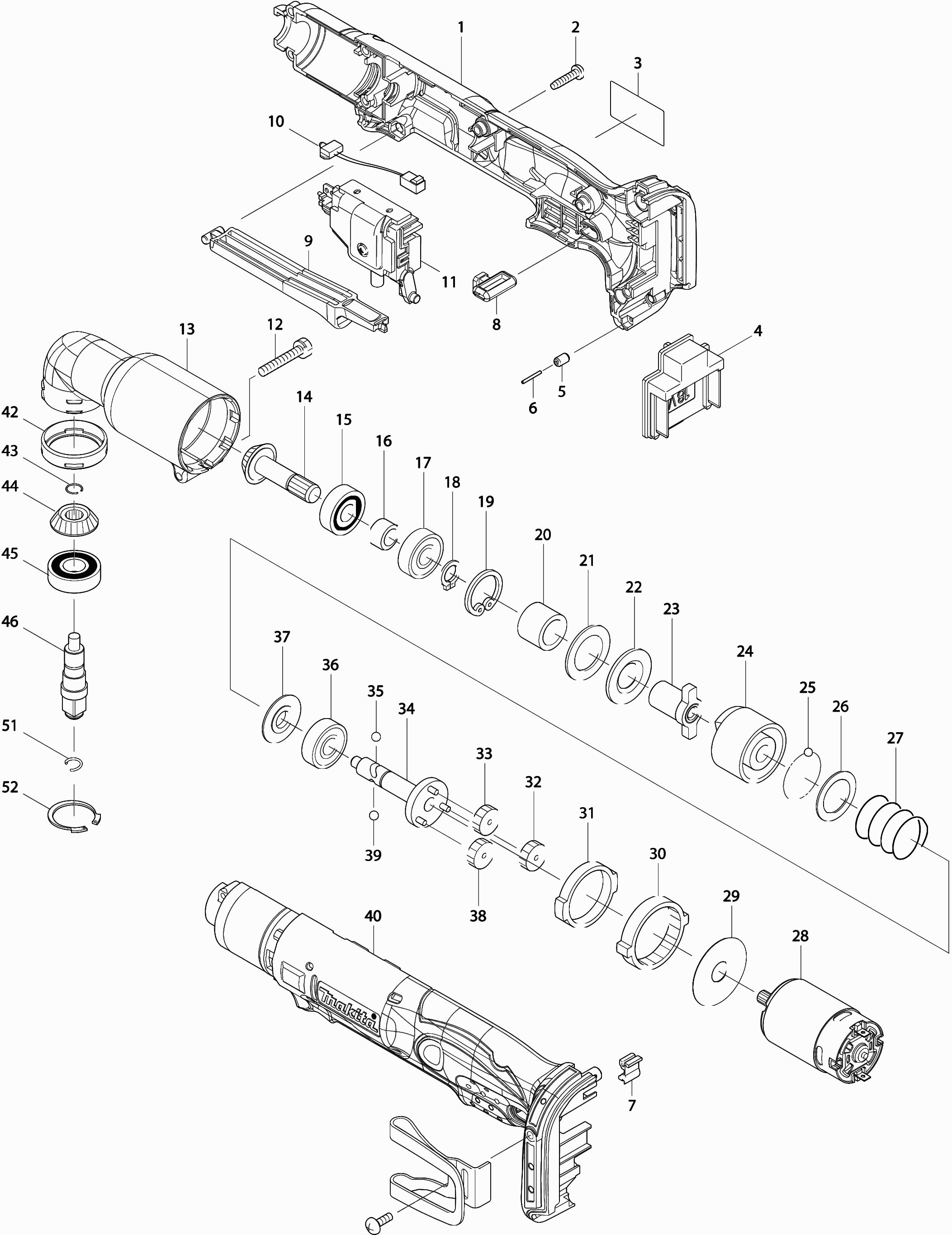
Disegni tecnici di Makita BTL063
Elenco parti di Makita BTL063
| Pos. | Descrizione | Prezzo IVA escl | Prezzo IVA incl | |
| I prezzi indicati sono comprensivi di IVA | ||||
| Set Carter del Motore | ||||
| 001A | 188397-8 | 29.70 | 36.23 | |
| Penna di gomma 6 | ||||
| 001AA | 263005-3 | 1.00 | 1.22 | |
| Carter del motore Btl061 (3-Cont) | ||||
| 001B | 187502-4 | 29.70 | 36.23 | |
| Vite di rubinetto 4x18 | ||||
| 002 | 265A48-7 | 1.00 | 1.22 | |
| Nessuna informazione disponibile, non ordinabile | ||||
| 003 | 864674-9 | |||
| Unità di Connessione (2 contatti) | ||||
| 004A | 643844-1 | 3.60 | 4.39 | |
| Unità di connessione 18v (3 contatti) | ||||
| 004B | 643852-2 | 3.60 | 4.39 | |
| Penna di gomma 5 | ||||
| 005 | 263036-2 | 1.20 | 1.46 | |
| Perno 1,5 | ||||
| 006 | 268184-2 | 1.00 | 1.22 | |
| Feltro dell'ammortizzatore | ||||
| 007 | 424476-1 | 1.00 | 1.22 | |
| Testa dell'interruttore L/r | ||||
| 008 | 450126-2 | 2.40 | 2.93 | |
| Testa dell'interruttore | ||||
| 009 | 450125-4 | 3.60 | 4.39 | |
| Circuito di luce | ||||
| 010 | 631778-0 | 8.40 | 10.25 | |
| Interruttore 2 contatti | ||||
| 011A | 650594-1 | 33.00 | 40.26 | |
| Interruttore (3 contatti) | ||||
| 011B | 638884-2 | 40.70 | 49.65 | |
| Bullone esagonale 5x30 | ||||
| 012 | 265409-5 | 2.40 | 2.93 | |
| Custodia di trasmissione | ||||
| 013 | 152461-1 | 56.10 | 68.44 | |
| Albero del ingranaggio | ||||
| 014 | 226720-0 | 20.90 | 25.50 | |
| Cuscinetto a sfere 6000 | ||||
| 015 | 211064-1 | 5.71 | 6.97 | |
| Manicotto 10 | ||||
| 016 | 257660-1 | 2.40 | 2.93 | |
| Cuscinetto a sfere 6000llb | ||||
| 017 | 211061-7 | 8.40 | 10.25 | |
| Anello di bloccaggio S-10 | ||||
| 018 | 257408-1 | 1.20 | 1.46 | |
| Anello di blocco R-26 A | ||||
| 019 | 962105-3 | 1.00 | 1.22 | |
| Manicotto 15 | ||||
| 020 | 257662-7 | 6.00 | 7.32 | |
| Anello di gomma 21 | ||||
| 021 | 261095-0 | 1.20 | 1.46 | |
| Rondella 15 | ||||
| 022 | 267120-5 | 3.60 | 4.39 | |
| Incudine | ||||
| 023 | 322689-7 | 31.90 | 38.92 | |
| Martello | ||||
| 024 | 322688-9 | 17.60 | 21.47 | |
| Pallina di acciaio 3.5 | ||||
| 025 | 216040-0 | 1.00 | 1.22 | |
| Rondella 20 | ||||
| 026 | 267121-3 | 1.20 | 1.46 | |
| Molla di compressione 22 | ||||
| 027 | 233107-9 | 2.40 | 2.93 | |
| Motore 18v | ||||
| 028 | 629846-1 | 24.20 | 29.52 | |
| Motore 18v | ||||
| 028B | 629966-1 | 26.40 | 32.21 | |
| Rondella 12 | ||||
| 029 | 267053-4 | 1.00 | 1.22 | |
| Ingranaggio interno 69 | ||||
| 030 | 226280-2 | 16.50 | 20.13 | |
| Anello (Rondella) 32 | ||||
| 031 | 257187-1 | 3.60 | 4.39 | |
| Ingranaggio 29 | ||||
| 032 | 226279-7 | 3.60 | 4.39 | |
| Ingranaggio 29 | ||||
| 033 | 226279-7 | 3.60 | 4.39 | |
| BARRA TOMMY | ||||
| 034 | 154416-2 | 28.60 | 34.89 | |
| Pallina di acciaio 4.8 | ||||
| 035 | 216002-8 | 1.00 | 1.22 | |
| Cuscinetto a sfere 6000 | ||||
| 036 | 211064-1 | 5.71 | 6.97 | |
| Anello 10 | ||||
| 037 | 322719-4 | 4.80 | 5.86 | |
| Ingranaggio 29 | ||||
| 038 | 226279-7 | 3.60 | 4.39 | |
| Pallina di acciaio 4.8 | ||||
| 039 | 216002-8 | 1.00 | 1.22 | |
| Set Carter del Motore | ||||
| 040A | 188397-8 | 29.70 | 36.23 | |
| Penna di gomma 6 | ||||
| 040AA | 263005-3 | 1.00 | 1.22 | |
| Rondella di gomma 32 | ||||
| 042 | 424044-0 | 2.40 | 2.93 | |
| Rondella 9 A | ||||
| 043 | 231990-8 | 1.00 | 1.22 | |
| Ingranaggio 13 | ||||
| 044 | 226721-8 | 13.20 | 16.10 | |
| Cuscinetto a sfere 6001dw | ||||
| 045 | 211131-2 | 9.60 | 11.71 | |
| BARRA TOMMY | ||||
| 046 | 324026-1 | 24.20 | 29.52 | |
| Rondella elastica 7 | ||||
| 051 | 231964-9 | 1.20 | 1.46 | |
| Anello di arresto R-28 | ||||
| 052 | 962116-8 | 1.20 | 1.46 | |