Qui troverai tutte le parti e i disegni disponibili di “Makita BCX3400”. Da qui puoi ordinare direttamente tutte le parti desiderate. Molte parti devono essere ordinate dal produttore, a seconda della marca, ciò richiede da una a quattro settimane. Tutte le informazioni che abbiamo sono sul nostro sito web, non possiamo consigliarti su ciò di cui hai bisogno, per questo dovrai restituire la macchina per la riparazione. Nota quanto segue al momento dell’ordinazione:
Disegni tecnici di Makita BCX3400
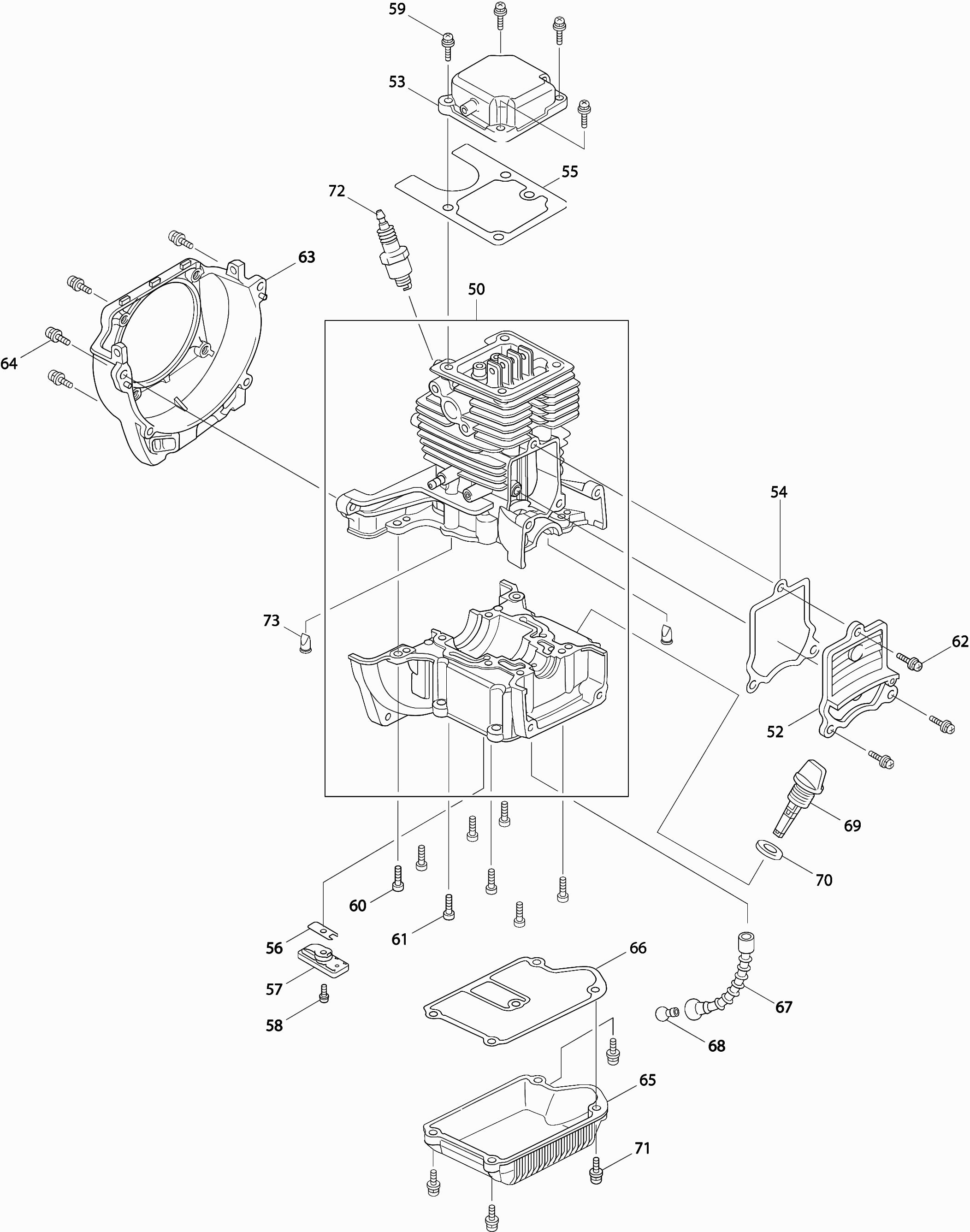
Elenco parti di Makita BCX3400
| Pos. | Descrizione | Prezzo IVA escl | Prezzo IVA incl | |
| I prezzi indicati sono comprensivi di IVA | ||||
| Nessuna informazione disponibile, non ordinabile | ||||
| 050 | 5931021000 | |||
| CILINDRO | ||||
| 050-3 | 135373-3 | 67.10 | 81.86 | |
| Coperchio del alloggiamento VERDE | ||||
| 052 | 318443-5 | 4.80 | 5.86 | |
| Coperchio del alloggiamento VERDE | ||||
| 052-1 | 318443-5 | 4.80 | 5.86 | |
| Coperchio della valvola Ms335.4U A | ||||
| 053 | 140419-2 | 9.60 | 11.71 | |
| Coperchio della valvola Ms335.4U A | ||||
| 053-1 | 140419-2 | 9.60 | 11.71 | |
| Guarnizione del coperchio del carter | ||||
| 054 | 162274-2 | 2.40 | 2.93 | |
| Guarnizione del coperchio del carter | ||||
| 054-1 | 162274-2 | 2.40 | 2.93 | |
| Guarnizione del coperchio valvole | ||||
| 055 | 162307-3 | 3.60 | 4.39 | |
| Guarnizione del coperchio valvole | ||||
| 055-1 | 162307-3 | 3.60 | 4.39 | |
| Valvola di alimentazione | ||||
| 056 | 346083-9 | 2.40 | 2.93 | |
| Valvola di alimentazione | ||||
| 056-1 | 346083-9 | 2.40 | 2.93 | |
| Piastra di bloccaggio | ||||
| 057 | 318440-1 | 2.40 | 2.93 | |
| Piastra di bloccaggio | ||||
| 057-1 | 318440-1 | 2.40 | 2.93 | |
| Vite M4X10 P | ||||
| 058 | 0119049960 | 1.00 | 1.22 | |
| Nessuna informazione disponibile, non ordinabile | ||||
| 058-1 | 266810-7 | |||
| Nessuna informazione disponibile, non ordinabile | ||||
| 059 | 0043605160 | |||
| Nessuna informazione disponibile, non ordinabile | ||||
| 059-1 | 266494-1 | |||
| Vite M5x18mm | ||||
| 060 | 266812-3 | 1.00 | 1.22 | |
| Vite M5x18mm | ||||
| 060-2 | 266812-3 | 1.00 | 1.22 | |
| Vite metrica Ck Inb M5x33mm | ||||
| 061 | 266573-5 | 1.00 | 1.22 | |
| Vite metrica Ck Inb M5x33mm | ||||
| 061-2 | 266573-5 | 1.00 | 1.22 | |
| Vite 5X14 P | ||||
| 062 | 0043605140 | 1.20 | 1.46 | |
| Custodia del ventilatore Ms335.4U A | ||||
| 063 | 318614-4 | 12.10 | 14.76 | |
| Custodia del ventilatore Ms335.4U A | ||||
| 063-1 | 318614-4 | 12.10 | 14.76 | |
| Vite met. Ph2 M5X16Mm Ck A | ||||
| 064 | 922223-9 | 1.00 | 1.22 | |
| Nessuna informazione disponibile, non ordinabile | ||||
| 064-1 | 266813-1 | |||
| Coperchio del carter Ms335.4U A | ||||
| 065 | 318612-8 | 6.00 | 7.32 | |
| Guarnizione del carter | ||||
| 066 | 162308-1 | 2.40 | 2.93 | |
| Guarnizione del carter | ||||
| 066-1 | 162308-1 | 2.40 | 2.93 | |
| Tubo dell'olio | ||||
| 067 | 5926500200 | 6.00 | 7.32 | |
| Nessuna informazione disponibile, non ordinabile | ||||
| 067-1 | 424202-8 | |||
| Peso per tubo dell'olio | ||||
| 068 | 5926500300 | 2.40 | 2.93 | |
| Nessuna informazione disponibile, non ordinabile | ||||
| 068-1 | 325666-8 | |||
| Nessuna informazione disponibile, non ordinabile | ||||
| 069 | 5926500600 | |||
| Bastoncino dell'olio | ||||
| 069-1 | 450565-6 | 2.40 | 2.93 | |
| O-ring per asta dell'olio A | ||||
| 070 | 424100-6 | 1.00 | 1.22 | |
| O-ring per asta dell'olio A | ||||
| 070-1 | 424100-6 | 1.00 | 1.22 | |
| Vite Bhx2500 | ||||
| 071 | 0043605180 | 1.20 | 1.46 | |
| Nessuna informazione disponibile, non ordinabile | ||||
| 072 | 965603030 | |||
| BOUGIE CMR6A A | ||||
| 072-1 | 168401-9 | 14.30 | 17.45 | |
| Valvola di controllo | ||||
| 073 | 424201-0 | 2.40 | 2.93 | |
| Valvola di controllo | ||||
| 073-2 | 424201-0 | 2.40 | 2.93 | |
| Albero Motore | ||||
| 087 | 125756-5 | 58.30 | 71.13 | |
| Albero Motore | ||||
| 087-2 | 125756-5 | 58.30 | 71.13 | |
| Anello di tenuta 12mm | ||||
| 088 | 213537-0 | 3.60 | 4.39 | |
| Anello di tenuta 12mm | ||||
| 088-1 | 213537-0 | 3.60 | 4.39 | |
| Non più disponibile, nessuna sostituzione | ||||
| 089 | 213148-1 | |||
| Non più disponibile, nessuna sostituzione | ||||
| 089-2 | 213148-1 | |||
| Rondella 26 Ms335.4U A | ||||
| 090 | 267425-3 | 1.00 | 1.22 | |
| Rondella 26 Ms335.4U A | ||||
| 090-1 | 267425-3 | 1.00 | 1.22 | |
| Pistone Ms335.4U A | ||||
| 091 | 318613-6 | 11.00 | 13.42 | |
| Pistone Ms335.4U A | ||||
| 091-1 | 318613-6 | 11.00 | 13.42 | |
| Set anelli di pistone | ||||
| 092 | 195141-6 | 13.20 | 16.10 | |
| Set anelli di pistone | ||||
| 092-1 | 195141-6 | 13.20 | 16.10 | |
| Nessuna informazione disponibile, non ordinabile | ||||
| 093 | 0565099990 | |||
| Anello di bloccaggio | ||||
| 093-1 | 233983-1 | 1.20 | 1.46 | |
| Spinotto del pistone Ms335.4U A | ||||
| 094 | 257796-6 | 2.40 | 2.93 | |
| Spinotto del pistone Ms335.4U A | ||||
| 094-1 | 257796-6 | 2.40 | 2.93 | |
| Distanziatore Ebh253U A | ||||
| 095 | 424200-2 | 1.00 | 1.22 | |
| Distanziatore Ebh253U A | ||||
| 095-2 | 424200-2 | 1.00 | 1.22 | |
| Leva della Camma | ||||
| 096 | 313169-4 | 3.60 | 4.39 | |
| Leva della Camma | ||||
| 096-1 | 313169-4 | 3.60 | 4.39 | |
| Ingranaggio a bilanciere | ||||
| 097 | 125552-1 | 23.10 | 28.18 | |
| Ingranaggio a bilanciere | ||||
| 097-1 | 125552-1 | 23.10 | 28.18 | |
| Perno 5Mm Ebh253U A | ||||
| 098 | 268238-5 | 1.00 | 1.22 | |
| Perno 5Mm Ebh253U A | ||||
| 098-1 | 268238-5 | 1.00 | 1.22 | |
| Perno 4mm Ebh253U A | ||||
| 099 | 268239-3 | 1.00 | 1.22 | |
| Perno 4mm Ebh253U A | ||||
| 099-1 | 268239-3 | 1.00 | 1.22 | |
| Nessuna informazione disponibile, non ordinabile | ||||
| 100 | 5933500000 | |||
| Spillo della valvola | ||||
| 100-1 | 256866-8 | 1.00 | 1.22 | |
| Braccio della valvola | ||||
| 101 | 125554-7 | 4.80 | 5.86 | |
| Braccio della valvola | ||||
| 101-1 | 125554-7 | 4.80 | 5.86 | |
| Penna 5mm | ||||
| 102 | 256200-2 | 1.00 | 1.22 | |
| Penna 5mm | ||||
| 102-1 | 256200-2 | 1.00 | 1.22 | |
| Molla della valvola | ||||
| 103 | 5933500200 | 1.20 | 1.46 | |
| Nessuna informazione disponibile, non ordinabile | ||||
| 103-2 | 234181-0 | |||
| Anello di ritenzione blocco Ms335.4U A | ||||
| 104 | 325912-9 | 2.40 | 2.93 | |
| Anello di ritenzione blocco Ms335.4U A | ||||
| 104-1 | 325912-9 | 2.40 | 2.93 | |
| Valvola di scarico Ms335.4U A | ||||
| 105 | 325913-7 | 3.60 | 4.39 | |
| Valvola di scarico Ms335.4U A | ||||
| 105-1 | 325913-7 | 3.60 | 4.39 | |
| Valvola di aspirazione Ms335.4U A | ||||
| 106 | 325914-5 | 3.60 | 4.39 | |
| Valvola di aspirazione Ms335.4U A | ||||
| 106-1 | 325914-5 | 3.60 | 4.39 | |
| Dispositivo di avviamento Assy Ms335 A | ||||
| 107 | 126475-6 | 19.80 | 24.16 | |
| Dispositivo di avviamento Assy Ms335 A | ||||
| 107-1 | 126475-6 | 19.80 | 24.16 | |
| Avvolgicavo | ||||
| 108 | 451923-9 | 4.80 | 5.86 | |
| Avvolgicavo | ||||
| 108-1 | 451923-9 | 4.80 | 5.86 | |
| Vite di bloccaggio | ||||
| 109 | 5425003010 | 2.40 | 2.93 | |
| Nessuna informazione disponibile, non ordinabile | ||||
| 109-1 | 266580-8 | |||
| Molla a spirale | ||||
| 110 | 232257-7 | 10.80 | 13.18 | |
| Molla a spirale | ||||
| 110-1 | 232257-7 | 10.80 | 13.18 | |
| Corda di avvio | ||||
| 113 | 444018-5 | 3.60 | 4.39 | |
| Corda di avvio | ||||
| 113-1 | 444018-5 | 3.60 | 4.39 | |
| Maniglia dell'avvio Ms335.4U A | ||||
| 114 | 424317-1 | 3.60 | 4.39 | |
| Maniglia dell'avvio Ms335.4U A | ||||
| 114-1 | 424317-1 | 3.60 | 4.39 | |
| PULEGGIA | ||||
| 115 | 165606-2 | 4.80 | 5.86 | |
| Nessuna informazione disponibile, non ordinabile | ||||
| 115-2 | 168827-5 | |||
| Vite metallica Ph M5x14mm Ck | ||||
| 116 | 266809-2 | 1.00 | 1.22 | |
| Supporto del serbatoio Ms335.4U A | ||||
| 118 | 162310-4 | 3.54 | 4.32 | |
| Supporto del serbatoio Ms335.4U A | ||||
| 118-1 | 162310-4 | 3.54 | 4.32 | |
| Vite metallica Ph M5x14mm Ck | ||||
| 119 | 266809-2 | 1.00 | 1.22 | |
| Etichetta del modello | ||||
| 120 | 6349505200 | 8.40 | 10.25 | |
| Nessuna informazione disponibile, non ordinabile | ||||
| 121 | 5936004000 | |||
| Carburatore | ||||
| 121-1 | 168561-7 | 93.50 | 114.07 | |
| Nessuna informazione disponibile, non ordinabile | ||||
| 122 | 5926002140 | |||
| POMPHUIS EBH253U A | ||||
| 122-2 | 140437-0 | 39.60 | 48.31 | |
| Caso di Purificatore d'Aria Ebh253U A | ||||
| 123 | 140438-8 | 27.50 | 33.55 | |
| Caso di Purificatore d'Aria Ebh253U A | ||||
| 123-1 | 140438-8 | 27.50 | 33.55 | |
| Coperchio della pompa Ebh253U A | ||||
| 124 | 346270-0 | 7.20 | 8.78 | |
| Coperchio della pompa Ebh253U A | ||||
| 124-1 | 346270-0 | 7.20 | 8.78 | |
| Pompa booster | ||||
| 125 | 424314-7 | 11.00 | 13.42 | |
| Pompa booster | ||||
| 125-1 | 424314-7 | 11.00 | 13.42 | |
| Diaframma | ||||
| 126 | 168620-7 | 38.50 | 46.97 | |
| Diaframma | ||||
| 126-1 | WJ00095586 | 33.00 | 40.26 | |
| Guarnizione del Diaframma | ||||
| 127 | 442154-1 | 7.20 | 8.78 | |
| Guarnizione del Diaframma | ||||
| 127-1 | 442154-1 | 7.20 | 8.78 | |
| Diaframma della pompa | ||||
| 128 | WJ00009599 | 3.96 | 4.83 | |
| Diaframma della pompa | ||||
| 128-2 | WJ00009599 | 3.96 | 4.83 | |
| Guarnizione del Diaframma | ||||
| 129 | 442155-9 | 7.20 | 8.78 | |
| Guarnizione del Diaframma | ||||
| 129-1 | 442155-9 | 7.20 | 8.78 | |
| Ago Ms335.4U A | ||||
| 130 | 325921-8 | 14.30 | 17.45 | |
| Ago Ms335.4U A | ||||
| 130-1 | 325921-8 | 14.30 | 17.45 | |
| Anello O 2 | ||||
| 131 | 213538-8 | 4.80 | 5.86 | |
| Anello O 2 | ||||
| 131-1 | 213538-8 | 4.80 | 5.86 | |
| Seegering E-3 A | ||||
| 132 | 257964-1 | 7.20 | 8.78 | |
| Seegering E-3 A | ||||
| 132-1 | 257964-1 | 7.20 | 8.78 | |
| Nessuna informazione disponibile, non ordinabile | ||||
| 133 | 5236018040 | |||
| Elemento snodato | ||||
| 133-1 | 325922-6 | 8.40 | 10.25 | |
| Nessuna informazione disponibile, non ordinabile | ||||
| 135 | 5206008030 | |||
| Nessuna informazione disponibile, non ordinabile | ||||
| 135-2 | WJ00096364 | |||
| Parker 3X24Mm Ck A | ||||
| 137 | 266582-4 | 3.60 | 4.39 | |
| Parker 3X24Mm Ck A | ||||
| 137-1 | 266582-4 | 3.60 | 4.39 | |
| Nessuna informazione disponibile, non ordinabile | ||||
| 138 | 5926002020 | |||
| Molla di compressione 5-9mm | ||||
| 138-1 | 234183-6 | 4.80 | 5.86 | |
| Rivetto per ago di regolazione | ||||
| 139 | 5426005030 | 2.40 | 2.93 | |
| Nessuna informazione disponibile, non ordinabile | ||||
| 139-1 | 413140-9 | |||
| Nessuna informazione disponibile, non ordinabile | ||||
| 140 | 352010-6 | |||
| Setaccio d'ingresso | ||||
| 140-2 | WJ00014070 | 2.40 | 2.93 | |
| Nessuna informazione disponibile, non ordinabile | ||||
| 141 | 5933018000 | |||
| Collettore | ||||
| 141-4 | 451874-6 | 4.80 | 5.86 | |
| Dado Esagonale M5 | ||||
| 142 | 931202-6 | 1.00 | 1.22 | |
| Dado M6 Htr5600 A | ||||
| 143 | 0022706000 | 1.00 | 1.22 | |
| Dado M6 Htr5600 A | ||||
| 144 | 0022706000 | 1.00 | 1.22 | |
| Nessuna informazione disponibile, non ordinabile | ||||
| 145 | 5923504700 | |||
| Guarnizione isolante | ||||
| 145-2 | 413120-5 | 1.20 | 1.46 | |
| Guarnizione "carburatore" | ||||
| 146 | 413138-6 | 1.20 | 1.46 | |
| Guarnizione "carburatore" | ||||
| 146-1 | 413138-6 | 1.20 | 1.46 | |
| Nessuna informazione disponibile, non ordinabile | ||||
| 147 | 5933500600 | |||
| Collettore del carburatore | ||||
| 147-1 | 346261-1 | 3.60 | 4.39 | |
| Nessuna informazione disponibile, non ordinabile | ||||
| 148 | 0119059870 | |||
| Vite a brugola M5x18mm | ||||
| 148-2 | 266787-6 | 1.00 | 1.22 | |
| Vite di regolazione P | ||||
| 149 | 0149069961 | 3.60 | 4.39 | |
| Nessuna informazione disponibile, non ordinabile | ||||
| 149-2 | 325663-4 | |||
| Tubo di sfiato Ms335.4U A | ||||
| 152 | 422055-9 | 2.40 | 2.93 | |
| Tubo di sfiato Ms335.4U A | ||||
| 152-1 | 422055-9 | 2.40 | 2.93 | |
| Nessuna informazione disponibile, non ordinabile | ||||
| 153 | 5933001000 | |||
| Carcasa del filtro d'aria Ebh253U A | ||||
| 153-1 | 123845-0 | 17.60 | 21.47 | |
| Nessuna informazione disponibile, non ordinabile | ||||
| 154 | 5933005000 | |||
| Carcasa del filtro d'aria Ebh253U A | ||||
| 154-1 | 123845-0 | 17.60 | 21.47 | |
| Valvola di sovrappressione | ||||
| 155 | 424315-5 | 1.20 | 1.46 | |
| Valvola di sovrappressione | ||||
| 155-1 | 424315-5 | 1.20 | 1.46 | |
| Valvola di sovrappressione | ||||
| 156 | 424316-3 | 3.60 | 4.39 | |
| Valvola di sovrappressione | ||||
| 156-1 | 424316-3 | 3.60 | 4.39 | |
| Piastra della valvola di sovrapressione | ||||
| 157 | 451924-7 | 1.20 | 1.46 | |
| Piastra della valvola di sovrapressione | ||||
| 157-1 | 451924-7 | 1.20 | 1.46 | |
| Non più disponibile, nessuna sostituzione | ||||
| 158 | 168576-4 | |||
| Non più disponibile, nessuna sostituzione | ||||
| 158-1 | 168576-4 | |||
| Non più disponibile, nessuna sostituzione | ||||
| 159 | 451925-5 | |||
| Non più disponibile, nessuna sostituzione | ||||
| 159-1 | 451925-5 | |||
| Nessuna informazione disponibile, non ordinabile | ||||
| 160 | 5923503500 | |||
| Guarnizione di separazione | ||||
| 160-1 | 168577-2 | 2.40 | 2.93 | |
| Anello O 14 | ||||
| 161 | 213539-6 | 1.00 | 1.22 | |
| Anello O 14 | ||||
| 161-1 | 213539-6 | 1.00 | 1.22 | |
| Anello O 15 | ||||
| 162 | 213540-1 | 1.00 | 1.22 | |
| Anello O 15 | ||||
| 162-1 | 213540-1 | 1.00 | 1.22 | |
| Piastra di strozzamento | ||||
| 163 | 450560-6 | 1.20 | 1.46 | |
| Piastra di strozzamento | ||||
| 163-1 | 450560-6 | 1.20 | 1.46 | |
| Piastra di montaggio Ebh253U A | ||||
| 164 | 346647-9 | 2.40 | 2.93 | |
| Piastra di montaggio Ebh253U A | ||||
| 164-1 | 346647-9 | 2.40 | 2.93 | |
| Rondella | ||||
| 165 | 423376-2 | 1.20 | 1.46 | |
| Rondella | ||||
| 165-1 | 423376-2 | 1.20 | 1.46 | |
| Coprifiltro dell'aria | ||||
| 166 | 450561-4 | 6.00 | 7.32 | |
| Coprifiltro dell'aria | ||||
| 166-1 | 450561-4 | 6.00 | 7.32 | |
| Tubo di ventilazione Ebh253U A | ||||
| 167 | 422042-8 | 2.40 | 2.93 | |
| Tubo di ventilazione Ebh253U A | ||||
| 167-1 | 422042-8 | 2.40 | 2.93 | |
| Vite metallica Ph M5x14mm Ck | ||||
| 168 | 266809-2 | 1.00 | 1.22 | |
| Vite metrica Ph2 M5x68mm Ck | ||||
| 169 | 265188-5 | 1.00 | 1.22 | |
| Vite metrica Ph2 M5x68mm Ck | ||||
| 169-1 | 265188-5 | 1.00 | 1.22 | |
| Morsetto per tubo IAS 3 | ||||
| 170 | 345918-1 | 1.00 | 1.22 | |
| Morsetto per tubo IAS 3 | ||||
| 170-1 | 345918-1 | 1.00 | 1.22 | |
| Scarico | ||||
| 171 | 168469-5 | 13.20 | 16.10 | |
| Scarico | ||||
| 171-1 | 168469-5 | 13.20 | 16.10 | |
| Guarnizione di scarico | ||||
| 172 | 345916-5 | 2.40 | 2.93 | |
| Guarnizione di scarico | ||||
| 172-1 | 345916-5 | 2.40 | 2.93 | |
| Cappuccio di scarico | ||||
| 173 | 5923503400 | 3.60 | 4.39 | |
| Nessuna informazione disponibile, non ordinabile | ||||
| 173-1 | 345915-7 | |||
| Vite a brugola M5x40mm Ck | ||||
| 174 | 266440-4 | 1.20 | 1.46 | |
| Vite a brugola M5x40mm Ck | ||||
| 174-1 | 266440-4 | 1.20 | 1.46 | |
| Vite 5x8 | ||||
| 175 | 911601-8 | 1.00 | 1.22 | |
| SERBATOIO DI CARBURANTE | ||||
| 176 | 451877-0 | 15.40 | 18.79 | |
| SERBATOIO DI CARBURANTE | ||||
| 176-1 | 451877-0 | 15.40 | 18.79 | |
| Tubo del gas | ||||
| 177 | 162309-9 | 4.80 | 5.86 | |
| Tubo del gas | ||||
| 177-1 | 162309-9 | 4.80 | 5.86 | |
| Filtro del carburante | ||||
| 178 | 163447-0 | 11.00 | 13.42 | |
| Filtro del carburante | ||||
| 178-2 | 163447-0 | 11.00 | 13.42 | |
| Morsetto per tubo IAS 3 | ||||
| 179 | 345920-4 | 1.00 | 1.22 | |
| Morsetto per tubo IAS 3 | ||||
| 179-1 | 345920-4 | 1.00 | 1.22 | |
| Tappo del serbatoio | ||||
| 181 | 5926013000 | 7.20 | 8.78 | |
| Etichetta di avvertimento "carburante" | ||||
| 182 | 810455-9 | 2.40 | 2.93 | |
| Ammortizzatore Ebh253U A | ||||
| 183 | 424102-2 | 1.00 | 1.22 | |
| Ammortizzatore Ebh253U A | ||||
| 183-1 | 424102-2 | 1.00 | 1.22 | |
| Ammortizzatore Ebh253U A | ||||
| 184 | 424103-0 | 1.00 | 1.22 | |
| Ammortizzatore Ebh253U A | ||||
| 184-1 | 424103-0 | 1.00 | 1.22 | |
| AMMORTIZZATORE | ||||
| 185 | 424104-8 | 2.40 | 2.93 | |
| AMMORTIZZATORE | ||||
| 185-2 | 424104-8 | 2.40 | 2.93 | |
| Nessuna informazione disponibile, non ordinabile | ||||
| 186 | 168501-5 | |||
| Nessuna informazione disponibile, non ordinabile | ||||
| 186-3 | 168501-5 | |||
| Volano Ms335.4U A | ||||
| 187 | 319035-3 | 13.20 | 16.10 | |
| Volano Ms335.4U A | ||||
| 187-2 | 319035-3 | 13.20 | 16.10 | |
| Cappuccio candela Ebh253U A | ||||
| 188 | 424105-6 | 3.60 | 4.39 | |
| Cappuccio candela Ebh253U A | ||||
| 188-1 | 424105-6 | 3.60 | 4.39 | |
| Nessuna informazione disponibile, non ordinabile | ||||
| 189 | 0654009931 | |||
| Molla candela Ebh253U A | ||||
| 189-1 | 324891-8 | 1.20 | 1.46 | |
| Cavo di connessione | ||||
| 190 | 638664-6 | 2.40 | 2.93 | |
| Cavo di connessione | ||||
| 190-1 | 638664-6 | 2.40 | 2.93 | |
| Cavo di connessione Ebh253U P | ||||
| 191 | 638665-4 | 2.40 | 2.93 | |
| Cavo di connessione Ebh253U P | ||||
| 191-1 | 638665-4 | 2.40 | 2.93 | |
| Passaggio Eh561 15X7X2Mm * | ||||
| 192 | 5257500300 | 2.40 | 2.93 | |
| Nessuna informazione disponibile, non ordinabile | ||||
| 192-1 | 424313-9 | |||
| Nessuna informazione disponibile, non ordinabile | ||||
| 193 | 0011306160 | |||
| Rivetto RBC230-G24-350 P | ||||
| 194 | 0031206000 | 1.00 | 1.22 | |
| Vite 4x20 | ||||
| 195 | 911138-5 | 1.00 | 1.22 | |
| Nessuna informazione disponibile, non ordinabile | ||||
| 196 | 168563-3 | |||
| Accoppiamento Cmpl Ms335.4U A | ||||
| 196-2 | 125757-3 | 11.00 | 13.42 | |
| Accoppiamento Cmpl Ms335.4U A | ||||
| 197 | 125757-3 | 11.00 | 13.42 | |
| Nessuna informazione disponibile, non ordinabile | ||||
| 197-3 | AN02010C00 | |||
| Vite metrica M8X23Mm Ms335.4U * | ||||
| 198 | 266571-9 | 2.40 | 2.93 | |
| Vite metrica M8X23Mm Ms335.4U * | ||||
| 198-2 | 266571-9 | 2.40 | 2.93 | |
| Rondella 8 | ||||
| 199 | 253762-1 | 1.20 | 1.46 | |
| Nessuna informazione disponibile, non ordinabile | ||||
| 199-1 | 267424-5 | |||
| Nessuna informazione disponibile, non ordinabile | ||||
| 200 | 5935500802 | |||
| Nessuna informazione disponibile, non ordinabile | ||||
| 200-3 | 451875-4 | |||
| Nessuna informazione disponibile, non ordinabile | ||||
| 201 | 0140059370 | |||
| Vite m5x12 | ||||
| 201-2 | 266808-4 | 1.00 | 1.22 | |
| Nessuna informazione disponibile, non ordinabile | ||||
| 202 | 0140059370 | |||
| Vite m5x12 | ||||
| 202-2 | 266808-4 | 1.00 | 1.22 | |
| Nessuna informazione disponibile, non ordinabile | ||||
| 203 | 5935500500 | |||
| Cappuccio candela | ||||
| 203-1 | 451876-2 | 3.60 | 4.39 | |
| FERMAGLIO PER CAVO | ||||
| 204 | 345963-6 | 1.00 | 1.22 | |
| FERMAGLIO PER CAVO | ||||
| 204-1 | 345963-6 | 1.00 | 1.22 | |
| Etichetta Makita Em4250 * | ||||
| 205 | 5929501001 | 3.60 | 4.39 | |
| Vite 5x8 | ||||
| 214 | 911601-8 | 1.00 | 1.22 | |
| Vite metrica Ck | ||||
| 214-2 | 266572-7 | 1.00 | 1.22 | |
| Bullone a brugola M5x12mm Ck | ||||
| 216 | 922213-2 | 1.00 | 1.22 | |
| Bullone a brugola M5x12mm Ck | ||||
| 216-3 | 922213-2 | 1.00 | 1.22 | |
| Elemento del filtro dell'aria | ||||
| 217 | 443141-3 | 2.71 | 3.31 | |
| Elemento del filtro dell'aria | ||||
| 217-1 | 443141-3 | 2.71 | 3.31 | |
| Elemento del filtro dell'aria | ||||
| 218 | 443140-5 | 3.60 | 4.39 | |
| Elemento del filtro dell'aria | ||||
| 218-1 | 443140-5 | 3.60 | 4.39 | |
| Anello di feltro 8mm | ||||
| 233 | 443146-3 | 1.00 | 1.22 | |
| Nessuna informazione disponibile, non ordinabile | ||||
| 236 | 0323039990 | |||
| Rondella elastica 10 | ||||
| 237 | 253385-5 | 2.40 | 2.93 | |
| Preso d'aria Ms335.4U A | ||||
| 238 | 325915-3 | 3.60 | 4.39 | |
| O-Anello 10 Ebh253U A | ||||
| 239 | 213078-6 | 1.00 | 1.22 | |