Qui troverai tutte le parti e i disegni disponibili di “Makita 9527NB”. Da qui puoi ordinare direttamente tutte le parti desiderate. Molte parti devono essere ordinate dal produttore, a seconda della marca, ciò richiede da una a quattro settimane. Tutte le informazioni che abbiamo sono sul nostro sito web, non possiamo consigliarti su ciò di cui hai bisogno, per questo dovrai restituire la macchina per la riparazione. Nota quanto segue al momento dell’ordinazione:
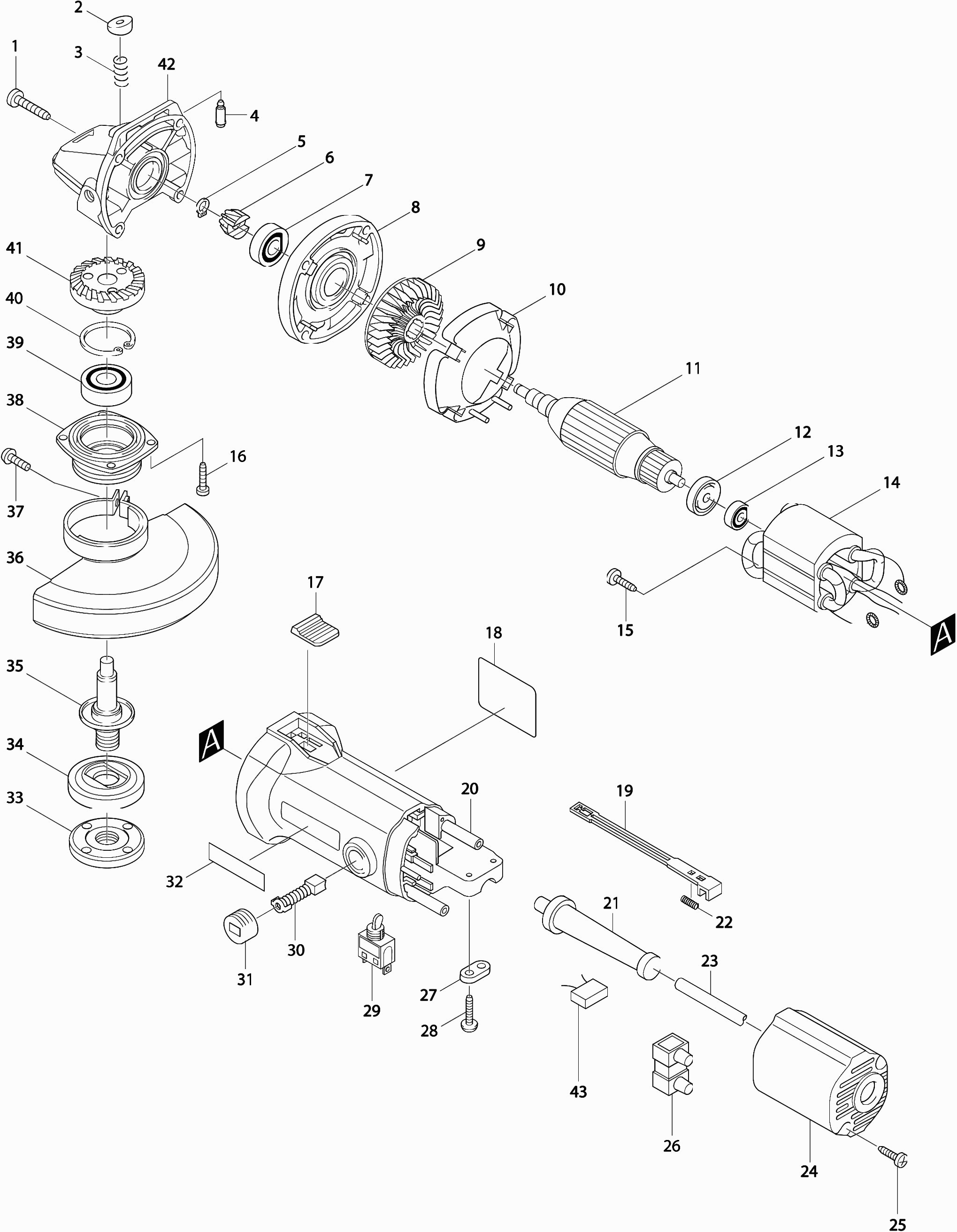
Disegni tecnici di Makita 9527NB
Elenco parti di Makita 9527NB
| Pos. | Descrizione | Prezzo IVA escl | Prezzo IVA incl | |
| I prezzi indicati sono comprensivi di IVA | ||||
| Vite filettata 5x30 | ||||
| 001 | 266142-2 | 1.00 | 1.22 | |
| Pulsante AGC 18 | ||||
| 002 | 415491-6 | 1.00 | 1.22 | |
| Molla di compressione 8 | ||||
| 003 | 233376-2 | 1.00 | 1.22 | |
| Spina 4 | ||||
| 004 | 256437-1 | 1.20 | 1.46 | |
| Anello di bloccaggio S-6 | ||||
| 005 | 961002-0 | 1.00 | 1.22 | |
| Ingranaggio 10 | ||||
| 006 | 227408-5 | 11.00 | 13.42 | |
| Ingranaggio 36 | ||||
| 006A | 227407-7 | 11.00 | 13.42 | |
| Cuscinetto a sfere 6000DDW A | ||||
| 007 | 210315-9 | 6.00 | 7.32 | |
| Coperchio del cambio 9527Pb * | ||||
| 008 | 316807-7 | 8.40 | 10.25 | |
| Ventola 57 9527Pb * | ||||
| 009 | 241891-2 | 3.60 | 4.39 | |
| Piastra intermedia 9527Pb * | ||||
| 010 | 415971-2 | 2.40 | 2.93 | |
| Non più disponibile, nessuna sostituzione | ||||
| 011 | 517308-0 | |||
| Anello di isolamento | ||||
| 012 | 681638-6 | 1.00 | 1.22 | |
| Cuscinetto a sfere 606Zz A | ||||
| 013 | 210137-7 | 1.20 | 1.46 | |
| CAMPO | ||||
| 014 | 521628-6 | 23.10 | 28.18 | |
| Molla del statore | ||||
| 014A | 654100-4 | 2.40 | 2.93 | |
| Bussola di serraggio per statorv. 1,25mm | ||||
| 014B | 654501-6 | 0.83 | 1.01 | |
| Vite di battitura Pt3x10 | ||||
| 015 | 266007-8 | 1.00 | 1.22 | |
| Vite autofilettante Ct 4x16 | ||||
| 016 | 266034-5 | 1.00 | 1.22 | |
| Bottone dell'interruttore | ||||
| 017 | 415952-6 | 2.40 | 2.93 | |
| Asta di controllo | ||||
| 019 | 417352-6 | 2.40 | 2.93 | |
| Custodia del motore | ||||
| 020 | 159866-6 | 15.40 | 18.79 | |
| Portaspazzole in carbonio 9524Nb+25N * | ||||
| 020A | 643927-7 | 6.00 | 7.32 | |
| Passacavo 8-85 | ||||
| 021 | 682502-4 | 2.40 | 2.93 | |
| Molla di compressione 4 | ||||
| 022 | E00884-2 | 1.00 | 1.22 | |
| Cavo di alimentazione 2x1.00 2.2mtr | ||||
| 023 | 665383-1 | 10.80 | 13.18 | |
| COPERTURA POSTERIORE | ||||
| 024 | 415955-0 | 8.40 | 10.25 | |
| Vite di rubinetto 4x18 | ||||
| 025 | 265A48-7 | 1.00 | 1.22 | |
| Morsetto Bo4553-Bo4554 A | ||||
| 026 | 654475-1 | 1.00 | 1.22 | |
| Staffa di serraggio | ||||
| 027 | 687053-2 | 1.00 | 1.22 | |
| Vite di rubinetto 4x18 | ||||
| 028 | 265A48-7 | 1.00 | 1.22 | |
| Interruttore Sw-62 | ||||
| 029 | 651433-8 | 4.80 | 5.86 | |
| Set Spazzola CB411 RT0702C | ||||
| 030 | 195010-1 | 4.80 | 5.86 | |
| Cappuccio della spazzola | ||||
| 031 | 643928-5 | 1.20 | 1.46 | |
| Nessuna informazione disponibile, non ordinabile | ||||
| 035 | 152516-2 | |||
| Anello di labirinto | ||||
| 035A | 344347-5 | 1.20 | 1.46 | |
| Coperchio di Protezione 115mm 'senza attrezzi' | ||||
| 036 | 123144-0 | 9.60 | 11.71 | |
| Nessuna informazione disponibile, non ordinabile | ||||
| 037 | 251391-4 | |||
| Nessuna informazione disponibile, non ordinabile | ||||
| 038 | 316800-1 | |||
| Cuscinetto a sfere 6201dw1 | ||||
| 039 | 211129-9 | 8.40 | 10.25 | |
| Anello di bloccaggio r-32 | ||||
| 040 | 962151-6 | 1.00 | 1.22 | |
| Ingranaggio 36 | ||||
| 041 | 227407-7 | 11.00 | 13.42 | |
| Custodia del ingranaggio | ||||
| 042 | 159874-7 | 10.00 | 12.20 | |