Qui troverai tutte le parti e i disegni disponibili di “Makita 6931D”. Da qui puoi ordinare direttamente tutte le parti desiderate. Molte parti devono essere ordinate dal produttore, a seconda della marca, ciò richiede da una a quattro settimane. Tutte le informazioni che abbiamo sono sul nostro sito web, non possiamo consigliarti su ciò di cui hai bisogno, per questo dovrai restituire la macchina per la riparazione. Nota quanto segue al momento dell’ordinazione:
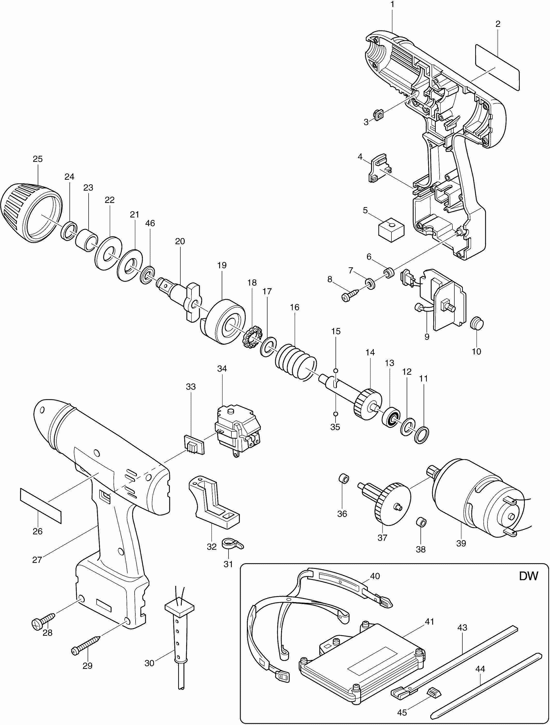
Disegni tecnici di Makita 6931D
Elenco parti di Makita 6931D
| Pos. | Descrizione | Prezzo IVA escl | Prezzo IVA incl | |
| I prezzi indicati sono comprensivi di IVA | ||||
| Custodia del motore 6931Dw * | ||||
| 001 | 182611-4 | 36.30 | 44.29 | |
| Spina A 6931Dw * | ||||
| 003 | 415390-2 | 1.20 | 1.46 | |
| Spina C 6931Dw * | ||||
| 004 | 415392-8 | 1.20 | 1.46 | |
| Piastra di copertura | ||||
| 005 | 443094-6 | 2.40 | 2.93 | |
| Anello di gomma 5 6931Dw * | ||||
| 006 | 262527-0 | 1.20 | 1.46 | |
| Rivetto 3 | ||||
| 007 | 253821-1 | 1.00 | 1.22 | |
| Vite di battitura Pt3x10 | ||||
| 008 | 266007-8 | 1.00 | 1.22 | |
| Circuito di controllo 6931Dw * | ||||
| 009 | 631168-7 | 261.80 | 319.40 | |
| Spina B 6931Dw * | ||||
| 010 | 415391-0 | 1.20 | 1.46 | |
| Anello O 17 | ||||
| 011 | 213261-5 | 2.40 | 2.93 | |
| Rondella 16 A | ||||
| 012 | 267323-1 | 1.00 | 1.22 | |
| Cuscinetto a sfere 608ddw | ||||
| 013 | 210005-4 | 4.80 | 5.86 | |
| Asse ingranaggio 6902D * | ||||
| 014 | 153185-2 | 34.10 | 41.60 | |
| Nessuna informazione disponibile, non ordinabile | ||||
| 015 | 216011-7 | |||
| Molla di compressione 20 * | ||||
| 016 | 231472-0 | 2.40 | 2.93 | |
| Rondella di bloccaggio 1528 * | ||||
| 017 | 216203-8 | 2.40 | 2.93 | |
| Cuscinetto di spinta 1528 * | ||||
| 018 | 211229-5 | 2.40 | 2.93 | |
| Casa di percussione 6902D * | ||||
| 019 | 322253-4 | 34.10 | 41.60 | |
| Martello 1/2" | ||||
| 020 | 324255-6 | 34.10 | 41.60 | |
| Rondella 18 | ||||
| 021 | 267054-2 | 3.60 | 4.39 | |
| Rondella in gomma 18 * | ||||
| 022 | 261079-8 | 1.20 | 1.46 | |
| Bus 18 | ||||
| 023 | 257623-7 | 6.00 | 7.32 | |
| Anello di tenuta 18 | ||||
| 024 | 213257-6 | 4.80 | 5.86 | |
| Anello tampone | ||||
| 025 | 421355-4 | 3.60 | 4.39 | |
| Vite autofilettante 4x20 | ||||
| 028 | 265925-7 | 1.00 | 1.22 | |
| Vite autofilettante 4x40 | ||||
| 029 | 265876-4 | 2.40 | 2.93 | |
| Cavo di collegamento 6931D * | ||||
| 030 | 661992-4 | 69.30 | 84.55 | |
| Fascia del tubo | ||||
| 031 | 687010-0 | 1.00 | 1.22 | |
| Maniglia dell'interruttore | ||||
| 032 | 415671-4 | 1.20 | 1.46 | |
| Cursore dell'interruttore | ||||
| 033 | 414740-8 | 2.40 | 2.93 | |
| Interruttore Sw-104 | ||||
| 034 | 650500-6 | 39.60 | 48.31 | |
| Nessuna informazione disponibile, non ordinabile | ||||
| 035 | 216011-7 | |||
| Cuscinetto di scorrimento 6 | ||||
| 036 | 214012-9 | 1.20 | 1.46 | |
| Ingranaggio 13-38 | ||||
| 037 | 226089-2 | 39.60 | 48.31 | |
| Cuscinetto di scorrimento 5 | ||||
| 038 | 214017-9 | 1.00 | 1.22 | |
| Motore 14.4 Volt 6902D * | ||||
| 039 | 629591-8 | 59.40 | 72.47 | |
| Nessuna informazione disponibile, non ordinabile | ||||
| 039A | 221975-2 | |||
| Cinghia Di Spalla 1402-Batteria * | ||||
| 040 | 163318-1 | 19.80 | 24.16 | |
| Cintura Media 6931Dw * | ||||
| 043 | 163315-7 | 13.20 | 16.10 | |
| Cintura regolabile 6931Dw * | ||||
| 044 | 444015-1 | 8.40 | 10.25 | |
| Anello di distribuzione 6931Dw * | ||||
| 045 | 414755-5 | 3.60 | 4.39 | |
| Anello di bloccaggio 10 | ||||
| 046 | 231907-1 | 1.00 | 1.22 | |