Qui troverai tutte le parti e i disegni disponibili di “Makita 6075D”. Da qui puoi ordinare direttamente tutte le parti desiderate. Molte parti devono essere ordinate dal produttore, a seconda della marca, ciò richiede da una a quattro settimane. Tutte le informazioni che abbiamo sono sul nostro sito web, non possiamo consigliarti su ciò di cui hai bisogno, per questo dovrai restituire la macchina per la riparazione. Nota quanto segue al momento dell’ordinazione:
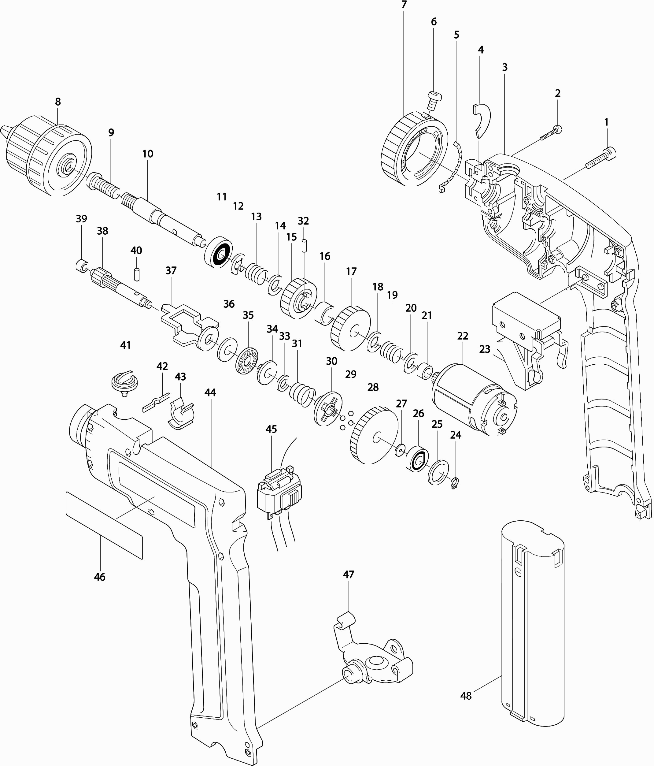
Disegni tecnici di Makita 6075D
Elenco parti di Makita 6075D
| Pos. | Descrizione | Prezzo IVA escl | Prezzo IVA incl | |
| I prezzi indicati sono comprensivi di IVA | ||||
| Vite 4x22 | ||||
| 001 | 911143-2 | 1.00 | 1.22 | |
| Vite 4x35 | ||||
| 002 | 911163-6 | 1.00 | 1.22 | |
| Casa motore 6073Dw-6074Dw-6075 | ||||
| 003 | 181974-5 | 26.40 | 32.21 | |
| Non più disponibile, nessuna sostituzione | ||||
| 004 | 343421-6 | |||
| Anello a camma | ||||
| 005 | 343410-1 | 2.40 | 2.93 | |
| SCHROEF 5X12 | ||||
| 006 | 251322-3 | 1.00 | 1.22 | |
| Manicotto della frizione | ||||
| 007 | 410936-9 | 8.40 | 10.25 | |
| Non più disponibile, nessuna sostituzione | ||||
| 009 | 251451-2 | |||
| BARRA TOMMY | ||||
| 010 | 321995-7 | 11.00 | 13.42 | |
| Cuscinetto a sfere 6000llb | ||||
| 011 | 211061-7 | 8.40 | 10.25 | |
| Anello ferma E-9 | ||||
| 012 | 961015-1 | 1.00 | 1.22 | |
| Molla a compressione 10 | ||||
| 013 | 231250-8 | 1.00 | 1.22 | |
| Rondella sottile 10 | ||||
| 014 | 253330-0 | 1.00 | 1.22 | |
| Ingranaggio 78 | ||||
| 015 | 221862-5 | 18.70 | 22.81 | |
| Nessuna informazione disponibile, non ordinabile | ||||
| 016 | 257073-6 | |||
| Ingranaggio 93 | ||||
| 017 | 221884-5 | 17.60 | 21.47 | |
| Rondella sottile 10 | ||||
| 018 | 253330-0 | 1.00 | 1.22 | |
| Molla a compressione 10 | ||||
| 019 | 231250-8 | 1.00 | 1.22 | |
| Rondella di bloccaggio 5 | ||||
| 020 | 253807-5 | 1.00 | 1.22 | |
| Cuscinetto di scorrimento 5 | ||||
| 021 | 214017-9 | 1.00 | 1.22 | |
| Motore 7.2 V 6073Dw-6075Dw * | ||||
| 022 | 629557-8 | 14.30 | 17.45 | |
| Nessuna informazione disponibile, non ordinabile | ||||
| 023 | 651354-4 | |||
| Anello di bloccaggio S-6 | ||||
| 024 | 961002-0 | 1.00 | 1.22 | |
| Rondella 14 | ||||
| 025 | 253842-3 | 1.00 | 1.22 | |
| Cuscinetto a sfera 626llb | ||||
| 026 | 211016-2 | 6.00 | 7.32 | |
| Rondella 6 | ||||
| 027 | 253804-1 | 1.00 | 1.22 | |
| Ingranaggio 76 6073-6074-6075Dw * | ||||
| 028 | 226234-9 | 10.80 | 13.18 | |
| Nessuna informazione disponibile, non ordinabile | ||||
| 029 | 216011-7 | |||
| Piastra di frizione | ||||
| 030 | 223086-9 | 4.80 | 5.86 | |
| Nessuna informazione disponibile, non ordinabile | ||||
| 031 | 231927-5 | |||
| Penna 3 | ||||
| 032 | 256101-4 | 1.00 | 1.22 | |
| Rondella 8 | ||||
| 033 | 257141-5 | 2.40 | 2.93 | |
| Disco | ||||
| 034 | 341902-4 | 1.00 | 1.22 | |
| Cuscinetto a rullini di spinta 1023 | ||||
| 035 | 216413-7 | 3.60 | 4.39 | |
| Rondella 8 * | ||||
| 036 | 253851-2 | 1.00 | 1.22 | |
| SLITTA SA | ||||
| 037 | 164840-1 | 3.60 | 4.39 | |
| Ingranaggio 12-28 | ||||
| 038 | 226062-2 | 26.40 | 32.21 | |
| Cuscinetto di scorrimento 4 | ||||
| 039 | 214019-5 | 1.00 | 1.22 | |
| Penna 3 | ||||
| 040 | 256157-7 | 1.00 | 1.22 | |
| Bottone di regolazione 6012Hdw-6095Dw | ||||
| 041 | 168096-8 | 4.80 | 5.86 | |
| Molla a Balia | ||||
| 042 | 232053-3 | 1.00 | 1.22 | |
| Morsetto per chiave del mandrino | ||||
| 043 | 411640-3 | 1.00 | 1.22 | |
| Nessuna informazione disponibile, non ordinabile | ||||
| 045 | 531074-5 | |||
| Piastra del terminale della batteria | ||||
| 047 | 342833-0 | 2.40 | 2.93 | |