Qui troverai tutte le parti e i disegni disponibili di “Hikoki WR25SE”. Da qui puoi ordinare direttamente tutte le parti desiderate. Molte parti devono essere ordinate dal produttore, a seconda della marca, ciò richiede da una a quattro settimane. Tutte le informazioni che abbiamo sono sul nostro sito web, non possiamo consigliarti su ciò di cui hai bisogno, per questo dovrai restituire la macchina per la riparazione. Nota quanto segue al momento dell’ordinazione:
Disegni tecnici di Hikoki WR25SE
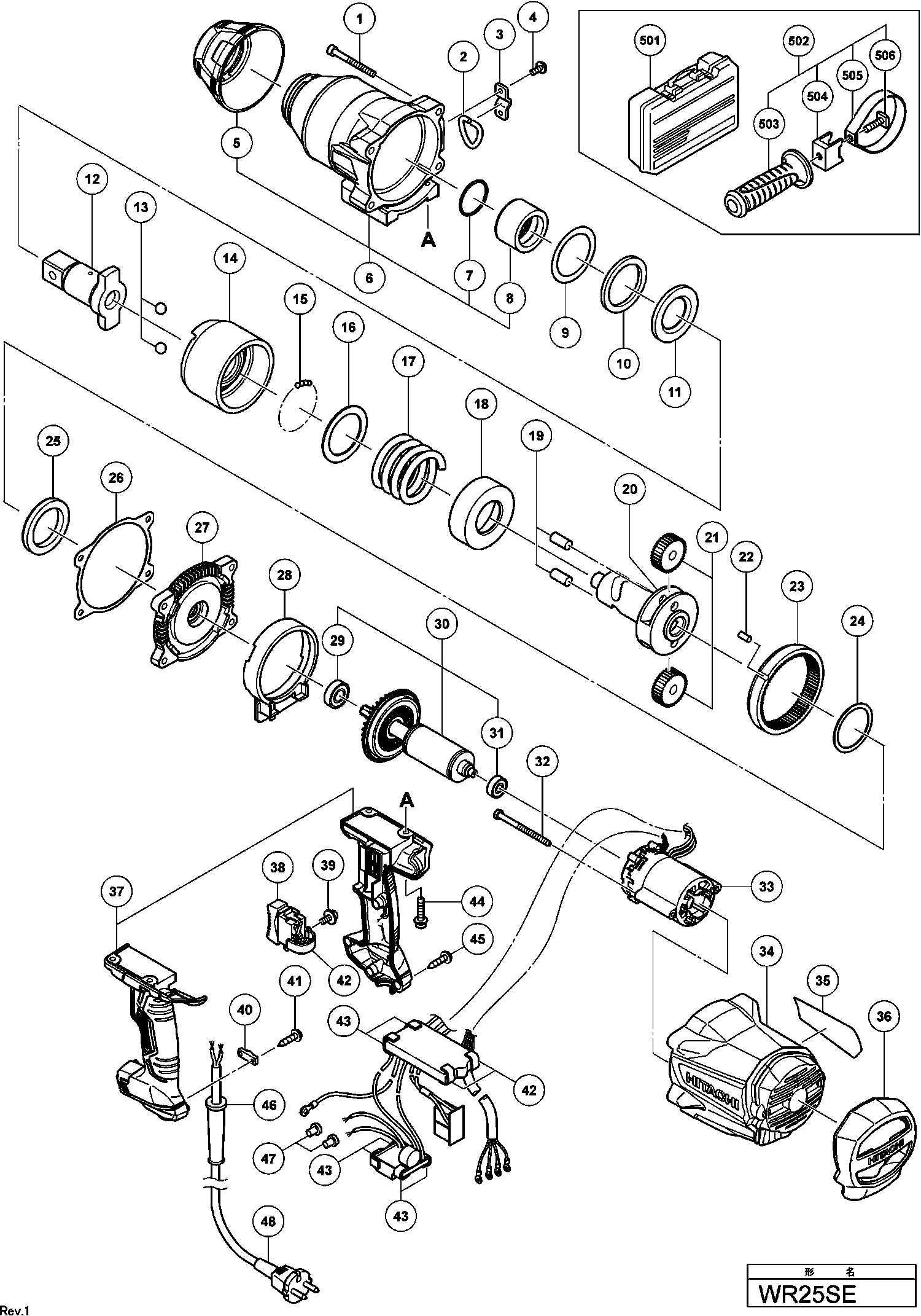
Elenco parti di Hikoki WR25SE
| Pos. | Descrizione | Prezzo IVA escl | Prezzo IVA incl | |
| I prezzi indicati sono comprensivi di IVA | ||||
| Controller del stator (c) Set 220v-230v | ||||
| *33 | 340895E | 160.05 | 195.26 | |
| STATOR CONTROLLER (C) SET 110 VOLT | ||||
| *33 | 340895C | 137.00 | 167.14 | |
| Protezione cavo D8.8 | ||||
| *46 | 380090 | 1.04 | 1.27 | |
| Boccola del cavo D10.1 | ||||
| *46 | 938051 | 1.04 | 1.27 | |
| SNOER 10.7 (USE 714500=2X1 5M) | ||||
| *48 | 500247Z | 6.18 | 7.54 | |
| Serratura del Sigillo. Vite esagonale M6x50 | ||||
| 1 | 986491 | 1.04 | 1.27 | |
| Appendiabiti (b) | ||||
| 2 | 932916 | 1.04 | 1.27 | |
| HANGER (A) | ||||
| 3 | 932915 | 1.00 | 1.22 | |
| Non più disponibile, nessuna sostituzione | ||||
| 4 | 993126 | |||
| Paraurti (c) Fino al 6.2016 | ||||
| 5 | 337836 | 8.55 | 10.43 | |
| BUMPER (F) (OLD 337836) | ||||
| 5A | 371207 | 1.08 | 1.32 | |
| Nessuna informazione disponibile, non ordinabile | ||||
| 6 | 337835 | |||
| Cassa del martello | ||||
| 6A | 371206 | 84.84 | 103.50 | |
| Anello O (p-35) | ||||
| 7 | 319732 | 1.80 | 2.20 | |
| Metallo (b) | ||||
| 8 | 337837 | 11.70 | 14.27 | |
| Rondella (c) | ||||
| 9 | 338351 | 1.50 | 1.83 | |
| Ammortizzatore (c) | ||||
| 10 | 338350 | 4.50 | 5.49 | |
| Rondella (b) Ds9dva/ds12dva/ds14dv Ds14dva/ds14dvb | ||||
| 11 | 337834 | 5.40 | 6.59 | |
| Incudine (c) | ||||
| 12 | 337820 | 65.31 | 79.68 | |
| Pallina di acciaio D10.3 | ||||
| 13 | 337838 | 1.04 | 1.27 | |
| Martello (c) | ||||
| 14 | 337832 | 64.08 | 78.17 | |
| Pallina di acciaio D4.76 (10 pezzi) | ||||
| 15 | 959149 | 1.04 | 1.27 | |
| Rondella del martello (c) | ||||
| 16 | 337831 | 3.00 | 3.66 | |
| Molla del martello (c) | ||||
| 17 | 337829 | 14.30 | 17.45 | |
| Foglio di molla (c) | ||||
| 18 | 337828 | 14.58 | 17.78 | |
| Rullo ad ago | ||||
| 19 | 337827 | 1.80 | 2.20 | |
| ALBERO (C) | ||||
| 20 | 337830 | 64.08 | 78.17 | |
| Set di ingranaggi inattivi (2 pezzi.) | ||||
| 21 | 338352 | 9.00 | 10.98 | |
| Rullo ad ago | ||||
| 22 | 991449 | 1.05 | 1.28 | |
| Ingranaggio Anulare | ||||
| 23 | 337839 | 13.35 | 16.29 | |
| Rondella (a) | ||||
| 24 | 337833 | 1.80 | 2.20 | |
| Metallo (a) | ||||
| 25 | 337825 | 8.55 | 10.43 | |
| Imballaggio (c) | ||||
| 26 | 337821 | 1.05 | 1.28 | |
| Copertura interna (c) | ||||
| 27 | 337824 | 25.03 | 30.53 | |
| Guida ventola (c) | ||||
| 28 | 337823 | 2.10 | 2.56 | |
| Cuscinetto a sfere 6001dducmps2s (vecchio 980925) | ||||
| 29 | 6001DD | 6.45 | 7.87 | |
| Insieme di rotore (c) Includ.29,31 | ||||
| 30 | 360989 | 150.29 | 183.35 | |
| Cuscinetto a sfere 608vv | ||||
| 31 | 333945 | 1.80 | 2.20 | |
| Vite D5x70 | ||||
| 32 | 961400 | 1.04 | 1.27 | |
| Controller del stator (c) Set 220v-230v | ||||
| 33 | 340895E | 160.05 | 195.26 | |
| STATOR CONTROLLER (C) SET 110 VOLT | ||||
| 33 | 340895C | 137.00 | 167.14 | |
| Custodia (c) | ||||
| 34 | 338349 | 51.15 | 62.40 | |
| Custodia (c) | ||||
| 34A | 338349 | 51.15 | 62.40 | |
| PARAURTI POSTERIORE (c) | ||||
| 36 | 337822 | 12.45 | 15.19 | |
| PARAURTI POSTERIORE (c) | ||||
| 36A | 337822 | 12.45 | 15.19 | |
| Set di maniglie (a+b) | ||||
| 37 | 338505 | 21.45 | 26.17 | |
| Interruttore | ||||
| 38 | 337202 | 23.93 | 29.19 | |
| Vite per macchina M3,5x5 | ||||
| 39 | 980060 | 1.05 | 1.28 | |
| Strip di serraggio (vecchio 994566) | ||||
| 40 | 937631 | 1.04 | 1.27 | |
| Nessuna informazione disponibile, non ordinabile | ||||
| 41 | 984750 | |||
| Gomma di ammortizzazione 30x10x3 | ||||
| 42 | 338353 | 1.04 | 1.27 | |
| Gomma di ammortizzazione 45x10x3 | ||||
| 42 | 338354 | 1.04 | 1.27 | |
| Gomma di ammortizzazione 45x10x3 | ||||
| 43 | 338354 | 1.04 | 1.27 | |
| Gomma di ammortizzazione 30x10x3 | ||||
| 43 | 338353 | 1.04 | 1.27 | |
| Bullone a brugola Hd. (con rondelle) M5x20 | ||||
| 44 | 316107 | 1.80 | 2.20 | |
| Vite per foratura D4x20 con flangia (nero) | ||||
| 45 | 301653 | 1.04 | 1.27 | |
| Vite D4x20 (Cravatta di plastica) | ||||
| 45A | 994806 | 1.04 | 1.27 | |
| Protezione cavo D8.8 | ||||
| 46 | 380090 | 1.04 | 1.27 | |
| Boccola del cavo D10.1 | ||||
| 46 | 938051 | 1.04 | 1.27 | |
| Giunzione di saldatura 50091 (10 pezzi) | ||||
| 47 | 959140 | 3.30 | 4.03 | |
| Cavo 230 Volt Gbr | ||||
| 48 | 500450Z | 31.63 | 38.58 | |
| Cavo 3M 2 X 1,0 H05vv-f con spina 16a CEE | ||||
| 48 | 500461Z | 17.88 | 21.81 | |
| Cavo | ||||
| 48 | 500240Z | 13.18 | 16.07 | |
| SNOER 2.5M 2 X 1.0 H05VV-F W/PLUG 13A/250V (OLD 50 | ||||
| 48 | 500423Z | 12.87 | 15.70 | |
| SNOER 10.7 (USE 714500=2X1 5M) | ||||
| 48 | 500247Z | 6.18 | 7.54 | |
| Nessuna informazione disponibile, non ordinabile | ||||
| 501 | 338503 | |||
| Nessuna informazione disponibile, non ordinabile | ||||
| 502 | 338347 | |||
| Nessuna informazione disponibile, non ordinabile | ||||
| 503 | 330209 | |||
| Porta manico Dh40ma/mb/yb/fa/mr | ||||
| 504 | 323775 | 8.25 | 10.06 | |
| Anello di Maniglia | ||||
| 505 | 338502 | 13.35 | 16.29 | |
| Bullone quadrato | ||||
| 506 | 980903 | 1.35 | 1.65 | |