Qui troverai tutte le parti e i disegni disponibili di “Hikoki WR18DBAL2”. Da qui puoi ordinare direttamente tutte le parti desiderate. Molte parti devono essere ordinate dal produttore, a seconda della marca, ciò richiede da una a quattro settimane. Tutte le informazioni che abbiamo sono sul nostro sito web, non possiamo consigliarti su ciò di cui hai bisogno, per questo dovrai restituire la macchina per la riparazione. Nota quanto segue al momento dell’ordinazione:
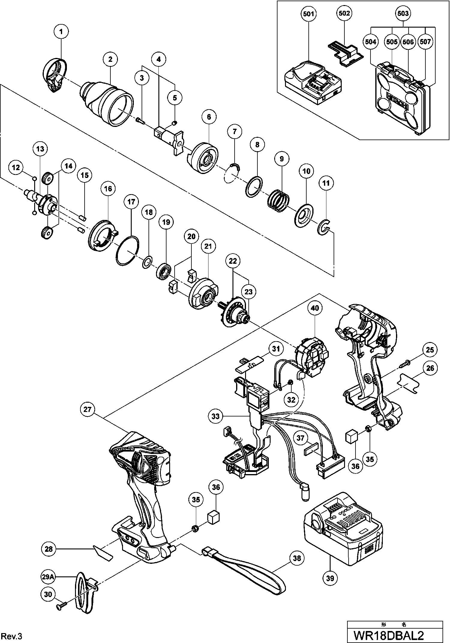
Disegni tecnici di Hikoki WR18DBAL2
Elenco parti di Hikoki WR18DBAL2
| Pos. | Descrizione | Prezzo IVA escl | Prezzo IVA incl | |
| I prezzi indicati sono comprensivi di IVA | ||||
| Nessuna informazione disponibile, non ordinabile | ||||
| *39 | 334905 | |||
| Cappuccio frontale H45ma/h60ma/mb H45mr | ||||
| 1 | 334515 | 3.45 | 4.21 | |
| Caso Frontale | ||||
| 2 | 334514 | 33.55 | 40.93 | |
| Ritenitore di Perno (a) | ||||
| 3 | 323542 | 1.05 | 1.28 | |
| Incudine | ||||
| 4 | 329718 | 40.01 | 48.82 | |
| Non più disponibile, nessuna sostituzione | ||||
| 5 | 323541 | |||
| Pistone (b) | ||||
| 5A | 324256 | 1.05 | 1.28 | |
| Martello | ||||
| 6 | 326789 | 21.73 | 26.50 | |
| Pallina di acciaio D3.175 (10 pezzi) | ||||
| 7 | 959148 | 1.05 | 1.28 | |
| RONDINA | ||||
| 8 | 315978 | 1.65 | 2.01 | |
| Molla del martello | ||||
| 9 | 321660 | 3.30 | 4.03 | |
| RONDINA | ||||
| 10 | 316172 | 1.65 | 2.01 | |
| Fermaglio | ||||
| 11 | 316171 | 4.35 | 5.31 | |
| Pallina d'acciaio D5.556 (10 pezzi) | ||||
| 12 | 959154 | 1.35 | 1.65 | |
| BARRA TOMMY | ||||
| 13 | 330658 | 26.95 | 32.88 | |
| Set di ingranaggi ad inerzia (2 Pz.) | ||||
| 14 | 326295 | 21.31 | 26.00 | |
| Rullo ad ago | ||||
| 15 | 319914 | 1.65 | 2.01 | |
| Ingranaggio Anulare | ||||
| 16 | 330657 | 3.75 | 4.58 | |
| Anello O (s-42) | ||||
| 17 | 983852 | 1.95 | 2.38 | |
| Rondella (e) | ||||
| 18 | 330855 | 1.80 | 2.20 | |
| Cuscinetto a Sfere 6901vv-n | ||||
| 19 | 323118 | 6.75 | 8.24 | |
| Anello di smorzamento | ||||
| 20 | 333952 | 1.80 | 2.20 | |
| Coperchio interno | ||||
| 21 | 326786 | 1.80 | 2.20 | |
| Montaggio del rotore Includ.23 | ||||
| 22 | 334565 | 82.36 | 100.48 | |
| Cuscinetto a sfere 624dd | ||||
| 23 | 333784 | 3.45 | 4.21 | |
| Vite per foratura D4x20 con flangia (nero) | ||||
| 25 | 301653 | 1.04 | 1.27 | |
| Custodia(a).(b)set (verde) | ||||
| 27 | 334365 | 28.46 | 34.72 | |
| Foglio del pannello (a) | ||||
| 28 | 330662 | 3.45 | 4.21 | |
| Nessuna informazione disponibile, non ordinabile | ||||
| 29 | 330666 | |||
| Nessuna informazione disponibile, non ordinabile | ||||
| 29A | 335724 | |||
| HAAK (OUD 335724) | ||||
| 29B | 372200 | 7.02 | 8.56 | |
| Vite M4 | ||||
| 30 | 327001 | 1.80 | 2.20 | |
| Pulsante Spinta | ||||
| 31 | 321661 | 1.65 | 2.01 | |
| Vite per Macchina M3x5 con Anello | ||||
| 32 | 994532 | 1.04 | 1.27 | |
| Interruttore | ||||
| 33 | 334906 | 33.55 | 40.93 | |
| Dado di blocco M4 (nero) | ||||
| 35 | 327002 | 1.80 | 2.20 | |
| Guarnizione | ||||
| 36 | 330854 | 1.80 | 2.20 | |
| Cuscino C18dmr | ||||
| 37 | 331101 | 1.80 | 2.20 | |
| Cinghia (nera) | ||||
| 38 | 306952 | 4.05 | 4.94 | |
| Nessuna informazione disponibile, non ordinabile | ||||
| 39 | 334905 | |||
| Assemblaggio Cablaggio Incluso.32,33,37 | ||||
| 40 | 337689 | 163.08 | 198.95 | |
| Cappuccio di protezione per batteria | ||||
| 502 | 329897 | 1.80 | 2.20 | |
| Nessuna informazione disponibile, non ordinabile | ||||
| 503 | 329440 | |||
| Blocco (grigio scuro) | ||||
| 504 | 334233 | 1.80 | 2.20 | |
| Manopola (l) Grigio Scuro | ||||
| 505 | 334235 | 1.80 | 2.20 | |
| Leva KA 65 | ||||
| 506 | 334232 | 3.45 | 4.21 | |
| Leva KA 65 | ||||
| 507 | 334232 | 3.45 | 4.21 | |
| Manopola (r) Grigio scuro | ||||
| 507 | 334234 | 1.80 | 2.20 | |
| Nessuna informazione disponibile, non ordinabile | ||||
| 601 | 873537 | |||
| Nessuna informazione disponibile, non ordinabile | ||||
| 602 | 873187 | |||
| Nessuna informazione disponibile, non ordinabile | ||||
| 603 | 991481 | |||
| Nessuna informazione disponibile, non ordinabile | ||||
| 604 | 992610 | |||
| Nessuna informazione disponibile, non ordinabile | ||||
| 605 | 955153 | |||
| Nessuna informazione disponibile, non ordinabile | ||||
| 606 | 991476 | |||
| Nessuna informazione disponibile, non ordinabile | ||||
| 607 | 944291 | |||
| Nessuna informazione disponibile, non ordinabile | ||||
| 608 | 873632 | |||
| Nessuna informazione disponibile, non ordinabile | ||||
| 609 | 873539 | |||
| Nessuna informazione disponibile, non ordinabile | ||||
| 610 | 873540 | |||
| Nessuna informazione disponibile, non ordinabile | ||||
| 611 | 873536 | |||
| Nessuna informazione disponibile, non ordinabile | ||||
| 612 | 873624 | |||
| Nessuna informazione disponibile, non ordinabile | ||||
| 613 | 873626 | |||
| Nessuna informazione disponibile, non ordinabile | ||||
| 614 | 873627 | |||
| Nessuna informazione disponibile, non ordinabile | ||||
| 615 | 986058 | |||
| Nessuna informazione disponibile, non ordinabile | ||||
| 616 | 873633 | |||
| Nessuna informazione disponibile, non ordinabile | ||||
| 617 | 955138 | |||
| Nessuna informazione disponibile, non ordinabile | ||||
| 618 | 955139 | |||
| Nessuna informazione disponibile, non ordinabile | ||||
| 619 | 955140 | |||
| Nessuna informazione disponibile, non ordinabile | ||||
| 620 | 955141 | |||
| Nessuna informazione disponibile, non ordinabile | ||||
| 621 | 955149 | |||
| Nessuna informazione disponibile, non ordinabile | ||||
| 622 | 955142 | |||
| Nessuna informazione disponibile, non ordinabile | ||||
| 623 | 955150 | |||
| Nessuna informazione disponibile, non ordinabile | ||||
| 624 | 955143 | |||
| Nessuna informazione disponibile, non ordinabile | ||||
| 625 | 955151 | |||
| Nessuna informazione disponibile, non ordinabile | ||||
| 626 | 991480 | |||
| Nessuna informazione disponibile, non ordinabile | ||||
| 627 | 955144 | |||
| Nessuna informazione disponibile, non ordinabile | ||||
| 628 | 993658 | |||
| Nessuna informazione disponibile, non ordinabile | ||||
| 629 | 993659 | |||
| SOCKET ASS'Y FOR DUCT 13MMX95L | ||||
| 630 | 992613 | 75.96 | 92.67 | |
| Nessuna informazione disponibile, non ordinabile | ||||
| 631 | 992614 | |||
| Nessuna informazione disponibile, non ordinabile | ||||
| 632 | 992615 | |||
| Nessuna informazione disponibile, non ordinabile | ||||
| 633 | 992616 | |||
| Grasso (attolub Ms No.2) 500g | ||||
| 634 | 309922 | 73.01 | 89.08 | |
| Nessuna informazione disponibile, non ordinabile | ||||
| 635 | 306927 | |||