Qui troverai tutte le parti e i disegni disponibili di “Hikoki WR14DSDL”. Da qui puoi ordinare direttamente tutte le parti desiderate. Molte parti devono essere ordinate dal produttore, a seconda della marca, ciò richiede da una a quattro settimane. Tutte le informazioni che abbiamo sono sul nostro sito web, non possiamo consigliarti su ciò di cui hai bisogno, per questo dovrai restituire la macchina per la riparazione. Nota quanto segue al momento dell’ordinazione:
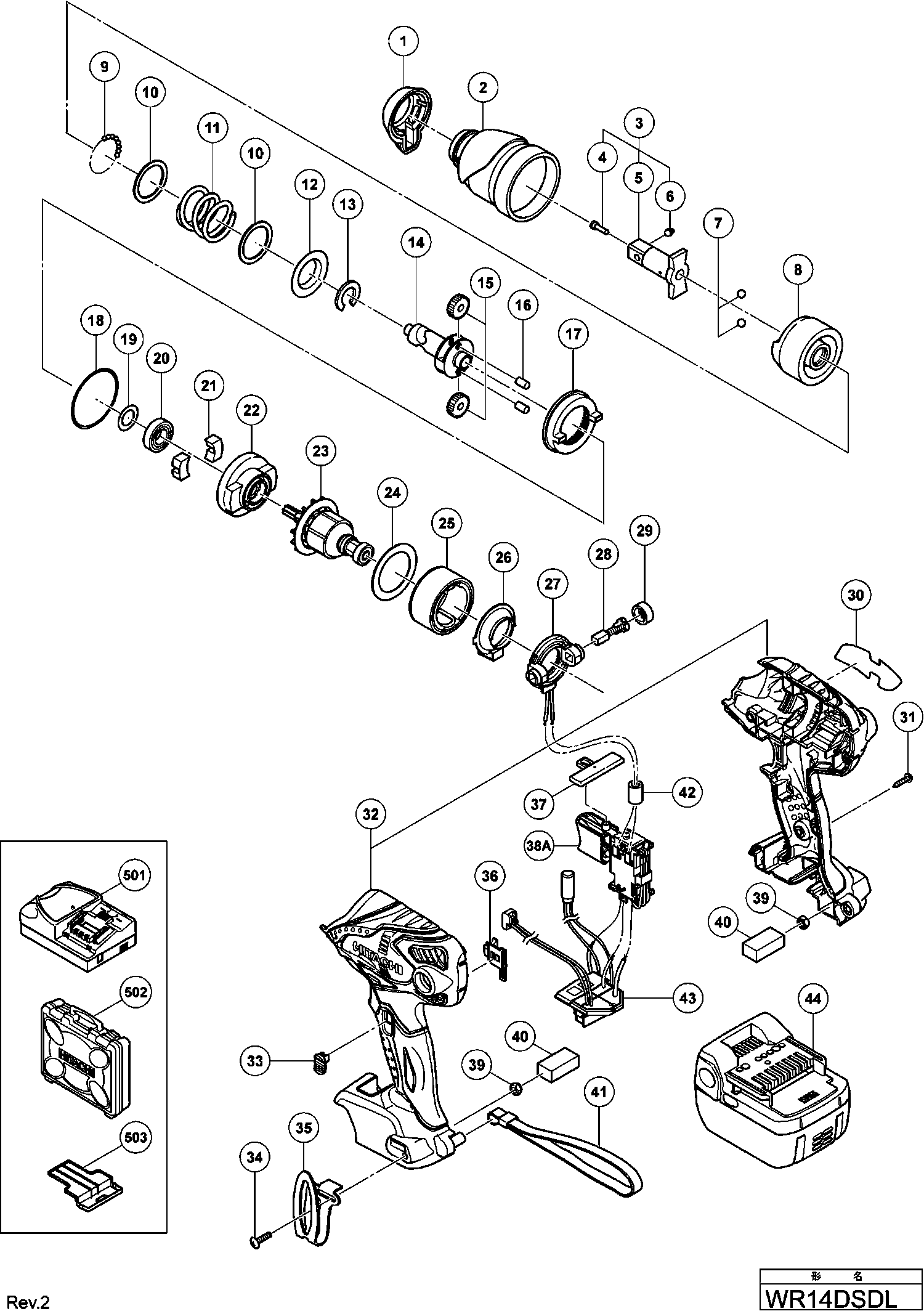
Disegni tecnici di Hikoki WR14DSDL
Elenco parti di Hikoki WR14DSDL
| Pos. | Descrizione | Prezzo IVA escl | Prezzo IVA incl | |
| I prezzi indicati sono comprensivi di IVA | ||||
| Nessuna informazione disponibile, non ordinabile | ||||
| *44 | 334727 | |||
| Cappuccio frontale H45ma/h60ma/mb H45mr | ||||
| 1 | 332198 | 3.38 | 4.12 | |
| Custodia del martello | ||||
| 2 | 332200 | 19.05 | 23.24 | |
| Incudine | ||||
| 3 | 332196 | 17.13 | 20.89 | |
| Ritenuta del Perno (b) | ||||
| 4 | 324257 | 1.05 | 1.28 | |
| Nessuna informazione disponibile, non ordinabile | ||||
| 5 | 332197 | |||
| Pistone (b) | ||||
| 6 | 324256 | 1.05 | 1.28 | |
| Pallina d'acciaio D5.556 (10 pezzi) | ||||
| 7 | 959154 | 1.35 | 1.65 | |
| Colpitore | ||||
| 8 | 333749 | 20.90 | 25.50 | |
| Pallina di acciaio D3.175 (10 pezzi) | ||||
| 9 | 959148 | 1.05 | 1.28 | |
| RONDINA | ||||
| 10 | 315978 | 1.65 | 2.01 | |
| Molla dell'hamer (f) | ||||
| 11 | 324224 | 3.30 | 4.03 | |
| RONDINA | ||||
| 12 | 316172 | 1.65 | 2.01 | |
| TAPPO (B) | ||||
| 13 | 324222 | 1.05 | 1.28 | |
| BARRA TOMMY | ||||
| 14 | 332186 | 33.55 | 40.93 | |
| Set di ingranaggi ad inerzia (2 Pz.) | ||||
| 15 | 326295 | 21.31 | 26.00 | |
| Rullo ad ago | ||||
| 16 | 319914 | 1.65 | 2.01 | |
| Ingranaggio Anulare | ||||
| 17 | 326787 | 13.89 | 16.94 | |
| Anello O (s-42) | ||||
| 18 | 983852 | 1.95 | 2.38 | |
| Rondella | ||||
| 19 | 319911 | 1.65 | 2.01 | |
| Nessuna informazione disponibile, non ordinabile | ||||
| 20 | 6901VV | |||
| AMMORTIZZATORE | ||||
| 21 | 324230 | 1.05 | 1.28 | |
| Cappuccio di copertura STM 1800 | ||||
| 22 | 332185 | 3.45 | 4.21 | |
| Set di Armatura e Pignone | ||||
| 23 | 360949 | 44.41 | 54.18 | |
| Rondella (a) | ||||
| 24 | 324607 | 1.05 | 1.28 | |
| Magnete (j) Ass'y Incl.24 | ||||
| 25 | 334901 | 79.89 | 97.46 | |
| Anello di polvere | ||||
| 26 | 324228 | 1.05 | 1.28 | |
| blocco della spazzola completo | ||||
| 27 | 334955 | 6.15 | 7.50 | |
| Spazzole di carbone 5x6x11,5 (2 pezzi) | ||||
| 28 | 999054 | 6.45 | 7.87 | |
| Cappuccio della spazzola | ||||
| 29 | 319918 | 3.30 | 4.03 | |
| Vite per foratura D4x20 con flangia (nero) | ||||
| 31 | 301653 | 1.04 | 1.27 | |
| Custodia (a).(b) Set | ||||
| 32 | 334954 | 19.11 | 23.32 | |
| Custodia (a).(b) Set | ||||
| 32A | 334954 | 19.11 | 23.32 | |
| Leva (a) | ||||
| 33 | 329519 | 1.80 | 2.20 | |
| Vite M4 | ||||
| 34 | 327001 | 1.80 | 2.20 | |
| GANCIO | ||||
| 35 | 332824 | 4.58 | 5.58 | |
| Leva (b) | ||||
| 36 | 329520 | 1.80 | 2.20 | |
| Pulsante di pressione | ||||
| 37 | 329454 | 1.05 | 1.28 | |
| Interruttore | ||||
| 38A | 337392 | 14.99 | 18.28 | |
| Dado di blocco M4 (nero) | ||||
| 39 | 327002 | 1.80 | 2.20 | |
| Guarnizione | ||||
| 40 | 328644 | 1.80 | 2.20 | |
| Cinghia (nera) | ||||
| 41 | 306952 | 4.05 | 4.94 | |
| Tubo termoretraibile | ||||
| 42 | 318247 | 1.05 | 1.28 | |
| Set terminale del controller | ||||
| 43 | 334957 | 45.65 | 55.69 | |
| Nessuna informazione disponibile, non ordinabile | ||||
| 44 | 334727 | |||
| Nessuna informazione disponibile, non ordinabile | ||||
| 502 | 337140 | |||
| Cappuccio di protezione per batteria | ||||
| 503 | 329897 | 1.80 | 2.20 | |
| Nessuna informazione disponibile, non ordinabile | ||||
| 601 | 873537 | |||
| Nessuna informazione disponibile, non ordinabile | ||||
| 602 | 873187 | |||
| Nessuna informazione disponibile, non ordinabile | ||||
| 603 | 991481 | |||
| Nessuna informazione disponibile, non ordinabile | ||||
| 604 | 992610 | |||
| Nessuna informazione disponibile, non ordinabile | ||||
| 605 | 955153 | |||
| Nessuna informazione disponibile, non ordinabile | ||||
| 606 | 991476 | |||
| Nessuna informazione disponibile, non ordinabile | ||||
| 607 | 944291 | |||
| Nessuna informazione disponibile, non ordinabile | ||||
| 608 | 873632 | |||
| Nessuna informazione disponibile, non ordinabile | ||||
| 609 | 873539 | |||
| Nessuna informazione disponibile, non ordinabile | ||||
| 610 | 873540 | |||
| Nessuna informazione disponibile, non ordinabile | ||||
| 611 | 873536 | |||
| Nessuna informazione disponibile, non ordinabile | ||||
| 612 | 873624 | |||
| Nessuna informazione disponibile, non ordinabile | ||||
| 613 | 873626 | |||
| Nessuna informazione disponibile, non ordinabile | ||||
| 614 | 873627 | |||
| Nessuna informazione disponibile, non ordinabile | ||||
| 615 | 986058 | |||
| Nessuna informazione disponibile, non ordinabile | ||||
| 616 | 873633 | |||
| Nessuna informazione disponibile, non ordinabile | ||||
| 617 | 955138 | |||
| Nessuna informazione disponibile, non ordinabile | ||||
| 618 | 955139 | |||
| Nessuna informazione disponibile, non ordinabile | ||||
| 619 | 955140 | |||
| Nessuna informazione disponibile, non ordinabile | ||||
| 620 | 955141 | |||
| Nessuna informazione disponibile, non ordinabile | ||||
| 621 | 955149 | |||
| Nessuna informazione disponibile, non ordinabile | ||||
| 622 | 955142 | |||
| Nessuna informazione disponibile, non ordinabile | ||||
| 623 | 955150 | |||
| Nessuna informazione disponibile, non ordinabile | ||||
| 624 | 955143 | |||
| Nessuna informazione disponibile, non ordinabile | ||||
| 625 | 955151 | |||
| Nessuna informazione disponibile, non ordinabile | ||||
| 626 | 991480 | |||
| Nessuna informazione disponibile, non ordinabile | ||||
| 627 | 955144 | |||
| Nessuna informazione disponibile, non ordinabile | ||||
| 628 | 993658 | |||
| Nessuna informazione disponibile, non ordinabile | ||||
| 629 | 993659 | |||
| SOCKET ASS'Y FOR DUCT 13MMX95L | ||||
| 630 | 992613 | 75.96 | 92.67 | |
| Nessuna informazione disponibile, non ordinabile | ||||
| 631 | 992614 | |||
| Nessuna informazione disponibile, non ordinabile | ||||
| 632 | 992615 | |||
| Nessuna informazione disponibile, non ordinabile | ||||
| 633 | 992616 | |||
| Grasso (attolub Ms No.2) 500g | ||||
| 634 | 309922 | 73.01 | 89.08 | |
| Nessuna informazione disponibile, non ordinabile | ||||
| 635 | 306927 | |||