Qui troverai tutte le parti e i disegni disponibili di “Hikoki WM18DBL”. Da qui puoi ordinare direttamente tutte le parti desiderate. Molte parti devono essere ordinate dal produttore, a seconda della marca, ciò richiede da una a quattro settimane. Tutte le informazioni che abbiamo sono sul nostro sito web, non possiamo consigliarti su ciò di cui hai bisogno, per questo dovrai restituire la macchina per la riparazione. Nota quanto segue al momento dell’ordinazione:
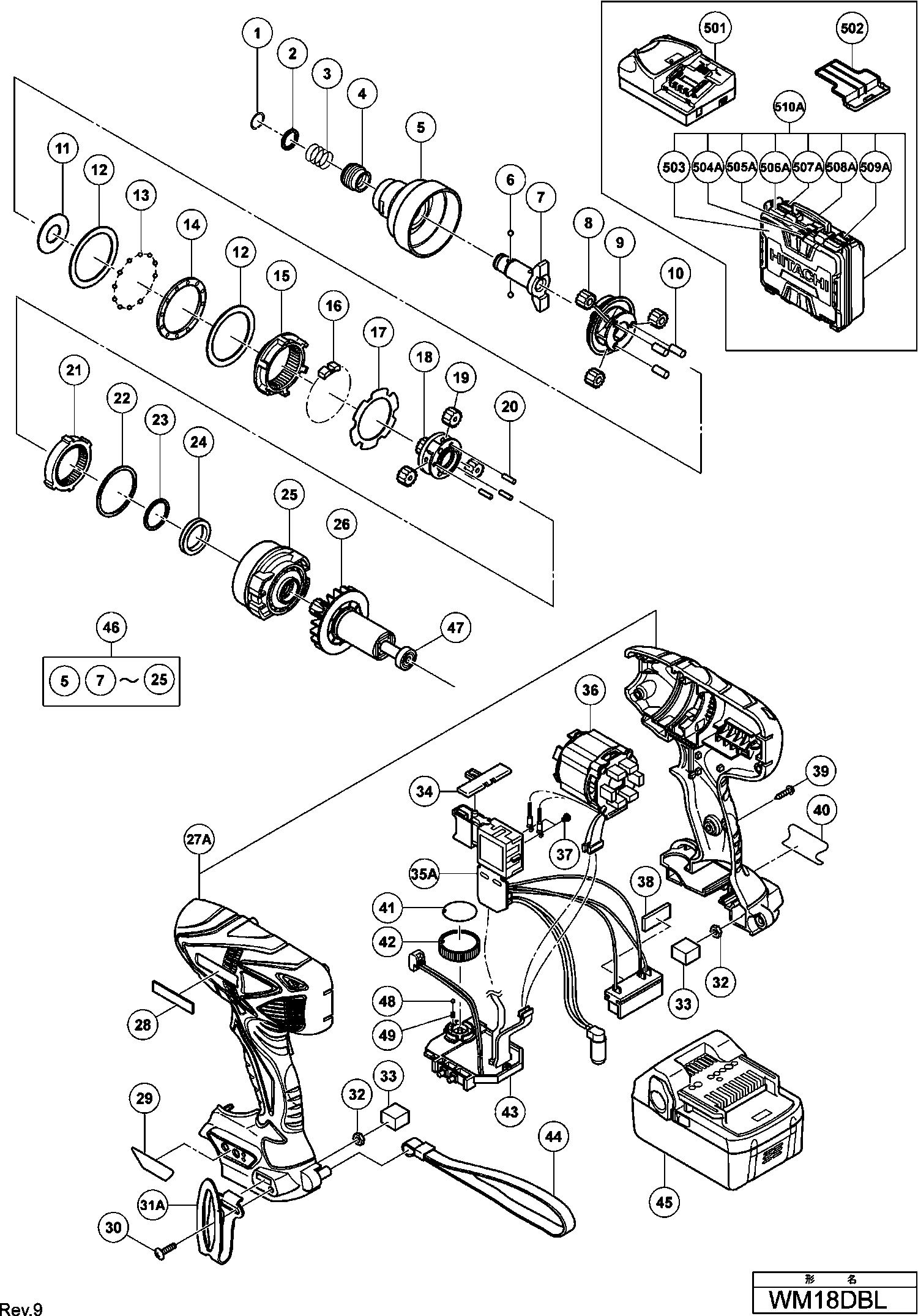
Disegni tecnici di Hikoki WM18DBL
Elenco parti di Hikoki WM18DBL
| Pos. | Descrizione | Prezzo IVA escl | Prezzo IVA incl | |
| I prezzi indicati sono comprensivi di IVA | ||||
| Nessuna informazione disponibile, non ordinabile | ||||
| *46 | 332681 | |||
| Incudine | ||||
| *7 | 333270 | 29.70 | 36.23 | |
| Rondella elastica | ||||
| 1 | 315984 | 1.65 | 2.01 | |
| Rondella (d) Cm12y | ||||
| 2 | 330856 | 1.88 | 2.29 | |
| Molla di guida (VECCHIO 322716) | ||||
| 3 | 321657 | 1.65 | 2.01 | |
| Cespuglio guida | ||||
| 4 | 322717 | 3.30 | 4.03 | |
| Nessuna informazione disponibile, non ordinabile | ||||
| 5 | 333278 | |||
| SFERA DI ACCIAIO D3,5 (10 pezzi) | ||||
| 6 | 319535 | 1.65 | 2.01 | |
| Incudine | ||||
| 7 | 333270 | 29.70 | 36.23 | |
| Pignone (b) | ||||
| 8 | 333274 | 1.80 | 2.20 | |
| Martello | ||||
| 9 | 333271 | 39.74 | 48.48 | |
| Nessuna informazione disponibile, non ordinabile | ||||
| 10 | 333288 | |||
| Rondella (d) Cm12y | ||||
| 11 | 333283 | 1.80 | 2.20 | |
| Rondella (e) | ||||
| 12 | 333284 | 1.80 | 2.20 | |
| Palla di acciaio D2.5 (10 Pezzi.) | ||||
| 13 | 329303 | 1.80 | 2.20 | |
| Rondella (f) | ||||
| 14 | 333285 | 1.80 | 2.20 | |
| Ingranaggio Anulare (b) | ||||
| 15 | 333276 | 9.75 | 11.90 | |
| Anello di smorzamento | ||||
| 16 | 333279 | 1.80 | 2.20 | |
| Rondella (c) | ||||
| 17 | 333282 | 1.80 | 2.20 | |
| Pignone (b) | ||||
| 18 | 333277 | 14.16 | 17.28 | |
| Pignone (a) | ||||
| 19 | 333273 | 1.80 | 2.20 | |
| Rullo ad ago | ||||
| 20 | 333287 | 1.80 | 2.20 | |
| Ingranaggio Anulare (a) | ||||
| 21 | 333275 | 3.45 | 4.21 | |
| Rondella (b) Ds9dva/ds12dva/ds14dv Ds14dva/ds14dvb | ||||
| 22 | 333281 | 1.80 | 2.20 | |
| Rondella (a) | ||||
| 23 | 333280 | 1.80 | 2.20 | |
| Metallo | ||||
| 24 | 333286 | 1.80 | 2.20 | |
| Nessuna informazione disponibile, non ordinabile | ||||
| 25 | 333272 | |||
| ROTATORE | ||||
| 26 | 332679 | 82.36 | 100.48 | |
| Custodia(a).(b)set (verde) | ||||
| 27A | 334283 | 27.50 | 33.55 | |
| Piastra Hitachi | ||||
| 28 | 329648 | 1.88 | 2.29 | |
| Piastra Hitachi | ||||
| 28A | 329648 | 1.88 | 2.29 | |
| Foglio del pannello (a) | ||||
| 29 | 332680 | 1.80 | 2.20 | |
| Vite M4 | ||||
| 30 | 327001 | 1.80 | 2.20 | |
| Nessuna informazione disponibile, non ordinabile | ||||
| 31A | 335724 | |||
| HAAK (OUD 335724) | ||||
| 31B | 372200 | 7.02 | 8.56 | |
| Dado di blocco M4 (nero) | ||||
| 32 | 327002 | 1.80 | 2.20 | |
| Guarnizione | ||||
| 33 | 330854 | 1.80 | 2.20 | |
| Pulsante Spinta | ||||
| 34 | 321661 | 1.65 | 2.01 | |
| Interruttore di controllo velocità DC | ||||
| 35A | 334903 | 30.53 | 37.24 | |
| CAMPO | ||||
| 36 | 333540 | 121.96 | 148.79 | |
| Vite per Macchina M3x5 con Anello | ||||
| 37 | 994532 | 1.04 | 1.27 | |
| Cuscino C18dmr | ||||
| 38 | 331101 | 1.80 | 2.20 | |
| Vite per foratura D4x20 con flangia (nero) | ||||
| 39 | 301653 | 1.04 | 1.27 | |
| Guarnizione | ||||
| 41 | 333291 | 1.80 | 2.20 | |
| Quadrante | ||||
| 42 | 333348 | 5.10 | 6.22 | |
| Nessuna informazione disponibile, non ordinabile | ||||
| 43 | 333407 | |||
| Cinghia (nera) | ||||
| 44 | 306952 | 4.05 | 4.94 | |
| Nessuna informazione disponibile, non ordinabile | ||||
| 45 | 330068 | |||
| Giunto Scorrevole Completo | ||||
| 46 | 332682 | 134.20 | 163.72 | |
| Cuscinetto a sfere 625dd | ||||
| 47 | 333826 | 5.10 | 6.22 | |
| Pallina di acciaio D3.175 (10 pezzi) | ||||
| 48 | 959148 | 1.05 | 1.28 | |
| Molla | ||||
| 49 | 333984 | 1.80 | 2.20 | |
| Cappuccio di protezione per batteria | ||||
| 502 | 329897 | 1.80 | 2.20 | |
| CASE COVER | ||||
| 503 | 331363 | 10.50 | 12.81 | |
| Sotto chiavistello | ||||
| 504A | 336588 | 1.04 | 1.27 | |
| Nessuna informazione disponibile, non ordinabile | ||||
| 505A | 336587 | |||
| Blocco (grigio scuro) | ||||
| 506A | 334233 | 1.80 | 2.20 | |
| Manopola (l) Grigio Scuro | ||||
| 507A | 334235 | 1.80 | 2.20 | |
| Leva KA 65 | ||||
| 508A | 334232 | 3.45 | 4.21 | |
| Manopola (r) Grigio scuro | ||||
| 509A | 334234 | 1.80 | 2.20 | |
| Nessuna informazione disponibile, non ordinabile | ||||
| 510A | 334231 | |||
| Nessuna informazione disponibile, non ordinabile | ||||
| 601 | 321823 | |||
| Nessuna informazione disponibile, non ordinabile | ||||
| 602 | 992671 | |||
| Nessuna informazione disponibile, non ordinabile | ||||
| 603 | 992672 | |||
| Nessuna informazione disponibile, non ordinabile | ||||
| 604 | 992689 | |||
| Nessuna informazione disponibile, non ordinabile | ||||
| 605 | 996177 | |||
| Non più disponibile, nessuna sostituzione | ||||
| 606 | 985329 | |||
| Nessuna informazione disponibile, non ordinabile | ||||
| 607 | 996178 | |||
| Nessuna informazione disponibile, non ordinabile | ||||
| 608 | 996179 | |||
| Nessuna informazione disponibile, non ordinabile | ||||
| 609 | 996180 | |||
| Nessuna informazione disponibile, non ordinabile | ||||
| 610 | 996181 | |||
| Nessuna informazione disponibile, non ordinabile | ||||
| 611 | 996182 | |||
| Nessuna informazione disponibile, non ordinabile | ||||
| 612 | 987575 | |||
| Nessuna informazione disponibile, non ordinabile | ||||
| 613 | 307543 | |||
| Nessuna informazione disponibile, non ordinabile | ||||
| 614 | 306927 | |||