Qui troverai tutte le parti e i disegni disponibili di “Hikoki WH14DDL”. Da qui puoi ordinare direttamente tutte le parti desiderate. Molte parti devono essere ordinate dal produttore, a seconda della marca, ciò richiede da una a quattro settimane. Tutte le informazioni che abbiamo sono sul nostro sito web, non possiamo consigliarti su ciò di cui hai bisogno, per questo dovrai restituire la macchina per la riparazione. Nota quanto segue al momento dell’ordinazione:
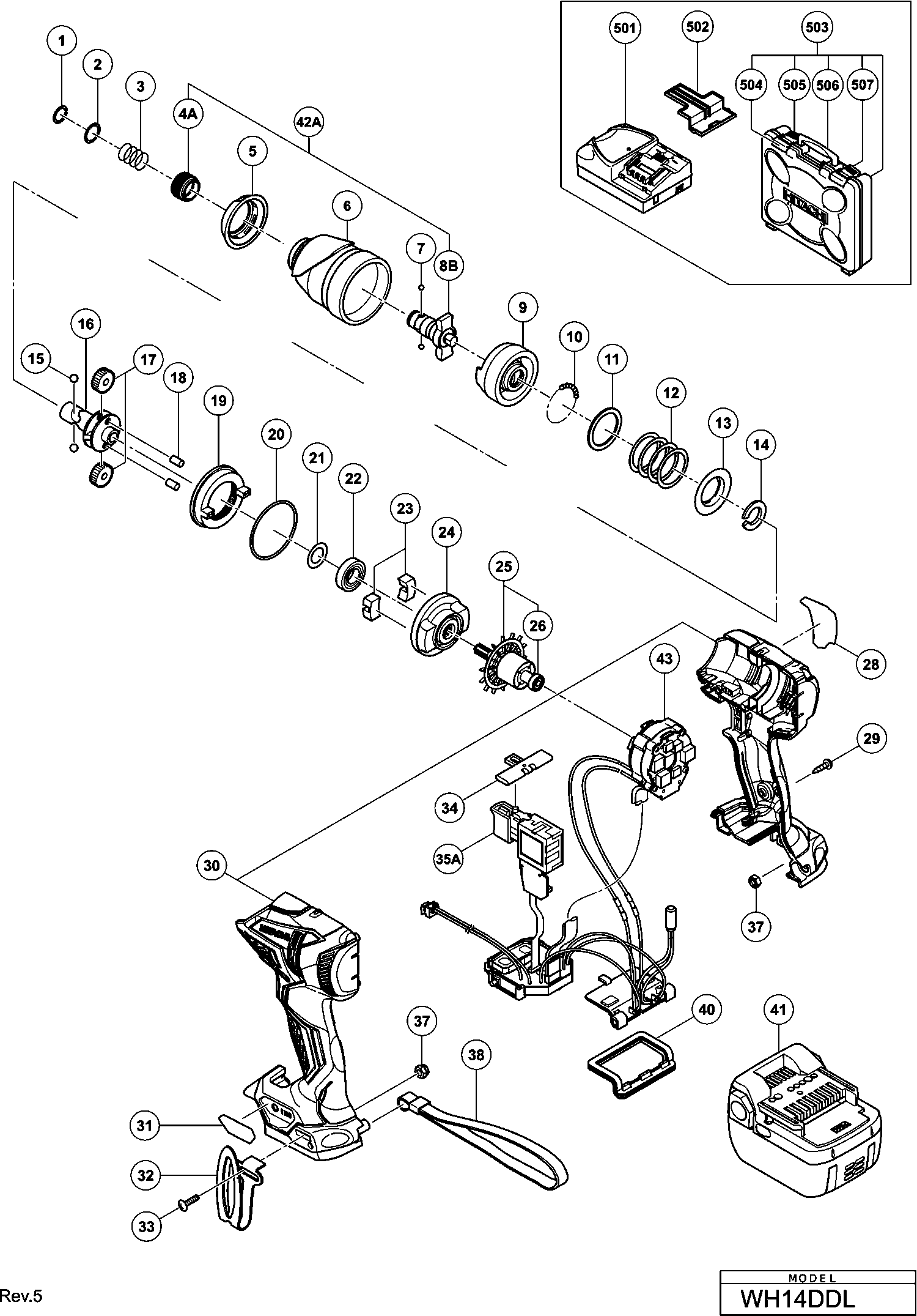
Disegni tecnici di Hikoki WH14DDL
Elenco parti di Hikoki WH14DDL
| Pos. | Descrizione | Prezzo IVA escl | Prezzo IVA incl | |
| I prezzi indicati sono comprensivi di IVA | ||||
| Rondella elastica | ||||
| 1 | 315984 | 1.65 | 2.01 | |
| Rondella (d) Cm12y | ||||
| 2 | 330856 | 1.88 | 2.29 | |
| Molla di guida (VECCHIO 322716) | ||||
| 3 | 321657 | 1.65 | 2.01 | |
| Bussola guidata (g) | ||||
| 4A | 337105 | 2.85 | 3.48 | |
| Cappuccio frontale H45ma/h60ma/mb H45mr | ||||
| 5 | 335330 | 1.35 | 1.65 | |
| Caso Frontale | ||||
| 6 | 335331 | 24.48 | 29.86 | |
| SFERA DI ACCIAIO D3,5 (10 pezzi) | ||||
| 7 | 319535 | 1.65 | 2.01 | |
| Incudine | ||||
| 8A | 335737 | 13.05 | 15.92 | |
| Incudine | ||||
| 8B | 338882 | 12.75 | 15.56 | |
| Incudine | ||||
| 8B | 338883 | 12.30 | 15.01 | |
| Martello | ||||
| 9 | 335329 | 10.95 | 13.36 | |
| Pallina di acciaio D3.175 (10 pezzi) | ||||
| 10 | 959148 | 1.05 | 1.28 | |
| RONDINA | ||||
| 11 | 315978 | 1.65 | 2.01 | |
| Molla del martello (j) | ||||
| 12 | 335316 | 2.10 | 2.56 | |
| RONDINA | ||||
| 13 | 316172 | 1.65 | 2.01 | |
| Fermaglio | ||||
| 14 | 328647 | 3.45 | 4.21 | |
| Pallina d'acciaio D5.556 (10 pezzi) | ||||
| 15 | 959154 | 1.35 | 1.65 | |
| BARRA TOMMY | ||||
| 16 | 335318 | 10.80 | 13.18 | |
| Set di ingranaggi ad inerzia (2 Pz.) | ||||
| 17 | 326295 | 21.31 | 26.00 | |
| Rullo ad ago | ||||
| 18 | 319914 | 1.65 | 2.01 | |
| Ingranaggio Anulare | ||||
| 19 | 330657 | 3.75 | 4.58 | |
| Anello O (s-42) | ||||
| 20 | 983852 | 1.95 | 2.38 | |
| Rondella (e) | ||||
| 21 | 330855 | 1.80 | 2.20 | |
| Cuscinetto a Sfere 6901vv-n | ||||
| 22 | 323118 | 6.75 | 8.24 | |
| Anello di smorzamento | ||||
| 23 | 333952 | 1.80 | 2.20 | |
| Coperchio interno | ||||
| 24 | 335317 | 1.05 | 1.28 | |
| Montaggio del rotore Includ.23 | ||||
| 25 | 335325 | 56.24 | 68.61 | |
| Cuscinetto A Sfere 604dd | ||||
| 26 | 335723 | 5.40 | 6.59 | |
| Vite a filettare (con flangia) D3x16 (nero) | ||||
| 29 | 313687 | 1.04 | 1.27 | |
| Custodia(a).(b)set (verde) | ||||
| 30 | 335735 | 27.09 | 33.05 | |
| Foglio del pannello (a) | ||||
| 31 | 335722 | 1.04 | 1.27 | |
| Nessuna informazione disponibile, non ordinabile | ||||
| 32 | 335724 | |||
| Vite M4 | ||||
| 33 | 327001 | 1.80 | 2.20 | |
| Pulsante Spinta | ||||
| 34 | 321661 | 1.65 | 2.01 | |
| Interruttore | ||||
| 35 | 335323 | 12.38 | 15.10 | |
| Nessuna informazione disponibile, non ordinabile | ||||
| 35A | 339720 | |||
| Dado di blocco M4 (nero) | ||||
| 37 | 327002 | 1.80 | 2.20 | |
| Cinghia (nera) | ||||
| 38 | 306952 | 4.05 | 4.94 | |
| Gomma Terminale | ||||
| 40 | 335324 | 2.70 | 3.29 | |
| Nessuna informazione disponibile, non ordinabile | ||||
| 41 | 334904 | |||
| Nessuna informazione disponibile, non ordinabile | ||||
| 42 | 337107 | |||
| Set di bussole dell'incudine Incl.4a,8b fino a 1.2 | ||||
| 42A | 338884 | 13.89 | 16.94 | |
| Cablaggio comp. 35 | ||||
| 43 | 337891 | 94.80 | 115.66 | |
| Cappuccio di protezione per batteria | ||||
| 502 | 329897 | 1.80 | 2.20 | |
| Nessuna informazione disponibile, non ordinabile | ||||
| 503 | 329440 | |||
| Blocco (grigio scuro) | ||||
| 504 | 334233 | 1.80 | 2.20 | |
| Manopola (l) Grigio Scuro | ||||
| 505 | 334235 | 1.80 | 2.20 | |
| Leva KA 65 | ||||
| 506 | 334232 | 3.45 | 4.21 | |
| Manopola (r) Grigio scuro | ||||
| 507 | 334234 | 1.80 | 2.20 | |
| Nessuna informazione disponibile, non ordinabile | ||||
| 601 | 321823 | |||
| Grasso (attolub Ms No.2) 500g | ||||
| 602 | 309922 | 73.01 | 89.08 | |
| Nessuna informazione disponibile, non ordinabile | ||||
| 603 | 992671 | |||
| Nessuna informazione disponibile, non ordinabile | ||||
| 604 | 992672 | |||
| Nessuna informazione disponibile, non ordinabile | ||||
| 605 | 996177 | |||
| Non più disponibile, nessuna sostituzione | ||||
| 606 | 985329 | |||
| Nessuna informazione disponibile, non ordinabile | ||||
| 607 | 996178 | |||
| Nessuna informazione disponibile, non ordinabile | ||||
| 608 | 996179 | |||
| Nessuna informazione disponibile, non ordinabile | ||||
| 609 | 996180 | |||
| Nessuna informazione disponibile, non ordinabile | ||||
| 610 | 996185 | |||
| Nessuna informazione disponibile, non ordinabile | ||||
| 611 | 996181 | |||
| Nessuna informazione disponibile, non ordinabile | ||||
| 612 | 996182 | |||
| Nessuna informazione disponibile, non ordinabile | ||||
| 613 | 996186 | |||
| Nessuna informazione disponibile, non ordinabile | ||||
| 614 | 996197 | |||
| Nessuna informazione disponibile, non ordinabile | ||||
| 615 | 996184 | |||
| Nessuna informazione disponibile, non ordinabile | ||||
| 616 | 987575 | |||
| Nessuna informazione disponibile, non ordinabile | ||||
| 617 | 930119 | |||
| Nessuna informazione disponibile, non ordinabile | ||||
| 618 | 307543 | |||
| Nessuna informazione disponibile, non ordinabile | ||||
| 619 | 306927 | |||
| Nessuna informazione disponibile, non ordinabile | ||||
| 620 | 336373 | |||
| Nessuna informazione disponibile, non ordinabile | ||||
| 621 | 325149 | |||