Qui troverai tutte le parti e i disegni disponibili di “Hikoki WH14DCL”. Da qui puoi ordinare direttamente tutte le parti desiderate. Molte parti devono essere ordinate dal produttore, a seconda della marca, ciò richiede da una a quattro settimane. Tutte le informazioni che abbiamo sono sul nostro sito web, non possiamo consigliarti su ciò di cui hai bisogno, per questo dovrai restituire la macchina per la riparazione. Nota quanto segue al momento dell’ordinazione:
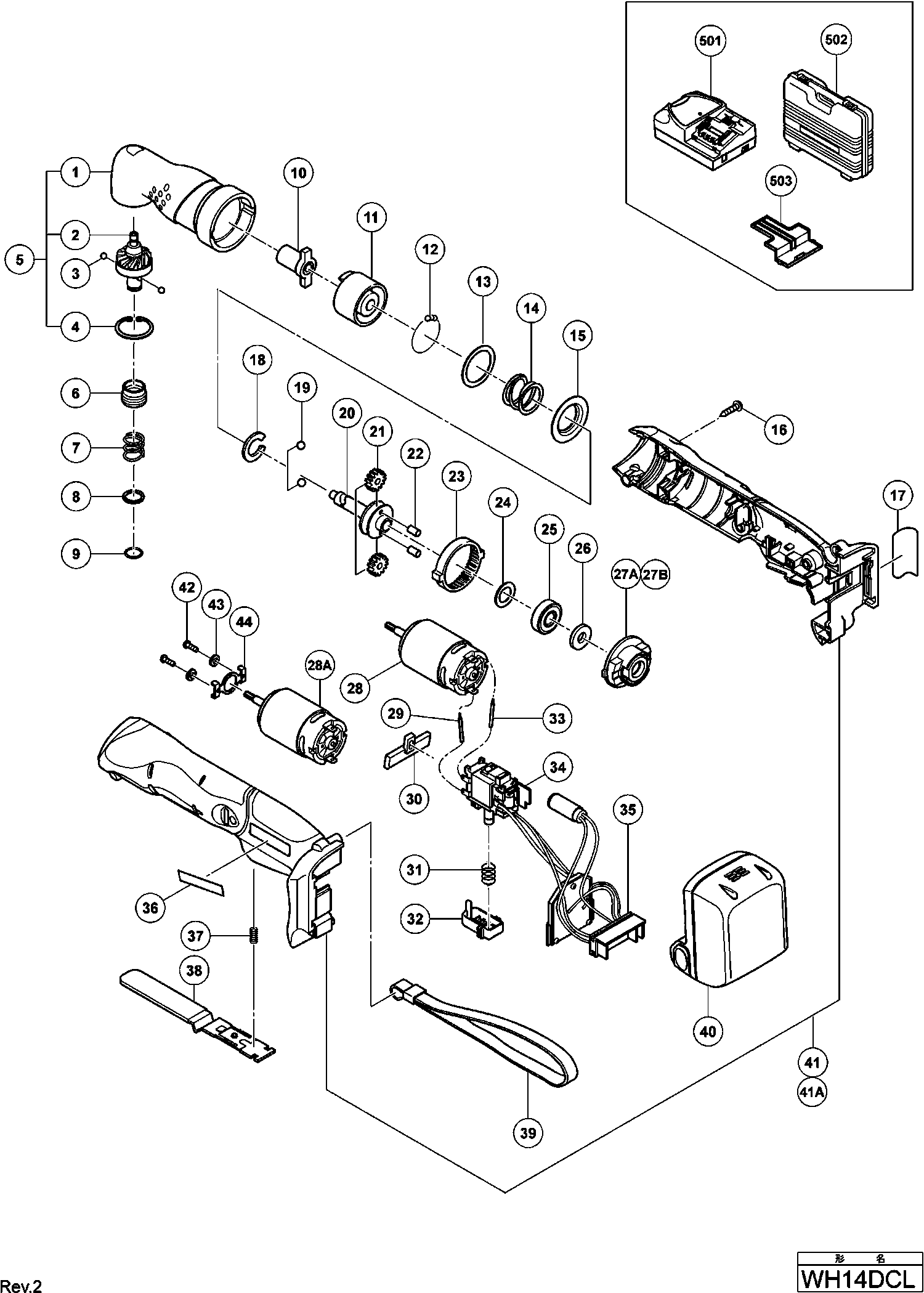
Disegni tecnici di Hikoki WH14DCL
Elenco parti di Hikoki WH14DCL
| Pos. | Descrizione | Prezzo IVA escl | Prezzo IVA incl | |
| I prezzi indicati sono comprensivi di IVA | ||||
| Ingranaggio Finale | ||||
| *2 | 330624 | 15.40 | 18.79 | |
| Non più disponibile, nessuna sostituzione | ||||
| *28 | 329669 | |||
| Set di custodia del martello Includ.1,2,4 | ||||
| *5 | 330623 | 36.16 | 44.12 | |
| Custodia del martello | ||||
| 1 | 329672 | 20.90 | 25.50 | |
| Ingranaggio Finale | ||||
| 2 | 330624 | 15.40 | 18.79 | |
| SFERA DI ACCIAIO D3,5 (10 pezzi) | ||||
| 3 | 319535 | 1.65 | 2.01 | |
| Anello di sicurezza D28 (10 pezzi) | ||||
| 4 | 939555 | 4.35 | 5.31 | |
| Set di custodia del martello Includ.1,2,4 | ||||
| 5 | 330623 | 36.16 | 44.12 | |
| Cespuglio guida | ||||
| 6 | 322717 | 3.30 | 4.03 | |
| Molla di guida (c) | ||||
| 7 | 330617 | 1.05 | 1.28 | |
| Rondella (d) Cm12y | ||||
| 8 | 330618 | 1.05 | 1.28 | |
| Rondella elastica | ||||
| 9 | 330619 | 1.05 | 1.28 | |
| Nessuna informazione disponibile, non ordinabile | ||||
| 10 | 329660 | |||
| Nessuna informazione disponibile, non ordinabile | ||||
| 11 | 329665 | |||
| Pallina di acciaio D3.175 (10 pezzi) | ||||
| 12 | 959148 | 1.05 | 1.28 | |
| Anello di tenuta Wh 10dcl | ||||
| 13 | 329617 | 1.05 | 1.28 | |
| Molla del Martello Wh 10dl | ||||
| 14 | 329658 | 2.10 | 2.56 | |
| Anello di tenuta Wh 10dcl | ||||
| 15 | 329614 | 2.10 | 2.56 | |
| Vite per foratura D4x20 con flangia (nero) | ||||
| 16 | 301653 | 1.04 | 1.27 | |
| Disco freno | ||||
| 18 | 329613 | 1.05 | 1.28 | |
| Pallina di acciaio D4.76 (10 pezzi) | ||||
| 19 | 959149 | 1.04 | 1.27 | |
| Nessuna informazione disponibile, non ordinabile | ||||
| 20 | 329659 | |||
| Set di ingranaggi ad inerzia (2 Pz.) | ||||
| 21 | 329611 | 11.40 | 13.91 | |
| Rullo ad ago | ||||
| 22 | 329612 | 1.05 | 1.28 | |
| Ingranaggio Anulare | ||||
| 23 | 329610 | 3.15 | 3.84 | |
| Rondella | ||||
| 24 | 319911 | 1.65 | 2.01 | |
| Nessuna informazione disponibile, non ordinabile | ||||
| 25 | 6901VV | |||
| VILTRING | ||||
| 26 | 329518 | 1.50 | 1.83 | |
| Nessuna informazione disponibile, non ordinabile | ||||
| 27A | 329657 | |||
| COPERCHIO INTERNO (D) (VECCHIO 329657) | ||||
| 27B | 335004 | 1.04 | 1.27 | |
| Non più disponibile, nessuna sostituzione | ||||
| 28 | 329669 | |||
| Nessuna informazione disponibile, non ordinabile | ||||
| 28A | 335003 | |||
| Cavo di collegamento (nero) 57l | ||||
| 29 | 329671 | 1.80 | 2.20 | |
| Pulsante di pressione | ||||
| 30 | 329656 | 1.05 | 1.28 | |
| Molla (s) | ||||
| 31 | 330621 | 1.05 | 1.28 | |
| Nessuna informazione disponibile, non ordinabile | ||||
| 32 | 330622 | |||
| Cavo di collegamento (rosso) 36l | ||||
| 33 | 329670 | 1.80 | 2.20 | |
| Interruttore | ||||
| 34 | 330853 | 22.83 | 27.85 | |
| Set terminale del controller | ||||
| 35 | 331808 | 38.09 | 46.47 | |
| Molla | ||||
| 37 | 329655 | 1.05 | 1.28 | |
| Leva dell'interruttore Wh14dcal | ||||
| 38 | 329654 | 11.85 | 14.46 | |
| Cinghia (nera) | ||||
| 39 | 306952 | 4.05 | 4.94 | |
| Nessuna informazione disponibile, non ordinabile | ||||
| 40 | 329083 | |||
| Non più disponibile, nessuna sostituzione | ||||
| 41 | 331807 | |||
| Carcasa Completa (Vecchio 331807) | ||||
| 41A | 335005 | 9.30 | 11.35 | |
| Vite a macchina M3x8 (10 pezzi) | ||||
| 42 | 949203 | 1.05 | 1.28 | |
| Rondella di molla M3 (10 pezzi) | ||||
| 43 | 949451 | 1.05 | 1.28 | |
| SUPPORTO DEL MOTORE | ||||
| 44 | 335002 | 10.20 | 12.44 | |
| Nessuna informazione disponibile, non ordinabile | ||||
| 502 | 329674 | |||
| Cappuccio di protezione per batteria | ||||
| 503 | 329897 | 1.80 | 2.20 | |
| Nessuna informazione disponibile, non ordinabile | ||||
| 601 | 321823 | |||
| Grasso (attolub Ms No.2) 500g | ||||
| 602 | 309922 | 73.01 | 89.08 | |
| Nessuna informazione disponibile, non ordinabile | ||||
| 603 | 992671 | |||
| Nessuna informazione disponibile, non ordinabile | ||||
| 604 | 992672 | |||
| Nessuna informazione disponibile, non ordinabile | ||||
| 605 | 996177 | |||
| Non più disponibile, nessuna sostituzione | ||||
| 606 | 985329 | |||
| Nessuna informazione disponibile, non ordinabile | ||||
| 607 | 996178 | |||
| Nessuna informazione disponibile, non ordinabile | ||||
| 608 | 996179 | |||
| Nessuna informazione disponibile, non ordinabile | ||||
| 609 | 996180 | |||
| Nessuna informazione disponibile, non ordinabile | ||||
| 610 | 996185 | |||
| Nessuna informazione disponibile, non ordinabile | ||||
| 611 | 996181 | |||
| Nessuna informazione disponibile, non ordinabile | ||||
| 612 | 996182 | |||
| Nessuna informazione disponibile, non ordinabile | ||||
| 613 | 996186 | |||
| Nessuna informazione disponibile, non ordinabile | ||||
| 614 | 996197 | |||
| Nessuna informazione disponibile, non ordinabile | ||||
| 615 | 996184 | |||
| Nessuna informazione disponibile, non ordinabile | ||||
| 616 | 987575 | |||
| Nessuna informazione disponibile, non ordinabile | ||||
| 617 | 930119 | |||
| Nessuna informazione disponibile, non ordinabile | ||||
| 618 | 307543 | |||
| Nessuna informazione disponibile, non ordinabile | ||||
| 619 | 306927 | |||