Qui troverai tutte le parti e i disegni disponibili di “Hikoki WH12DMR”. Da qui puoi ordinare direttamente tutte le parti desiderate. Molte parti devono essere ordinate dal produttore, a seconda della marca, ciò richiede da una a quattro settimane. Tutte le informazioni che abbiamo sono sul nostro sito web, non possiamo consigliarti su ciò di cui hai bisogno, per questo dovrai restituire la macchina per la riparazione. Nota quanto segue al momento dell’ordinazione:
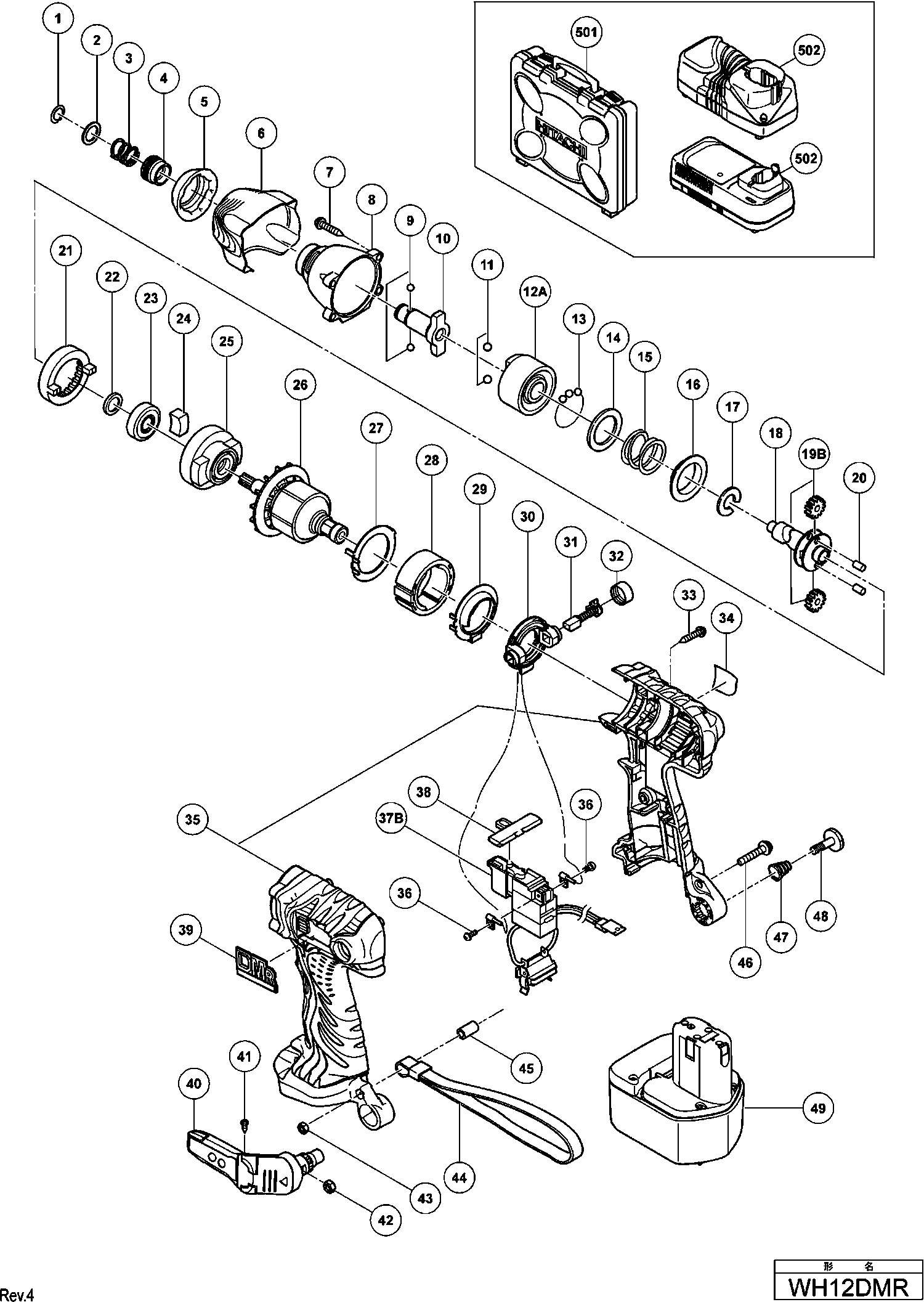
Disegni tecnici di Hikoki WH12DMR
Elenco parti di Hikoki WH12DMR
| Pos. | Descrizione | Prezzo IVA escl | Prezzo IVA incl | |
| I prezzi indicati sono comprensivi di IVA | ||||
| Rondella elastica | ||||
| 1 | 315984 | 1.65 | 2.01 | |
| RONDINA | ||||
| 2 | 315983 | 1.65 | 2.01 | |
| Molla di guida (VECCHIO 322716) | ||||
| 3 | 321657 | 1.65 | 2.01 | |
| Cespuglio guida | ||||
| 4 | 322717 | 3.30 | 4.03 | |
| Nessuna informazione disponibile, non ordinabile | ||||
| 5 | 322727 | |||
| Nessuna informazione disponibile, non ordinabile | ||||
| 6 | 322728 | |||
| Vite a tagliente D4x25 con rondella | ||||
| 7 | 319917 | 1.65 | 2.01 | |
| Custodia del martello Wh12dm2 | ||||
| 8 | 321674 | 37.95 | 46.30 | |
| SFERA DI ACCIAIO D3,5 (10 pezzi) | ||||
| 9 | 319535 | 1.65 | 2.01 | |
| Incudine | ||||
| 10 | 322248 | 35.06 | 42.78 | |
| Pallina d'acciaio D5.556 (10 pezzi) | ||||
| 11 | 959154 | 1.35 | 1.65 | |
| Martello | ||||
| 12A | 326789 | 21.73 | 26.50 | |
| Pallina di acciaio D3.175 (10 pezzi) | ||||
| 13 | 959148 | 1.05 | 1.28 | |
| RONDINA | ||||
| 14 | 315978 | 1.65 | 2.01 | |
| Molla del martello | ||||
| 15 | 321660 | 3.30 | 4.03 | |
| RONDINA | ||||
| 16 | 316172 | 1.65 | 2.01 | |
| Fermaglio | ||||
| 17 | 316171 | 4.35 | 5.31 | |
| BARRA TOMMY | ||||
| 18 | 321666 | 32.18 | 39.25 | |
| Set di ingranaggi ad inerzia (2 Pz.) | ||||
| 19B | 326295 | 21.31 | 26.00 | |
| Rullo ad ago | ||||
| 20 | 319914 | 1.65 | 2.01 | |
| INGRANAGGIO | ||||
| 21 | 320877 | 18.15 | 22.14 | |
| Rondella | ||||
| 22 | 319911 | 1.65 | 2.01 | |
| Nessuna informazione disponibile, non ordinabile | ||||
| 23 | 6901VV | |||
| Anello di smorzamento | ||||
| 24 | 319909 | 4.80 | 5.86 | |
| Funzionamento interno | ||||
| 25 | 321664 | 3.30 | 4.03 | |
| Armatura 12V | ||||
| 26 | 360641 | 61.33 | 74.82 | |
| Giogo laterale | ||||
| 27 | 322719 | 3.30 | 4.03 | |
| Nessuna informazione disponibile, non ordinabile | ||||
| 28 | 322723 | |||
| Anello di polvere | ||||
| 29 | 322720 | 1.65 | 2.01 | |
| blocco della spazzola completo | ||||
| 30 | 321662 | 10.95 | 13.36 | |
| Spazzole di carbone 5x6x11,5 (2 pezzi) | ||||
| 31 | 999054 | 6.45 | 7.87 | |
| Cappuccio della spazzola | ||||
| 32 | 319918 | 3.30 | 4.03 | |
| Vite a tagliente (con flangia) D4x20 (nero) | ||||
| 33 | 302086 | 1.05 | 1.28 | |
| Custodia (a+b) Verde | ||||
| 35 | 322725 | 23.38 | 28.52 | |
| Custodia (a+b) Oro | ||||
| 35 | 323020 | 21.31 | 26.00 | |
| Vite per Macchina M3x5 con Anello | ||||
| 36 | 994532 | 1.04 | 1.27 | |
| Interruttore (Vecchio 319906) | ||||
| 37B | 324829 | 32.18 | 39.25 | |
| Pulsante Spinta | ||||
| 38 | 321661 | 1.65 | 2.01 | |
| Nessuna informazione disponibile, non ordinabile | ||||
| 39 | 323021 | |||
| Nessuna informazione disponibile, non ordinabile | ||||
| 40 | 321918 | |||
| Vite per filettatura D2x6 | ||||
| 41 | 321672 | 1.65 | 2.01 | |
| Dado M5 | ||||
| 42 | 320288 | 1.65 | 2.01 | |
| Dado M4 (10 Pezzi) | ||||
| 43 | 949565 | 1.05 | 1.28 | |
| Cinghia (nera) | ||||
| 44 | 306952 | 4.05 | 4.94 | |
| Manicotto (a) | ||||
| 45 | 322718 | 1.50 | 1.83 | |
| Nessuna informazione disponibile, non ordinabile | ||||
| 46 | 676386 | |||
| Molla a gancio | ||||
| 47 | 319926 | 1.65 | 2.01 | |
| Vite M5 | ||||
| 48 | 319927 | 1.65 | 2.01 | |
| Non più disponibile, nessuna sostituzione | ||||
| 49 | 320387 | |||
| Nessuna informazione disponibile, non ordinabile | ||||
| 501 | 322070 | |||
| Nessuna informazione disponibile, non ordinabile | ||||
| 601 | 992671 | |||
| Nessuna informazione disponibile, non ordinabile | ||||
| 602 | 992672 | |||
| Nessuna informazione disponibile, non ordinabile | ||||
| 603 | 996177 | |||
| Non più disponibile, nessuna sostituzione | ||||
| 604 | 985329 | |||
| Nessuna informazione disponibile, non ordinabile | ||||
| 605 | 996178 | |||
| Nessuna informazione disponibile, non ordinabile | ||||
| 606 | 996179 | |||
| Nessuna informazione disponibile, non ordinabile | ||||
| 607 | 996180 | |||
| Nessuna informazione disponibile, non ordinabile | ||||
| 608 | 996181 | |||
| Nessuna informazione disponibile, non ordinabile | ||||
| 609 | 996182 | |||
| Nessuna informazione disponibile, non ordinabile | ||||
| 610 | 996197 | |||
| Nessuna informazione disponibile, non ordinabile | ||||
| 611 | 321823 | |||
| Nessuna informazione disponibile, non ordinabile | ||||
| 612 | 307543 | |||
| Grasso (attolub Ms No.2) 500g | ||||
| 613 | 309922 | 73.01 | 89.08 | |