Qui troverai tutte le parti e i disegni disponibili di “Hikoki W6V4”. Da qui puoi ordinare direttamente tutte le parti desiderate. Molte parti devono essere ordinate dal produttore, a seconda della marca, ciò richiede da una a quattro settimane. Tutte le informazioni che abbiamo sono sul nostro sito web, non possiamo consigliarti su ciò di cui hai bisogno, per questo dovrai restituire la macchina per la riparazione. Nota quanto segue al momento dell’ordinazione:
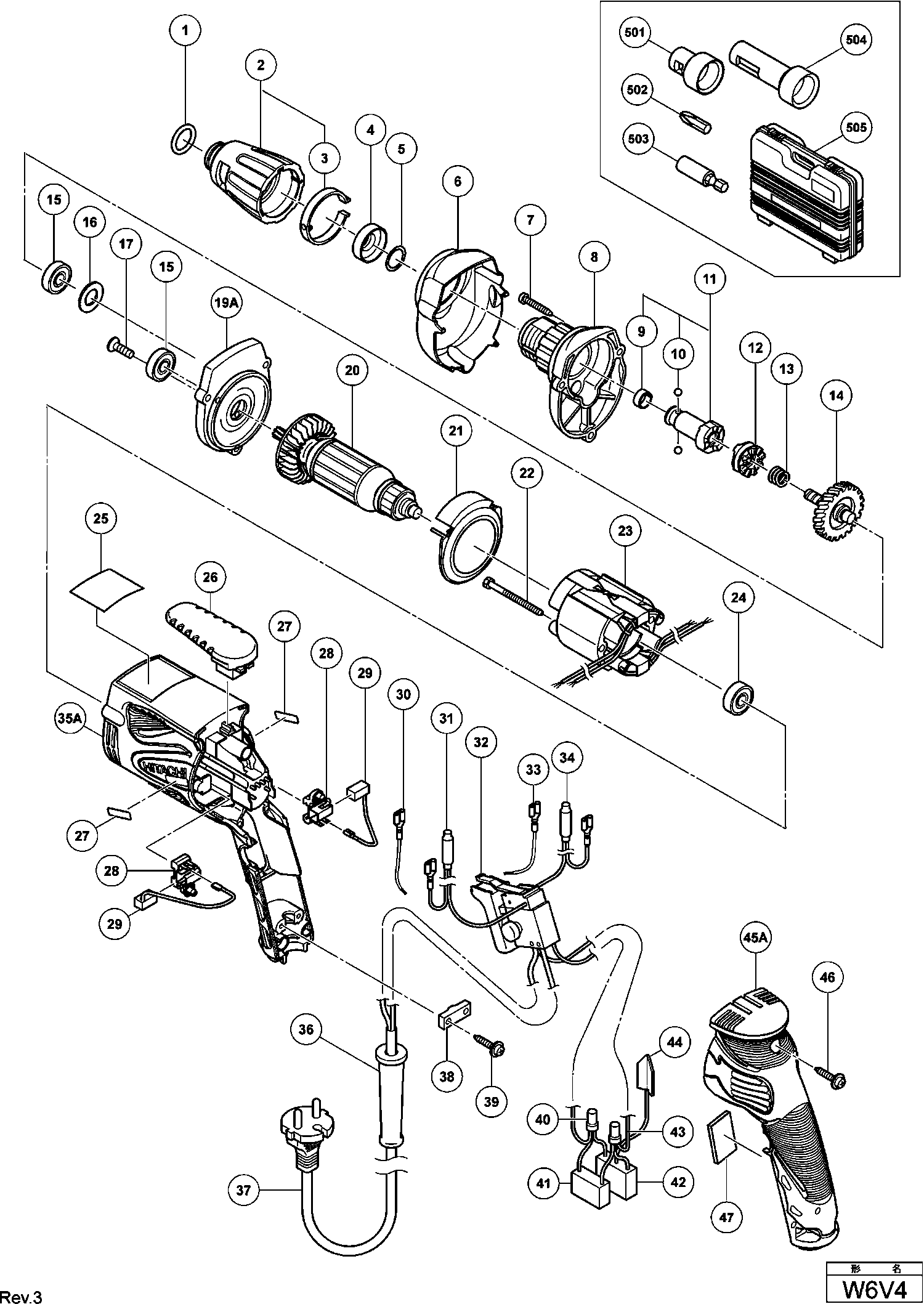
Disegni tecnici di Hikoki W6V4
Elenco parti di Hikoki W6V4
| Pos. | Descrizione | Prezzo IVA escl | Prezzo IVA incl | |
| I prezzi indicati sono comprensivi di IVA | ||||
| Nessuna informazione disponibile, non ordinabile | ||||
| *11 | 323491 | |||
| STATORE 230V | ||||
| *20 | 360673E | 35.06 | 42.78 | |
| Stator 220v-230v H-90sa Includ.103 Per Nzl,saf | ||||
| *23 | 340599E | 19.39 | 23.65 | |
| VELD 110-120 VOLT | ||||
| *23 | 340599C | 18.10 | 22.08 | |
| Custodia (verde) | ||||
| *35C | 326671 | 19.39 | 23.65 | |
| SNOER 2.5M 2 X 1.0 H05VV-F W/PLUG 13A/250V (OLD 50 | ||||
| *37 | 500423Z | 12.87 | 15.70 | |
| Cavo (lunghezza 7.5m) (corazza del Cavo D8.8) | ||||
| *37 | 323559 | 5.55 | 6.77 | |
| Nessuna informazione disponibile, non ordinabile | ||||
| *503 | 323354 | |||
| O-ring (s-16) | ||||
| 1 | 876031 | 1.65 | 2.01 | |
| Nessuna informazione disponibile, non ordinabile | ||||
| 2 | 323487 | |||
| Diaframma | ||||
| 3 | 323488 | 1.95 | 2.38 | |
| Fringer | ||||
| 4 | 971468 | 1.05 | 1.28 | |
| Anello a O (f) W6v3/w6va3 | ||||
| 5 | 317662 | 1.65 | 2.01 | |
| Copertura di Protezione (a) | ||||
| 6 | 323558 | 3.90 | 4.76 | |
| Copertura di Protezione (a) | ||||
| 6A | 323558 | 3.90 | 4.76 | |
| Vite a taglio (con flangia) D4x25 (nero) | ||||
| 7 | 321057 | 1.65 | 2.01 | |
| Copertura dell'ingranaggio | ||||
| 8 | 323486 | 12.75 | 15.56 | |
| Rondella | ||||
| 9 | 872573 | 1.35 | 1.65 | |
| Pallina di acciaio D3.175 (10 pezzi) | ||||
| 10 | 959148 | 1.05 | 1.28 | |
| Nessuna informazione disponibile, non ordinabile | ||||
| 11 | 323491 | |||
| Piastra d'attrito Dc120va | ||||
| 12 | 323476 | 3.90 | 4.76 | |
| Molla | ||||
| 13 | 306024 | 1.35 | 1.65 | |
| Set di ingranaggi | ||||
| 14 | 323485 | 22.83 | 27.85 | |
| Cuscinetto a sfere 608vvmc2eps2l | ||||
| 15 | 608VVM | 5.70 | 6.95 | |
| Rondella | ||||
| 16 | 933545 | 1.04 | 1.27 | |
| Vite M4x8 | ||||
| 17 | 323556 | 1.05 | 1.28 | |
| Coperchio intermedio | ||||
| 19A | 323473 | 11.10 | 13.54 | |
| STATORE 230V | ||||
| 20 | 360673E | 35.06 | 42.78 | |
| Guida per ventilatore | ||||
| 21 | 323472 | 1.05 | 1.28 | |
| Vite di taglio a testa esagonale D4x50 | ||||
| 22 | 961672 | 1.04 | 1.27 | |
| Stator 220v-230v H-90sa Includ.103 Per Nzl,saf | ||||
| 23 | 340599E | 19.39 | 23.65 | |
| VELD 110-120 VOLT | ||||
| 23 | 340599C | 18.10 | 22.08 | |
| Cuscinetto a sfere 608vvmc2eps2l | ||||
| 24 | 608VVM | 5.70 | 6.95 | |
| GANCIO | ||||
| 26 | 323471 | 1.95 | 2.38 | |
| Portaspazzola (a) | ||||
| 28 | 323512 | 3.90 | 4.76 | |
| Spazzole di Carbonio Auto-Fermo (2 Pezzi) | ||||
| 29 | 999091 | 14.40 | 17.57 | |
| Nessuna informazione disponibile, non ordinabile | ||||
| 30 | 323489 | |||
| Bobina di soffocamento (con filo interno) Marrone | ||||
| 31 | 323480 | 1.95 | 2.38 | |
| Interruttore | ||||
| 32 | 323479 | 14.99 | 18.28 | |
| Nessuna informazione disponibile, non ordinabile | ||||
| 33 | 323490 | |||
| Bobina di soffocamento (m/filo interno) Blu | ||||
| 34 | 323481 | 1.95 | 2.38 | |
| Custodia (verde) | ||||
| 35A | 326671 | 19.39 | 23.65 | |
| Nessuna informazione disponibile, non ordinabile | ||||
| 36 | 953327 | |||
| Cavo 7.5 Metri Per Gbr 230 Volt | ||||
| 37 | 323560 | 15.26 | 18.62 | |
| SNOER 2.5M 2 X 1.0 H05VV-F W/PLUG 13A/250V (OLD 50 | ||||
| 37 | 500423Z | 12.87 | 15.70 | |
| SNOER 7.5 METER FOR GBR 110 VOLT | ||||
| 37 | 323562 | 10.14 | 12.37 | |
| Cavo (lunghezza 7.5m) (corazza del Cavo D8.8) | ||||
| 37 | 323559 | 5.55 | 6.77 | |
| Strip di serraggio (vecchio 994566) | ||||
| 38 | 937631 | 1.04 | 1.27 | |
| Nessuna informazione disponibile, non ordinabile | ||||
| 39 | 984750 | |||
| Giunzione di saldatura 50091 (10 pezzi) | ||||
| 40 | 959140 | 3.30 | 4.03 | |
| Condensatore (vecchio 987178) | ||||
| 41 | 930039 | 1.95 | 2.38 | |
| Condensatore (vecchio 930030/991313) | ||||
| 42 | 994273 | 4.29 | 5.23 | |
| Cavo interno | ||||
| 43 | 317667 | 1.65 | 2.01 | |
| Morsetto di terra | ||||
| 44 | 992635 | 1.05 | 1.28 | |
| Copertura del Manico | ||||
| 45A | 326672 | 12.75 | 15.56 | |
| Vite per foratura D4x20 con flangia (nero) | ||||
| 46 | 301653 | 1.04 | 1.27 | |
| Nessuna informazione disponibile, non ordinabile | ||||
| 47 | 329770 | |||
| Nessuna informazione disponibile, non ordinabile | ||||
| 501 | 323352 | |||
| Nessuna informazione disponibile, non ordinabile | ||||
| 502 | 971511Z | |||
| Nessuna informazione disponibile, non ordinabile | ||||
| 503 | 982554Z | |||
| Nessuna informazione disponibile, non ordinabile | ||||
| 504 | 323351 | |||
| Nessuna informazione disponibile, non ordinabile | ||||
| 505 | 310904 | |||
| Nessuna informazione disponibile, non ordinabile | ||||
| 601 | 317670 | |||
| Nessuna informazione disponibile, non ordinabile | ||||
| 602 | 317671 | |||
| Nessuna informazione disponibile, non ordinabile | ||||
| 603 | 317827 | |||
| Nessuna informazione disponibile, non ordinabile | ||||
| 604 | 985330 | |||
| Nessuna informazione disponibile, non ordinabile | ||||
| 605 | 985321 | |||
| Nessuna informazione disponibile, non ordinabile | ||||
| 606 | 985322 | |||
| Nessuna informazione disponibile, non ordinabile | ||||
| 607 | 985332 | |||
| Nessuna informazione disponibile, non ordinabile | ||||
| 608 | 985326 | |||
| Non più disponibile, nessuna sostituzione | ||||
| 609 | 985329 | |||
| Nessuna informazione disponibile, non ordinabile | ||||
| 610 | 985327 | |||
| Nessuna informazione disponibile, non ordinabile | ||||
| 611 | 985328 | |||
| Nessuna informazione disponibile, non ordinabile | ||||
| 612 | 982563Z | |||
| Nessuna informazione disponibile, non ordinabile | ||||
| 613 | 323355 | |||
| Nessuna informazione disponibile, non ordinabile | ||||
| 614 | 323356 | |||
| Nessuna informazione disponibile, non ordinabile | ||||
| 615 | 985333 | |||
| Nessuna informazione disponibile, non ordinabile | ||||
| 616 | 971512Z | |||
| Nessuna informazione disponibile, non ordinabile | ||||
| 617 | 985334 | |||
| Nessuna informazione disponibile, non ordinabile | ||||
| 618 | 985335 | |||
| Nessuna informazione disponibile, non ordinabile | ||||
| 619 | 985336 | |||
| Nessuna informazione disponibile, non ordinabile | ||||
| 620 | 985337 | |||
| Nessuna informazione disponibile, non ordinabile | ||||
| 621 | 985338 | |||
| Nessuna informazione disponibile, non ordinabile | ||||
| 622 | 985339 | |||
| Nessuna informazione disponibile, non ordinabile | ||||
| 623 | 985340 | |||
| Nessuna informazione disponibile, non ordinabile | ||||
| 624 | 985341 | |||
| Nessuna informazione disponibile, non ordinabile | ||||
| 625 | 985342 | |||
| Nessuna informazione disponibile, non ordinabile | ||||
| 626 | 985343 | |||
| Nessuna informazione disponibile, non ordinabile | ||||
| 627 | 985344 | |||
| Nessuna informazione disponibile, non ordinabile | ||||
| 628 | 310904 | |||