Qui troverai tutte le parti e i disegni disponibili di “Hikoki VTP-16A”. Da qui puoi ordinare direttamente tutte le parti desiderate. Molte parti devono essere ordinate dal produttore, a seconda della marca, ciò richiede da una a quattro settimane. Tutte le informazioni che abbiamo sono sul nostro sito web, non possiamo consigliarti su ciò di cui hai bisogno, per questo dovrai restituire la macchina per la riparazione. Nota quanto segue al momento dell’ordinazione:
Disegni tecnici di Hikoki VTP-16A
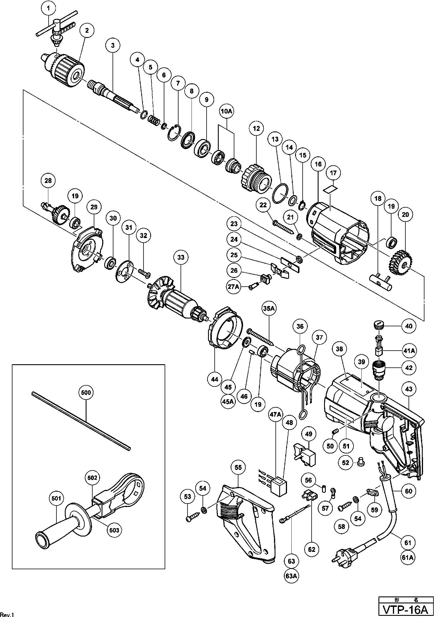
Elenco parti di Hikoki VTP-16A
| Pos. | Descrizione | Prezzo IVA escl | Prezzo IVA incl | |
| I prezzi indicati sono comprensivi di IVA | ||||
| STATORE 230V | ||||
| *33 | 981611E | 134.20 | 163.72 | |
| Armatura 240V (vecchio 981611H) | ||||
| *33 | 981611F | 134.20 | 163.72 | |
| Assieme stator 240v Includ.103 | ||||
| *37 | 981610F | 47.44 | 57.87 | |
| Assieme stator 240v Includ.103 | ||||
| *37 | 981610H | 46.75 | 57.04 | |
| Campo | ||||
| *37 | 981610E | 46.75 | 57.04 | |
| Interruttore | ||||
| *49 | 971667Z | 20.21 | 24.66 | |
| Interruttore | ||||
| *49 | 957747 | 14.03 | 17.11 | |
| Boccola del cavo D10.1 | ||||
| *60 | 938051 | 1.04 | 1.27 | |
| Nessuna informazione disponibile, non ordinabile | ||||
| *61 | 500439Z | |||
| Nessuna informazione disponibile, non ordinabile | ||||
| *61A | 500505Z | |||
| Nessuna informazione disponibile, non ordinabile | ||||
| 1 | 930733 | |||
| Nessuna informazione disponibile, non ordinabile | ||||
| 2 | 950284 | |||
| BARRA TOMMY | ||||
| 3 | 981566 | 23.93 | 29.19 | |
| Anello O (s-14) | ||||
| 4 | 876319 | 1.65 | 2.01 | |
| Molla | ||||
| 5 | 981568 | 1.04 | 1.27 | |
| RONDINA | ||||
| 6 | 971657 | 1.05 | 1.28 | |
| Anello di Sicurezza D35 (10 Pezzi) | ||||
| 7 | 939556 | 10.20 | 12.44 | |
| Guarnizione | ||||
| 8 | 981572 | 3.30 | 4.03 | |
| Cuscinetto a sfere 6003 Vv | ||||
| 9 | 6003VV | 7.65 | 9.33 | |
| Ratchet A+b (vecchio 981565+981567) | ||||
| 10A | 981592 | 25.99 | 31.70 | |
| Rondella | ||||
| 12 | 981571 | 29.29 | 35.73 | |
| Anello O (s-38) | ||||
| 13 | 980717 | 1.35 | 1.65 | |
| RONDINA | ||||
| 14 | 971736 | 1.05 | 1.28 | |
| Rondella Elastica D14 (10 Pezzi) | ||||
| 15 | 939543 | 2.55 | 3.11 | |
| Custodia del ingranaggio | ||||
| 16 | 981564 | 29.15 | 35.56 | |
| LABEL | ||||
| 17 | 971661 | 1.00 | 1.22 | |
| Pinza regolabile | ||||
| 18 | 981573 | 9.60 | 11.71 | |
| Cuscinetto a sfere 608vvmc2eps2l | ||||
| 19 | 608VVM | 5.70 | 6.95 | |
| INGRANAGGIO | ||||
| 20 | 981570 | 40.84 | 49.82 | |
| Rondella di molla M5 (10 pezzi) | ||||
| 21 | 949454 | 1.04 | 1.27 | |
| Vite M5x45 | ||||
| 22 | 955912 | 1.05 | 1.28 | |
| RONDINA | ||||
| 23 | 942864 | 1.05 | 1.28 | |
| Piastra di guarnizione | ||||
| 24 | 981574 | 1.05 | 1.28 | |
| Molla | ||||
| 25 | 981575 | 1.05 | 1.28 | |
| Leva di regolazione | ||||
| 26 | 981576 | 2.40 | 2.93 | |
| VITE C M4X35 | ||||
| 27A | 981577 | 5.25 | 6.40 | |
| Secondo ingranaggio | ||||
| 28 | 981569 | 35.06 | 42.78 | |
| Coprifornello cambio (vedi 982791z) | ||||
| 29 | 981581 | 32.18 | 39.25 | |
| Cuscinetto a sfere 609vvmc2ps2s | ||||
| 30 | 609VVM | 6.00 | 7.32 | |
| Supporto Del Cuscinetto | ||||
| 31 | 981585 | 2.70 | 3.29 | |
| Vite a brugola M15x16 Hd Seal Lock | ||||
| 32 | 981588 | 1.04 | 1.27 | |
| Armatura 240V (vecchio 981611H) | ||||
| 33 | 981611F | 134.20 | 163.72 | |
| STATORE 230V | ||||
| 33 | 981611E | 134.20 | 163.72 | |
| Vite D5x60 (vecchia 981561) | ||||
| 35A | 991007 | 1.35 | 1.65 | |
| Punto di contatto Portaspazzola | ||||
| 36 | 930703 | 2.40 | 2.93 | |
| Assieme stator 240v Includ.103 | ||||
| 37 | 981610F | 47.44 | 57.87 | |
| Assieme stator 240v Includ.103 | ||||
| 37 | 981610H | 46.75 | 57.04 | |
| Campo | ||||
| 37 | 981610E | 46.75 | 57.04 | |
| Cappuccio della spazzola | ||||
| 40 | 961781 | 2.55 | 3.11 | |
| Spazzole di Carbonio Auto-disconnettenti (2 pezzi) | ||||
| 41A | 999073 | 14.40 | 17.57 | |
| Portaspazzole di Carbone | ||||
| 42 | 981586 | 6.45 | 7.87 | |
| ALLOGGIAMENTO | ||||
| 43 | 981560 | 43.86 | 53.51 | |
| Guida per ventilatore | ||||
| 44 | 981562 | 2.55 | 3.11 | |
| Anello di tenuta polvere (a) | ||||
| 45 | 956387 | 2.10 | 2.56 | |
| Rondella (c) | ||||
| 45A | 984367 | 1.05 | 1.28 | |
| PENNA DI GOMMA (VECCHIA 976441) | ||||
| 46 | 946362 | 1.05 | 1.28 | |
| Condensatore (vecchio 930030/991313) | ||||
| 47A | 994273 | 4.29 | 5.23 | |
| Gomma | ||||
| 48 | 930153 | 1.04 | 1.27 | |
| Interruttore | ||||
| 49 | 971667Z | 20.21 | 24.66 | |
| Interruttore | ||||
| 49 | 957747 | 14.03 | 17.11 | |
| Vite di regolazione (10 pezzi) | ||||
| 50 | 949365 | 1.04 | 1.27 | |
| Nessuna informazione disponibile, non ordinabile | ||||
| 51 | 957561 | |||
| Giunzione di saldatura 50091 (10 pezzi) | ||||
| 52 | 959140 | 3.30 | 4.03 | |
| Vite filettante (con rondella sp.) D4x20 | ||||
| 53 | 956384 | 1.05 | 1.28 | |
| Anello M4 (10 pezzi) | ||||
| 54 | 949423 | 1.05 | 1.28 | |
| Copertura del Manico | ||||
| 55 | 981578 | 16.09 | 19.63 | |
| Manicotto filettato per cavo | ||||
| 56 | 981373 | 1.05 | 1.28 | |
| Scheda di contatto | ||||
| 57 | 938108 | 1.20 | 1.46 | |
| Vite per filettatura D4X16 | ||||
| 58 | 954004 | 1.04 | 1.27 | |
| MORSETTO DEL CAVO | ||||
| 59 | 960266 | 1.04 | 1.27 | |
| Protezione cavo D8.8 | ||||
| 60 | 380090 | 1.04 | 1.27 | |
| Boccola del cavo D10.1 | ||||
| 60 | 938051 | 1.04 | 1.27 | |
| Nessuna informazione disponibile, non ordinabile | ||||
| 61 | 500439Z | |||
| Nessuna informazione disponibile, non ordinabile | ||||
| 61A | 500505Z | |||
| Cavo interno | ||||
| 63 | 981500 | 1.04 | 1.27 | |
| Nessuna informazione disponibile, non ordinabile | ||||
| 501 | 981579 | |||
| Piastra di maniglia | ||||
| 502 | 981580 | 2.40 | 2.93 | |
| Manico della Penna | ||||
| 503 | 983987 | 7.95 | 9.70 | |
| Nessuna informazione disponibile, non ordinabile | ||||
| 608 | 971670 | |||
| Nessuna informazione disponibile, non ordinabile | ||||
| 610B | 310905 | |||