Qui troverai tutte le parti e i disegni disponibili di “Hikoki UT8V”. Da qui puoi ordinare direttamente tutte le parti desiderate. Molte parti devono essere ordinate dal produttore, a seconda della marca, ciò richiede da una a quattro settimane. Tutte le informazioni che abbiamo sono sul nostro sito web, non possiamo consigliarti su ciò di cui hai bisogno, per questo dovrai restituire la macchina per la riparazione. Nota quanto segue al momento dell’ordinazione:
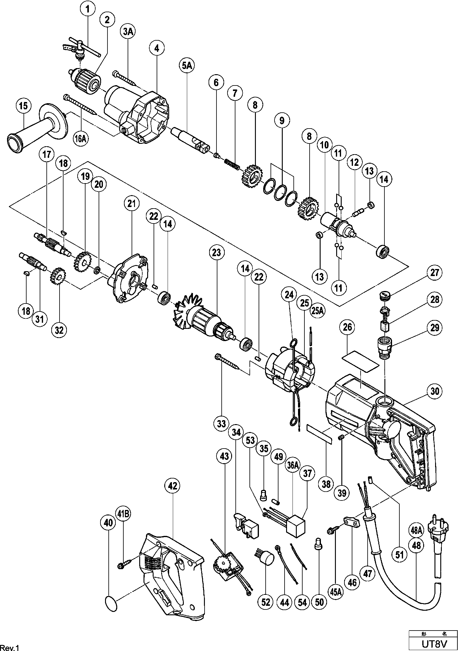
Disegni tecnici di Hikoki UT8V
Elenco parti di Hikoki UT8V
| Pos. | Descrizione | Prezzo IVA escl | Prezzo IVA incl | |
| I prezzi indicati sono comprensivi di IVA | ||||
| STATORE 230V | ||||
| *23 | 360053E | 63.25 | 77.16 | |
| Nessuna informazione disponibile, non ordinabile | ||||
| *25 | 340087J | |||
| Interruttore | ||||
| *34 | 971667Z | 20.21 | 24.66 | |
| Interruttore | ||||
| *34 | 994734 | 10.65 | 12.99 | |
| Regolatore di velocità | ||||
| *43 | 983582 | 67.10 | 81.86 | |
| Regolatore di velocità | ||||
| *43 | 983583Z | 67.10 | 81.86 | |
| Boccola del cavo D10.1 | ||||
| *47 | 938051 | 1.04 | 1.27 | |
| Cavo | ||||
| *48 | 930051 | 14.30 | 17.45 | |
| SNOER 10.7 (USE 714500=2X1 5M) | ||||
| *48 | 500247Z | 6.18 | 7.54 | |
| SNOER 2.5M 2 X 1.0 H05VV-F W/PLUG 13A/250V (OLD 50 | ||||
| *48A | 500423Z | 12.87 | 15.70 | |
| Nessuna informazione disponibile, non ordinabile | ||||
| 1 | 930119 | |||
| Nessuna informazione disponibile, non ordinabile | ||||
| 2 | 321809 | |||
| Vite D5x40 (vecchio 983454) | ||||
| 3A | 971303 | 1.05 | 1.28 | |
| Custodia del ingranaggio | ||||
| 4 | 955911 | 46.75 | 57.04 | |
| AS (DISCON ZIE 995512) | ||||
| 5 | 943422 | 13.48 | 16.45 | |
| BARRA TOMMY | ||||
| 5A | 995512 | 22.41 | 27.34 | |
| BOCCOLA DI TENSIONE 5X30 | ||||
| 6 | 943426 | 1.05 | 1.28 | |
| VEER | ||||
| 7 | 943427 | 1.00 | 1.22 | |
| INGRANAGGIO | ||||
| 8 | 943423 | 14.99 | 18.28 | |
| RONDINA | ||||
| 9 | 943461 | 1.05 | 1.28 | |
| BARRA TOMMY | ||||
| 10 | 943453 | 32.18 | 39.25 | |
| Pallina di acciaio D6.35 (10 pezzi) | ||||
| 11 | 959150 | 1.35 | 1.65 | |
| Perno di guida | ||||
| 12 | 943424 | 2.40 | 2.93 | |
| Rullo di guida | ||||
| 13 | 943425 | 1.65 | 2.01 | |
| Cuscinetto a sfere 608vvmc2eps2l | ||||
| 14 | 608VVM | 5.70 | 6.95 | |
| Nessuna informazione disponibile, non ordinabile | ||||
| 15 | 994322 | |||
| TAPPING SCREW D5X65 (OLD 303376) | ||||
| 16A | 958422 | 1.00 | 1.22 | |
| EERSTE AS | ||||
| 17 | 943449 | 7.14 | 8.71 | |
| INLEGSPIE | ||||
| 18 | 943418 | 1.00 | 1.22 | |
| Primo Ingranaggio | ||||
| 19 | 955910 | 7.80 | 9.52 | |
| SLUITRING | ||||
| 20 | 943451 | 1.00 | 1.22 | |
| Coperchio interno | ||||
| 21 | 955909 | 26.40 | 32.21 | |
| PENNA DI GOMMA (VECCHIA 976441) | ||||
| 22 | 946362 | 1.05 | 1.28 | |
| STATORE 230V | ||||
| 23 | 360053E | 63.25 | 77.16 | |
| Punto di contatto Portaspazzola | ||||
| 24 | 930703 | 2.40 | 2.93 | |
| Stator 220v-230v H-90sa Includ.103 Per Nzl,saf | ||||
| 25 | 340087E | 43.86 | 53.51 | |
| Nessuna informazione disponibile, non ordinabile | ||||
| 25A | 340087L | |||
| Cappuccio della spazzola | ||||
| 27 | 961781 | 2.55 | 3.11 | |
| Spazzola di carbone (1 paio) | ||||
| 28 | 999043 | 4.50 | 5.49 | |
| Portaspazzole di Carbone | ||||
| 29 | 981586 | 6.45 | 7.87 | |
| ALLOGGIAMENTO | ||||
| 30 | 983552 | 49.64 | 60.56 | |
| TWEEDE AS | ||||
| 31 | 943452 | 6.90 | 8.42 | |
| TWEEDE TANDWIEL | ||||
| 32 | 943420 | 4.44 | 5.42 | |
| Non più disponibile, nessuna sostituzione | ||||
| 33 | 992509 | |||
| Interruttore | ||||
| 34 | 971667Z | 20.21 | 24.66 | |
| Interruttore | ||||
| 34 | 957747 | 14.03 | 17.11 | |
| Giunzione di saldatura 50091 (10 pezzi) | ||||
| 35 | 959140 | 3.30 | 4.03 | |
| Condensatore di interferenza | ||||
| 36A | 317491 | 7.35 | 8.97 | |
| Gomma | ||||
| 37 | 930153 | 1.04 | 1.27 | |
| Nessuna informazione disponibile, non ordinabile | ||||
| 38 | 957561 | |||
| Vite di regolazione Allen M4 X 5 | ||||
| 39 | 961681 | 1.04 | 1.27 | |
| MERKPLAAT | ||||
| 40 | 962994 | 1.00 | 1.22 | |
| Vite per foratura D4x20 con flangia (nero) | ||||
| 41B | 301653 | 1.04 | 1.27 | |
| Copertura del Manico | ||||
| 42 | 983572 | 12.45 | 15.19 | |
| Regolatore di velocità | ||||
| 43 | 983582 | 67.10 | 81.86 | |
| Regolatore di velocità | ||||
| 43 | 983583Z | 67.10 | 81.86 | |
| BEDRADING | ||||
| 44 | 981534 | 1.00 | 1.22 | |
| Nessuna informazione disponibile, non ordinabile | ||||
| 45A | 984750 | |||
| MORSETTO DEL CAVO | ||||
| 46 | 960266 | 1.04 | 1.27 | |
| Corazza del cavo D7.2 | ||||
| 47 | 307217 | 1.05 | 1.28 | |
| Protezione cavo D8.8 | ||||
| 47 | 380090 | 1.04 | 1.27 | |
| Boccola del cavo D10.1 | ||||
| 47 | 938051 | 1.04 | 1.27 | |
| Cavo | ||||
| 48 | 930051 | 14.30 | 17.45 | |
| SNOER 2.5M 2 X 1.0 H05VV-F W/PLUG 13A/250V (OLD 50 | ||||
| 48A | 500423Z | 12.87 | 15.70 | |
| Nessuna informazione disponibile, non ordinabile | ||||
| 49 | 995511 | |||
| Giunzione di saldatura 50092 (10 pezzi) | ||||
| 50 | 959141 | 3.75 | 4.58 | |
| Supporto (b) per suppressore di rumore | ||||
| 50 | 316186 | 1.65 | 2.01 | |
| Manicotto filettato per cavo | ||||
| 51 | 981373 | 1.05 | 1.28 | |
| Induttanza di strozzatura (vecchio 500259z) | ||||
| 52 | 955908 | 32.18 | 39.25 | |
| Morsetto di Connessione | ||||
| 53 | 980063 | 1.04 | 1.27 | |
| Nessuna informazione disponibile, non ordinabile | ||||
| 54 | 320670 | |||