Qui troverai tutte le parti e i disegni disponibili di “Hikoki UT14Y”. Da qui puoi ordinare direttamente tutte le parti desiderate. Molte parti devono essere ordinate dal produttore, a seconda della marca, ciò richiede da una a quattro settimane. Tutte le informazioni che abbiamo sono sul nostro sito web, non possiamo consigliarti su ciò di cui hai bisogno, per questo dovrai restituire la macchina per la riparazione. Nota quanto segue al momento dell’ordinazione:
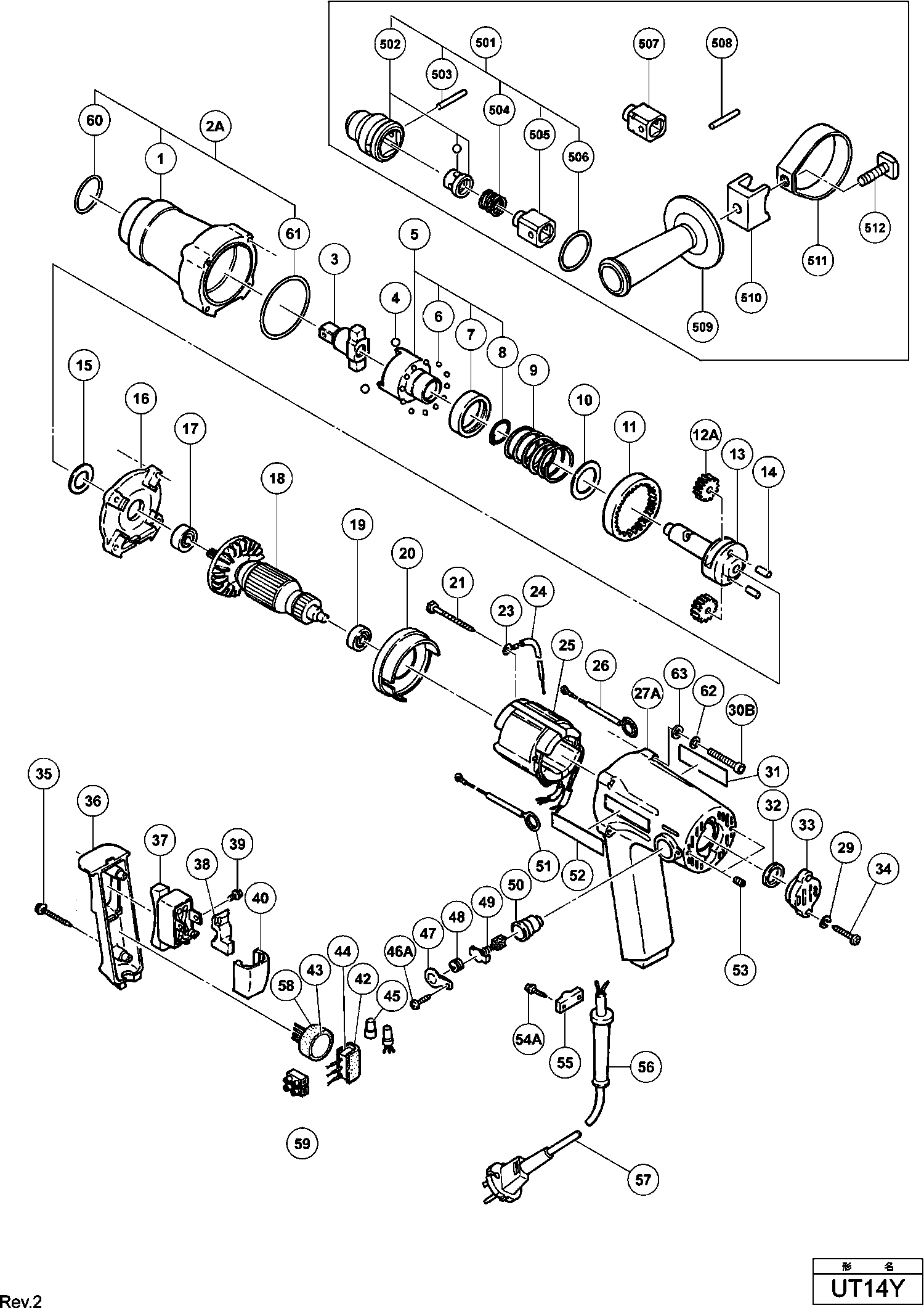
Disegni tecnici di Hikoki UT14Y
Elenco parti di Hikoki UT14Y
| Pos. | Descrizione | Prezzo IVA escl | Prezzo IVA incl | |
| I prezzi indicati sono comprensivi di IVA | ||||
| Stator 220v-230v H-90sa Includ.103 Per Nzl,saf | ||||
| *25 | 340109G | 52.53 | 64.08 | |
| Stator 220v-230v H-90sa Includ.103 Per Nzl,saf | ||||
| *25 | 986049E | 40.84 | 49.82 | |
| PARAURTI | ||||
| 1 | 986044 | 3.60 | 4.39 | |
| Custodia del martello comp. Includ.1,60,61 | ||||
| 2A | 320127 | 96.25 | 117.42 | |
| Incudine | ||||
| 3 | 986052 | 87.59 | 106.86 | |
| Pallina di acciaio D6.35 (10 pezzi) | ||||
| 4 | 959150 | 1.35 | 1.65 | |
| SLUITSTUK | ||||
| 5 | 986045 | 98.34 | 119.97 | |
| Pallina di acciaio D3.175 (10 pezzi) | ||||
| 6 | 959148 | 1.05 | 1.28 | |
| Nessuna informazione disponibile, non ordinabile | ||||
| 7 | 986046 | |||
| Non più disponibile, nessuna sostituzione | ||||
| 8 | 986047 | |||
| Non più disponibile, nessuna sostituzione | ||||
| 9 | 986042 | |||
| RING | ||||
| 10 | 986041 | 1.00 | 1.22 | |
| RING | ||||
| 11 | 985980 | 33.55 | 40.93 | |
| Set Ingranaggio al Minimo (2 Pz.) Cl10d | ||||
| 12A | 318447 | 75.90 | 92.60 | |
| BARRA TOMMY | ||||
| 13 | 986040 | 93.36 | 113.90 | |
| MANICOTTO FILETTATO | ||||
| 14 | 985169 | 1.05 | 1.28 | |
| RING (B) | ||||
| 15 | 985979 | 2.70 | 3.29 | |
| TANDWIELHUISDEKSEL | ||||
| 16 | 985974 | 52.80 | 64.42 | |
| Cuscinetto a sfere 608ddmc2eps2s | ||||
| 17 | 608DDM | 5.55 | 6.77 | |
| STATORE 230V | ||||
| 18 | 986055E | 87.59 | 106.86 | |
| Cuscinetto a sfere 608vvmc2eps2l | ||||
| 19 | 608VVM | 5.70 | 6.95 | |
| LUCHTGELEIDER | ||||
| 20 | 985973 | 2.10 | 2.56 | |
| Vite di taglio a testa esagonale D4x50 | ||||
| 21 | 961672 | 1.04 | 1.27 | |
| Morsetto di Connessione | ||||
| 23 | 980063 | 1.04 | 1.27 | |
| Non più disponibile, nessuna sostituzione | ||||
| 24 | 985194 | |||
| Stator 220v-230v H-90sa Includ.103 Per Nzl,saf | ||||
| 25 | 340109G | 52.53 | 64.08 | |
| Stator 220v-230v H-90sa Includ.103 Per Nzl,saf | ||||
| 25 | 986049E | 40.84 | 49.82 | |
| Cavo interno | ||||
| 26 | 985186 | 4.50 | 5.49 | |
| ALLOGGIAMENTO | ||||
| 27 | 985970 | 58.44 | 71.29 | |
| Rondella di molla M4 (10 pezzi) | ||||
| 29 | 949453 | 1.05 | 1.28 | |
| Bullone a testa esagonale Seal Lock M4x45 | ||||
| 30B | 333318 | 1.80 | 2.20 | |
| Anello di gomma (1) | ||||
| 32 | 985198 | 1.95 | 2.38 | |
| COPERTURA POSTERIORE | ||||
| 33 | 985162 | 13.05 | 15.92 | |
| Vite filettante (con rondella sp.) D4x20 | ||||
| 34 | 956384 | 1.05 | 1.28 | |
| SCHROEF D4X35 | ||||
| 35 | 985984 | 1.00 | 1.22 | |
| Copertura del Manico | ||||
| 36 | 985983 | 11.85 | 14.46 | |
| Interruttore | ||||
| 37 | 985103 | 32.18 | 39.25 | |
| Porta Interruttore | ||||
| 38 | 985176 | 2.55 | 3.11 | |
| Vite per macchina M3,5x5 | ||||
| 39 | 980060 | 1.05 | 1.28 | |
| Porta Interruttore | ||||
| 40 | 985177 | 3.60 | 4.39 | |
| Gomma | ||||
| 42 | 930153 | 1.04 | 1.27 | |
| Induttanza di strozzatura (vecchio 500259z) | ||||
| 43 | 955908 | 32.18 | 39.25 | |
| Condensatore (vecchio 930030/991313) | ||||
| 44 | 994273 | 4.29 | 5.23 | |
| Giunzione di saldatura 50091 (10 pezzi) | ||||
| 45 | 959140 | 3.30 | 4.03 | |
| Vite a tagliente D4x10 (nero) | ||||
| 46A | 302090 | 1.05 | 1.28 | |
| Coperchio del Tappo H90sc/se | ||||
| 47 | 985179 | 1.65 | 2.01 | |
| Cappuccio della spazzola | ||||
| 48 | 931266 | 1.04 | 1.27 | |
| Non più disponibile, nessuna sostituzione | ||||
| 49 | 999021 | |||
| Portaspazzole di Carbone | ||||
| 50 | 957571 | 2.40 | 2.93 | |
| Cavo interno | ||||
| 51 | 985187 | 4.50 | 5.49 | |
| Nessuna informazione disponibile, non ordinabile | ||||
| 52 | 957561 | |||
| Vite di regolazione esagonale M5x8 | ||||
| 53 | 938477 | 1.05 | 1.28 | |
| Nessuna informazione disponibile, non ordinabile | ||||
| 54A | 984750 | |||
| Strip di serraggio (vecchio 994566) | ||||
| 55 | 937631 | 1.04 | 1.27 | |
| Protezione cavo D8.8 | ||||
| 56 | 380090 | 1.04 | 1.27 | |
| Boccola del cavo D10.1 | ||||
| 56 | 938051 | 1.04 | 1.27 | |
| SNOER 2.5M 2 X 1.0 H05VV-F W/PLUG 13A/250V (OLD 50 | ||||
| 57 | 500423Z | 12.87 | 15.70 | |
| SNOER 10.7 (USE 714500=2X1 5M) | ||||
| 57 | 500247Z | 6.18 | 7.54 | |
| Connettore A Spina | ||||
| 58 | 953330 | 1.04 | 1.27 | |
| Nessuna informazione disponibile, non ordinabile | ||||
| 59 | 983418Z | |||
| Terminale | ||||
| 59S | 958308Z | 5.55 | 6.77 | |
| Anello O (m) | ||||
| 60 | 318704 | 3.30 | 4.03 | |
| Non più disponibile, nessuna sostituzione | ||||
| 61 | 320105 | |||
| Rondella di molla M4 (10 pezzi) | ||||
| 62 | 949453 | 1.05 | 1.28 | |
| Rondella M4 (vecchio 949429z) | ||||
| 63 | 949429 | 1.05 | 1.28 | |
| Nessuna informazione disponibile, non ordinabile | ||||
| 501 | 995281 | |||
| SPINA | ||||
| 503 | 995296 | 6.30 | 7.69 | |
| Nessuna informazione disponibile, non ordinabile | ||||
| 504 | 995294 | |||
| Nessuna informazione disponibile, non ordinabile | ||||
| 505 | 995288 | |||
| Anello O (p-32) | ||||
| 506 | 986374 | 1.65 | 2.01 | |
| Nessuna informazione disponibile, non ordinabile | ||||
| 507 | 995289 | |||
| SPINA | ||||
| 508 | 995296 | 6.30 | 7.69 | |
| Nessuna informazione disponibile, non ordinabile | ||||
| 509 | 980901 | |||
| Base del manico | ||||
| 510 | 955089 | 3.60 | 4.39 | |
| RING | ||||
| 511 | 995299 | 7.14 | 8.71 | |
| Bullone quadrato | ||||
| 512 | 980903 | 1.35 | 1.65 | |
| Nessuna informazione disponibile, non ordinabile | ||||
| 601 | 995280 | |||
| Nessuna informazione disponibile, non ordinabile | ||||
| 602 | 995287 | |||
| Nessuna informazione disponibile, non ordinabile | ||||
| 604 | 995294 | |||
| SPINA | ||||
| 605 | 995296 | 6.30 | 7.69 | |
| Anello O (p-32) | ||||
| 606 | 986374 | 1.65 | 2.01 | |
| Nessuna informazione disponibile, non ordinabile | ||||
| 607 | 995282 | |||
| Nessuna informazione disponibile, non ordinabile | ||||
| 608 | 995290 | |||
| Nessuna informazione disponibile, non ordinabile | ||||
| 610 | 995295 | |||
| SPINA | ||||
| 611 | 995297 | 6.30 | 7.69 | |
| Anello di tenuta (p-38) | ||||
| 612 | 995298 | 1.65 | 2.01 | |
| Nessuna informazione disponibile, non ordinabile | ||||
| 613 | 995283 | |||
| Nessuna informazione disponibile, non ordinabile | ||||
| 614 | 995289 | |||
| Nessuna informazione disponibile, non ordinabile | ||||
| 616 | 995300 | |||
| Nessuna informazione disponibile, non ordinabile | ||||
| 617 | 995302 | |||
| Nessuna informazione disponibile, non ordinabile | ||||
| 619 | 995308 | |||
| Nessuna informazione disponibile, non ordinabile | ||||
| 620 | 996340 | |||
| Nessuna informazione disponibile, non ordinabile | ||||
| 622 | 996341 | |||
| Nessuna informazione disponibile, non ordinabile | ||||
| 623 | 996343 | |||
| Nessuna informazione disponibile, non ordinabile | ||||
| 625 | 943277 | |||
| Grasso Per Chiave Ad Impatto (100g) | ||||
| 626 | 971042 | 17.60 | 21.47 | |
| Nessuna informazione disponibile, non ordinabile | ||||
| 627 | 996344 | |||
| Nessuna informazione disponibile, non ordinabile | ||||
| 628 | 996351 | |||
| Nessuna informazione disponibile, non ordinabile | ||||
| 629 | 996345 | |||
| Nessuna informazione disponibile, non ordinabile | ||||
| 630 | 996347 | |||
| Nessuna informazione disponibile, non ordinabile | ||||
| 631 | 996349 | |||
| Nessuna informazione disponibile, non ordinabile | ||||
| 632 | 996346 | |||
| Nessuna informazione disponibile, non ordinabile | ||||
| 633 | 996348 | |||
| Nessuna informazione disponibile, non ordinabile | ||||
| 634 | 996350 | |||