Qui troverai tutte le parti e i disegni disponibili di “Hikoki UR18DSAL”. Da qui puoi ordinare direttamente tutte le parti desiderate. Molte parti devono essere ordinate dal produttore, a seconda della marca, ciò richiede da una a quattro settimane. Tutte le informazioni che abbiamo sono sul nostro sito web, non possiamo consigliarti su ciò di cui hai bisogno, per questo dovrai restituire la macchina per la riparazione. Nota quanto segue al momento dell’ordinazione:
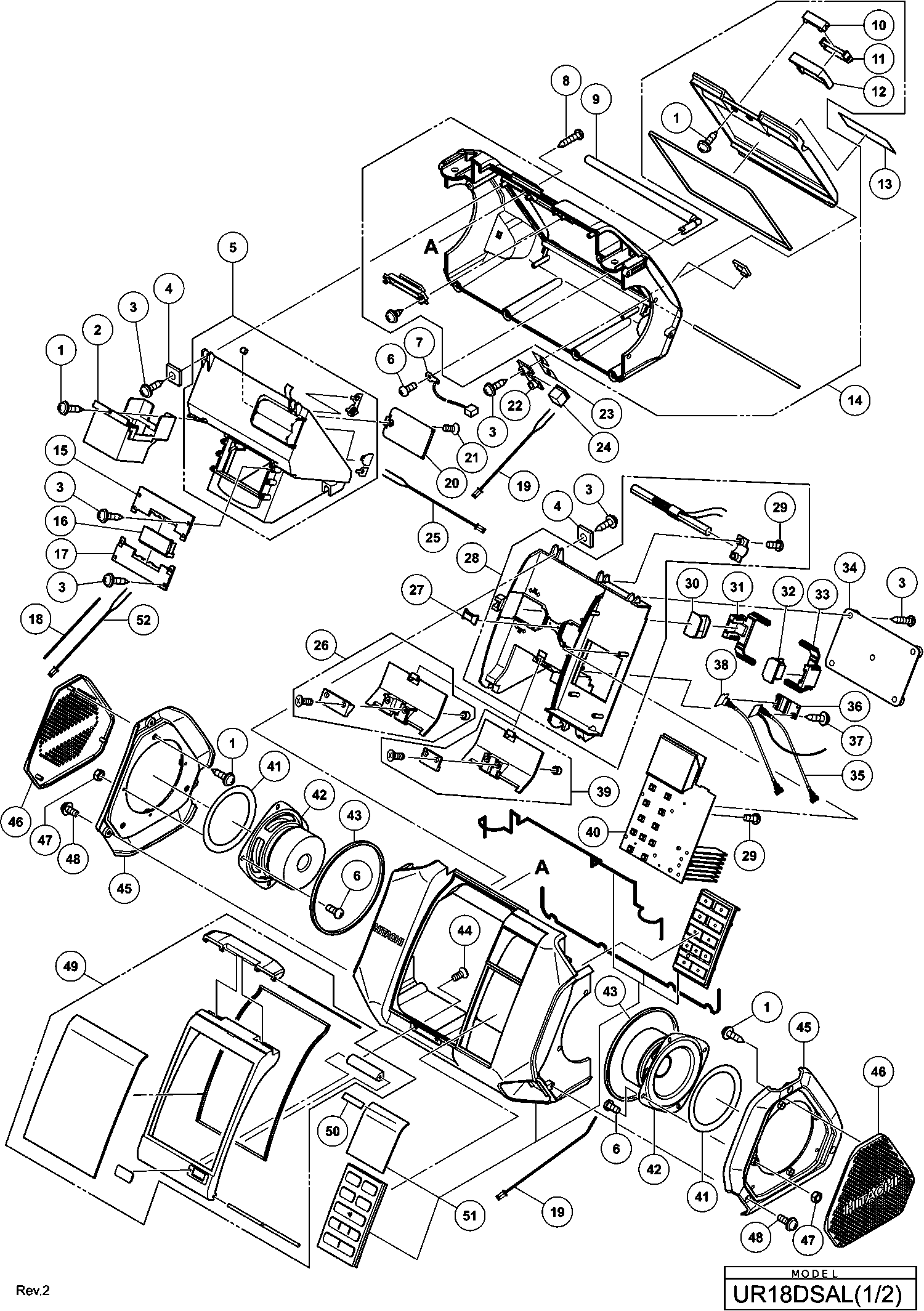
Disegni tecnici di Hikoki UR18DSAL
Elenco parti di Hikoki UR18DSAL
| Pos. | Descrizione | Prezzo IVA escl | Prezzo IVA incl | |
| I prezzi indicati sono comprensivi di IVA | ||||
| Ass'y della Pcb (a) | ||||
| *40 | 338424 | 124.71 | 152.15 | |
| Set di armadietti frontali B | ||||
| *51A | 338415 | 30.94 | 37.74 | |
| Vite autofilettante (con flangia) D2x8 | ||||
| 1 | 338364 | 1.04 | 1.27 | |
| Nessuna informazione disponibile, non ordinabile | ||||
| 2 | 338392 | |||
| Vite autofilettante (con flangia) D2.3x8 | ||||
| 3 | 338399 | 2.55 | 3.11 | |
| Nessuna informazione disponibile, non ordinabile | ||||
| 4 | 338409 | |||
| Set vano batteria | ||||
| 5 | 338365 | 9.60 | 11.71 | |
| Vite macchina (con flangia) M3x8 | ||||
| 6 | 338398 | 1.04 | 1.27 | |
| Connettore A | ||||
| 7 | 338374 | 1.80 | 2.20 | |
| Vite per lamiera D4x18 | ||||
| 8 | 338397 | 2.55 | 3.11 | |
| Antenna in gomma | ||||
| 9 | 338390 | 11.85 | 14.46 | |
| Bottone della Copertura Posteriore Inferiore | ||||
| 10 | 338363 | 1.04 | 1.27 | |
| Bottone della Copertura Posteriore Superiore | ||||
| 11 | 338362 | 1.04 | 1.27 | |
| Piastra di Copertura Posteriore B | ||||
| 12 | 338361 | 1.04 | 1.27 | |
| Set di armadi posteriori Incl.1,10-12 | ||||
| 14 | 338360 | 50.05 | 61.06 | |
| Set di armadi posteriori Incl.1,10-12 | ||||
| 14A | 338360 | 50.05 | 61.06 | |
| Nessuna informazione disponibile, non ordinabile | ||||
| 15 | 338388 | |||
| Terminal della batteria | ||||
| 16 | 339154 | 1.80 | 2.20 | |
| TERMINALE DELLA BATTERIA | ||||
| 16A | 376361 | 1.28 | 1.56 | |
| Nessuna informazione disponibile, non ordinabile | ||||
| 17 | 338389 | |||
| Filo interno (b) | ||||
| 18 | 338407 | 1.65 | 2.01 | |
| Connettore C | ||||
| 19 | 338405 | 1.80 | 2.20 | |
| Coperchio della batteria | ||||
| 20 | 338387 | 1.04 | 1.27 | |
| Vite M3 | ||||
| 21 | 338410 | 2.55 | 3.11 | |
| Staffa connettore DC | ||||
| 22 | 338394 | 1.04 | 1.27 | |
| Foglio di gomma (presa dc) | ||||
| 23 | 339155 | 1.04 | 1.27 | |
| Connettore DC | ||||
| 24 | 338396 | 1.05 | 1.28 | |
| Connettore B | ||||
| 25 | 338404 | 1.80 | 2.20 | |
| Portacavo (android) | ||||
| 26 | 338372 | 1.80 | 2.20 | |
| Supporto | ||||
| 27 | 338385 | 1.04 | 1.27 | |
| Set di supporti Includ.29 | ||||
| 28 | 338366 | 13.65 | 16.65 | |
| Nessuna informazione disponibile, non ordinabile | ||||
| 29 | 338400 | |||
| Nessuna informazione disponibile, non ordinabile | ||||
| 30 | 338383 | |||
| Nessuna informazione disponibile, non ordinabile | ||||
| 31 | 338378 | |||
| Nessuna informazione disponibile, non ordinabile | ||||
| 32 | 338384 | |||
| Nessuna informazione disponibile, non ordinabile | ||||
| 33 | 338379 | |||
| Nessuna informazione disponibile, non ordinabile | ||||
| 34 | 338386 | |||
| Ass'y di Pcb (usb) | ||||
| 35 | 338408 | 5.85 | 7.14 | |
| Piastra Pcb | ||||
| 36 | 338403 | 2.25 | 2.74 | |
| Non più disponibile, nessuna sostituzione | ||||
| 37 | 339113 | |||
| Montaggio PCB (aux) | ||||
| 38 | 338391 | 6.15 | 7.50 | |
| Portacavo (apple) | ||||
| 39 | 338371 | 1.65 | 2.01 | |
| Ass'y della Pcb (a) | ||||
| 40 | 338424 | 124.71 | 152.15 | |
| Nessuna informazione disponibile, non ordinabile | ||||
| 41 | 338402 | |||
| Altoparlante (dsal) | ||||
| 42 | 338421 | 10.95 | 13.36 | |
| Nastro resistente all'acqua E | ||||
| 43 | 339115 | 1.80 | 2.20 | |
| Vite autofilettante D2x8 | ||||
| 44 | 338401 | 2.55 | 3.11 | |
| Piastra Laterale | ||||
| 45 | 338377 | 3.30 | 4.03 | |
| Nessuna informazione disponibile, non ordinabile | ||||
| 46 | 338370 | |||
| Nessuna informazione disponibile, non ordinabile | ||||
| 46A | 338370 | |||
| Dado M3 (10 Pezzi) | ||||
| 47 | 949553 | 1.04 | 1.27 | |
| Vite esagonale M4x8 (vecchio 973563,10 pezzi) | ||||
| 48 | 949811 | 1.50 | 1.83 | |
| Set di copertura frontale | ||||
| 49 | 338367 | 23.38 | 28.52 | |
| Set di armadietti frontali B | ||||
| 51 | 338415 | 30.94 | 37.74 | |
| Connettore D | ||||
| 52 | 338406 | 1.80 | 2.20 | |
| Vite a macchina M5x30 (nera) | ||||
| 71 | 323041 | 1.05 | 1.28 | |
| Dado M5 (nero) | ||||
| 72 | 302012 | 1.05 | 1.28 | |
| Dsal Telaio (a) Esterno | ||||
| 73 | 338417 | 4.65 | 5.67 | |
| Dsal Telaio (a) Interno | ||||
| 74 | 338418 | 4.05 | 4.94 | |
| Nessuna informazione disponibile, non ordinabile | ||||
| 75 | 339117 | |||
| Nessuna informazione disponibile, non ordinabile | ||||
| 76 | 339114 | |||
| Vite autofilettante D3x8 | ||||
| 77 | 338422 | 2.55 | 3.11 | |
| Nessuna informazione disponibile, non ordinabile | ||||
| 78 | 339116 | |||
| Telaio Dsal (b) Esterno | ||||
| 79 | 338420 | 5.40 | 6.59 | |
| Dsal Telaio (b) Interno | ||||
| 80 | 338419 | 4.95 | 6.04 | |
| Vite a macchina M5x20 (nero) | ||||
| 81 | 302196 | 1.05 | 1.28 | |
| Ac-adattatore (euro) | ||||
| 501 | 338412 | 21.73 | 26.50 | |
| Ac-adattatore (euro) | ||||
| 501A | 338412 | 21.73 | 26.50 | |