Qui troverai tutte le parti e i disegni disponibili di “Hikoki THT-2000SB”. Da qui puoi ordinare direttamente tutte le parti desiderate. Molte parti devono essere ordinate dal produttore, a seconda della marca, ciò richiede da una a quattro settimane. Tutte le informazioni che abbiamo sono sul nostro sito web, non possiamo consigliarti su ciò di cui hai bisogno, per questo dovrai restituire la macchina per la riparazione. Nota quanto segue al momento dell’ordinazione:
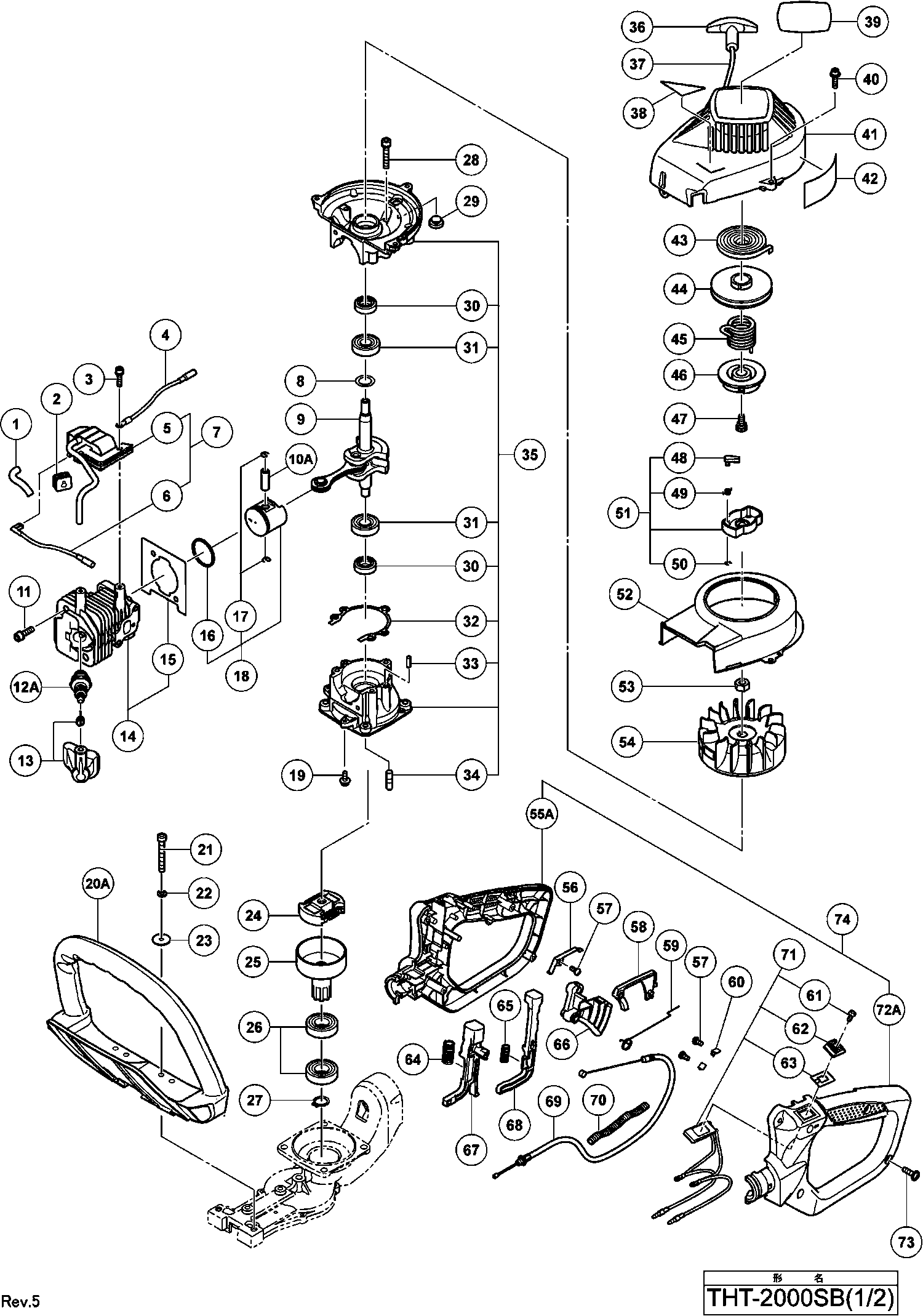
Disegni tecnici di Hikoki THT-2000SB
Elenco parti di Hikoki THT-2000SB
| Pos. | Descrizione | Prezzo IVA escl | Prezzo IVA incl | |
| I prezzi indicati sono comprensivi di IVA | ||||
| Tubo isolante 50l (vecchio 250-06500-20) | ||||
| 1 | 6684597 | 2.15 | 2.62 | |
| Passacavo (vecchio 203-0604a-20) | ||||
| 2 | 6688050 | 1.15 | 1.40 | |
| Vite con foro esagonale M4x18/ws (vecchio 994-6404 | ||||
| 3 | 6684599 | 2.15 | 2.62 | |
| Cavo (vecchio 274-51705-80) | ||||
| 4 | 6688477 | 2.31 | 2.82 | |
| Non più disponibile, nessuna sostituzione | ||||
| 6 | 6687918 | |||
| Calza dell'albero dell'ingranaggio 0.20 (vecchio 3 | ||||
| 8 | 6684604 | 2.15 | 2.62 | |
| Calza dell'albero dell'ingranaggio 0.30 (vecchio 3 | ||||
| 8 | 6684605 | 2.15 | 2.62 | |
| Albero motore comp. (vecchio 046-06621-80) | ||||
| 9 | 6686208 | 40.24 | 49.09 | |
| Spinotto del pistone | ||||
| 10A | 6696944 | 3.33 | 4.06 | |
| Bullone esagonale M5x18/s (vecchio 994-61050-184) | ||||
| 11 | 6684586 | 2.15 | 2.62 | |
| Assemblea candela Bpmr6a (vecchio 6685086) | ||||
| 12A | 6699319 | 8.91 | 10.87 | |
| Montaggio tappo candela (vecchio 157-06500-91) | ||||
| 13 | 6687476 | 4.45 | 5.43 | |
| Set Cilindro (vecchio 001-0650a-90) | ||||
| 14 | 6685480 | 40.24 | 49.09 | |
| Guarnizione del cilindro (vecchio 017-06500-20) | ||||
| 15 | 6685744 | 1.15 | 1.40 | |
| Anello di pistone (vecchio 041-00601-21/ 6686117) | ||||
| 16 | 6686118 | 4.45 | 5.43 | |
| Circlip del perno del pistone (vecchio 039-00601-2 | ||||
| 17 | 6684590 | 2.15 | 2.62 | |
| Set pistone (vecchio 030-00070-90) | ||||
| 18 | 6685869 | 15.58 | 19.00 | |
| Bullone 4x12ps (vecchio 994-25040-128) | ||||
| 19 | 6695441 | 1.15 | 1.40 | |
| Manico | ||||
| 20A | 6699079 | 5.25 | 6.40 | |
| Bullone Hex. Foro 5x40 (vecchio 990-51050-403) | ||||
| 21 | 6695054 | 1.15 | 1.40 | |
| Anello 5 (vecchio 992-10050-062) | ||||
| 22 | 6684834 | 2.15 | 2.62 | |
| Rondella | ||||
| 23 | 6689680 | 1.15 | 1.40 | |
| FRIZIONE ANTISCIVOLAMENTO COMPLETA | ||||
| 24 | 6688494 | 9.74 | 11.88 | |
| Tamburo frizione Comp. (vecchio 288-33180-80) | ||||
| 25 | 6688570 | 17.70 | 21.59 | |
| Cuscinetto a sfera 6002z | ||||
| 26 | 6695538 | 6.60 | 8.05 | |
| Anello di arresto C-15, esterno (vecchio 993-50015 | ||||
| 27 | 6695285 | 1.15 | 1.40 | |
| Bullone a testa esagonale interna M5x30 S (vecchio | ||||
| 28 | 6684786 | 2.15 | 2.62 | |
| Gomma Antivibrazione | ||||
| 29 | 6691822 | 1.15 | 1.40 | |
| Guarnizione dell'olio | ||||
| 30 | 6684607 | 4.29 | 5.23 | |
| Cuscinetto a sfere 6001 C3 | ||||
| 31 | 6684608 | 3.80 | 4.64 | |
| Guarnizione del carter (vecchio 090-06500-20) | ||||
| 32 | 6686720 | 1.15 | 1.40 | |
| Spinotto di battuta 4x12 (vecchio 999-05041-203) | ||||
| 33 | 6695521 | 1.15 | 1.40 | |
| Bullone di Studio 6x22 (vecchio 100-02100-20) | ||||
| 34 | 6686771 | 1.15 | 1.40 | |
| Carter del albero motore Ass'y (vecchio 072-06500- | ||||
| 35 | 6686574 | 42.20 | 51.48 | |
| Maniglia di avviamento | ||||
| 36 | 6693237 | 1.15 | 1.40 | |
| Corda 3x890 (vecchio 783-0651h-20) | ||||
| 37 | 6693172 | 2.31 | 2.82 | |
| Vite Hex. Foro 4x18ps (vecchio 994-63040-184) | ||||
| 40 | 6695502 | 1.15 | 1.40 | |
| Carcassa della ventola | ||||
| 41 | 6687014 | 16.94 | 20.66 | |
| Molla di richiamo (vecchio 780-06097-20/6697591) | ||||
| 43 | 6684675 | 11.55 | 14.09 | |
| Mulinello di corda di avviamento (vecchio 774-0651 | ||||
| 44 | 6693072 | 5.11 | 6.24 | |
| Molla d'ammortizzatore (vecchio 758-0651h-20) | ||||
| 45 | 6684677 | 8.58 | 10.46 | |
| Piastra camma (vecchia 759-0651h-20) | ||||
| 46 | 6684678 | 6.44 | 7.85 | |
| Vite di regolazione (vecchio 839-03045-20) | ||||
| 47 | 6684679 | 2.15 | 2.62 | |
| Morsa di avviamento (vecchio 788-0651h-20) | ||||
| 48 | 6684685 | 4.29 | 5.23 | |
| Molla della frizione di avviamento (vecchio 790-06 | ||||
| 49 | 6684684 | 4.29 | 5.23 | |
| Anello di fermata D4e (vecchio 993-55040-001) | ||||
| 50 | 6685101 | 1.15 | 1.40 | |
| Puleggia di avviamento Ass'y (vecchio 798-0651h-90 | ||||
| 51 | 6684681 | 13.20 | 16.10 | |
| Deflettore (vecchio 132-06602-20) | ||||
| 52 | 6687209 | 6.44 | 7.85 | |
| Dado M8 (vecchio 991-01080-011/327325/332299/72660 | ||||
| 53 | 6684612 | 2.15 | 2.62 | |
| Nessuna informazione disponibile, non ordinabile | ||||
| 54 | 6687396 | |||
| Nessuna informazione disponibile, non ordinabile | ||||
| 55A | 6698868 | |||
| Terminale di terra | ||||
| 56 | 6696350 | 1.05 | 1.28 | |
| Vite di trapano D3 | ||||
| 57 | 696352 | 1.13 | 1.37 | |
| Blocco del commutatore | ||||
| 58 | 6696344 | 1.05 | 1.28 | |
| Molla lever dell'acceleratore | ||||
| 59 | 6696345 | 1.05 | 1.28 | |
| Terminale a Scheda | ||||
| 60 | 6696355 | 1.05 | 1.28 | |
| Vite 3x10 (vecchio 994-31030-101) | ||||
| 61 | 6684913 | 2.15 | 2.62 | |
| Pulsante Stop (vecchio 258-11650-20) | ||||
| 62 | 6688366 | 1.15 | 1.40 | |
| Pulsante di arresto Mark (vecchio 925-33160-20) | ||||
| 63 | 6694588 | 1.15 | 1.40 | |
| Molla (a) | ||||
| 64 | 6696348 | 1.05 | 1.28 | |
| Molla (b) | ||||
| 65 | 6696349 | 1.05 | 1.28 | |
| Regolatore | ||||
| 66 | 6696343 | 1.05 | 1.28 | |
| LEVA DI BLOCCO | ||||
| 67 | 6696346 | 1.05 | 1.28 | |
| LEVA DI RILASCIO | ||||
| 68 | 6696347 | 1.05 | 1.28 | |
| Nessuna informazione disponibile, non ordinabile | ||||
| 69 | 6698827 | |||
| Tubo di protezione 130l (vecchio 164-07013-01) | ||||
| 70 | 6687521 | 1.15 | 1.40 | |
| Interruttore di stop Completo (a) | ||||
| 71 | 6696354 | 14.19 | 17.31 | |
| Maniglia (b) | ||||
| 72A | 6698869 | 4.65 | 5.67 | |
| Vite Autofilettante (con flangia) D4x16 (nero) | ||||
| 73 | 305812 | 1.04 | 1.27 | |
| Non più disponibile, nessuna sostituzione | ||||
| 74 | 6698870 | |||
| Vite auto forante D4.5x16 (vecchio 990-72045-164/7 | ||||
| 91 | 6684636 | 2.15 | 2.62 | |
| Protezione del marmitta (vecchio 738-06500-20) | ||||
| 92 | 6692795 | 6.93 | 8.45 | |
| Bullone a Testa Esagonale M5x50 (vecchio 990-51050 | ||||
| 93 | 6685114 | 1.15 | 1.40 | |
| Rondella | ||||
| 94 | 6684661 | 2.15 | 2.62 | |
| Nessuna informazione disponibile, non ordinabile | ||||
| 95 | 6692481 | |||
| Scudo termico | ||||
| 96 | 6687252 | 2.31 | 2.82 | |
| Guarnizione Marmitta (vecchio 737-06500-20) | ||||
| 97 | 6692744 | 1.15 | 1.40 | |
| Guarnizione del tubo di aspirazione (vecchio 403-0 | ||||
| 98 | 6689891 | 1.15 | 1.40 | |
| Set di isolante per carburatore, di ricambio | ||||
| 99 | 6689966 | 6.93 | 8.45 | |
| Bullone a foro esagonale 5x25ws (vecchio 994-64050 | ||||
| 100 | 6695515 | 1.15 | 1.40 | |
| Guarnizione del carburatore (vecchio 402-06500-20) | ||||
| 101 | 6689839 | 1.15 | 1.40 | |
| Piastra di fissaggio del cavo dell'acceleratore (v | ||||
| 102 | 6684629 | 4.29 | 5.23 | |
| Guarnizione del carburatore (vecchio 402-0602K-21/ | ||||
| 103 | 6684615 | 2.15 | 2.62 | |
| Set carburatore | ||||
| 104 | 6690495 | 62.31 | 76.02 | |
| Set carburatore | ||||
| 104 | 6690494 | 58.39 | 71.23 | |
| Nessuna informazione disponibile, non ordinabile | ||||
| 105 | 6684628 | |||
| Guarnizione pulitore (vecchio 431-06020-20/791187) | ||||
| 106 | 6690184 | 1.15 | 1.40 | |
| Corpo del pulitore comp. (vecchio 423-0072z-81) | ||||
| 107 | 6690091 | 5.78 | 7.05 | |
| Collare (vecchio 470-00025-20) | ||||
| 108 | 6690801 | 2.31 | 2.82 | |
| Piastra di strozzamento, con foro da 1.5mm (vecchi | ||||
| 109 | 6691267 | 4.45 | 5.43 | |
| Distanziale (vecchio 453-0602k-20) | ||||
| 110 | 6684859 | 2.15 | 2.62 | |
| Rondella | ||||
| 111 | 6684661 | 2.15 | 2.62 | |
| Rondella (vecchio 992-10050-012) | ||||
| 112 | 6684662 | 2.15 | 2.62 | |
| Vite 5x65 (vecchio 990-11050-652) | ||||
| 113 | 6694918 | 1.15 | 1.40 | |
| Non più disponibile, nessuna sostituzione | ||||
| 114 | 6690350 | |||
| Cappuccio del pulitore dell'aria (vecchio 424-0072 | ||||
| 115 | 6690142 | 4.95 | 6.04 | |
| Snodo (vecchio 539-25120-20) | ||||
| 116 | 6684697 | 6.44 | 7.85 | |
| Anello di arresto (vecchio 489-25100-20) | ||||
| 117 | 6684696 | 2.15 | 2.62 | |
| O-RING (vecchio 550-25100-20) | ||||
| 118 | 6684695 | 4.29 | 5.23 | |
| Getto Principale #39 (vecchio 599-2000w-39) Nuovo | ||||
| 119 | 6684878 | 4.45 | 5.43 | |
| Schermo di ingresso (vecchio 578-25007-20) | ||||
| 120 | 6684700 | 4.29 | 5.23 | |
| Corpo di Pompa Comp. (vecchio 575-25157-80) | ||||
| 121 | 6691433 | 36.15 | 44.10 | |
| Pompa di innesto comp. (vecchio 442-25151-80) | ||||
| 122 | 6684687 | 16.34 | 19.93 | |
| Coperchio del diaframma (vecchio 476-25151-20) | ||||
| 123 | 6684688 | 8.58 | 10.46 | |
| Vite di regolazione (vecchio 548-25151-20 & 669632 | ||||
| 124 | 6684699 | 2.15 | 2.62 | |
| Vite di regolazione del gas (vecchio 548-25140-20) | ||||
| 125 | 6684698 | 4.29 | 5.23 | |
| Valvola a farfalla comp. (vecchio 488-25145-80) | ||||
| 126 | 6684883 | 18.75 | 22.88 | |
| Guarnizione pompa (vecchio 577-25100-20) | ||||
| 127 | 6691457 | 7.10 | 8.66 | |
| Diaframma della pompa (vecchio 576-25100-20 & 6696 | ||||
| 128 | 6684693 | 8.58 | 10.46 | |
| Guarnizione del diaframma (vecchio 475-25153-20) | ||||
| 129 | 6684691 | 8.58 | 10.46 | |
| Diaframma di misurazione Comp. (vecchio 474-25241- | ||||
| 130 | 6690830 | 11.88 | 14.49 | |
| Membrana di dosaggio Comp. (vecchio 474-25001-80/6 | ||||
| 130 | 6690827 | 11.71 | 14.29 | |
| Corpo di innesco (vecchio 447-25108-20) | ||||
| 131 | 6684689 | 6.44 | 7.85 | |
| TANICA | ||||
| 132 | 6696356 | 4.05 | 4.94 | |
| TANICA | ||||
| 132 | 6696357 | 4.05 | 4.94 | |
| Montaggio del condotto di ventilazione (vecchio 56 | ||||
| 133 | 6691389 | 10.23 | 12.47 | |
| Assieme valvola di sfiato (vecchio 646-06612-90) | ||||
| 135 | 6692171 | 4.95 | 6.04 | |
| Collare 5.8 (vecchio 659-00801-20) | ||||
| 136 | 6692244 | 1.15 | 1.40 | |
| Bullone a buco esagonale 5x18ps (vecchio 994-63050 | ||||
| 137 | 6695505 | 1.15 | 1.40 | |
| Clip.6.3 Dia. (vecchio 680-00731-20) | ||||
| 138 | 6684619 | 2.15 | 2.62 | |
| Filtro della pompa | ||||
| 139A | 6698874 | 12.00 | 14.64 | |
| Tubo del Carburante | ||||
| 140A | 6698715 | 9.75 | 11.90 | |
| Nessuna informazione disponibile, non ordinabile | ||||
| 141 | 6684625 | |||
| Cappuccio del serbatoio D Ass'y, nero (vecchio 595 | ||||
| 142 | 6691763 | 7.59 | 9.26 | |
| Tubo del carburante 3x5x65 (vecchio 700-03005-06) | ||||
| 143 | 6684626 | 2.15 | 2.62 | |
| Gommino di ritorno fino a 7.2014 (vecchio 6684627) | ||||
| 144A | 6697846 | 1.04 | 1.27 | |
| CAPPELLO A GRASSO COMP. (VECCHIO 300-32250-80) | ||||
| 145 | 6688643 | 1.15 | 1.40 | |
| Dado in nylon M5 | ||||
| 146 | 305491 | 1.65 | 2.01 | |
| Rondella 5 (vecchio 992-00050-011) | ||||
| 147 | 6684864 | 2.15 | 2.62 | |
| NYLON NUT M6 | ||||
| 148A | 6698766 | 1.00 | 1.22 | |
| Piastra di supporto | ||||
| 150A | 6698890 | 1.20 | 1.46 | |
| Copertura taglierina (vecchio 138-33258-20) | ||||
| 151 | 6687311 | 7.59 | 9.26 | |
| Dado a U M6 | ||||
| 152A | 6698946 | 2.10 | 2.56 | |
| Nessuna informazione disponibile, non ordinabile | ||||
| 153A | 6698784 | |||
| Non più disponibile, nessuna sostituzione | ||||
| 154A | 6699125 | |||
| Componente della morsetto del cavo (vecchio 198-10 | ||||
| 155 | 6688008 | 1.15 | 1.40 | |
| Dado a molla 6 (vecchio 994-40060-011) | ||||
| 156 | 6695475 | 1.15 | 1.40 | |
| Bullone con foro esagonale 6x18/s (vecchio 994-610 | ||||
| 157 | 6695495 | 1.15 | 1.40 | |
| Non più disponibile, nessuna sostituzione | ||||
| 158 | 6696359 | |||
| Piastra di guida (vecchia 075-33287-20) | ||||
| 161 | 6686614 | 4.45 | 5.43 | |
| INGRANAGGIO | ||||
| 163A | 6699038 | 15.54 | 18.96 | |
| Piastra di serraggio (vecchia 070-33287-20) | ||||
| 165 | 6686468 | 1.15 | 1.40 | |
| Guarnizione del carter dell'ingranaggio (vecchio 3 | ||||
| 166 | 6688909 | 1.15 | 1.40 | |
| Coperchio del carter dell'ingranaggio (vecchio 630 | ||||
| 167 | 6692102 | 5.78 | 7.05 | |
| Bullone forato esagonale 4x10s (vecchio 994-61040- | ||||
| 168 | 6695484 | 1.15 | 1.40 | |
| Guarnizione in Gomma | ||||
| 169 | 6686658 | 1.15 | 1.40 | |
| Nessuna informazione disponibile, non ordinabile | ||||
| 170A | 6698886 | |||
| Nessuna informazione disponibile, non ordinabile | ||||
| 171A | 6698888 | |||
| BULLONE (A) | ||||
| 172A | 6698887 | 3.15 | 3.84 | |
| Non più disponibile, nessuna sostituzione | ||||
| 173 | 6698931 | |||
| Assieme Lama (a) | ||||
| 174 | 6698747 | 51.29 | 62.57 | |
| Nessuna informazione disponibile, non ordinabile | ||||
| 501 | 6684813 | |||
| Chiave combinata 10x19 ,più (vecchio 036-29331-50) | ||||
| 502 | 6685997 | 4.45 | 5.43 | |
| Dado 6 Ups-p (vecchio 991-87060-001 & 6698766) | ||||
| 601 | 6695175 | 1.15 | 1.40 | |
| Rondella | ||||
| 602 | 6684639 | 2.15 | 2.62 | |
| Piastra di supporto (vecchia 462-33287-20) | ||||
| 603 | 6690761 | 3.30 | 4.03 | |
| Dado a flangia | ||||
| 604 | 6695170 | 1.15 | 1.40 | |
| Guida di taglio 590 (vecchio 6687152) | ||||
| 605A | 6697700 | 11.23 | 13.69 | |
| Non più disponibile, nessuna sostituzione | ||||
| 608 | 6687187 | |||
| Non più disponibile, nessuna sostituzione | ||||
| 609 | 6687162 | |||
| Bullone | ||||
| 610 | 6687158 | 1.15 | 1.40 | |