Qui troverai tutte le parti e i disegni disponibili di “Hikoki TED270RS”. Da qui puoi ordinare direttamente tutte le parti desiderate. Molte parti devono essere ordinate dal produttore, a seconda della marca, ciò richiede da una a quattro settimane. Tutte le informazioni che abbiamo sono sul nostro sito web, non possiamo consigliarti su ciò di cui hai bisogno, per questo dovrai restituire la macchina per la riparazione. Nota quanto segue al momento dell’ordinazione:
Disegni tecnici di Hikoki TED270RS
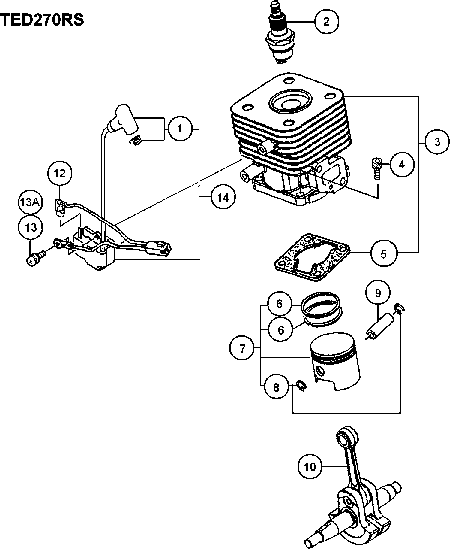
Elenco parti di Hikoki TED270RS
| Pos. | Descrizione | Prezzo IVA escl | Prezzo IVA incl | |
| I prezzi indicati sono comprensivi di IVA | ||||
| Montaggio del cappuccio della spina (vecchio 157-0 | ||||
| 1 | 6684894 | 8.58 | 10.46 | |
| Assemblea candela Bpmr6a (vecchio 6685086) | ||||
| 2 | 6699319 | 8.91 | 10.87 | |
| Set cilindro (vecchio 001-07355-90) | ||||
| 3 | 6685493 | 54.30 | 66.25 | |
| Bullone esagonale M5x18/s (vecchio 994-61050-184) | ||||
| 4 | 6684586 | 2.15 | 2.62 | |
| Guarnizione del cilindro T=1.0 (vecchio 017-07355- | ||||
| 5 | 6685750 | 2.31 | 2.82 | |
| Anello di pistone (vecchio 041-01700-20) | ||||
| 6 | 6686121 | 4.45 | 5.43 | |
| Set di pistoni (vecchio 030-07350-90) | ||||
| 7 | 6685902 | 20.11 | 24.54 | |
| Circlip del perno del pistone (vecchio 039-00601-2 | ||||
| 8 | 6684590 | 2.15 | 2.62 | |
| Perno del pistone (vecchio 037-07045-20) | ||||
| 9 | 6684591 | 4.29 | 5.23 | |
| Albero motore comp. (vecchio 046-07350-82) | ||||
| 10 | 6686219 | 72.30 | 88.21 | |
| Fermacavo B 190m (vecchio 178-01680-80) | ||||
| 12 | 6687836 | 2.31 | 2.82 | |
| Vite con foro esagonale M4x18/ws (vecchio 994-6404 | ||||
| 13 | 6684599 | 2.15 | 2.62 | |
| Vite ad alta tensione 4x18ws (vecchio 994-16040-18 | ||||
| 13A | 6695407 | 1.15 | 1.40 | |
| Bobina (vecchio 167-21013-90 & 6687685) | ||||
| 14 | 6687686 | 24.20 | 29.52 | |
| Calza dell'albero dell'ingranaggio 0.20 (vecchio 3 | ||||
| 21 | 6684604 | 2.15 | 2.62 | |
| Calza dell'albero dell'ingranaggio 0.30 (vecchio 3 | ||||
| 21 | 6684605 | 2.15 | 2.62 | |
| Roto Magneto Comp. | ||||
| 22 | 6687384 | 16.19 | 19.75 | |
| Dado M8 (vecchio 991-01080-011/327325/332299/72660 | ||||
| 23 | 6684612 | 2.15 | 2.62 | |
| Rondella M8 (vecchio 992-01080-011) | ||||
| 24 | 6684611 | 2.15 | 2.62 | |
| Carter del montaggio (vecchio 072-03045-94) | ||||
| 25 | 6684905 | 54.45 | 66.43 | |
| Guarnizione dell'olio | ||||
| 26 | 6684607 | 4.29 | 5.23 | |
| Cuscinetto a sfere 6001 C3 | ||||
| 27 | 6684608 | 3.80 | 4.64 | |
| Guarnizione del carter (vecchio 090-07350-22) | ||||
| 28 | 6684904 | 2.15 | 2.62 | |
| Vite a testa esagonale M5x16/s (vecchio 994-61050- | ||||
| 29 | 6684903 | 2.15 | 2.62 | |
| Guarnizione del collettore di aspirazione | ||||
| 41 | 6689895 | 1.15 | 1.40 | |
| Set di isolanti (vecchio 404-07020-91) | ||||
| 42 | 6689972 | 6.28 | 7.66 | |
| Bullone a foro esagonale 5x25ws (vecchio 994-64050 | ||||
| 43 | 6695515 | 1.15 | 1.40 | |
| Guarnizione del carburatore (vecchio 402-0602K-21/ | ||||
| 44 | 6684615 | 2.15 | 2.62 | |
| Set carburatore Wyj-431 Walbro (vecchio 455-07355- | ||||
| 45 | 6690519 | 86.36 | 105.36 | |
| Corpo del pulitore completo (vecchio 423-0652n-80) | ||||
| 46 | 6690120 | 4.45 | 5.43 | |
| Spugna per la pulizia | ||||
| 47 | 6690365 | 1.15 | 1.40 | |
| Coprifiltro dell'aria | ||||
| 48 | 6690421 | 13.86 | 16.91 | |
| Comp. di bullone di fissaggio della copertina | ||||
| 49 | 6698730 | 3.15 | 3.84 | |
| Vite M5x57/s (vecchio 994-14050-571/790190) | ||||
| 50 | 6695353 | 1.15 | 1.40 | |
| Rondella 5 (vecchio 992-00050-011) | ||||
| 51 | 6684864 | 2.15 | 2.62 | |
| Leva di strozzamento 1.5 (vecchio 528-07355-22) | ||||
| 52 | 6691281 | 1.15 | 1.40 | |
| Leva di controllo del collettore (vecchio 523-0652 | ||||
| 53 | 6691239 | 1.15 | 1.40 | |
| Serbatoio Bianco (vecchio 591-07350-22/6691519/669 | ||||
| 54 | 6691602 | 15.13 | 18.45 | |
| TANICA | ||||
| 54A | 6601167 | 8.91 | 10.87 | |
| Collare 5.8 (vecchio 659-00801-20) | ||||
| 55 | 6692244 | 1.15 | 1.40 | |
| Gommino di ritorno fino a 7.2014 (vecchio 6684627) | ||||
| 56 | 6697846 | 1.04 | 1.27 | |
| Non più disponibile, nessuna sostituzione | ||||
| 56A | 6600358 | |||
| Tubo del carburante 3x5x65 (vecchio 700-03005-06) | ||||
| 57 | 6684626 | 2.15 | 2.62 | |
| Nessuna informazione disponibile, non ordinabile | ||||
| 58 | 6684620 | |||
| Clip D6 (vecchio 680-00070-20) | ||||
| 59 | 6685198 | 1.15 | 1.40 | |
| Tubo del carburante Ass'y (vecchio 223-0097a-90) | ||||
| 60 | 6684618 | 4.29 | 5.23 | |
| Tubo del Carburante | ||||
| 60A | 6601181 | 1.04 | 1.27 | |
| Rondella | ||||
| 61 | 6689681 | 1.15 | 1.40 | |
| Nessuna informazione disponibile, non ordinabile | ||||
| 62 | 6685049 | |||
| Nessuna informazione disponibile, non ordinabile | ||||
| 63 | 6684625 | |||
| Bullone a buco esagonale 5x20/ps (vecchio 994-6305 | ||||
| 64 | 6684634 | 2.15 | 2.62 | |
| Bullone (con flangia) | ||||
| 64A | 6696574 | 1.05 | 1.28 | |
| Vite autofilettante 4x14 P (vecchio 993-49040-142/ | ||||
| 65 | 6695280 | 1.15 | 1.40 | |
| Rondella | ||||
| 66 | 6685070 | 1.15 | 1.40 | |
| Bullone a buco esagonale 5x16/ps (vecchio 994-6305 | ||||
| 67 | 6695504 | 1.15 | 1.40 | |
| Bullone (con flangia) | ||||
| 67A | 6696574 | 1.05 | 1.28 | |
| Coperchio del Cilindro (vecchio 016-07350-20) | ||||
| 71 | 6685690 | 5.28 | 6.44 | |
| Bullone a buco esagonale 5x16/ps (vecchio 994-6305 | ||||
| 72 | 6695504 | 1.15 | 1.40 | |
| Dado esagonale forato M6x55 (vecchio 990-51060-553 | ||||
| 73 | 6684638 | 2.15 | 2.62 | |
| Rondella | ||||
| 74 | 6684639 | 2.15 | 2.62 | |
| Set di silenziatori (vecchio 704-07365-90) nuovo | ||||
| 75 | 6692501 | 14.85 | 18.12 | |
| Guarnizione del marmitta (vecchio 737-0165a-20) | ||||
| 76 | 6692732 | 1.15 | 1.40 | |
| Protezione marmitta Oro (vecchio 738-0735a-20) Nuo | ||||
| 77 | 6692815 | 5.78 | 7.05 | |
| Bullone a foro esagonale 4x18ws (vecchio 994-64040 | ||||
| 78 | 6695508 | 1.15 | 1.40 | |
| Vite 4x18/ps (vecchio 994-15040-182) | ||||
| 78A | 6695375 | 1.15 | 1.40 | |
| Deflettore (vecchio 132-0735a-20) Nuovo | ||||
| 79 | 6687214 | 3.30 | 4.03 | |
| Rondella | ||||
| 80 | 6684642 | 2.15 | 2.62 | |
| Nessuna informazione disponibile, non ordinabile | ||||
| 80A | 6697619 | |||
| Scarpa frizione | ||||
| 81 | 6684643 | 11.55 | 14.09 | |
| Nessuna informazione disponibile, non ordinabile | ||||
| 81A | 6697656 | |||
| Molla frizione (vecchio 342-0630b-20) | ||||
| 82 | 6684644 | 2.15 | 2.62 | |
| Molla della frizione | ||||
| 82A | 6697657 | 1.04 | 1.27 | |
| Piastra frizione A 0.5 (vecchio 348-0630a-20/66895 | ||||
| 83 | 6684645 | 2.15 | 2.62 | |
| Piastra frizione A (vecchia 348-0602r-20) | ||||
| 83A | 6689528 | 1.15 | 1.40 | |
| Bullone di passaggio (vecchio 357-0075t-20) | ||||
| 84 | 6684646 | 2.15 | 2.62 | |
| Bullone a gradino (vecchio 357-00601-20) | ||||
| 84A | 6689627 | 1.15 | 1.40 | |
| Vite con foro esagonale M5x18/ws (vecchio 994-6405 | ||||
| 85 | 6684647 | 2.15 | 2.62 | |
| Rondella | ||||
| 86 | 6684648 | 2.15 | 2.62 | |
| Set di frizione | ||||
| 87 | 6697655 | 6.76 | 8.25 | |
| Bullone con foro esagonale 4x15/ps (vecchio 994-63 | ||||
| 88 | 6684682 | 2.15 | 2.62 | |
| Scudo termico | ||||
| 89 | 6687264 | 3.30 | 4.03 | |
| Vite autofilettante 4x14 (vecchio 993-48040-142) | ||||
| 90 | 6684751 | 2.15 | 2.62 | |
| Non più disponibile, nessuna sostituzione | ||||
| 91 | 6687036 | |||
| Guarnizione primaria del cavo (vecchio 203-11660-2 | ||||
| 92 | 6688057 | 1.15 | 1.40 | |
| Nessuna informazione disponibile, non ordinabile | ||||
| 101A | 6699995 | |||
| Carcassa avviamento a strappo Comp. (vecchio 772-0 | ||||
| 102 | 6684673 | 19.06 | 23.26 | |
| Corda di avviamento 3.5x860 (vecchio 783-0720f-20/ | ||||
| 103 | 6684674 | 4.29 | 5.23 | |
| Molla di richiamo (vecchio 780-06097-20/6697591) | ||||
| 104 | 6684675 | 11.55 | 14.09 | |
| Bobina della corda di avviamento | ||||
| 105A | 6699997 | 8.41 | 10.26 | |
| Molla d'ammortizzatore (vecchio 758-0651h-20) | ||||
| 106 | 6684677 | 8.58 | 10.46 | |
| PIASTRA CAMMA | ||||
| 107A | 6699996 | 2.55 | 3.11 | |
| Vite di regolazione (vecchio 839-03045-20) | ||||
| 108 | 6684679 | 2.15 | 2.62 | |
| Maniglia di avviamento | ||||
| 109 | 6684680 | 2.15 | 2.62 | |
| Puleggia di avviamento Ass'y (vecchio 798-0651h-90 | ||||
| 110 | 6684681 | 13.20 | 16.10 | |
| Anello di fermata D4e (vecchio 993-55040-001) | ||||
| 111 | 6685101 | 1.15 | 1.40 | |
| Molla della frizione di avviamento (vecchio 790-06 | ||||
| 112 | 6684684 | 4.29 | 5.23 | |
| Morsa di avviamento (vecchio 788-0651h-20) | ||||
| 113 | 6684685 | 4.29 | 5.23 | |
| Vite 4x18/ps (vecchio 994-15040-182) | ||||
| 114 | 6695375 | 1.15 | 1.40 | |
| Ass'y di Piastra Camma | ||||
| 115 | 6699691 | 6.10 | 7.44 | |
| Corpo pompa comp. (vecchio 575-25153-80) | ||||
| 121 | 6684879 | 62.16 | 75.84 | |
| Pompa di innesto comp. (vecchio 442-25151-80) | ||||
| 122 | 6684687 | 16.34 | 19.93 | |
| Coperchio del diaframma (vecchio 476-25151-20) | ||||
| 123 | 6684688 | 8.58 | 10.46 | |
| Corpo di innesco (vecchio 447-25108-20) | ||||
| 124 | 6684689 | 6.44 | 7.85 | |
| Diaframma di misurazione Comp. (vecchio 474-25241- | ||||
| 125 | 6690830 | 11.88 | 14.49 | |
| Guarnizione del diaframma (vecchio 475-25153-20) | ||||
| 126 | 6684691 | 8.58 | 10.46 | |
| Diaframma della pompa (vecchio 576-25100-20 & 6696 | ||||
| 127 | 6684693 | 8.58 | 10.46 | |
| Guarnizione della pompa (vecchio 577-25292-20 & 66 | ||||
| 128 | 6684692 | 29.19 | 35.61 | |
| Getto principale #43 (vecchio 599-2000w-43/6691847 | ||||
| 129 | 6691848 | 4.45 | 5.43 | |
| O-RING (vecchio 550-25100-20) | ||||
| 130 | 6684695 | 4.29 | 5.23 | |
| Anello di arresto (vecchio 489-25100-20) | ||||
| 131 | 6684696 | 2.15 | 2.62 | |
| Snodo (vecchio 539-25120-20) | ||||
| 132 | 6684697 | 6.44 | 7.85 | |
| Vite di Regolazione Dell'Acceleratore (vecchio 514 | ||||
| 133 | 6684870 | 2.15 | 2.62 | |
| Regolatore del cavo (vecchio 544-25164-20) | ||||
| 134 | 6684873 | 6.44 | 7.85 | |
| Dado di Blocco M6 (vecchio 991-01060-013) | ||||
| 135 | 6684872 | 2.15 | 2.62 | |
| Regolatore di Cavo (vecchio 614-25137-20) | ||||
| 136 | 6684871 | 4.29 | 5.23 | |
| Guarnizione del Pulitore (vecchia 431-0634c-20) | ||||
| 137 | 6684875 | 4.29 | 5.23 | |
| Vite di regolazione (vecchio 548-25151-20 & 669632 | ||||
| 138 | 6684699 | 2.15 | 2.62 | |
| Rondella (vecchia 549-25165-20) | ||||
| 139 | 6684874 | 2.15 | 2.62 | |
| Schermo di ingresso (vecchio 578-25007-20) | ||||
| 140 | 6684700 | 4.29 | 5.23 | |
| Nessuna informazione disponibile, non ordinabile | ||||
| 151 | 6685576 | |||
| Non più disponibile, nessuna sostituzione | ||||
| 152 | 6685593 | |||
| Non più disponibile, nessuna sostituzione | ||||
| 153 | 6686684 | |||
| Molla guida scorrimento (vecchia 106-32141-20) | ||||
| 154 | 6686837 | 1.15 | 1.40 | |
| Leva di cambio (vecchia 108-32141-20) | ||||
| 155 | 6686862 | 3.30 | 4.03 | |
| CAPPELLO A GRASSO COMP. (VECCHIO 300-32250-80) | ||||
| 156 | 6688643 | 1.15 | 1.40 | |
| Palla di acciaio (vecchio 673-35600-20) | ||||
| 157 | 6692271 | 1.15 | 1.40 | |
| Vite a buco esagonale 4x8 (vecchio 990-51040-083) | ||||
| 158 | 6695034 | 1.15 | 1.40 | |
| Rondella | ||||
| 159 | 6685070 | 1.15 | 1.40 | |
| Nessuna informazione disponibile, non ordinabile | ||||
| 161 | 6695591 | |||
| Ingranaggio 4 (vecchio 018-32192-20) | ||||
| 162 | 6685788 | 50.21 | 61.26 | |
| Cuscinetto a sfere #7202b | ||||
| 163 | 6695587 | 14.21 | 17.34 | |
| Rondella C 5.0 (vecchio 040-32120-20) | ||||
| 164 | 6686065 | 3.30 | 4.03 | |
| Cuscinetto a sfera #6202z | ||||
| 165 | 6695559 | 6.44 | 7.85 | |
| Rondella | ||||
| 166 | 6695206 | 1.15 | 1.40 | |
| Anello di arresto C-35, interno (vecchio 993-51035 | ||||
| 167 | 6695296 | 1.15 | 1.40 | |
| Chiavetta Wood-ruff 3x13x5 (vecchio 068-01006-20) | ||||
| 168 | 6686455 | 1.15 | 1.40 | |
| Albero di trasmissione (vecchio 022-32183-20) | ||||
| 169 | 6685824 | 104.51 | 127.51 | |
| Vite 5x18/s (vecchio 994-14050-181) | ||||
| 170 | 6695339 | 1.15 | 1.40 | |
| Nessuna informazione disponibile, non ordinabile | ||||
| 171 | 6686378 | |||
| Nessuna informazione disponibile, non ordinabile | ||||
| 172 | 6687314 | |||
| Anello di arresto 20, Interno (vecchio 993-57200-0 | ||||
| 173 | 6695316 | 1.15 | 1.40 | |
| Nessuna informazione disponibile, non ordinabile | ||||
| 174 | 6695522 | |||
| Rondella elastica | ||||
| 175A | 942827 | 1.04 | 1.27 | |
| Rondella | ||||
| 176 | 6687320 | 1.15 | 1.40 | |
| Ingranaggio Inattivo (vecchio 059-32141-20) | ||||
| 177 | 6686373 | 64.28 | 78.42 | |
| Nessuna informazione disponibile, non ordinabile | ||||
| 178 | 6695591 | |||
| Albero al minimo (vecchio 058-32141-20) | ||||
| 179 | 6686365 | 44.31 | 54.06 | |
| Nessuna informazione disponibile, non ordinabile | ||||
| 180 | 6686423 | |||
| Anello di arresto C-24.internal (vecchio 993-51024 | ||||
| 181 | 6684732 | 2.15 | 2.62 | |
| Cuscinetto a sfera 609z ST | ||||
| 182 | 6684735 | 8.58 | 10.46 | |
| Rondella | ||||
| 183 | 6687320 | 1.15 | 1.40 | |
| Nessuna informazione disponibile, non ordinabile | ||||
| 184 | 6686411 | |||
| Nessuna informazione disponibile, non ordinabile | ||||
| 185 | 6695591 | |||
| Albero contatore (vecchio 063-32192-20) | ||||
| 186 | 6686427 | 52.34 | 63.85 | |
| Anello di arresto C-13, esterno (vecchio 993-50013 | ||||
| 187 | 6695283 | 1.15 | 1.40 | |
| Custodia frizione Comp. (vecchio 226-32141-80) | ||||
| 201 | 6688199 | 12.38 | 15.10 | |
| Vite Plus 6x30 (vecchio 990-23060-301) | ||||
| 203 | 6695022 | 1.15 | 1.40 | |
| Rondella | ||||
| 204 | 6695219 | 1.15 | 1.40 | |
| Componente Maniglia A (vecchio 258-3210a-82) | ||||
| 205 | 6688369 | 36.15 | 44.10 | |
| Impugnatura A (vecchio 165-33130-20/6691224) | ||||
| 206 | 6687624 | 5.78 | 7.05 | |
| Leva dell'acceleratore (vecchio 101-32120-20) | ||||
| 207 | 6686799 | 2.31 | 2.82 | |
| Vite 5x25 (vecchio 990-11050-251/6694895) | ||||
| 208 | 6694896 | 1.15 | 1.40 | |
| Dado esagonale 5 (vecchio 991-01050-011) | ||||
| 209 | 6684965 | 1.04 | 1.27 | |
| Morsetto del cavo (vecchio 198-33130-20) | ||||
| 210 | 6688015 | 1.15 | 1.40 | |
| Vite Plus 6x16 (vecchio 990-23060-161) | ||||
| 211 | 6695019 | 1.15 | 1.40 | |
| Rondella | ||||
| 212 | 6695219 | 1.15 | 1.40 | |
| Componente Maniglia B (vecchio 259-3210a-80) | ||||
| 213 | 6688372 | 13.20 | 16.10 | |
| Impugnatura (vecchio 055-32130-20) | ||||
| 214 | 6686350 | 5.28 | 6.44 | |
| Rondella | ||||
| 215 | 6695225 | 1.15 | 1.40 | |
| Interruttore di arresto Comp. (vecchio 156-3210a-8 | ||||
| 216 | 6687431 | 8.41 | 10.26 | |
| Pulsante di arresto Mark (vecchio 925-33176-20) | ||||
| 217 | 6694589 | 2.31 | 2.82 | |
| Pulsante Stop (vecchio 258-11650-20) | ||||
| 218 | 6688366 | 1.15 | 1.40 | |
| Vite 3x10 (vecchio 994-31030-101) | ||||
| 219 | 6684913 | 2.15 | 2.62 | |
| Cavo dell'acceleratore 370+45.5 (vecchio 885-71010 | ||||
| 220 | 6693987 | 4.79 | 5.84 | |
| Nessuna informazione disponibile, non ordinabile | ||||
| 221 | 6687532 | |||
| Supporto maniglia del mandrino (vecchio 155-3210a- | ||||
| 222 | 6687420 | 4.45 | 5.43 | |
| Supporto della maniglia comp. (vecchio 265-71000-8 | ||||
| 223 | 6688404 | 15.88 | 19.37 | |
| Rondella | ||||
| 224 | 6695219 | 1.15 | 1.40 | |
| Nessuna informazione disponibile, non ordinabile | ||||
| 225 | 6684792 | |||
| Cassa della frizione Comp. (vecchio 150-32141-80) | ||||
| 226 | 6687336 | 40.24 | 49.09 | |
| Vite 5x18/s (vecchio 994-14050-181) | ||||
| 227 | 6695339 | 1.15 | 1.40 | |
| Chiave combinata 10x19 (vecchio 036-29710-11/66859 | ||||
| 501 | 6685999 | 5.11 | 6.24 | |
| Nessuna informazione disponibile, non ordinabile | ||||
| 502 | 6686379 | |||
| Non più disponibile, nessuna sostituzione | ||||
| 503 | 6686780 | |||
| Piastra di nome Ted270rs (vecchio 906-0736d-20) Nu | ||||
| 601 | 6694238 | 1.05 | 1.28 | |