Qui troverai tutte le parti e i disegni disponibili di “Hikoki TBC-420PF”. Da qui puoi ordinare direttamente tutte le parti desiderate. Molte parti devono essere ordinate dal produttore, a seconda della marca, ciò richiede da una a quattro settimane. Tutte le informazioni che abbiamo sono sul nostro sito web, non possiamo consigliarti su ciò di cui hai bisogno, per questo dovrai restituire la macchina per la riparazione. Nota quanto segue al momento dell’ordinazione:
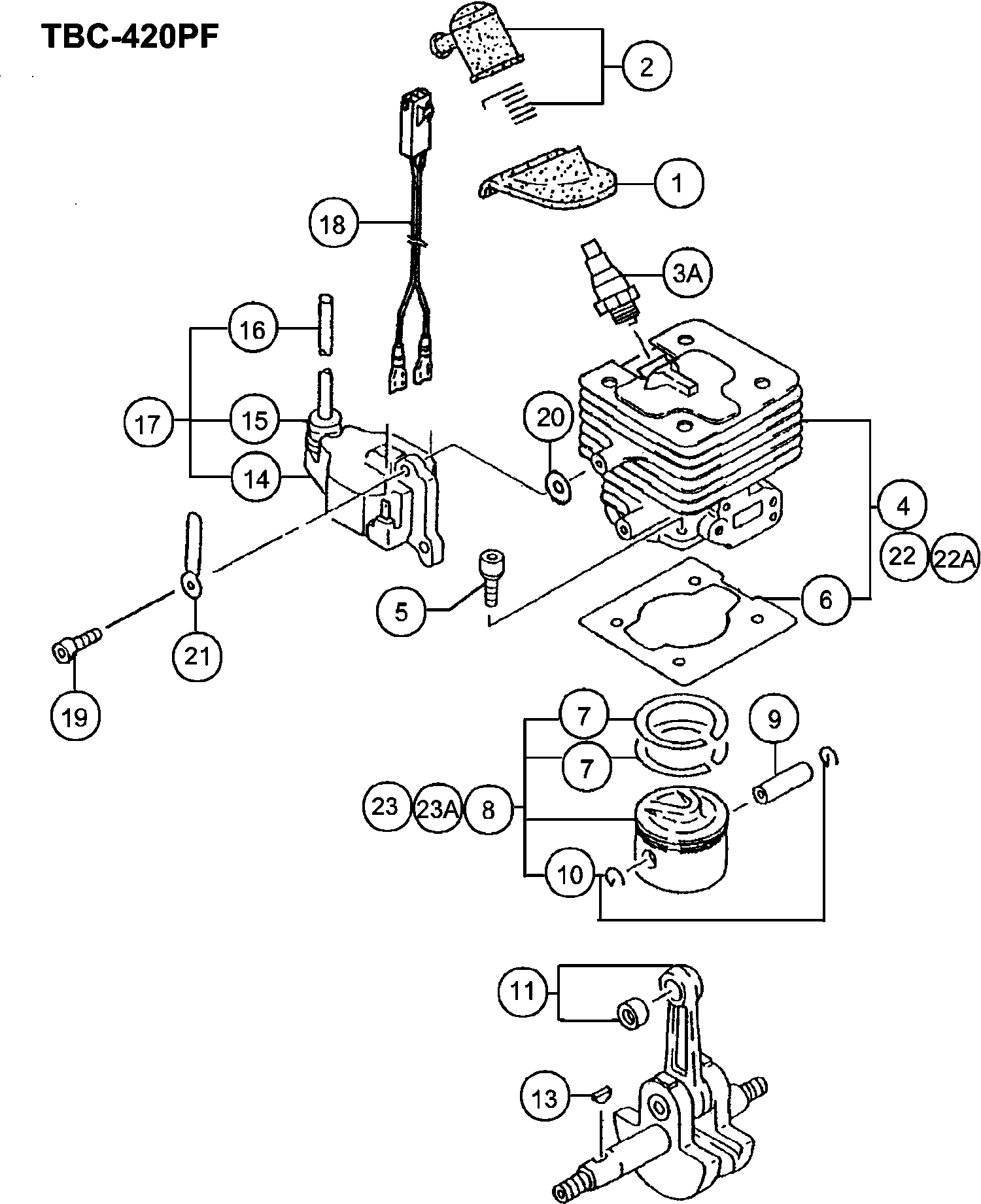
Disegni tecnici di Hikoki TBC-420PF
Elenco parti di Hikoki TBC-420PF
| Pos. | Descrizione | Prezzo IVA escl | Prezzo IVA incl | |
| I prezzi indicati sono comprensivi di IVA | ||||
| Copertura in gomma per candela Till J032440 | ||||
| 1 | 6688336 | 3.30 | 4.03 | |
| Montaggio tappo candela (vecchio 157-11666-90/6687 | ||||
| 2 | 6687479 | 2.31 | 2.82 | |
| Candela di accensione Rcj8y | ||||
| 3A | 6699328 | 3.30 | 4.03 | |
| Nessuna informazione disponibile, non ordinabile | ||||
| 4 | 6685476 | |||
| Nessuna informazione disponibile, non ordinabile | ||||
| 5 | 6684668 | |||
| Guarnizione del cilindro (vecchio 017-04400-20) | ||||
| 6 | 6685741 | 2.31 | 2.82 | |
| Anello di pistone (vecchio 041-04050-20) | ||||
| 7 | 6686123 | 4.45 | 5.43 | |
| Nessuna informazione disponibile, non ordinabile | ||||
| 8 | 6685889 | |||
| Spinotto del pistone 10x30 (vecchio 037-01000-20) | ||||
| 9 | 6686007 | 2.31 | 2.82 | |
| Circlip per perno del pistone (vecchio 039-05004-2 | ||||
| 10 | 6686032 | 1.15 | 1.40 | |
| Albero motore comp. (vecchio 046-04400-80) | ||||
| 11 | 6686192 | 84.40 | 102.97 | |
| Chiavetta Wood-ruff 3x13x5 (vecchio 068-02000-20/7 | ||||
| 13 | 6686457 | 1.15 | 1.40 | |
| Bobina | ||||
| 14 | 6687655 | 36.15 | 44.10 | |
| Cappuccio in Gomma | ||||
| 15 | 6684602 | 2.15 | 2.62 | |
| Cavo ad alta tensione (vecchio 178-20543-22/668788 | ||||
| 16 | 6687885 | 1.15 | 1.40 | |
| Bobina (vecchia 167-20543-91 & 6687656) | ||||
| 17 | 6687657 | 30.25 | 36.90 | |
| Assieme cavo principale | ||||
| 18 | 6687970 | 4.45 | 5.43 | |
| Vite 4x18/ws (vecchio 994-16040-183) | ||||
| 19 | 6695406 | 1.15 | 1.40 | |
| Rondella (vecchio 182-0186a-20) | ||||
| 20 | 6684600 | 2.15 | 2.62 | |
| Componente della morsetto del cavo (vecchio 198-11 | ||||
| 21 | 6688011 | 1.15 | 1.40 | |
| Protezione (vecchio 257-04400-20) | ||||
| 41 | 6688348 | 4.45 | 5.43 | |
| Bullone a buco esagonale 5x20/ps (vecchio 994-6305 | ||||
| 42 | 6684634 | 2.15 | 2.62 | |
| Piccolo Dado 10 (vecchio 991-11100-013/6695138/790 | ||||
| 45 | 6695139 | 1.05 | 1.28 | |
| Cassa della manovella (vecchio 072-04400-90) | ||||
| 48 | 6686558 | 45.65 | 55.69 | |
| Montaggio del carter (vecchio 072-04400-91) | ||||
| 48A | 6686559 | 50.21 | 61.26 | |
| Guarnizione del carter della manovella (vecchio 09 | ||||
| 49 | 6686715 | 1.15 | 1.40 | |
| Guarnizione dell'olio | ||||
| 50 | 6695637 | 3.30 | 4.03 | |
| Nessuna informazione disponibile, non ordinabile | ||||
| 51 | 6695557 | |||
| Calza dell'albero motore 0.10 (vecchio 071-02007-2 | ||||
| 52 | 6686470 | 1.15 | 1.40 | |
| Calza per albero a gomiti 0.20 (vecchia 071-02007- | ||||
| 52 | 6686472 | 1.15 | 1.40 | |
| Calza per albero a gomiti 0.30 (vecchia 071-02007- | ||||
| 52 | 6686473 | 1.15 | 1.40 | |
| Bullone a testa esagonale interna M5x30 S (vecchio | ||||
| 53 | 6684786 | 2.15 | 2.62 | |
| Roto Magneto Comp. | ||||
| 54 | 6687372 | 19.96 | 24.35 | |
| Rondella | ||||
| 55 | 6695198 | 1.15 | 1.40 | |
| Nessuna informazione disponibile, non ordinabile | ||||
| 56 | 6695138 | |||
| Carcassa della ventola | ||||
| 59 | 6686982 | 22.24 | 27.13 | |
| Nessuna informazione disponibile, non ordinabile | ||||
| 60 | 6684668 | |||
| Guarnizione primaria del cavo (vecchio 203-11660-2 | ||||
| 61 | 6688057 | 1.15 | 1.40 | |
| Rondella | ||||
| 62 | 6685226 | 1.15 | 1.40 | |
| Guarnizione d'aspirazione (vecchio 403-04300-20/79 | ||||
| 81 | 6689885 | 2.31 | 2.82 | |
| CARB.ISOLATORE SET, DI RISERVA (VECCHIO 404-04300- | ||||
| 82 | 6689955 | 8.91 | 10.87 | |
| Guarnizione del carburatore (vecchio 402-04300-20/ | ||||
| 83 | 6689833 | 1.15 | 1.40 | |
| Collare (vecchio 470-01380-20) | ||||
| 85 | 6690802 | 2.31 | 2.82 | |
| Corpo pulitore comp. (vecchio 423-01380-82/6690097 | ||||
| 86 | 6690099 | 5.28 | 6.44 | |
| Valvola Di Intercettazione (vecchia 528-01380-21) | ||||
| 87 | 6691258 | 1.15 | 1.40 | |
| Tavola di controllo soffiaggio (vecchio 476-01700- | ||||
| 88 | 6690843 | 1.15 | 1.40 | |
| Elemento del filtro dell'aria | ||||
| 89A | 6690352 | 1.15 | 1.40 | |
| Nessuna informazione disponibile, non ordinabile | ||||
| 90 | 6684658 | |||
| Coprifiltro dell'aria | ||||
| 91 | 6690397 | 3.30 | 4.03 | |
| Vite speciale (vecchio 380-0637c-20) | ||||
| 92 | 6689737 | 1.15 | 1.40 | |
| Vite M5x60 (vecchio 990-11050-602) | ||||
| 93 | 6684660 | 2.15 | 2.62 | |
| Rondella (vecchio 992-10050-012) | ||||
| 94 | 6684662 | 2.15 | 2.62 | |
| Set carburatore | ||||
| 95 | 6690477 | 84.40 | 102.97 | |
| Set carburatore | ||||
| 95A | 6690476 | 86.36 | 105.36 | |
| Rondella | ||||
| 96 | 6693248 | 1.15 | 1.40 | |
| Nessuna informazione disponibile, non ordinabile | ||||
| 97 | 6695425 | |||
| Collare di fissaggio del serbatoio (vecchio 649-01 | ||||
| 98 | 6692182 | 2.31 | 2.82 | |
| Tubo del carburante 3x5x230 | ||||
| 99 | 6688166 | 4.29 | 5.23 | |
| Clip D6 (vecchio 680-00070-20) | ||||
| 100A | 6685198 | 1.15 | 1.40 | |
| Nessuna informazione disponibile, non ordinabile | ||||
| 101A | 6684620 | |||
| Serbatoio bianco (vecchio 591-04413-22/6691536) | ||||
| 102 | 6691539 | 11.88 | 14.49 | |
| Collare C (vecchio 659-04300-20) | ||||
| 103 | 6684623 | 2.15 | 2.62 | |
| Nessuna informazione disponibile, non ordinabile | ||||
| 104 | 6691714 | |||
| Cappuccio in Gomma | ||||
| 105 | 6691369 | 2.31 | 2.82 | |
| Assieme valvola di sfiato (vecchio 646-3252l-90) | ||||
| 106 | 6692172 | 4.95 | 6.04 | |
| Tubo di ventilazione (vecchio 565-04400-21) | ||||
| 107 | 6691394 | 3.30 | 4.03 | |
| Nessuna informazione disponibile, non ordinabile | ||||
| 108 | 6691385 | |||
| Bullone a buco esagonale 5x20/ps (vecchio 994-6305 | ||||
| 109 | 6684634 | 2.15 | 2.62 | |
| Base del Motore (vecchio 940-04300-20) | ||||
| 110 | 6694785 | 4.95 | 6.04 | |
| Non più disponibile, nessuna sostituzione | ||||
| 111 | 6684880 | |||
| Clip 5.5 (vecchio 680-00206-20) | ||||
| 112 | 6692305 | 1.15 | 1.40 | |
| Non più disponibile, nessuna sostituzione | ||||
| 113 | 6688156 | |||
| Bullone a testa esagonale interna M5x30 S (vecchio | ||||
| 114 | 6684786 | 2.15 | 2.62 | |
| Anello M5 (old 992-01050-061) | ||||
| 115 | 6684918 | 2.15 | 2.62 | |
| Nessuna informazione disponibile, non ordinabile | ||||
| 117 | 6684625 | |||
| Montaggio del filtro della pompa | ||||
| 118 | 6601175 | 3.14 | 3.83 | |
| Protettore di marmitta (vecchio 738-0440a-21) | ||||
| 131 | 6692783 | 12.88 | 15.71 | |
| Vite a Testa Esagonale M5x12 / s (vecchio 994-6105 | ||||
| 132 | 6684667 | 2.15 | 2.62 | |
| Bullone Hex. Foro 6x65 (vecchio 990-51060-653) | ||||
| 134 | 6695067 | 1.15 | 1.40 | |
| Rondella | ||||
| 135 | 6684639 | 2.15 | 2.62 | |
| Kit silenziatore Pn (vecchio 704-04400-90) | ||||
| 136 | 6692472 | 32.21 | 39.30 | |
| Kit silenziatore Pn (vecchio 704-04401-90) | ||||
| 136A | 6692473 | 28.14 | 34.33 | |
| Anello M5 (old 992-01050-061) | ||||
| 137 | 6684918 | 2.15 | 2.62 | |
| Tubo di scarico (vecchio 721-04400-20) | ||||
| 138 | 6692652 | 3.30 | 4.03 | |
| Rondella | ||||
| 139 | 6685109 | 1.15 | 1.40 | |
| Arresto silenziatore (vecchio 732-04400-20) | ||||
| 140 | 6692696 | 2.31 | 2.82 | |
| Guarnizione del silenziatore (vecchio 737-04230-20 | ||||
| 141 | 6692741 | 1.15 | 1.40 | |
| Scudo termico | ||||
| 142 | 6687246 | 9.58 | 11.68 | |
| Passacavo (vecchio 203-0604a-20) | ||||
| 144A | 6688050 | 1.15 | 1.40 | |
| Vite con foro esagonale M5x25/s (vecchio 994-16050 | ||||
| 145 | 6684709 | 2.15 | 2.62 | |
| Anello M5 (old 992-01050-061) | ||||
| 146 | 6684918 | 2.15 | 2.62 | |
| Rondella | ||||
| 147 | 6689645 | 1.15 | 1.40 | |
| Interfodera completa della frizione | ||||
| 148 | 6688614 | 7.93 | 9.67 | |
| Molla frizione (vecchio 342-04200-20) | ||||
| 149 | 6689428 | 1.15 | 1.40 | |
| Rondella | ||||
| 150 | 6695203 | 1.15 | 1.40 | |
| Bolo passo frizione | ||||
| 151 | 6689632 | 3.30 | 4.03 | |
| Nessuna informazione disponibile, non ordinabile | ||||
| 152 | 6699556 | |||
| Corpo di Avviamento a Strappo Assemblato | ||||
| 171 | 6697645 | 21.78 | 26.57 | |
| Corpo di avviamento a strappo Comp. (vecchio 772-0 | ||||
| 172 | 6693025 | 14.19 | 17.31 | |
| Corpo dell'avviamento a strappo Comp. | ||||
| 172A | 6697646 | 11.71 | 14.29 | |
| Bobina di corda di avviamento (vecchia 769-04220-2 | ||||
| 173 | 6693007 | 4.95 | 6.04 | |
| Bobina della corda di avviamento | ||||
| 173A | 6697647 | 4.13 | 5.03 | |
| Molla di richiamo (vecchio 779-04220-20) | ||||
| 174 | 6693114 | 9.08 | 11.07 | |
| STARTER SPRING | ||||
| 174A | 6697648 | 7.08 | 8.64 | |
| Corda di avvio (vecchia 783-04270-20/6693164) | ||||
| 175 | 6693165 | 3.30 | 4.03 | |
| STARTER ROPE | ||||
| 175A | 6697649 | 2.64 | 3.22 | |
| Maniglia di avviamento | ||||
| 176 | 6693607 | 2.31 | 2.82 | |
| Maniglia di avviamento | ||||
| 177 | 6693232 | 3.30 | 4.03 | |
| Maniglia di avviamento | ||||
| 177A | 6697650 | 2.80 | 3.42 | |
| Vite di regolazione (vecchia 839-04220-20) | ||||
| 178 | 6693634 | 1.15 | 1.40 | |
| Rocchetto di avviamento (vecchio 788-0162v-20) | ||||
| 179 | 6693302 | 2.31 | 2.82 | |
| Nessuna informazione disponibile, non ordinabile | ||||
| 179A | 6697643 | |||
| Anello di fermata D4e (vecchio 993-55040-001) | ||||
| 180 | 6685101 | 1.15 | 1.40 | |
| Anello di fermata D4e (vecchio 993-55040-001) | ||||
| 180A | 6685101 | 1.15 | 1.40 | |
| Bullone a buco esagonale 5x20/ps (vecchio 994-6305 | ||||
| 181 | 6684634 | 2.15 | 2.62 | |
| Molla di avviamento (vecchio 790-0162v-20) | ||||
| 182 | 6693345 | 2.31 | 2.82 | |
| Nessuna informazione disponibile, non ordinabile | ||||
| 182A | 6697642 | |||
| Puleggia di Avviamento (vecchia 798-04220-90) | ||||
| 183 | 6693395 | 11.05 | 13.48 | |
| Puleggia di avviamento | ||||
| 183A | 6697644 | 11.05 | 13.48 | |
| Vite di Regolazione Dell'Acceleratore (vecchio 514 | ||||
| 191 | 6684870 | 2.15 | 2.62 | |
| Regolatore del cavo (vecchio 544-25164-20) | ||||
| 192 | 6684873 | 6.44 | 7.85 | |
| Snodo (vecchio 539-25120-20) | ||||
| 193 | 6684697 | 6.44 | 7.85 | |
| Rondella (vecchia 549-25165-20) | ||||
| 194 | 6684874 | 2.15 | 2.62 | |
| Anello di arresto (vecchio 489-25100-20) | ||||
| 195 | 6684696 | 2.15 | 2.62 | |
| Regolatore di Cavo (vecchio 614-25137-20) | ||||
| 196 | 6684871 | 4.29 | 5.23 | |
| O-RING (vecchio 550-25100-20) | ||||
| 197 | 6684695 | 4.29 | 5.23 | |
| Getto principale, #44.5 (vecchio 599-200bw-44/6691 | ||||
| 198 | 6696131 | 6.44 | 7.85 | |
| Dado di Blocco M6 (vecchio 991-01060-013) | ||||
| 199 | 6684872 | 2.15 | 2.62 | |
| Guarnizione pompa (vecchio 577-25100-20) | ||||
| 200 | 6691457 | 7.10 | 8.66 | |
| Diaframma della pompa (vecchio 576-25100-20 & 6696 | ||||
| 201 | 6684693 | 8.58 | 10.46 | |
| Schermo di ingresso (vecchio 578-25007-20) | ||||
| 202 | 6684700 | 4.29 | 5.23 | |
| Corpo pompa comp. (vecchio 575-25153-80) | ||||
| 203 | 6684879 | 62.16 | 75.84 | |
| Guarnizione del diaframma (vecchio 475-25153-20) | ||||
| 204 | 6684691 | 8.58 | 10.46 | |
| Membrana di dosaggio Comp. (vecchio 474-25001-80/6 | ||||
| 205 | 6690827 | 11.71 | 14.29 | |
| Coperchio del diaframma (vecchio 476-25151-20) | ||||
| 206 | 6684688 | 8.58 | 10.46 | |
| Vite di regolazione (vecchio 548-25151-20 & 669632 | ||||
| 207 | 6684699 | 2.15 | 2.62 | |
| Guarnizione del Pulitore (vecchia 431-0634c-20) | ||||
| 208 | 6684875 | 4.29 | 5.23 | |
| Pompa di innesto comp. (vecchio 442-25151-80) | ||||
| 209 | 6684687 | 16.34 | 19.93 | |
| Corpo di innesco (vecchio 447-25108-20) | ||||
| 210 | 6684689 | 6.44 | 7.85 | |
| Albero della frizione Comp. (vecchio 289-04300-80) | ||||
| 231 | 6688584 | 14.53 | 17.72 | |
| Cuscinetto a sfera #6202z | ||||
| 232 | 6695559 | 6.44 | 7.85 | |
| Anello di arresto C-15, esterno (vecchio 993-50015 | ||||
| 233 | 6695285 | 1.15 | 1.40 | |
| Carter frizione (vecchio 331-04300-20) | ||||
| 234 | 6689194 | 14.53 | 17.72 | |
| Gomma cuscino (vecchio 599-04300-20) | ||||
| 236 | 6691829 | 4.45 | 5.43 | |
| Bullone con foro esagonale 5x16 (vecchio 990-51050 | ||||
| 238A | 6695046 | 1.15 | 1.40 | |
| Vite a testa esagonale M6x20 (vecchio 990-530 | ||||
| 239 | 6685064 | 1.15 | 1.40 | |
| Bullone a foro esagonale 5 X 25 (vecchio 990-54050 | ||||
| 240 | 6695091 | 1.15 | 1.40 | |
| Supporto per tubo (vecchio 360-04300-21) | ||||
| 242A | 6689655 | 3.30 | 4.03 | |
| Anello M5 (old 992-01050-061) | ||||
| 244 | 6684918 | 2.15 | 2.62 | |
| Raccordot metallico (vecchio 361-00990-20) | ||||
| 245 | 6689664 | 3.30 | 4.03 | |
| Albero di trasmissione (vecchio 343-37850-20) | ||||
| 261 | 6689471 | 16.64 | 20.30 | |
| Non più disponibile, nessuna sostituzione | ||||
| 262 | 6699277 | |||
| Nessuna informazione disponibile, non ordinabile | ||||
| 263 | 6699278 | |||
| Vite per lamiera 5x20 (vecchio 993-11052-012) | ||||
| 265 | 6695255 | 1.15 | 1.40 | |
| Rondella | ||||
| 266 | 6689681 | 1.15 | 1.40 | |
| Impugnatura (vecchia 503-3738e-20) | ||||
| 267 | 6691098 | 6.44 | 7.85 | |
| Bullone 6x43/p (nero) (vecchio 994-23060-432) | ||||
| 268 | 6684838 | 2.15 | 2.62 | |
| Nessuna informazione disponibile, non ordinabile | ||||
| 269 | 6691049 | |||
| Barriera, 26 dia, nero (vecchio 520-33398-20) | ||||
| 270 | 6691231 | 5.61 | 6.85 | |
| Dado esagonale 6 (vecchio 6684792/991-01060-041/79 | ||||
| 271 | 6684835 | 2.15 | 2.62 | |
| Leva del gas (vecchia 870-38103-90) | ||||
| 272 | 6693760 | 38.26 | 46.68 | |
| Cavo dell'acceleratore | ||||
| 273 | 6693973 | 19.81 | 24.17 | |
| Cavo dell'acceleratore (vecchio 887-38103-80) | ||||
| 274 | 6694020 | 8.25 | 10.06 | |
| Pulsante di arresto Comp. (vecchio 156-38103-80) | ||||
| 275 | 6687456 | 14.85 | 18.12 | |
| Tubo di protezione 200l (vecchio 164-07020-00) Nuo | ||||
| 276 | 6687529 | 1.05 | 1.28 | |
| Leva di sicurezza (vecchio 253-38400-20) | ||||
| 277 | 6684721 | 6.44 | 7.85 | |
| Molla di ritorno (vecchio 832-38400-20) | ||||
| 278 | 6684722 | 2.15 | 2.62 | |
| Tappo cieco (vecchio 322-38400-20) | ||||
| 279 | 6684724 | 2.15 | 2.62 | |
| Vite M5x20 (vecchio 994-31050-203) | ||||
| 280 | 6684803 | 2.15 | 2.62 | |
| Nessuna informazione disponibile, non ordinabile | ||||
| 281 | 6684727 | |||
| Vite M4x20 (nera) (vecchio 993-46040-202) | ||||
| 282 | 6684725 | 2.15 | 2.62 | |
| Leva dell'acceleratore (vecchio 880-38400-20) | ||||
| 283 | 6684804 | 8.58 | 10.46 | |
| Dado esagonale 5 (vecchio 991-01050-011) | ||||
| 291 | 6684965 | 1.04 | 1.27 | |
| Metalli per sollevamento (vecchio 335-33410-20) | ||||
| 292 | 6689264 | 2.31 | 2.82 | |
| Vite a testa esagonale M5x16/s (vecchio 994-61050- | ||||
| 293 | 6684903 | 2.15 | 2.62 | |
| Custodia del ingranaggio | ||||
| 331 | 6688813 | 80.31 | 97.98 | |
| Vite con foro esagonale M5x25/s (vecchio 994-16050 | ||||
| 332 | 6684709 | 2.15 | 2.62 | |
| Anello di arresto C-24.internal (vecchio 993-51024 | ||||
| 333 | 6684732 | 2.15 | 2.62 | |
| Anello di arresto C-9, esterno (vecchio 993-50009- | ||||
| 334 | 6695281 | 1.15 | 1.40 | |
| Cuscinetto a sfera 609z ST | ||||
| 335 | 6684735 | 8.58 | 10.46 | |
| Cuscinetto a sfere 609 | ||||
| 336 | 6684734 | 8.58 | 10.46 | |
| Cassa del cambio, argento (vecchio 300-3330b-20) | ||||
| 337 | 6688685 | 13.86 | 16.91 | |
| Bullone con foro esagonale 5x10 (vecchio 990-51050 | ||||
| 338 | 6695042 | 1.15 | 1.40 | |
| Bullone a testa plus 8x10 (vecchio 994-23080-100/6 | ||||
| 339 | 6695437 | 1.15 | 1.40 | |
| Cuscinetto a sfere 628 St | ||||
| 340 | 6695569 | 4.45 | 5.43 | |
| Albero del cambio (vecchio 304-38331-20) | ||||
| 341 | 6688947 | 14.55 | 17.75 | |
| Cuscinetto a sfera 6201d | ||||
| 342 | 6695554 | 5.94 | 7.24 | |
| Anello di arresto interno C-32, vecchio n. di part | ||||
| 343 | 6695295 | 1.15 | 1.40 | |
| Portacutter, 12x10x1 (vecchio 310-38100-20 & 66890 | ||||
| 344 | 6689031 | 11.55 | 14.09 | |
| Cappuccio Porta Lama, 12x10x1 (vecchio 311-37850-2 | ||||
| 345 | 6689050 | 4.45 | 5.43 | |
| Copertura di protezione B (vecchia 308-37861-20) | ||||
| 346 | 6688994 | 2.31 | 2.82 | |
| Dado di fissaggio del taglierino L/h (vecchio 313- | ||||
| 347 | 6689072 | 2.31 | 2.82 | |
| Rondella | ||||
| 348 | 6689159 | 1.15 | 1.40 | |
| Rondella | ||||
| 349 | 6686453 | 2.31 | 2.82 | |
| VITE CON FORO ESAGONALE 6X25S (VECCHIO 994-81060-2 | ||||
| 350 | 6684714 | 2.15 | 2.62 | |
| Staffa di Protezione Lama D26 (vecchio 442-33699-2 | ||||
| 351 | 6690294 | 1.15 | 1.40 | |
| Supporto per copertura D26 (vecchio 442-38331-20) | ||||
| 351A | 6690315 | 4.45 | 5.43 | |
| Custodia della lama 26 Ce (vecchio 441-37380-21/66 | ||||
| 352 | 6690242 | 16.64 | 20.30 | |
| Custodia della lama 26ce (vecchia 441-38331-20) | ||||
| 352A | 6690276 | 17.55 | 21.41 | |
| Supporto del coperchio di sicurezza (vecchio 445-3 | ||||
| 353 | 6684748 | 4.29 | 5.23 | |
| Non più disponibile, nessuna sostituzione | ||||
| 354 | 6690372 | |||
| Guardia lama (vecchio 447-38331-20) | ||||
| 354A | 6690376 | 9.40 | 11.47 | |
| Lama (vecchia 797-37380-21/6693385) | ||||
| 355 | 6693386 | 4.45 | 5.43 | |
| Lama (vecchio 797-37714-20) | ||||
| 355A | 6684750 | 4.29 | 5.23 | |
| Vite 5x12/s (vecchio 994-14050-121) | ||||
| 356 | 6695334 | 1.15 | 1.40 | |
| Vite autofilettante 4x14 (vecchio 993-48040-142) | ||||
| 356A | 6684751 | 2.15 | 2.62 | |
| Set di ingranaggi/pinioni, ricambio (antico 301-37 | ||||
| 357 | 6688868 | 24.20 | 29.52 | |
| Dado esagonale 5 (vecchio 991-01050-011) | ||||
| 358 | 6684965 | 1.04 | 1.27 | |
| Vite autotaraudeuse 5x20 (vecchio 993-17052-002) | ||||
| 359 | 6684753 | 2.15 | 2.62 | |
| Lama (vecchia 797-38331-20) | ||||
| 360 | 6684754 | 8.58 | 10.46 | |
| Nessuna informazione disponibile, non ordinabile | ||||
| 501 | 6684764 | |||
| Nessuna informazione disponibile, non ordinabile | ||||
| 502 | 6684813 | |||
| Nessuna informazione disponibile, non ordinabile | ||||
| 503 | 6699555 | |||
| Copertura del taglierino (vecchio 615-37224-20/790 | ||||
| 503B | 6684768 | 2.15 | 2.62 | |
| Nessuna informazione disponibile, non ordinabile | ||||
| 504 | 6699542 | |||
| Nessuna informazione disponibile, non ordinabile | ||||
| 505 | 6692874 | |||
| Nessuna informazione disponibile, non ordinabile | ||||
| 506 | 6695791 | |||
| Tagliacorda in nylon | ||||
| 521 | 6601148 | 19.21 | 23.44 | |
| Custodia (b) | ||||
| 522 | 6601149 | 10.73 | 13.08 | |
| Dado (1) | ||||
| 523 | 6601150 | 6.93 | 8.45 | |
| Molla del rullo (vecchio 793-38454-20) | ||||
| 524 | 6693380 | 3.30 | 4.03 | |
| Porta-linea | ||||
| 525 | 6601151 | 7.59 | 9.26 | |
| COPERTINA | ||||
| 526 | 6601152 | 7.75 | 9.46 | |
| Occhiello (vecchio 788-37770-20) | ||||
| 527 | 6684810 | 2.15 | 2.62 | |
| Targa nome, Tbc-420pf (vecchia 906-48100-20) Nuovo | ||||
| 601 | 6694350 | 1.15 | 1.40 | |
| Marchio Simbolico, Fuoco Puro (vecchio 929-04400-2 | ||||
| 602 | 6694625 | 2.10 | 2.56 | |
| Marca Simbolo (vecchio 929-38100-20) Nuovo | ||||
| 603 | 6694741 | 3.30 | 4.03 | |