Qui troverai tutte le parti e i disegni disponibili di “Hikoki TBC-225S”. Da qui puoi ordinare direttamente tutte le parti desiderate. Molte parti devono essere ordinate dal produttore, a seconda della marca, ciò richiede da una a quattro settimane. Tutte le informazioni che abbiamo sono sul nostro sito web, non possiamo consigliarti su ciò di cui hai bisogno, per questo dovrai restituire la macchina per la riparazione. Nota quanto segue al momento dell’ordinazione:
Disegni tecnici di Hikoki TBC-225S
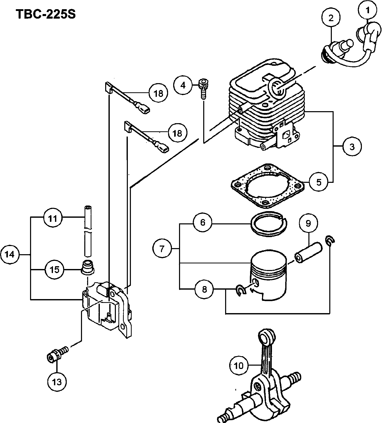
Elenco parti di Hikoki TBC-225S
| Pos. | Descrizione | Prezzo IVA escl | Prezzo IVA incl | |
| I prezzi indicati sono comprensivi di IVA | ||||
| Conjunto de tapon de bujía (antiguo 157-01570-90/6 | ||||
| 1 | 6687468 | 2.31 | 2.82 | |
| Assemblea candela (vecchio 6685085) | ||||
| 2 | 6699317 | 6.76 | 8.25 | |
| Set di cilindri (vecchio 001-07130-91) | ||||
| 3 | 6685489 | 34.19 | 41.71 | |
| Bullone esagonale M5x18/s (vecchio 994-61050-184) | ||||
| 4 | 6684586 | 2.15 | 2.62 | |
| Guarnizione del cilindro (vecchio 017-00980-20 & 6 | ||||
| 5 | 6685709 | 1.15 | 1.40 | |
| Anello di pistone (vecchio 041-00601-21/ 6686117) | ||||
| 6 | 6686118 | 4.45 | 5.43 | |
| Set pistone (vecchio 030-00070-90) | ||||
| 7 | 6685869 | 15.58 | 19.00 | |
| Circlip del perno del pistone (vecchio 039-00601-2 | ||||
| 8 | 6684590 | 2.15 | 2.62 | |
| Spinotto del pistone | ||||
| 9 | 6696944 | 3.33 | 4.06 | |
| Albero motore comp. (vecchio 046-07135-80) | ||||
| 10 | 6686217 | 42.20 | 51.48 | |
| Cavo ad alta tensione 140l (vecchio 178-20549-20/6 | ||||
| 11 | 6687888 | 2.31 | 2.82 | |
| Bullone con foro esagonale 4x15/ps (vecchio 994-63 | ||||
| 13 | 6684682 | 2.15 | 2.62 | |
| Ass'y di Bobina di Accensione (vecchio 6687665/669 | ||||
| 14 | 6699772 | 17.85 | 21.78 | |
| Cappuccio in Gomma | ||||
| 15 | 6684602 | 2.15 | 2.62 | |
| Cordone di arresto Comp. (vecchio 178-0136m-80) | ||||
| 18 | 6687826 | 2.31 | 2.82 | |
| Calza dell'albero dell'ingranaggio 0.20 (vecchio 3 | ||||
| 31 | 6684604 | 2.15 | 2.62 | |
| Calza dell'albero dell'ingranaggio 0.30 (vecchio 3 | ||||
| 31 | 6684605 | 2.15 | 2.62 | |
| Cassa del Manovella Ass' (vecchia 072-07120-92) | ||||
| 32 | 6686585 | 36.15 | 44.10 | |
| Guarnizione dell'olio | ||||
| 33 | 6684607 | 4.29 | 5.23 | |
| Cuscinetto a sfere 6001 C3 | ||||
| 34 | 6684608 | 3.80 | 4.64 | |
| Guarnizione del carter della manovella (vecchio 09 | ||||
| 35 | 6686719 | 1.15 | 1.40 | |
| Bullone esagonale M5x18/s (vecchio 994-61050-184) | ||||
| 36 | 6684586 | 2.15 | 2.62 | |
| Roto Magneto Comp. | ||||
| 37 | 6601171 | 22.99 | 28.04 | |
| Rondella M8 (vecchio 992-01080-011) | ||||
| 38 | 6684611 | 2.15 | 2.62 | |
| Dado M8 (vecchio 991-01080-011/327325/332299/72660 | ||||
| 39 | 6684612 | 2.15 | 2.62 | |
| Guarnizione del collettore di aspirazione | ||||
| 51 | 6689890 | 1.15 | 1.40 | |
| Set di Isolanti del Carburatore | ||||
| 52 | 6689914 | 5.94 | 7.24 | |
| Guarnizione del carburatore (vecchio 402-0602K-21/ | ||||
| 53 | 6684615 | 2.15 | 2.62 | |
| Bullone a foro esagonale 5x22/ws (vecchio 994-6405 | ||||
| 54 | 6695514 | 1.15 | 1.40 | |
| Tubo di protezione (vecchio 223-07000-90) | ||||
| 57 | 6688174 | 2.31 | 2.82 | |
| Clip D6 (vecchio 680-00070-20) | ||||
| 58 | 6685198 | 1.15 | 1.40 | |
| Nessuna informazione disponibile, non ordinabile | ||||
| 59 | 6684620 | |||
| Serbatoio, bianco (vecchio 591-07120-21/6691593/66 | ||||
| 60 | 6691592 | 9.58 | 11.68 | |
| Serbatoio (evapo) (vecchio 591-0717f-20) | ||||
| 60A | 6691595 | 30.25 | 36.90 | |
| Collare 5.8 (vecchio 659-00801-20) | ||||
| 62 | 6692244 | 1.15 | 1.40 | |
| Set carburatore | ||||
| 63 | 6690512 | 66.40 | 81.01 | |
| Cappuccio girevole (vecchio 560-07120-21/6684628) | ||||
| 64 | 6691337 | 1.15 | 1.40 | |
| Bullone a buco esagonale 5x16/ps (vecchio 994-6305 | ||||
| 65 | 6695504 | 1.15 | 1.40 | |
| Vite 5x20ws (vecchia 994-65050-205) | ||||
| 66 | 6695516 | 1.15 | 1.40 | |
| Non più disponibile, nessuna sostituzione | ||||
| 68 | 6684880 | |||
| Gommino di ritorno fino a 7.2014 (vecchio 6684627) | ||||
| 69 | 6697846 | 1.04 | 1.27 | |
| Vite più 5x60ws (vecchio 994-16050-601) | ||||
| 71 | 6695431 | 1.15 | 1.40 | |
| O-ring P-15 | ||||
| 72 | 6698966 | 1.04 | 1.27 | |
| Tappo del serbatoio D Ass'y (vecchio 595-03002-90/ | ||||
| 74 | 6691748 | 7.59 | 9.26 | |
| Protezione Silenziatore Nero (vecchio 738-07162-20 | ||||
| 91 | 6692809 | 5.11 | 6.24 | |
| Vite 4x15ps (vecchio 994-15040-151) | ||||
| 92 | 6695373 | 1.15 | 1.40 | |
| Vite auto forante D4.5x12 (vecchio 990-73045-124) | ||||
| 94 | 6684637 | 2.15 | 2.62 | |
| Bullone a Testa Esagonale M5x50 (vecchio 990-51050 | ||||
| 95 | 6685114 | 1.15 | 1.40 | |
| Anello M5 (old 992-01050-061) | ||||
| 96 | 6684918 | 2.15 | 2.62 | |
| Set di silenziatori (vecchio 704-07139-90 & 669243 | ||||
| 98 | 6692496 | 12.54 | 15.30 | |
| Guarnizione Marmitta (vecchio 737-07000-20 & 66927 | ||||
| 100 | 6692745 | 1.15 | 1.40 | |
| Scudo termico | ||||
| 101 | 6687253 | 2.31 | 2.82 | |
| Rondella | ||||
| 103 | 6684642 | 2.15 | 2.62 | |
| Scarpa frizione | ||||
| 104 | 6688616 | 7.59 | 9.26 | |
| Molla frizione (vecchio 342-06410-20) | ||||
| 105 | 6689430 | 2.31 | 2.82 | |
| Piastra frizione A 0.5 (vecchio 348-0630a-20/66895 | ||||
| 106 | 6684645 | 2.15 | 2.62 | |
| Bullone a gradino (vecchio 357-00601-20) | ||||
| 107 | 6689627 | 1.15 | 1.40 | |
| Rondella | ||||
| 108 | 6684648 | 2.15 | 2.62 | |
| Vite con foro esagonale M5x18/ws (vecchio 994-6405 | ||||
| 110 | 6684647 | 2.15 | 2.62 | |
| Vite con foro esagonale M5x30/ws (vecchio 994-6405 | ||||
| 112 | 6684973 | 2.15 | 2.62 | |
| Componente della morsetto del cavo (vecchio 198-11 | ||||
| 113 | 6688011 | 1.15 | 1.40 | |
| Guarnizione speciale del silenziatore (vecchio 751 | ||||
| 114 | 6692883 | 1.15 | 1.40 | |
| Set di tubo di scarico, di ricambio (vecchio 734-0 | ||||
| 115 | 6692709 | 2.31 | 2.82 | |
| Rondella | ||||
| 116 | 6685109 | 1.15 | 1.40 | |
| Set di rete per marmitta (vecchio 732-0099f-90) Nu | ||||
| 117 | 6692688 | 2.31 | 2.82 | |
| Nessuna informazione disponibile, non ordinabile | ||||
| 131A | 6699995 | |||
| Carcassa avviamento a strappo Comp. (vecchio 772-0 | ||||
| 132 | 6684673 | 19.06 | 23.26 | |
| Corda di avviamento 3.5x860 (vecchio 783-0720f-20/ | ||||
| 133 | 6684674 | 4.29 | 5.23 | |
| Molla di richiamo (vecchio 780-06097-20/6697591) | ||||
| 134 | 6684675 | 11.55 | 14.09 | |
| Bobina della corda di avviamento | ||||
| 135A | 6699997 | 8.41 | 10.26 | |
| Molla d'ammortizzatore (vecchio 758-0651h-20) | ||||
| 136 | 6684677 | 8.58 | 10.46 | |
| PIASTRA CAMMA | ||||
| 137A | 6699996 | 2.55 | 3.11 | |
| Vite di regolazione (vecchio 839-03045-20) | ||||
| 138 | 6684679 | 2.15 | 2.62 | |
| Maniglia di avviamento | ||||
| 139 | 6684680 | 2.15 | 2.62 | |
| Puleggia di avviamento Ass'y (vecchio 798-0651h-90 | ||||
| 140 | 6684681 | 13.20 | 16.10 | |
| Bullone a foro esagonale 4x18ws (vecchio 994-64040 | ||||
| 141 | 6695508 | 1.15 | 1.40 | |
| Anello di arresto E-5 (vecchio 993-55050-000) | ||||
| 142 | 6684683 | 2.15 | 2.62 | |
| Molla della frizione di avviamento (vecchio 790-06 | ||||
| 143 | 6684684 | 4.29 | 5.23 | |
| Morsa di avviamento (vecchio 788-0651h-20) | ||||
| 144 | 6684685 | 4.29 | 5.23 | |
| Ass'y di Piastra Camma | ||||
| 145 | 6699691 | 6.10 | 7.44 | |
| Assieme pulitore aria (vecchio 410-00025-90) | ||||
| 171 | 6690005 | 9.58 | 11.68 | |
| Cappuccio del pulitore dell'aria (vecchio 424-0002 | ||||
| 172 | 6690139 | 4.45 | 5.43 | |
| Elemento del filtro dell'aria | ||||
| 173 | 6690347 | 4.45 | 5.43 | |
| Collare (vecchio 470-00025-20) | ||||
| 175 | 6690801 | 2.31 | 2.82 | |
| Corpo Pulitore Comp. (vecchio 423-00025-80) | ||||
| 176 | 6690085 | 8.91 | 10.87 | |
| Corpo pompa comp. (vecchio 575-25153-80) | ||||
| 191 | 6684879 | 62.16 | 75.84 | |
| Pompa di innesto comp. (vecchio 442-25151-80) | ||||
| 192 | 6684687 | 16.34 | 19.93 | |
| Coperchio del diaframma (vecchio 476-25151-20) | ||||
| 193 | 6684688 | 8.58 | 10.46 | |
| Corpo di innesco (vecchio 447-25108-20) | ||||
| 194 | 6684689 | 6.44 | 7.85 | |
| Diaframma di misurazione Comp. (vecchio 474-25241- | ||||
| 195 | 6690830 | 11.88 | 14.49 | |
| Guarnizione del diaframma (vecchio 475-25153-20) | ||||
| 196 | 6684691 | 8.58 | 10.46 | |
| Diaframma della pompa (vecchio 576-25100-20 & 6696 | ||||
| 197 | 6684693 | 8.58 | 10.46 | |
| Guarnizione pompa (vecchio 577-25100-20) | ||||
| 198 | 6691457 | 7.10 | 8.66 | |
| Getto principale #38 (vecchio 599-2000w-38) | ||||
| 199 | 6691844 | 4.45 | 5.43 | |
| O-RING (vecchio 550-25100-20) | ||||
| 200 | 6684695 | 4.29 | 5.23 | |
| Anello di arresto (vecchio 489-25100-20) | ||||
| 201 | 6684696 | 2.15 | 2.62 | |
| Snodo (vecchio 539-25120-20) | ||||
| 202 | 6684697 | 6.44 | 7.85 | |
| Vite di regolazione del gas (vecchio 548-25140-20) | ||||
| 203 | 6684698 | 4.29 | 5.23 | |
| Vite di regolazione (vecchio 548-25151-20 & 669632 | ||||
| 204 | 6684699 | 2.15 | 2.62 | |
| Schermo di ingresso (vecchio 578-25007-20) | ||||
| 205 | 6684700 | 4.29 | 5.23 | |
| Nessuna informazione disponibile, non ordinabile | ||||
| 221 | 6688604 | |||
| Vite autoperforante D4.5x14 (vecchio 990-75045-144 | ||||
| 222 | 6685152 | 1.15 | 1.40 | |
| Vite con foro esagonale M5x30/ws (vecchio 994-6405 | ||||
| 223 | 6684973 | 2.15 | 2.62 | |
| Carcassa della ventola | ||||
| 224 | 6687031 | 14.53 | 17.72 | |
| Dado quadrato 5 (vecchio 991-91050-001) | ||||
| 225 | 6695176 | 1.15 | 1.40 | |
| Distanziatore (vecchio 249-0712k-20) Nuovo | ||||
| 226 | 6688311 | 1.05 | 1.28 | |
| Anello di arresto C-10, Esterno (vecchio 993-50010 | ||||
| 227 | 6684821 | 2.15 | 2.62 | |
| Albero di trasmissione 1480l (vecchio 343-38379-20 | ||||
| 251 | 6696009 | 13.53 | 16.50 | |
| Tubo di direzione | ||||
| 252 | 6689410 | 24.20 | 29.52 | |
| Nessuna informazione disponibile, non ordinabile | ||||
| 253 | 6684831 | |||
| Nessuna informazione disponibile, non ordinabile | ||||
| 254 | 6685075 | |||
| Maniglia anteriore 24 (vecchio 500-38451-20) Nuovo | ||||
| 255 | 6691057 | 8.41 | 10.26 | |
| Bullone con foro esagonale 5x30s (vecchio 994-1605 | ||||
| 256 | 6695426 | 1.15 | 1.40 | |
| Cavo dell'acceleratore (vecchio 885-38451-81) | ||||
| 257 | 6693983 | 3.30 | 4.03 | |
| Leva dell'acceleratore Ass'y 24 (vecchio 870-38451 | ||||
| 258 | 6693770 | 18.60 | 22.69 | |
| Leva del gas (vecchio 880-38451-20) Nuovo | ||||
| 259 | 6685006 | 1.15 | 1.40 | |
| Molla di ritorno (vecchio 832-38451-20) | ||||
| 260 | 6684998 | 1.15 | 1.40 | |
| Interruttore di stop (vecchio 162-38451-20) Nuovo | ||||
| 261 | 6685009 | 2.31 | 2.82 | |
| Interruttore Marcia (vecchio 925-38451-20) Nuovo | ||||
| 262 | 6685003 | 1.15 | 1.40 | |
| Componente dell'interruttore di arresto (vecchio 1 | ||||
| 263 | 6687462 | 9.40 | 11.47 | |
| Vite macchina M5x30 (vecchio 990-11050-301) | ||||
| 264 | 6685076 | 1.15 | 1.40 | |
| Dado esagonale 5 (vecchio 991-01050-011) | ||||
| 265 | 6684965 | 1.04 | 1.27 | |
| Tubo di protezione D7x170 (vecchio 164-07017-01) N | ||||
| 266 | 6685007 | 2.31 | 2.82 | |
| Impugnatura dell'albero (vecchio 509-38453-21) Nuo | ||||
| 267 | 6691183 | 4.45 | 5.43 | |
| Custodia del ingranaggio | ||||
| 301 | 6688822 | 60.35 | 73.63 | |
| Vite con foro esagonale M5x25/s (vecchio 994-16050 | ||||
| 302 | 6684709 | 2.15 | 2.62 | |
| Anello di arresto C-24.internal (vecchio 993-51024 | ||||
| 303 | 6684732 | 2.15 | 2.62 | |
| Anello di arresto C-9, esterno (vecchio 993-50009- | ||||
| 304 | 6695281 | 1.15 | 1.40 | |
| Cuscinetto a sfera 609z ST | ||||
| 305 | 6684735 | 8.58 | 10.46 | |
| Cassa del cambio 24 (vecchio 300-38360-21) | ||||
| 306 | 6688815 | 12.38 | 15.10 | |
| Vite 5x12/w.s (vecchio 994-16050-121) | ||||
| 307 | 6695414 | 1.15 | 1.40 | |
| Perno di lubrificazione (vecchio 316-38150-20) | ||||
| 308 | 6689109 | 1.15 | 1.40 | |
| Cuscinetto a sfere 626 | ||||
| 309 | 6695567 | 4.45 | 5.43 | |
| Albero del cambio (vecchio 304-38360-20) | ||||
| 310 | 6688948 | 9.74 | 11.88 | |
| CUSCINETTO A SFERA | ||||
| 311 | 6695527 | 6.60 | 8.05 | |
| ANELLO DI ARRESTO C-26, INTERNO (VECCHIO 993-51026 | ||||
| 312 | 6695294 | 1.15 | 1.40 | |
| Porta taglierino (vecchio 310-38360-20) | ||||
| 313 | 6689033 | 6.44 | 7.85 | |
| Set di Pignone della Ruota Dentata (vecchio 301-38 | ||||
| 314 | 6688883 | 13.91 | 16.97 | |
| Coperchio del caso ingranaggio (vecchio 303-38360- | ||||
| 315 | 6688917 | 2.31 | 2.82 | |
| Vite a testa esagonale M6x20 (vecchio 990-530 | ||||
| 341 | 6685064 | 1.15 | 1.40 | |
| Rondella | ||||
| 342 | 6684826 | 2.15 | 2.62 | |
| Staffa di protezione (vecchio 442-37417-20) | ||||
| 343 | 6685065 | 2.31 | 2.82 | |
| Copertura di sicurezza comp. (vecchio 441-37820-80 | ||||
| 344 | 6685066 | 14.53 | 17.72 | |
| Rondella | ||||
| 345 | 6685068 | 1.15 | 1.40 | |
| Rondella | ||||
| 346 | 6685070 | 1.15 | 1.40 | |
| Lama (vecchio 797-37820-20) | ||||
| 347 | 6685067 | 5.28 | 6.44 | |
| Dado M4 (vecchio 991-01040-011) | ||||
| 348 | 6685069 | 1.15 | 1.40 | |
| Nessuna informazione disponibile, non ordinabile | ||||
| 501 | 6684813 | |||
| Chiave combinata 13x19 (vecchia 829-29005-2h) Nuov | ||||
| 502 | 6693588 | 3.30 | 4.03 | |