Qui troverai tutte le parti e i disegni disponibili di “Hikoki SP18VB”. Da qui puoi ordinare direttamente tutte le parti desiderate. Molte parti devono essere ordinate dal produttore, a seconda della marca, ciò richiede da una a quattro settimane. Tutte le informazioni che abbiamo sono sul nostro sito web, non possiamo consigliarti su ciò di cui hai bisogno, per questo dovrai restituire la macchina per la riparazione. Nota quanto segue al momento dell’ordinazione:
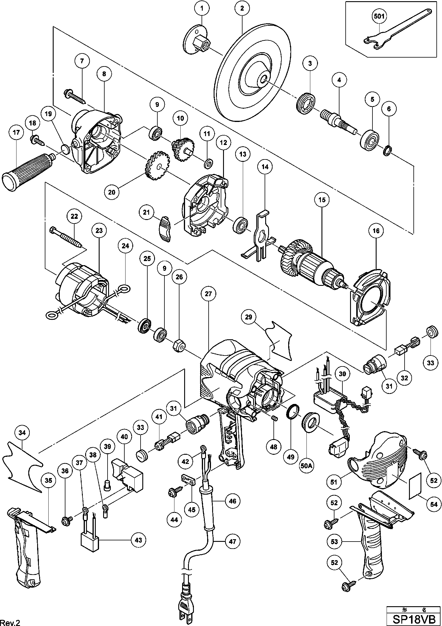
Disegni tecnici di Hikoki SP18VB
Elenco parti di Hikoki SP18VB
| Pos. | Descrizione | Prezzo IVA escl | Prezzo IVA incl | |
| I prezzi indicati sono comprensivi di IVA | ||||
| Nessuna informazione disponibile, non ordinabile | ||||
| 1 | 953381 | |||
| Nessuna informazione disponibile, non ordinabile | ||||
| 2 | 953255 | |||
| Coperchio del cuscinetto | ||||
| 3 | 325857 | 3.00 | 3.66 | |
| BARRA TOMMY | ||||
| 4 | 325485 | 5.10 | 6.22 | |
| Cuscinetto a sfere 6201dducmav2s | ||||
| 5 | 6201DD | 6.30 | 7.69 | |
| Rondella elastica D12 (10 pezzi) | ||||
| 6 | 939542 | 1.50 | 1.83 | |
| Vite di flangiatura (con flangia) D5x55 (nera) | ||||
| 7 | 309778 | 1.05 | 1.28 | |
| TANDWIELHUIS | ||||
| 8 | 325478 | 9.60 | 11.71 | |
| Cuscinetto a sfere 608vvmc2eps2l | ||||
| 9 | 608VVM | 5.70 | 6.95 | |
| Nessuna informazione disponibile, non ordinabile | ||||
| 10 | 325479 | |||
| Nessuna informazione disponibile, non ordinabile | ||||
| 11 | 317906 | |||
| Nessuna informazione disponibile, non ordinabile | ||||
| 12 | 325476 | |||
| Cuscinetto a sfere 6000dducmps2s | ||||
| 13 | 6000DD | 6.00 | 7.32 | |
| Leva di blocco | ||||
| 14 | 325477 | 1.95 | 2.38 | |
| Nessuna informazione disponibile, non ordinabile | ||||
| 15 | 360755C | |||
| Guida per ventilatore | ||||
| 16 | 325474 | 3.00 | 3.66 | |
| Non più disponibile, nessuna sostituzione | ||||
| 17 | 937089 | |||
| Vite a filettare con flangia D5x35 (nero) | ||||
| 18 | 323209 | 1.35 | 1.65 | |
| Rondella in feltro | ||||
| 19 | 937033 | 1.04 | 1.27 | |
| Nessuna informazione disponibile, non ordinabile | ||||
| 20 | 325480 | |||
| Guida per ventilatore | ||||
| 21 | 328483 | 4.35 | 5.31 | |
| Non più disponibile, nessuna sostituzione | ||||
| 22 | 992509 | |||
| Nessuna informazione disponibile, non ordinabile | ||||
| 23 | 340653C | |||
| Punto di contatto Portaspazzola | ||||
| 24 | 930703 | 2.40 | 2.93 | |
| Guarnizione Antipolvere G18u/ua/ub e altri | ||||
| 25 | 315877 | 1.05 | 1.28 | |
| Magnete | ||||
| 26 | 325475 | 4.65 | 5.67 | |
| Set Coperchio Manico Custodia Incl.31,48-50a | ||||
| 27A | 370920 | 36.99 | 45.12 | |
| Nessuna informazione disponibile, non ordinabile | ||||
| 30 | 325484 | |||
| Portaspazzole di Carbone | ||||
| 31 | 958900 | 6.45 | 7.87 | |
| Spazzole di Carbonio Auto-disconnettenti (2 pezzi) | ||||
| 32 | 999073 | 14.40 | 17.57 | |
| Cappuccio della spazzola | ||||
| 33 | 945161 | 1.20 | 1.46 | |
| Vite macchina (con rondella) M3.5x6 | ||||
| 36 | 305499 | 1.05 | 1.28 | |
| Morsetto di Connessione | ||||
| 37 | 980063 | 1.04 | 1.27 | |
| Terminale Div.tipi | ||||
| 38 | 311741 | 1.04 | 1.27 | |
| Giunzione di saldatura 50092 (10 pezzi) | ||||
| 39 | 959141 | 3.75 | 4.58 | |
| Interruttore Cj65v2 Includ.36 | ||||
| 40 | 305409 | 5.70 | 6.95 | |
| Spazzola di carbone (1 paio) | ||||
| 41 | 999043 | 4.50 | 5.49 | |
| Morsetto di Connessione | ||||
| 42 | 980063 | 1.04 | 1.27 | |
| CONDENSATORE | ||||
| 43 | 311935 | 3.30 | 4.03 | |
| Nessuna informazione disponibile, non ordinabile | ||||
| 44 | 984750 | |||
| Strip di serraggio (vecchio 994566) | ||||
| 45 | 937631 | 1.04 | 1.27 | |
| Boccola del cavo D10.1 | ||||
| 46 | 938051 | 1.04 | 1.27 | |
| Nessuna informazione disponibile, non ordinabile | ||||
| 47 | 323974 | |||
| Vite di regolazione esagonale M5x8 | ||||
| 48 | 938477 | 1.05 | 1.28 | |
| Anello di gomma (1) | ||||
| 49 | 995662 | 1.04 | 1.27 | |
| CUSCINETTO | ||||
| 50A | 330078 | 4.95 | 6.04 | |
| Nessuna informazione disponibile, non ordinabile | ||||
| 51 | 325489 | |||
| Vite per foratura D4x20 con flangia (nero) | ||||
| 52 | 301653 | 1.04 | 1.27 | |
| Impugnatura | ||||
| 53 | 325490 | 4.35 | 5.31 | |
| Nessuna informazione disponibile, non ordinabile | ||||
| 54 | 325855 | |||
| Nessuna informazione disponibile, non ordinabile | ||||
| 501 | 325491 | |||
| Nessuna informazione disponibile, non ordinabile | ||||
| 501A | 376127 | |||