Qui troverai tutte le parti e i disegni disponibili di “Hikoki SAT180”. Da qui puoi ordinare direttamente tutte le parti desiderate. Molte parti devono essere ordinate dal produttore, a seconda della marca, ciò richiede da una a quattro settimane. Tutte le informazioni che abbiamo sono sul nostro sito web, non possiamo consigliarti su ciò di cui hai bisogno, per questo dovrai restituire la macchina per la riparazione. Nota quanto segue al momento dell’ordinazione:
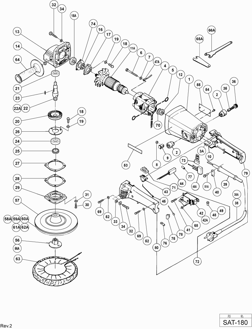
Disegni tecnici di Hikoki SAT180
Elenco parti di Hikoki SAT180
| Pos. | Descrizione | Prezzo IVA escl | Prezzo IVA incl | |
| I prezzi indicati sono comprensivi di IVA | ||||
| ALLOGGIAMENTO | ||||
| 1 | 953230 | 24.61 | 30.03 | |
| Portaspazzole di Carbone | ||||
| 2 | 958900 | 6.45 | 7.87 | |
| Portaspazzole di Carbone | ||||
| 2 | 981586 | 6.45 | 7.87 | |
| Vite di regolazione Allen M4 X 5 | ||||
| 3A | 961681 | 1.04 | 1.27 | |
| CAMPO 220V | ||||
| 4 | 953231L | 21.18 | 25.83 | |
| Stator 220v-230v H-90sa Includ.103 Per Nzl,saf | ||||
| 4 | 953231E | 21.04 | 25.67 | |
| Assieme stator 240v Includ.103 | ||||
| 4 | 953231F | 21.04 | 25.67 | |
| Punto di contatto Portaspazzola | ||||
| 5 | 930703 | 2.40 | 2.93 | |
| MACHINESCHROEF M5X55 (10 STUKS) | ||||
| 6 | 949233 | 1.62 | 1.98 | |
| Dado M5 (10 Pezzi) (VECCHIO 949555Z) | ||||
| 8 | 949555 | 1.05 | 1.28 | |
| Coperchio della dado Sat180 | ||||
| 9 | 953232 | 1.05 | 1.28 | |
| PENNA DI GOMMA | ||||
| 10 | 931701 | 1.05 | 1.28 | |
| Armatura (953262e) | ||||
| 11A | 953297E | 63.25 | 77.16 | |
| Armatura Ass'y 240 Volt (vecchio 953262f) | ||||
| 11A | 953297F | 62.98 | 76.83 | |
| Cuscinetto a sfere 608vvmc2eps2l | ||||
| 12 | 608VVM | 5.70 | 6.95 | |
| COPERTURA DEL CASETTO DI INGRANAGGI | ||||
| 13 | 953234 | 12.00 | 14.64 | |
| Rondella in feltro | ||||
| 14 | 937033 | 1.04 | 1.27 | |
| Cuscinetto a sfere 6002 Vv C7mfa | ||||
| 15A | 6002VV | 7.35 | 8.97 | |
| Imballaggio Di Feltro | ||||
| 16 | 953235 | 1.04 | 1.27 | |
| Rondella | ||||
| 17 | 953236 | 1.04 | 1.27 | |
| Vite per macchina M4x12 (10 pezzi) | ||||
| 18 | 949217 | 1.05 | 1.28 | |
| Rondella di molla M4 (10 pezzi) | ||||
| 19 | 949453 | 1.05 | 1.28 | |
| INGRANAGGIO | ||||
| 20 | 953237 | 35.06 | 42.78 | |
| Cuscinetto a sfere 6200 Vv | ||||
| 21 | 6200VV | 6.15 | 7.50 | |
| BARRA TOMMY | ||||
| 22 | 953238Z | 11.58 | 14.12 | |
| Nessuna informazione disponibile, non ordinabile | ||||
| 22A | 953380 | |||
| Cuneo 3x3x10 | ||||
| 23 | 940533 | 1.20 | 1.46 | |
| Cuscinetto a sfere 6202vvcmps2s | ||||
| 24 | 6202VV | 7.05 | 8.60 | |
| Imballaggio Di Feltro | ||||
| 25 | 938403 | 1.04 | 1.27 | |
| Coperchio del cuscinetto RTS 400 REQ | ||||
| 26 | 937077 | 2.78 | 3.39 | |
| Guarnizione | ||||
| 27 | 953239 | 1.05 | 1.28 | |
| Rondella di spinta | ||||
| 28 | 953240 | 1.05 | 1.28 | |
| Coperchio interno | ||||
| 29 | 953241 | 7.30 | 8.91 | |
| Vite a Macchina M5X16 (10 Pezzi) | ||||
| 30 | 949239 | 1.05 | 1.28 | |
| Nessuna informazione disponibile, non ordinabile | ||||
| 32 | 937807 | |||
| Rondella di blocco M5 (vecchio 949424z , 10 pezzi) | ||||
| 33 | 949424 | 1.05 | 1.28 | |
| Rondella di molla M5 (10 pezzi) | ||||
| 34 | 949454 | 1.04 | 1.27 | |
| Spazzola di carbone (1 paio) | ||||
| 35 | 999043 | 4.50 | 5.49 | |
| Cappuccio della spazzola | ||||
| 36 | 961781 | 2.55 | 3.11 | |
| Cappuccio della spazzola | ||||
| 36 | 945161 | 1.20 | 1.46 | |
| Cavo | ||||
| 38 | 500240Z | 13.18 | 16.07 | |
| SNOER 2.5M 2 X 1.0 H05VV-F W/PLUG 13A/250V (OLD 50 | ||||
| 38 | 500423Z | 12.87 | 15.70 | |
| Cavo 2,5m 2 X 1.0 H05vv-f (Vecchio 500395z) | ||||
| 38 | 500447Z | 6.60 | 8.05 | |
| Non più disponibile, nessuna sostituzione | ||||
| 38A | 500435Z | |||
| Armatura del cavo D10.7 | ||||
| 39 | 940778 | 2.10 | 2.56 | |
| Glandola per cavo D8.2 (vecchia 958049z) | ||||
| 39 | 958049 | 1.04 | 1.27 | |
| Strip di serraggio (vecchio 994566) | ||||
| 40 | 937631 | 1.04 | 1.27 | |
| VITE C M4X35 | ||||
| 41 | 954017 | 1.04 | 1.27 | |
| Interruttore (vecchio 956632) | ||||
| 42 | 931573 | 40.43 | 49.32 | |
| Switch (b) senza blocco | ||||
| 42 | 953249P | 23.93 | 29.19 | |
| Interruttore (937664) | ||||
| 42 | 986201 | 16.64 | 20.30 | |
| Interruttore (vecchio 956632H) | ||||
| 42A | 956632 | 16.64 | 20.30 | |
| Interruttore | ||||
| 43 | 953261 | 13.50 | 16.47 | |
| Interruttore scorrevole Ass'y (1p tipo di saldatur | ||||
| 43 | 953266Z | 10.95 | 13.36 | |
| DIODO | ||||
| 44 | 957556 | 17.88 | 21.81 | |
| DIODE 100V-127V | ||||
| 44 | 956613 | 14.90 | 18.18 | |
| Cavo interno | ||||
| 45 | 953243 | 1.04 | 1.27 | |
| Condensatore (vecchio 930030/991313) | ||||
| 46A | 994273 | 4.29 | 5.23 | |
| BEDRADING | ||||
| 47A | 981010 | 1.00 | 1.22 | |
| Giunzione di saldatura 50091 (10 pezzi) | ||||
| 48 | 959140 | 3.30 | 4.03 | |
| Giunzione di saldatura 50092 (10 pezzi) | ||||
| 49 | 959141 | 3.75 | 4.58 | |
| Nessuna informazione disponibile, non ordinabile | ||||
| 51A | 984750 | |||
| Anello M4 (10 pezzi) | ||||
| 52 | 949423 | 1.05 | 1.28 | |
| Nessuna informazione disponibile, non ordinabile | ||||
| 53 | 957561 | |||
| NAGEL D2.5X3.2 (10 STKS.) | ||||
| 54 | 949509 | 1.00 | 1.22 | |
| Nessuna informazione disponibile, non ordinabile | ||||
| 56 | 953254P | |||
| Nessuna informazione disponibile, non ordinabile | ||||
| 56A | 953381 | |||
| Nessuna informazione disponibile, non ordinabile | ||||
| 57 | 953255 | |||
| Nessuna informazione disponibile, non ordinabile | ||||
| 58A | 314086 | |||
| Nessuna informazione disponibile, non ordinabile | ||||
| 59A | 314087 | |||
| Nessuna informazione disponibile, non ordinabile | ||||
| 60A | 314090 | |||
| Nessuna informazione disponibile, non ordinabile | ||||
| 63 | 949103 | |||
| Nessuna informazione disponibile, non ordinabile | ||||
| 64 | 956633 | |||
| Nessuna informazione disponibile, non ordinabile | ||||
| 65A | 936638 | |||
| Nessuna informazione disponibile, non ordinabile | ||||
| 66A | 325491 | |||
| RING | ||||
| 68 | 949440 | 1.00 | 1.22 | |
| Vite filettante (con rondella sp.) D4x20 | ||||
| 69 | 956384 | 1.05 | 1.28 | |
| Anello di tenuta polvere (a) | ||||
| 70 | 956387 | 2.10 | 2.56 | |
| Coperchio dell'interruttore | ||||
| 71 | 971792 | 1.65 | 2.01 | |
| Manico (vecchio 953258+953259) | ||||
| 72 | 953260 | 13.05 | 15.92 | |
| Restrittore TN19/11/10-3E25 | ||||
| 73 | 958263 | 24.89 | 30.36 | |
| Anello di distanza | ||||
| 74 | 953265 | 1.05 | 1.28 | |
| Morsetto | ||||
| 75 | 938307 | 2.13 | 2.59 | |
| Morsetto di Connessione | ||||
| 76 | 980063 | 1.04 | 1.27 | |
| Manicotto filettato per cavo | ||||
| 77 | 981373 | 1.05 | 1.28 | |
| BAND | ||||
| 78 | 983684 | 1.00 | 1.22 | |
| Nessuna informazione disponibile, non ordinabile | ||||
| 79 | 953258 | |||
| Nessuna informazione disponibile, non ordinabile | ||||
| 80 | 953263P | |||
| Nessuna informazione disponibile, non ordinabile | ||||
| 601 | 314084 | |||
| Nessuna informazione disponibile, non ordinabile | ||||
| 602 | 314085 | |||
| Nessuna informazione disponibile, non ordinabile | ||||
| 603 | 314088 | |||
| Nessuna informazione disponibile, non ordinabile | ||||
| 604 | 314089 | |||
| Nessuna informazione disponibile, non ordinabile | ||||
| 605 | 314091 | |||
| Nessuna informazione disponibile, non ordinabile | ||||
| 606 | 314093 | |||
| Nessuna informazione disponibile, non ordinabile | ||||
| 607 | 953256Z | |||
| Nessuna informazione disponibile, non ordinabile | ||||
| 610 | 314092 | |||
| Nessuna informazione disponibile, non ordinabile | ||||
| 612 | 314094 | |||