Qui troverai tutte le parti e i disegni disponibili di “Hikoki RB40SA”. Da qui puoi ordinare direttamente tutte le parti desiderate. Molte parti devono essere ordinate dal produttore, a seconda della marca, ciò richiede da una a quattro settimane. Tutte le informazioni che abbiamo sono sul nostro sito web, non possiamo consigliarti su ciò di cui hai bisogno, per questo dovrai restituire la macchina per la riparazione. Nota quanto segue al momento dell’ordinazione:
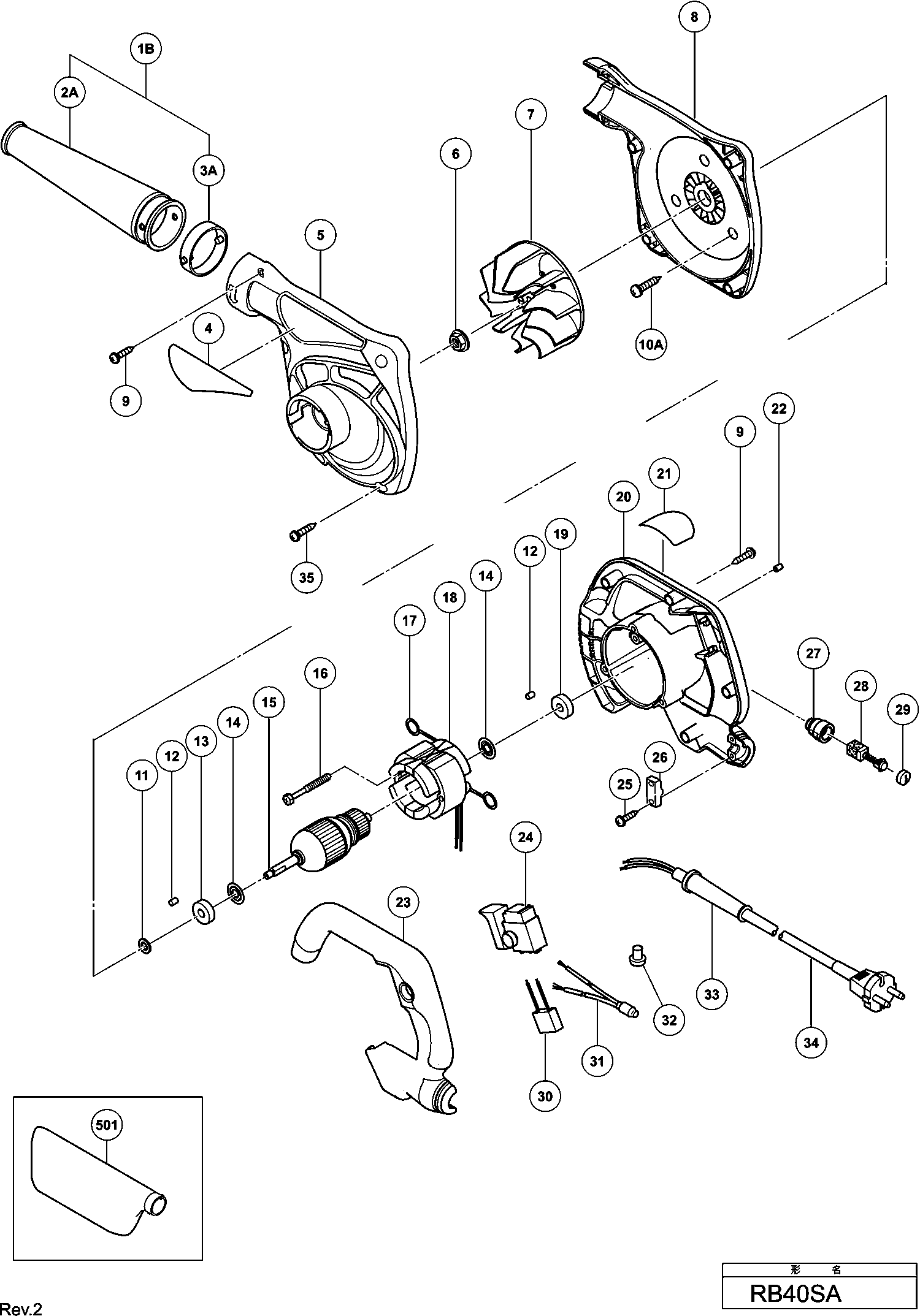
Disegni tecnici di Hikoki RB40SA
Elenco parti di Hikoki RB40SA
| Pos. | Descrizione | Prezzo IVA escl | Prezzo IVA incl | |
| I prezzi indicati sono comprensivi di IVA | ||||
| STATORE 230V | ||||
| *15 | 360683E | 64.63 | 78.84 | |
| Stator 220v-230v H-90sa Includ.103 Per Nzl,saf | ||||
| *18 | 340602H | 64.63 | 78.84 | |
| SNOER 2.5M 2 X 1.0 H05VV-F W/PLUG 13A/250V (OLD 50 | ||||
| *34 | 500423Z | 12.87 | 15.70 | |
| Cavo 2,5m 2 X 1.0 H05vv-f (Vecchio 500395z) | ||||
| *34 | 500447Z | 6.60 | 8.05 | |
| Nessuna informazione disponibile, non ordinabile | ||||
| *34A | 334187 | |||
| Nessuna informazione disponibile, non ordinabile | ||||
| *501 | 323587M | |||
| Nessuna informazione disponibile, non ordinabile | ||||
| 1B | 323582 | |||
| Porta (a) Rb40va | ||||
| 3A | 323583 | 2.10 | 2.56 | |
| Nessuna informazione disponibile, non ordinabile | ||||
| 5 | 323573 | |||
| Dado a U M6 | ||||
| 6 | 323572 | 4.35 | 5.31 | |
| GUARNIZIONE | ||||
| 7 | 323571 | 28.60 | 34.89 | |
| Alloggiamento Del Ventilatore (destra) | ||||
| 8 | 323570 | 28.60 | 34.89 | |
| Vite per foratura D4x20 con flangia (nero) | ||||
| 9 | 301653 | 1.04 | 1.27 | |
| Vite a lamiera (con flangia) D5x30 (nera) | ||||
| 10A | 333713 | 1.80 | 2.20 | |
| Non più disponibile, nessuna sostituzione | ||||
| 11 | 930079 | |||
| PENNA DI GOMMA | ||||
| 12 | 931701 | 1.05 | 1.28 | |
| Cuscinetto a sfere 608ddw | ||||
| 13 | 608DDW | 7.95 | 9.70 | |
| Rondella (a) | ||||
| 14 | 982631 | 1.04 | 1.27 | |
| STATORE 230V | ||||
| 15 | 360683E | 64.63 | 78.84 | |
| HEX.HD. TAPSCHROEF D5X40 | ||||
| 16 | 980864 | 1.00 | 1.22 | |
| Punto di contatto Portaspazzola | ||||
| 17 | 930630 | 1.35 | 1.65 | |
| Nessuna informazione disponibile, non ordinabile | ||||
| 18 | 340602L | |||
| Cuscinetto a sfere 608ddw | ||||
| 19 | 608DDW | 7.95 | 9.70 | |
| Cassetta del rivestimento DUO 110 - Set | ||||
| 20 | 323576 | 70.40 | 85.89 | |
| Vite di regolazione esagonale M5x8 | ||||
| 22 | 938477 | 1.05 | 1.28 | |
| Copertura del Manico | ||||
| 23 | 324054 | 40.35 | 49.23 | |
| Interruttore | ||||
| 24 | 323575 | 27.50 | 33.55 | |
| Nessuna informazione disponibile, non ordinabile | ||||
| 25 | 984750 | |||
| MORSETTO DEL CAVO | ||||
| 26 | 960266 | 1.04 | 1.27 | |
| Portaspazzole di Carbone | ||||
| 27 | 957571 | 2.40 | 2.93 | |
| Non più disponibile, nessuna sostituzione | ||||
| 28 | 999021 | |||
| Cappuccio della spazzola | ||||
| 29 | 931266 | 1.04 | 1.27 | |
| Condensatore (vecchio 987178) | ||||
| 30 | 930039 | 1.95 | 2.38 | |
| Nessuna informazione disponibile, non ordinabile | ||||
| 31 | 303837 | |||
| Giunzione di saldatura 50092 (10 pezzi) | ||||
| 32 | 959141 | 3.75 | 4.58 | |
| Corazza del cavo D7.2 | ||||
| 33 | 307217 | 1.05 | 1.28 | |
| SNOER 2.5M 2 X 1.0 H05VV-F W/PLUG 13A/250V (OLD 50 | ||||
| 34 | 500423Z | 12.87 | 15.70 | |
| Cavo 2,5m 2 X 1.0 H05vv-f (Vecchio 500395z) | ||||
| 34 | 500447Z | 6.60 | 8.05 | |
| Nessuna informazione disponibile, non ordinabile | ||||
| 34A | 334187 | |||
| Vite filettata (con flangia) D4x25 | ||||
| 35 | 306999 | 1.04 | 1.27 | |
| Nessuna informazione disponibile, non ordinabile | ||||
| 501 | 323587 | |||
| Nessuna informazione disponibile, non ordinabile | ||||
| 601 | 323588 | |||
| Nessuna informazione disponibile, non ordinabile | ||||
| 602 | 323584 | |||
| Nessuna informazione disponibile, non ordinabile | ||||
| 603 | 323585 | |||
| Nessuna informazione disponibile, non ordinabile | ||||
| 604 | 323586 | |||
| Nessuna informazione disponibile, non ordinabile | ||||
| 605 | 317124 | |||
| Nessuna informazione disponibile, non ordinabile | ||||
| 606 | 317123 | |||
| Ugello (b) | ||||
| 607 | 990046 | 3.75 | 4.58 | |