Qui troverai tutte le parti e i disegni disponibili di “Hikoki R14DL”. Da qui puoi ordinare direttamente tutte le parti desiderate. Molte parti devono essere ordinate dal produttore, a seconda della marca, ciò richiede da una a quattro settimane. Tutte le informazioni che abbiamo sono sul nostro sito web, non possiamo consigliarti su ciò di cui hai bisogno, per questo dovrai restituire la macchina per la riparazione. Nota quanto segue al momento dell’ordinazione:
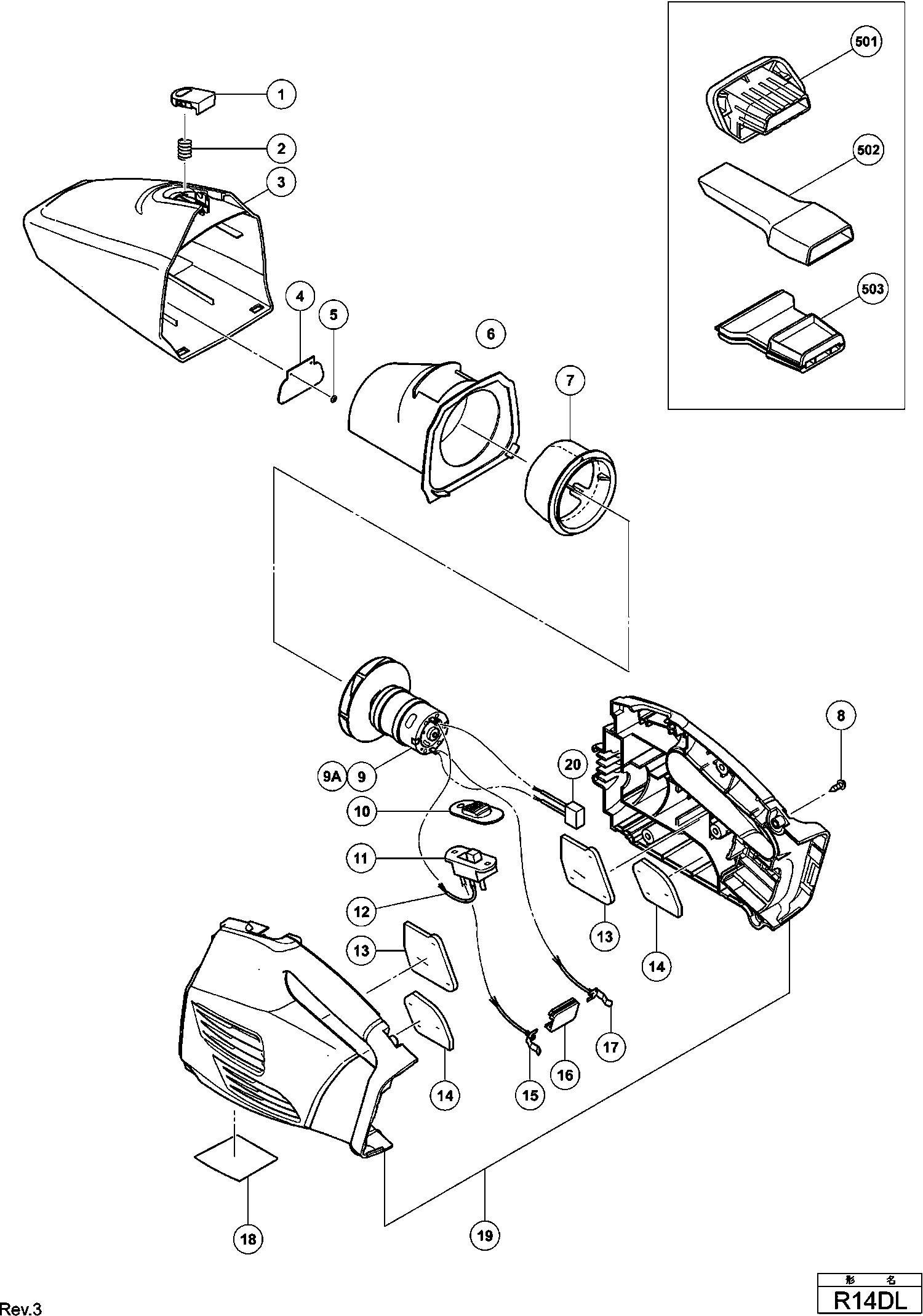
Disegni tecnici di Hikoki R14DL
Elenco parti di Hikoki R14DL
| Pos. | Descrizione | Prezzo IVA escl | Prezzo IVA incl | |
| I prezzi indicati sono comprensivi di IVA | ||||
| Pulsante di pressione | ||||
| 1 | 331382 | 1.05 | 1.28 | |
| Molla | ||||
| 2 | 331383 | 1.05 | 1.28 | |
| Coperchio antipolvere | ||||
| 3 | 331385 | 11.40 | 13.91 | |
| Valvola di isolamento | ||||
| 4 | 331386 | 1.05 | 1.28 | |
| Dado | ||||
| 5 | 331384 | 1.05 | 1.28 | |
| CAPPUCCIO PROTETTIVO | ||||
| 6 | 331387 | 4.58 | 5.58 | |
| Filtro | ||||
| 7 | 331404 | 4.20 | 5.12 | |
| Vite per foratura D4x20 con flangia (nero) | ||||
| 8 | 301653 | 1.04 | 1.27 | |
| MOTORE | ||||
| 9A | 334897 | 18.84 | 22.98 | |
| Non più disponibile, nessuna sostituzione | ||||
| 10 | 331388 | |||
| Interruttore | ||||
| 11 | 331393 | 2.10 | 2.56 | |
| Cavo interno | ||||
| 12 | 331396 | 2.10 | 2.56 | |
| Isolamento acustico (a) | ||||
| 13 | 331380 | 2.10 | 2.56 | |
| Isolamento acustico (b) | ||||
| 14 | 331381 | 2.10 | 2.56 | |
| Non più disponibile, nessuna sostituzione | ||||
| 15 | 331395 | |||
| Supporto | ||||
| 16 | 315141 | 1.20 | 1.46 | |
| Non più disponibile, nessuna sostituzione | ||||
| 17 | 331394 | |||
| Nessuna informazione disponibile, non ordinabile | ||||
| 19 | 331379 | |||
| Nessuna informazione disponibile, non ordinabile | ||||
| 501 | 331405 | |||
| Nessuna informazione disponibile, non ordinabile | ||||
| 502 | 331406 | |||
| Nessuna informazione disponibile, non ordinabile | ||||
| 503 | 331407 | |||