Qui troverai tutte le parti e i disegni disponibili di “Hikoki NT65GS”. Da qui puoi ordinare direttamente tutte le parti desiderate. Molte parti devono essere ordinate dal produttore, a seconda della marca, ciò richiede da una a quattro settimane. Tutte le informazioni che abbiamo sono sul nostro sito web, non possiamo consigliarti su ciò di cui hai bisogno, per questo dovrai restituire la macchina per la riparazione. Nota quanto segue al momento dell’ordinazione:
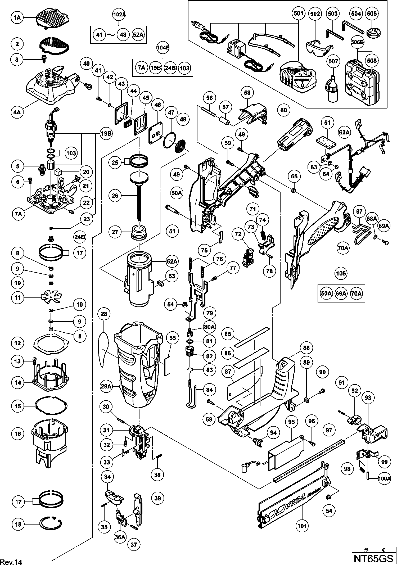
Disegni tecnici di Hikoki NT65GS
Elenco parti di Hikoki NT65GS
| Pos. | Descrizione | Prezzo IVA escl | Prezzo IVA incl | |
| I prezzi indicati sono comprensivi di IVA | ||||
| Nessuna informazione disponibile, non ordinabile | ||||
| *60 | 326299 | |||
| Copertura del Filtro | ||||
| 1A | 886664 | 1.05 | 1.28 | |
| Filtro | ||||
| 2 | 886344 | 10.20 | 12.44 | |
| Vite M5x10 | ||||
| 3 | 886347 | 1.05 | 1.28 | |
| COPERTURA SUPERIORE | ||||
| 4A | 886335 | 3.15 | 3.84 | |
| Candela di accensione | ||||
| 5 | 885333 | 3.30 | 4.03 | |
| Vite a brugola Hd M4x12 | ||||
| 6 | 880630 | 1.05 | 1.28 | |
| Coperchio del cilindro | ||||
| 7A | 886661 | 20.90 | 25.50 | |
| Dado M3 (10 Pezzi) | ||||
| 8 | 949553 | 1.04 | 1.27 | |
| Rondella di molla M3 (10 pezzi) | ||||
| 9 | 949451 | 1.05 | 1.28 | |
| Anello M3 (10 pezzi) | ||||
| 10 | 949422 | 1.04 | 1.27 | |
| GUARNIZIONE | ||||
| 11 | 886309 | 2.10 | 2.56 | |
| Imballaggio in gomma | ||||
| 12 | 886568 | 1.05 | 1.28 | |
| Vite a brugola M4x16 | ||||
| 13 | 949754 | 2.40 | 2.93 | |
| COPERTURA | ||||
| 14 | 886295 | 9.15 | 11.16 | |
| GUARNIZIONE IMPACCHETTAMENTO | ||||
| 15 | 886296 | 1.05 | 1.28 | |
| Camera | ||||
| 16 | 886297 | 10.65 | 12.99 | |
| Anello del pistone | ||||
| 17 | 886312 | 2.10 | 2.56 | |
| Rondella D40 | ||||
| 18 | 886298 | 1.05 | 1.28 | |
| MOTORE | ||||
| 19B | 887446 | 104.50 | 127.49 | |
| Guarnizione | ||||
| 20 | 886315 | 1.05 | 1.28 | |
| Adattatore CMS-OF | ||||
| 21 | 886313 | 1.05 | 1.28 | |
| Vite a brugola M4x5 | ||||
| 22 | 886314 | 1.05 | 1.28 | |
| Anello di gomma (1) | ||||
| 23 | 886567 | 1.05 | 1.28 | |
| Copertura TURBO II | ||||
| 24B | 887890 | 2.10 | 2.56 | |
| Anello del pistone | ||||
| 25 | 886286 | 4.20 | 5.12 | |
| Spinotto di colpo | ||||
| 26 | 886291 | 22.83 | 27.85 | |
| Paracolpi del pistone | ||||
| 27 | 886289 | 2.10 | 2.56 | |
| Nessuna informazione disponibile, non ordinabile | ||||
| 28 | 888773 | |||
| Cassetta del rivestimento DUO 110 - Set | ||||
| 29A | 331425 | 12.90 | 15.74 | |
| SPINA | ||||
| 30 | 886310 | 1.05 | 1.28 | |
| ASTA | ||||
| 31 | 886302 | 18.84 | 22.98 | |
| Blocco del sigillo Vite a brugola M4x12 | ||||
| 32 | 886311 | 1.05 | 1.28 | |
| Piastra di bloccaggio nuova | ||||
| 33 | 886304 | 1.05 | 1.28 | |
| Coperchio del Tappo H90sc/se | ||||
| 34 | 886570 | 2.10 | 2.56 | |
| Spina D3x10 (10 pezzi) | ||||
| 35 | 949776 | 2.40 | 2.93 | |
| Leva di arresto | ||||
| 36A | 887453 | 4.20 | 5.12 | |
| Roll Pin D3x16 (10 pezzi) | ||||
| 37 | 949496 | 1.65 | 2.01 | |
| MOLLA DI RITENZIONE OSC 18 | ||||
| 38 | 886305 | 1.05 | 1.28 | |
| Piastra di guida | ||||
| 39 | 886303 | 12.90 | 15.74 | |
| Vite speciale M5 | ||||
| 40 | 886566 | 1.05 | 1.28 | |
| Blocco sigillo Hd. Vite a brugola M4x8 | ||||
| 41 | 886307 | 1.05 | 1.28 | |
| Molla H8 | ||||
| 42 | 886319 | 1.05 | 1.28 | |
| Copertura dell'ammortizzatore | ||||
| 43 | 886287 | 4.20 | 5.12 | |
| SILENZIATORE | ||||
| 44 | 886288 | 2.10 | 2.56 | |
| Guarnizione | ||||
| 45 | 886290 | 3.15 | 3.84 | |
| PIASTRA AMMORTIZZATRICE | ||||
| 46 | 886293 | 2.10 | 2.56 | |
| Anello O | ||||
| 47 | 886294 | 1.05 | 1.28 | |
| Filtro antipolvere per H70sa | ||||
| 48 | 886292 | 3.30 | 4.03 | |
| Vite Autofilettante (con flangia) D4x16 (nero) | ||||
| 49 | 305812 | 1.04 | 1.27 | |
| Nessuna informazione disponibile, non ordinabile | ||||
| 50A | 886317 | |||
| Vite M4x32 | ||||
| 51 | 886565 | 1.05 | 1.28 | |
| CILINDRO | ||||
| 52A | 886284 | 32.31 | 39.42 | |
| Gomma | ||||
| 53 | 886285 | 1.05 | 1.28 | |
| Dado in Nylon M5 | ||||
| 54 | 877371 | 1.05 | 1.28 | |
| Targa del marchio | ||||
| 55 | 886342 | 1.80 | 2.20 | |
| Targa del marchio | ||||
| 55A | 886342 | 1.80 | 2.20 | |
| SPINA | ||||
| 56 | 886332 | 1.05 | 1.28 | |
| Boccola di gomma | ||||
| 57 | 886333 | 1.05 | 1.28 | |
| Cappuccio | ||||
| 58 | 886326 | 2.10 | 2.56 | |
| Vite a tagliente (con flangia) D4x20 (nero) | ||||
| 59 | 302086 | 1.05 | 1.28 | |
| Nessuna informazione disponibile, non ordinabile | ||||
| 60 | 326299 | |||
| Supporto | ||||
| 61 | 886316 | 1.05 | 1.28 | |
| Cablaggio (vecchio 886321) | ||||
| 62A | 887635 | 72.19 | 88.07 | |
| Anello M4 (10 pezzi) | ||||
| 63 | 949423 | 1.05 | 1.28 | |
| Vite per macchina M4x10 (10 pezzi) (VECCHIO 949216 | ||||
| 64 | 949216 | 1.05 | 1.28 | |
| Dado di blocco M4 (nero) | ||||
| 65 | 886330 | 1.05 | 1.28 | |
| GANCIO | ||||
| 67 | 886345 | 3.15 | 3.84 | |
| Rondella | ||||
| 68A | 887036 | 1.05 | 1.28 | |
| Vite M4x25 Nero | ||||
| 69A | 887034 | 1.05 | 1.28 | |
| Nessuna informazione disponibile, non ordinabile | ||||
| 70A | 886323 | |||
| Supporto del Terminale | ||||
| 71 | 326316 | 1.05 | 1.28 | |
| Supporto del Terminale | ||||
| 71A | 326316 | 1.05 | 1.28 | |
| Fermo del grilletto | ||||
| 72 | 886552 | 3.15 | 3.84 | |
| Interruttore | ||||
| 73 | 886327 | 1.05 | 1.28 | |
| Molla del grilletto | ||||
| 74 | 886328 | 1.05 | 1.28 | |
| Piastra di copertura | ||||
| 75 | 886324 | 1.05 | 1.28 | |
| Molla | ||||
| 76 | 886301 | 1.05 | 1.28 | |
| Vite Allen M4x10 autobloccante | ||||
| 77 | 886308 | 1.05 | 1.28 | |
| Spillo D3x20 (10 Pezzi) | ||||
| 78 | 949890 | 1.80 | 2.20 | |
| Leva di spinta | ||||
| 79 | 886299 | 7.35 | 8.97 | |
| Pezzo di leva di spinta B # 9r192301 | ||||
| 80A | 887035 | 3.15 | 3.84 | |
| Anello O (s-8) | ||||
| 81 | 992912 | 1.05 | 1.28 | |
| REGOLATORE | ||||
| 82 | 886338 | 2.10 | 2.56 | |
| Molla a cricchetto | ||||
| 83 | 886331 | 1.05 | 1.28 | |
| Leva di Spinta | ||||
| 84 | 886337 | 4.20 | 5.12 | |
| ETICHETTA DI ATTENZIONE (A) | ||||
| 86 | 888761 | 1.04 | 1.27 | |
| Etichetta di avvertimento (c) | ||||
| 87 | 888774 | 1.04 | 1.27 | |
| Copertura del rivista | ||||
| 88 | 886318 | 6.90 | 8.42 | |
| Rondella M5 (vecchio 949431z, 10 pezzi) | ||||
| 89 | 949431 | 1.04 | 1.27 | |
| Vite Macchina M5x15 Nero | ||||
| 90 | 885997 | 1.05 | 1.28 | |
| Roll Pin D3x16 (10 pezzi) | ||||
| 91 | 949496 | 1.65 | 2.01 | |
| Molla a Balia | ||||
| 92 | 881755 | 3.30 | 4.03 | |
| Alimentazione dei chiodi | ||||
| 93 | 886340 | 2.10 | 2.56 | |
| PRISMA | ||||
| 94 | 886322 | 1.05 | 1.28 | |
| REGOLATORE | ||||
| 95 | 886320 | 72.33 | 88.24 | |
| Vite con flangia D4x12 (nero) | ||||
| 96 | 325083 | 1.65 | 2.01 | |
| Rotaia per chiodi | ||||
| 97 | 886341 | 7.35 | 8.97 | |
| Molla di spinta | ||||
| 98 | 880321 | 1.05 | 1.28 | |
| Alimentazione dei chiodi | ||||
| 99 | 886339 | 2.10 | 2.56 | |
| Roll Pin D2.5x26 (vecchio 886334) | ||||
| 100A | 886605 | 1.05 | 1.28 | |
| MAGAZZINO SA | ||||
| 101 | 886336 | 10.20 | 12.44 | |
| Set di cilindro | ||||
| 102A | 886550 | 45.65 | 55.69 | |
| Anello O (s-12) | ||||
| 103 | 875638 | 1.65 | 2.01 | |
| Coperchio del cilindro completo | ||||
| 104B | 887891 | 138.74 | 169.26 | |
| Set di maniglie (vecchio 886317+886323) | ||||
| 105 | 331424 | 18.15 | 22.14 | |
| Nessuna informazione disponibile, non ordinabile | ||||
| 502 | 875769 | |||
| Nessuna informazione disponibile, non ordinabile | ||||
| 503 | 944458 | |||
| Nessuna informazione disponibile, non ordinabile | ||||
| 504 | 943277 | |||
| Tappo per naso | ||||
| 505 | 886349 | 1.65 | 2.01 | |
| Nessuna informazione disponibile, non ordinabile | ||||
| 506B | 886857 | |||
| Nessuna informazione disponibile, non ordinabile | ||||
| 507 | 886036 | |||
| Leva KA 65 | ||||
| 508 | 887996 | 1.20 | 1.46 | |