Qui troverai tutte le parti e i disegni disponibili di “Hikoki NT65GA”. Da qui puoi ordinare direttamente tutte le parti desiderate. Molte parti devono essere ordinate dal produttore, a seconda della marca, ciò richiede da una a quattro settimane. Tutte le informazioni che abbiamo sono sul nostro sito web, non possiamo consigliarti su ciò di cui hai bisogno, per questo dovrai restituire la macchina per la riparazione. Nota quanto segue al momento dell’ordinazione:
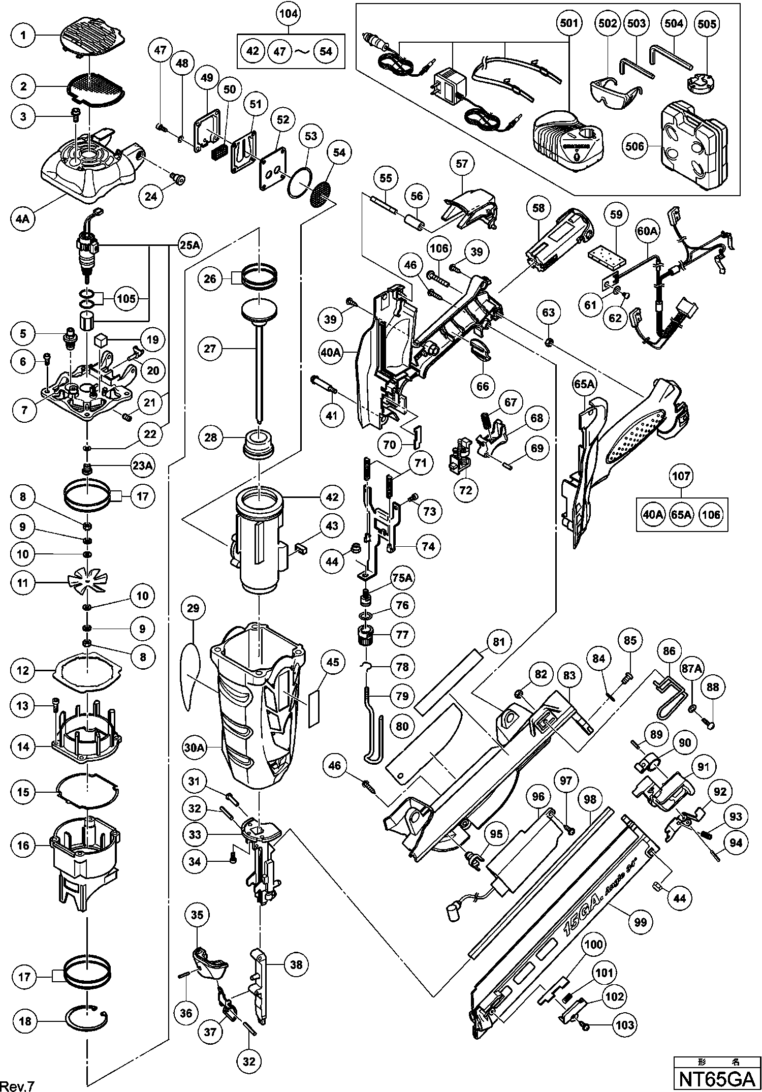
Disegni tecnici di Hikoki NT65GA
Elenco parti di Hikoki NT65GA
| Pos. | Descrizione | Prezzo IVA escl | Prezzo IVA incl | |
| I prezzi indicati sono comprensivi di IVA | ||||
| Nessuna informazione disponibile, non ordinabile | ||||
| *45 | 886342M | |||
| Copertura del Filtro | ||||
| 1 | 886664 | 1.05 | 1.28 | |
| Filtro | ||||
| 2 | 886344 | 10.20 | 12.44 | |
| Vite M5x10 | ||||
| 3 | 886347 | 1.05 | 1.28 | |
| COPERTURA SUPERIORE | ||||
| 4 | 886335 | 3.15 | 3.84 | |
| Candela di accensione | ||||
| 5 | 885333 | 3.30 | 4.03 | |
| Vite a brugola Hd M4x12 | ||||
| 6 | 880630 | 1.05 | 1.28 | |
| Coperchio del cilindro | ||||
| 7 | 886661 | 20.90 | 25.50 | |
| Dado M3 (10 Pezzi) | ||||
| 8 | 949553 | 1.04 | 1.27 | |
| Rondella di molla M3 (10 pezzi) | ||||
| 9 | 949451 | 1.05 | 1.28 | |
| Anello M3 (10 pezzi) | ||||
| 10 | 949422 | 1.04 | 1.27 | |
| GUARNIZIONE | ||||
| 11 | 886309 | 2.10 | 2.56 | |
| Imballaggio in gomma | ||||
| 12 | 886568 | 1.05 | 1.28 | |
| Vite a brugola M4x16 | ||||
| 13 | 949754 | 2.40 | 2.93 | |
| Nessuna informazione disponibile, non ordinabile | ||||
| 14 | 886609 | |||
| GUARNIZIONE IMPACCHETTAMENTO | ||||
| 15 | 886296 | 1.05 | 1.28 | |
| Camera | ||||
| 16 | 886297 | 10.65 | 12.99 | |
| Anello del pistone | ||||
| 17 | 886312 | 2.10 | 2.56 | |
| Rondella D40 | ||||
| 18 | 886298 | 1.05 | 1.28 | |
| Guarnizione | ||||
| 19 | 886315 | 1.05 | 1.28 | |
| Adattatore CMS-OF | ||||
| 20 | 886313 | 1.05 | 1.28 | |
| Vite a brugola M4x5 | ||||
| 21 | 886314 | 1.05 | 1.28 | |
| Anello di gomma (1) | ||||
| 22 | 886567 | 1.05 | 1.28 | |
| Copertura TURBO II | ||||
| 23A | 887890 | 2.10 | 2.56 | |
| Vite speciale M5 | ||||
| 24 | 886566 | 1.05 | 1.28 | |
| MOTORE | ||||
| 25A | 887446 | 104.50 | 127.49 | |
| Anello del pistone | ||||
| 26 | 886286 | 4.20 | 5.12 | |
| Nessuna informazione disponibile, non ordinabile | ||||
| 27 | 886585 | |||
| Paracolpi del pistone | ||||
| 28 | 886289 | 2.10 | 2.56 | |
| Nessuna informazione disponibile, non ordinabile | ||||
| 29 | 888753 | |||
| Cassetta del rivestimento DUO 110 - Set | ||||
| 30A | 331425 | 12.90 | 15.74 | |
| Nessuna informazione disponibile, non ordinabile | ||||
| 31 | 886610 | |||
| Roll Pin D3x16 (10 pezzi) | ||||
| 32 | 949496 | 1.65 | 2.01 | |
| Nessuna informazione disponibile, non ordinabile | ||||
| 33 | 886611 | |||
| Blocco del sigillo Vite a brugola M4x12 | ||||
| 34 | 886311 | 1.05 | 1.28 | |
| Nessuna informazione disponibile, non ordinabile | ||||
| 35 | 886587 | |||
| Spina D3x10 (10 pezzi) | ||||
| 36 | 949776 | 2.40 | 2.93 | |
| Nessuna informazione disponibile, non ordinabile | ||||
| 37 | 886586 | |||
| Nessuna informazione disponibile, non ordinabile | ||||
| 37A | 887466 | |||
| Nessuna informazione disponibile, non ordinabile | ||||
| 38 | 886612 | |||
| Vite Autofilettante (con flangia) D4x16 (nero) | ||||
| 39 | 305812 | 1.04 | 1.27 | |
| Nessuna informazione disponibile, non ordinabile | ||||
| 40A | 886317 | |||
| Vite M4x32 | ||||
| 41 | 886565 | 1.05 | 1.28 | |
| CILINDRO | ||||
| 42 | 886584 | 32.31 | 39.42 | |
| Gomma | ||||
| 43 | 886285 | 1.05 | 1.28 | |
| Dado in Nylon M5 | ||||
| 44 | 877371 | 1.05 | 1.28 | |
| Targa del marchio | ||||
| 45 | 886342 | 1.80 | 2.20 | |
| Vite a tagliente (con flangia) D4x20 (nero) | ||||
| 46 | 302086 | 1.05 | 1.28 | |
| Blocco sigillo Hd. Vite a brugola M4x8 | ||||
| 47 | 886307 | 1.05 | 1.28 | |
| Molla H8 | ||||
| 48 | 886319 | 1.05 | 1.28 | |
| Copertura dell'ammortizzatore | ||||
| 49 | 886287 | 4.20 | 5.12 | |
| SILENZIATORE | ||||
| 50 | 886288 | 2.10 | 2.56 | |
| Guarnizione | ||||
| 51 | 886290 | 3.15 | 3.84 | |
| PIASTRA AMMORTIZZATRICE | ||||
| 52 | 886293 | 2.10 | 2.56 | |
| Anello O | ||||
| 53 | 886294 | 1.05 | 1.28 | |
| Filtro antipolvere per H70sa | ||||
| 54 | 886292 | 3.30 | 4.03 | |
| SPINA | ||||
| 55 | 886332 | 1.05 | 1.28 | |
| Boccola di gomma | ||||
| 56 | 886333 | 1.05 | 1.28 | |
| Cappuccio | ||||
| 57 | 886326 | 2.10 | 2.56 | |
| Nessuna informazione disponibile, non ordinabile | ||||
| 58 | 326263 | |||
| Supporto | ||||
| 59 | 886316 | 1.05 | 1.28 | |
| Cablaggio (vecchio 886321) | ||||
| 60A | 887635 | 72.19 | 88.07 | |
| Anello M4 (10 pezzi) | ||||
| 61 | 949423 | 1.05 | 1.28 | |
| Vite per macchina M4x10 (10 pezzi) (VECCHIO 949216 | ||||
| 62 | 949216 | 1.05 | 1.28 | |
| Dado di blocco M4 (nero) | ||||
| 63 | 886330 | 1.05 | 1.28 | |
| Nessuna informazione disponibile, non ordinabile | ||||
| 65A | 886323 | |||
| Supporto del Terminale | ||||
| 66 | 326316 | 1.05 | 1.28 | |
| Supporto del Terminale | ||||
| 66A | 326316 | 1.05 | 1.28 | |
| Molla del grilletto | ||||
| 67 | 886328 | 1.05 | 1.28 | |
| Interruttore | ||||
| 68 | 886327 | 1.05 | 1.28 | |
| Spillo D3x20 (10 Pezzi) | ||||
| 69 | 949890 | 1.80 | 2.20 | |
| Piastra di copertura | ||||
| 70 | 886324 | 1.05 | 1.28 | |
| Molla | ||||
| 71 | 886301 | 1.05 | 1.28 | |
| Fermo del grilletto | ||||
| 72 | 886552 | 3.15 | 3.84 | |
| Vite Allen M4x10 autobloccante | ||||
| 73 | 886308 | 1.05 | 1.28 | |
| Nessuna informazione disponibile, non ordinabile | ||||
| 74 | 886613 | |||
| Pezzo di leva di spinta B # 9r192301 | ||||
| 75A | 887035 | 3.15 | 3.84 | |
| Anello O (s-8) | ||||
| 76 | 992912 | 1.05 | 1.28 | |
| REGOLATORE | ||||
| 77 | 886338 | 2.10 | 2.56 | |
| Molla a cricchetto | ||||
| 78 | 886331 | 1.05 | 1.28 | |
| Nessuna informazione disponibile, non ordinabile | ||||
| 79 | 886589 | |||
| Etichetta di avvertimento (c) | ||||
| 80 | 888774 | 1.04 | 1.27 | |
| ETICHETTA DI ATTENZIONE (A) | ||||
| 81 | 888761 | 1.04 | 1.27 | |
| Nessuna informazione disponibile, non ordinabile | ||||
| 82 | 886614 | |||
| Nessuna informazione disponibile, non ordinabile | ||||
| 83 | 886592 | |||
| Rondella M5 (vecchio 949431z, 10 pezzi) | ||||
| 84 | 949431 | 1.04 | 1.27 | |
| Vite Macchina M5x15 Nero | ||||
| 85 | 885997 | 1.05 | 1.28 | |
| GANCIO | ||||
| 86 | 886345 | 3.15 | 3.84 | |
| Rondella | ||||
| 87A | 887036 | 1.05 | 1.28 | |
| Vite Hd. Truss M4 (nero) Tranne Per Europa | ||||
| 88 | 886346 | 1.05 | 1.28 | |
| Roll Pin D3x16 (10 pezzi) | ||||
| 89 | 949496 | 1.65 | 2.01 | |
| Molla a Balia | ||||
| 90 | 881755 | 3.30 | 4.03 | |
| Alimentazione dei chiodi | ||||
| 91 | 886340 | 2.10 | 2.56 | |
| Nessuna informazione disponibile, non ordinabile | ||||
| 92 | 886590 | |||
| Molla | ||||
| 93 | 886604 | 1.05 | 1.28 | |
| Roll Pin D2.5x26 (vecchio 886334) | ||||
| 94 | 886605 | 1.05 | 1.28 | |
| PRISMA | ||||
| 95 | 886322 | 1.05 | 1.28 | |
| REGOLATORE | ||||
| 96 | 886320 | 72.33 | 88.24 | |
| Vite con flangia D4x12 (nero) | ||||
| 97 | 325083 | 1.65 | 2.01 | |
| Rotaia per chiodi | ||||
| 98 | 886591 | 8.25 | 10.06 | |
| Nessuna informazione disponibile, non ordinabile | ||||
| 99 | 886588 | |||
| Nessuna informazione disponibile, non ordinabile | ||||
| 100 | 886615 | |||
| Molla dello Stopper di Spinta | ||||
| 101 | 886619 | 1.05 | 1.28 | |
| Coperchio del Tappo Spingente | ||||
| 102 | 886616 | 1.20 | 1.46 | |
| Vite da taglio D3x10 (nera) | ||||
| 103 | 306371 | 1.04 | 1.27 | |
| Nessuna informazione disponibile, non ordinabile | ||||
| 104 | 886618 | |||
| Anello O (s-12) | ||||
| 105 | 875638 | 1.65 | 2.01 | |
| Vite M4x25 Nero | ||||
| 106 | 887034 | 1.05 | 1.28 | |
| Set di maniglie (vecchio 886317+886323) | ||||
| 107 | 331424 | 18.15 | 22.14 | |
| Nessuna informazione disponibile, non ordinabile | ||||
| 502 | 875769 | |||
| Nessuna informazione disponibile, non ordinabile | ||||
| 503 | 943277 | |||
| Nessuna informazione disponibile, non ordinabile | ||||
| 504 | 944458 | |||
| Tappo per naso | ||||
| 505 | 886349 | 1.65 | 2.01 | |
| Nessuna informazione disponibile, non ordinabile | ||||
| 506 | 886617 | |||