Qui troverai tutte le parti e i disegni disponibili di “Hikoki NT1865DBAL”. Da qui puoi ordinare direttamente tutte le parti desiderate. Molte parti devono essere ordinate dal produttore, a seconda della marca, ciò richiede da una a quattro settimane. Tutte le informazioni che abbiamo sono sul nostro sito web, non possiamo consigliarti su ciò di cui hai bisogno, per questo dovrai restituire la macchina per la riparazione. Nota quanto segue al momento dell’ordinazione:
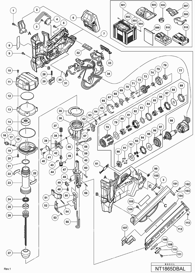
Disegni tecnici di Hikoki NT1865DBAL
Elenco parti di Hikoki NT1865DBAL
| Pos. | Descrizione | Prezzo IVA escl | Prezzo IVA incl | |
| I prezzi indicati sono comprensivi di IVA | ||||
| SUPPORTO PER RIVISTE | ||||
| *100 | 371093 | 1.35 | 1.65 | |
| COPERTINA DEL MAGAZINE | ||||
| *101 | 371085 | 15.26 | 18.62 | |
| ETICHETTA DI ATTENZIONE (EU) | ||||
| *105 | 372191 | 1.04 | 1.27 | |
| ALIMENTATORE DI CHIODI (B) | ||||
| *107 | 371090 | 19.66 | 23.99 | |
| FOGLIO DI PANNELLO | ||||
| *115 | 373658 | 1.65 | 2.01 | |
| CABLAGGIO | ||||
| *34 | 372187 | 150.01 | 183.02 | |
| Hd. Bullone M5x16 (con rondella) | ||||
| 1 | 880219 | 1.05 | 1.28 | |
| ALLOGGIAMENTO (C) | ||||
| 2 | 371225 | 1.20 | 1.46 | |
| Bullone a Testa Bassa Esagonale M4x8 | ||||
| 3 | 331109 | 1.80 | 2.20 | |
| Gancio (1) | ||||
| 4 | 371214 | 12.45 | 15.19 | |
| Vite per foratura D4x20 con flangia (nero) | ||||
| 5 | 301653 | 1.04 | 1.27 | |
| Nessuna informazione disponibile, non ordinabile | ||||
| 6 | 339783 | |||
| Nessuna informazione disponibile, non ordinabile | ||||
| 6A | 371750 | |||
| Nessuna informazione disponibile, non ordinabile | ||||
| 7 | 371009 | |||
| Nessuna informazione disponibile, non ordinabile | ||||
| 7B | 371009 | |||
| Vite D4x20 (Cravatta di plastica) | ||||
| 9 | 994806 | 1.04 | 1.27 | |
| BULLONE A BUSSOLA ESAGONALE M5 | ||||
| 10 | 371015 | 1.04 | 1.27 | |
| Coperchio Superiore | ||||
| 11 | 371014 | 6.45 | 7.87 | |
| CUSCINO IN GOMMA (C) | ||||
| 12 | 371012 | 1.35 | 1.65 | |
| COPERCHIO DELLA CAMERA | ||||
| 13 | 371035 | 20.35 | 24.83 | |
| DADO SPECIALE M36 | ||||
| 14 | 371040 | 11.10 | 13.54 | |
| O-RING (D.I. 79,5) | ||||
| 15 | 371037 | 2.40 | 2.93 | |
| Nessuna informazione disponibile, non ordinabile | ||||
| 16 | 371039 | |||
| CHARGE CAP | ||||
| 16B | 377913 | 1.38 | 1.68 | |
| Anello-O (s-5) | ||||
| 17 | 872822 | 3.00 | 3.66 | |
| Nucleo della valvola | ||||
| 18 | 371038 | 3.30 | 4.03 | |
| Nessuna informazione disponibile, non ordinabile | ||||
| 19 | 371036 | |||
| NUOVA BASE DELLA CAMERA | ||||
| 19A | 376548 | 27.09 | 33.05 | |
| Vite a Esagono Incassato M5x18 (10 Pezzi) | ||||
| 20 | 949658 | 1.80 | 2.20 | |
| O-RING (D.I. 32,99) | ||||
| 21 | 371042 | 1.35 | 1.65 | |
| Cuscino in gomma (b) | ||||
| 22 | 371011 | 1.04 | 1.27 | |
| CILINDRO | ||||
| 23 | 371041 | 47.71 | 58.21 | |
| Anello X | ||||
| 24 | 371046 | 4.50 | 5.49 | |
| Anello scorrevole | ||||
| 25 | 371047 | 19.53 | 23.82 | |
| PISTONE | ||||
| 26 | 371045 | 156.20 | 190.56 | |
| AMMORTIZZATORE DI PISTONE | ||||
| 27 | 371048 | 31.35 | 38.25 | |
| Molla (t) | ||||
| 28 | 332000 | 1.80 | 2.20 | |
| GRILLETTO | ||||
| 29 | 371021 | 1.04 | 1.27 | |
| O-RING (I.D. 2.5) | ||||
| 30 | 371020 | 1.04 | 1.27 | |
| CAVO DI COMMUTAZIONE (A) | ||||
| 31 | 371019 | 10.05 | 12.26 | |
| Cuscino di gomma | ||||
| 32 | 332668 | 2.10 | 2.56 | |
| Gomma del Terminale (a) | ||||
| 33 | 370728 | 2.55 | 3.11 | |
| CABLAGGIO | ||||
| 34 | 372187 | 150.01 | 183.02 | |
| Nessuna informazione disponibile, non ordinabile | ||||
| 34A | 373083 | |||
| Cuscino di gomma (a) | ||||
| 35 | 371010 | 1.04 | 1.27 | |
| NASO | ||||
| 36 | 371050 | 54.45 | 66.43 | |
| Molla, acciaio non arrugginito | ||||
| 37 | 371067 | 1.04 | 1.27 | |
| Dado in Nylon M5 | ||||
| 38 | 877371 | 1.05 | 1.28 | |
| LEVA DI SPINTA ARM ASS'Y | ||||
| 39 | 371064 | 9.90 | 12.08 | |
| Sigillo Bloccaggio Esagonale. Bullone M3x6 | ||||
| 40 | 325077 | 1.65 | 2.01 | |
| SUPPORTO LEVA BRACCIO DI SPINTA | ||||
| 41 | 371058 | 1.04 | 1.27 | |
| PEZZO DI LEVA DI SPINTA | ||||
| 42 | 371065 | 3.15 | 3.84 | |
| Molla a cricchetto | ||||
| 43 | 881765 | 1.95 | 2.38 | |
| REGOLATORE | ||||
| 44 | 887358 | 2.10 | 2.56 | |
| RONDELLA D4 | ||||
| 45 | 371062 | 1.04 | 1.27 | |
| Molla a cricchetto | ||||
| 46 | 886331 | 1.05 | 1.28 | |
| GUIDA LAMA | ||||
| 47 | 371057 | 62.56 | 76.33 | |
| Blocco del sigillo Vite a brugola M4x12 | ||||
| 48 | 886311 | 1.05 | 1.28 | |
| SUPPORTO LEVA BRACCIO DI SPINTA (B) | ||||
| 49 | 371061 | 6.60 | 8.05 | |
| PIASTRA DI GUIDA | ||||
| 50 | 371070 | 37.81 | 46.13 | |
| COPERCHIO DEL LEVA DI BLOCCAGGIO | ||||
| 51 | 371079 | 1.04 | 1.27 | |
| LEVA DI BLOCCO | ||||
| 52 | 371076 | 5.85 | 7.14 | |
| Roll Pin D3x16 (10 pezzi) | ||||
| 53 | 949496 | 1.65 | 2.01 | |
| SPINA ROTANTE D3X32 | ||||
| 54 | 371080 | 1.04 | 1.27 | |
| Leva di Spinta | ||||
| 55 | 371083 | 12.00 | 14.64 | |
| SPINA CILINDRICA D3X22 | ||||
| 56 | 371077 | 1.04 | 1.27 | |
| WIRE BAND | ||||
| 57 | 6696839 | 1.08 | 1.32 | |
| SENSORE (B) | ||||
| 58 | 371022 | 11.55 | 14.09 | |
| SUPPORTO DEL SENSORE (A) | ||||
| 59 | 371052 | 1.04 | 1.27 | |
| PINO DI GUIDA | ||||
| 60 | 371073 | 1.04 | 1.27 | |
| Leva (c) | ||||
| 61 | 331790 | 1.80 | 2.20 | |
| SENSORE (C) | ||||
| 62 | 371023 | 8.70 | 10.61 | |
| SUPPORTO DEL SENSORE (B) | ||||
| 63 | 371054 | 1.04 | 1.27 | |
| SUPPORTO DEL SENSORE (A) | ||||
| 64 | 371053 | 1.04 | 1.27 | |
| Vite esagonale Seal Lock M3x8 | ||||
| 65 | 325241 | 1.65 | 2.01 | |
| ANELLO DI PROTEZIONE | ||||
| 66 | 371051 | 1.04 | 1.27 | |
| CUSCINETTO A SFERE | ||||
| 67 | 371033 | 3.15 | 3.84 | |
| RONDÈLLA (A) | ||||
| 68 | 371032 | 1.04 | 1.27 | |
| MOLLA DI RUOTA (A) | ||||
| 69 | 371027 | 1.04 | 1.27 | |
| RULLO DI AGO D3 | ||||
| 70 | 371030 | 1.04 | 1.27 | |
| RULLO DI AGO D4.5 | ||||
| 71 | 371031 | 1.04 | 1.27 | |
| Spillo (a) | ||||
| 72 | 371029 | 1.20 | 1.46 | |
| RUOTA PIN | ||||
| 73 | 371026 | 77.96 | 95.11 | |
| MOLLA DI RUOTA (B) | ||||
| 74 | 371028 | 1.04 | 1.27 | |
| RILEVATORE DI POSIZIONE | ||||
| 75 | 371034 | 4.50 | 5.49 | |
| Nessuna informazione disponibile, non ordinabile | ||||
| 76 | 6901VV | |||
| Set di ingranaggi | ||||
| 77 | 371025 | 33.55 | 40.93 | |
| ROTATORE | ||||
| 98 | 361054 | 37.95 | 46.30 | |
| Scorrere * | ||||
| 99 | 326276 | 1.05 | 1.28 | |
| COPERTINA DEL MAGAZINE | ||||
| 101 | 371085 | 15.26 | 18.62 | |
| Vite Macchina M5x15 Nero | ||||
| 102 | 885997 | 1.05 | 1.28 | |
| Rondella M5 (vecchio 949431z, 10 pezzi) | ||||
| 103 | 949431 | 1.04 | 1.27 | |
| Rotaia per chiodi | ||||
| 104 | 886591 | 8.25 | 10.06 | |
| Nessuna informazione disponibile, non ordinabile | ||||
| 106 | 307811 | |||
| ALIMENTATORE DI CHIODI (B) | ||||
| 107 | 371090 | 19.66 | 23.99 | |
| FERMO SOSPINTO (A) | ||||
| 108 | 371091 | 1.04 | 1.27 | |
| Molla dello Stopper di Spinta | ||||
| 109 | 886619 | 1.05 | 1.28 | |
| Coperchio del Tappo Spingente | ||||
| 110 | 886616 | 1.20 | 1.46 | |
| Vite da taglio D3x10 (nera) | ||||
| 111 | 306371 | 1.04 | 1.27 | |
| TAPSCHROEF D3 ZWART MET RING (OUD 887464/306371) | ||||
| 111A | 382272 | 1.00 | 1.22 | |
| RIVISTA | ||||
| 112 | 371226 | 18.70 | 22.81 | |
| Dado in Nylon M5 | ||||
| 113 | 877371 | 1.05 | 1.28 | |
| PISTON ASS'Y (A) NEW | ||||
| 116 | 381612 | 48.62 | 59.32 | |
| MAGAZINE COVER SET NEW | ||||
| 117 | 381613 | 25.52 | 31.13 | |
| PIN WHEEL ASS'Y NEW | ||||
| 118 | 381639 | 22.94 | 27.99 | |
| MAGAZINE ASS'Y NT1865DBAL | ||||
| 119 | 382924 | 35.48 | 43.29 | |
| Nessuna informazione disponibile, non ordinabile | ||||
| 501 | 337528 | |||
| Nessuna informazione disponibile, non ordinabile | ||||
| 502 | 336473 | |||
| Nessuna informazione disponibile, non ordinabile | ||||
| 503 | 336472 | |||
| Nessuna informazione disponibile, non ordinabile | ||||
| 504 | 336474 | |||
| Nessuna informazione disponibile, non ordinabile | ||||
| 505 | 371895 | |||
| Nessuna informazione disponibile, non ordinabile | ||||
| 505A | 375577 | |||
| CAPPUCCIO DEL NASO NERO 3MM | ||||
| 506 | 371094 | 2.70 | 3.29 | |
| Cappuccio di protezione per batteria | ||||
| 507 | 329897 | 1.80 | 2.20 | |
| Nessuna informazione disponibile, non ordinabile | ||||
| 508 | 875769 | |||
| Nessuna informazione disponibile, non ordinabile | ||||
| 508A | 376161 | |||
| Tessuto del sacchetto | ||||
| 509 | 6698667 | 1.98 | 2.41 | |
| Nessuna informazione disponibile, non ordinabile | ||||
| 511 | 371896 | |||
| GANCIO | ||||
| 601 | 372992 | 14.73 | 17.96 | |
| Nessuna informazione disponibile, non ordinabile | ||||
| 602 | 375605 | |||